RASCH (728778), страница 5
Текст из файла (страница 5)
рис.6.6.7 Модель каскадной АСР по возмущению
рис.6.6.8.График отклика модели каскадной АСР по возмущению
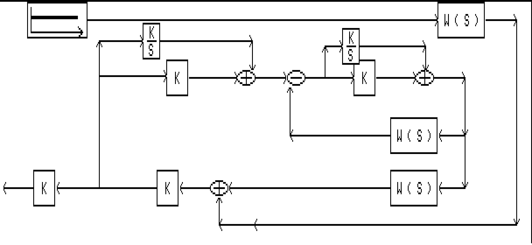
Модель комбинированной АСР без компенсатора изображена на рисунке 6.6.9., где:
1.W(S)-передаточная функция объекта по возмущению;
2.К-коэффициент пропорциональности регулятора эквивалентного объекта Кп=0.49
3.K/S-интегрирующее звено, значение Кп/Ти =0.49/1.46=0.33;
4.К-коэффициент пропорциональности регулятора внутреннего контура объекта Кп=2.56;
5.K/S-интегрирующее звено, значение Кп/Ти=2.56/7.47=0.34;
6.W(S)-передаточная функция объекта по внутреннему каналу;
7.W(S)-передаточная функция объекта по основному каналу;
8.К-коэффициент усиления входного сигнала К=-1;
9.К-коэффициент усиления входного сигнала К=-1.
График отклика модели на возмущение изображен на рисунке 6.6.10.
рис.6.6.9.Модель комбинированной АСР без коипенсатора.
рис.6.6.10.График отклика комбинированной АСР без компенсатора на возмущение
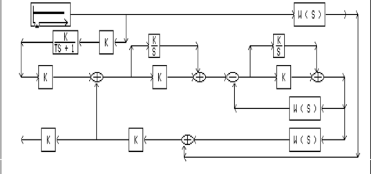
Модель комбинированной АСР с компенсатором изображена на рисунке 6.6.11., где:
1.W(S)-передаточная функция объекта по каналу внешнего возмущения
2.К-коэффициент усиления входного сигнала К=0.103
3.K/TS+1-передаточная функция компенсатора, в функцию заносятся коэффициенты К=0.103 и Т=8.36
4.К-коэффициент пропорциональности регулятора эквивалентного объекта Кп=0.49
5.K/S-интегрирующее звено, значение Кп/Ти = 0.49/1.46 = 0.33
6.К-коэффициент пропорциональности регулятора внутреннего контура объекта Кп=2.56
7.K/S-интегрирующее звено, значение Кп/Ти = 2.56/7.47 = 0.34
8.W(S)-передаточная функция объекта по внутреннему каналу
9.W(S)-передаточная функция объекта по основному каналу
10.К-коэффициент усиления входного сигнала К=-1
11.К-коэффициент усиления входного сигнала К=-1
График отклика модели на возмущающее воздействие изображен на рисунке 6.6.12.
рис.6.6.11.Модель комбинированной АСР с компенсатором
рис.6.6.12.График отклика модели комбинированной АСР с компенсатором на возмущение.
6.7. Анализ качества переходных процессов в различных АСР.
Величины перерегулирования для каждого вида АСР заносим в таблицу 6.7.1., для анализирования и выводов.
Таблица 6.7.1.
| Схема регулирования | По управлению +max% -min% | Время затух. | По возмущению +max% -min% | Время затух. | ||
| одноконтурная | 27 | 16 | 100с. | 25 | --- | 90с. |
| каскадная | 25 | 7 | 65с. | 18 | 19 | 90с. |
| комбиниров.без компенсатора | --- | --- | --- | 24 | 0.03 | 100с. |
| комбиниров. с компенсатором | --- | --- | --- | 48 | 0.08 | 60с. |
Вывод: Из таблицы видно, что каскадная схема АСР значительно качественней одноконтурной. Это связано с применением дополнительного регулятора по внутреннему каналу.
Комбинированная АСР с компенсатором хотя и имеет большой процент перерегулирования, но выводит значение регулируемой величины в исходное состояние за самый короткий промежуток времени 60 секунд.
Выбираем каскадную АСР.















