145067 (728023)
Текст из файла
Московский Энергетический Институт
(технический университет)
кафедра ЭИ
Курсовая работа
По теме: ”Измерение потерь в дросселе.”
Группа: ТФ-13-98
Студент: Поярков М.Ю.
Научный руководитель: Комаров Е.В.
Москва 2002г.
Содержание:
1. Техническое задание____________________________________________3
2. Введение и цель работы__________________________________________3
3. Анализ технического задания_____________________________________4
4. Реализация технического задания. Разработка структурной
схемы ___________________________________________________________7
5. Анализ элементов структурной схемы. Расчет узлов схемы
Измерение мощности потерь _____________________________________9
5.1 Блок управления драйвером________________________________9
5.2 Управление ключами с помощью драйвера___________________10
5.2.1 Ключи ___________________________________________12
5.3 Измерительная схема _____________________________________14
5.3.1 Фильтрация сигнала _______________________________14
6. Выводы _______________________________________________________14
7. Литература ____________________________________________________15
8. Приложение ___________________________________________________16
1.Техническое задание.
Разработать устройство измеряющее потери в дросселе, при следующих параметрах электрической цепи:
ч
Рис 2
астота работы устройства f=(10100) кГц, среднее значение тока I0=(120)А,

I
Рис 1
I0

t



E
T
t
н
еобходимо обеспечить работу схемы (см рис1) в импульсном режиме, т.е. ток и напряжение должны изменяться как показано на рис2.
2. Введение и цель работы.
В настоящее время существует несколько методов оценки потерь в дросселе, при чем, большинство из них могут только качественно оценить потери в дросселе. Для реализации количественной оценки потерь было необходимо большое количество элементов, несколько источников питания.
Целью данной работы является разработка алгоритма и схемы измерения, позволяющей использовать меньшее число элементов и количественно оценить электрические потери, возникающие в дросселе при наличии в нем активного сопротивления. Благодаря появлению новой технической базы это стало возможным.
3. Анализ технического задания.
Для решения данной задачи необходимо рассмотреть несколько случаев, которые характеризуют процессы протекающие в дросселе.
Рис 3
В начале, рассмотрим идеальный случай, когда в дросселе отсутствует активная часть сопротивления. (см рис 3)L L
E E
В данном случае среднее значение тока
, где
- минимальное значение тока;
Таким образом, при заданных значения i и L, мы можем, изменяя напряжение менять тем самым частоту работы схемы.
Теперь рассмотрим тот же случай при помощи гармонического анализа. Функцию напряжения E(t) (см рис2) можно представить в виде ряда Фурье.
Функцию тока I(t) (cм рис3) также можно представить аналогичным способом.
То есть:
0
T/2
=
После прохождения сигналов I(t), E(t) через усилитель, данные функции примут следующий вид :
Мощность потерь в дросселе определяется следующей формулой:
P – это мощность, которая будет на выходе умножителя без сигнала на его входе, т.е. это погрешность нуля.
При E=24 B, L=10-4 Гн, fт1 =107 МГц, fт2 =106 МГц, ;
Теперь рассмотрим случай, когда дроссель не идеальный, т.е. в дросселе присутствует активная часть сопротивления.
Тогда,
З апишем эту функцию через ряд
Д
t
ля случая n=1для тех же значений L, E, T, R=10 Ом, 1 , 2.
P1=14.6751 Вт.
Теперь рассмотрим следующий промежуток времени T/2
t
Функция напряжения E(t):
для тех же значений L, E, T, R=10 Ом, 1 , 2. P2=14.6752 Вт.
P= P1 +P2=29.3503 Вт.
3. Реализация технического задания. Разработка структурной схемы.
Д
Рис 4
ля реализации поставленной задачи необходимо разработать схему, которая обеспечивала бы заданные режимы работы. Эта схема имеет следующий вид(см рис4 ).U
11 U22
К3





R0
Рис. 4.1
К1





U2
U1
X
Фильтр
U 1
U2
рис 4.2
Рассмотрим работу данной схемы:
Ток, протекающий через дроссель, при помощи катушки преобразуется в напряжение с помощью прибора под названием LEM.Это бесконтактный датчик тока. Он сделан на основе влияния магнитного поля на датчик Холла. Провод, по которому течёт ток намагничивания, продевается в отверстие LEM–а, а на выходе получаем напряжение пропорциональное току в проводе.
Это напряжение подается на вход следующего элемента структурной схемы.
Этим элементом является устройство сравнения, в котором сравнивается напряжение с LEM-a с напряжениями U11 и U22 , которые соответственно эквиваленты I1 и I2.
Рис 5
Далее, с устройства сравнения сигнал подается на цифровую микросхему, осуществляющую контроль над состояниями ключей. Эта микросхема называется драйвер. В зависимости от цифровых уровней поступающих на драйвер он либо открывает, либо закрывает ключ. В данном применении ключи открываются и закрываются по очереди, формируя сигнал на дросселе представленный на рис 5.
I, A

T, c
5. Анализ элементов структурной схемы. Расчет узлов схемы.
Измерение мощности потерь.
Электрическая схема прибора изображена в приложении №1.
5.1 Блок управления драйвером.
Схема, реализующая управление драйвером изображена на рис.9. Cигнал с LEM-а приходит на триггеры Шмидта. Триггеры реализованы на компараторах LM311 фирмы National Semiconductor.
Основные параметры компаратора LM311 представлены в таблице 1
Табл 1 Параметры | Значения |
Напряжение питания | 0-36В |
Входное напряжение | 15В |
Входной ток | 0-50мA |
Напряжение смещения | 0,7мВ |
Входной ток | 60нА |
Ток смещения | 4нА |
Коэффициент усиления | 200В/мВ |
Рис 9
R DD3
S

Q
UОС
Q--
U22

Для расчета напряжений срабатывания и отпускания, найдем коэффициент передачи LEM-а , отсюда мы видим, что
где
. Теперь мы можем вычислить номиналы резисторов R1 и R2 из формулы
Таблица 2
RS-триггер, стоящий после триггера Шмидта, выполняет функцию по управлению драйвером. Поочередно изменяя логический сигнал на выходе RS-триггера, мы изменяем значения сигналов на выходе драйвера, т.е. что соответствует поочередному включению и выключению ключей. Зависимость сигнала на выходе RS-триггера от значений сигналов на его входе представлена в таблице 2. R | S | Q | Q_ |
1 | 0 | 1 | 0 |
0 | 1 | 0 | 1 |
0 | 0 | Qn-1 | Qn-1 |
1 | 1 | X | X |
5.2 Управление ключами с помощью драйвера
Для управления ключами мы выбрали драйвер фирмы Harris Semiconductor. Его основные технические характери
стики представлены в
таблице 3.
Таблица 3 Параметры | Значения |
Напряжение питания(Vdd ,Vсс) | 0-16 В |
Выходное напряжение (HO) | Vdd-0.4 В |
Выходное напряжение (LO) | 0-Vcc |
Время срабатывания | 10нсек |
Напряжение логической “1” | 9,5-VddВ |
Напряжение логического “0” | 0-6B |
Д
Рис 10
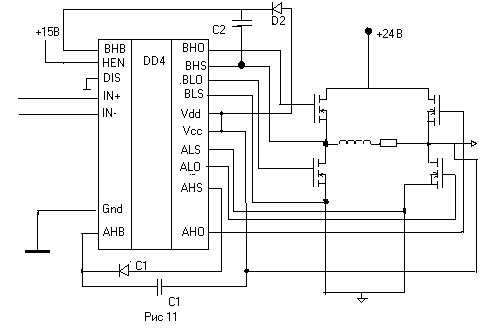
ля пояснения работы драйвера изобразим его временную диаграмму (рис.10). М икросхема используется по стандартной схеме подключения изображённой на рис.11
Рассчитаем навесные элементы, показанные на рис 11. Элементы С1 , С2, D1 ,D2 – соответственно бутстреповская ёмкость и бутстреповский диод (bootstrap). Согласно рекомендации фирмы изготовителя драйвера, выбираем емкости С1 =С2 =30.5 нФ.
К бутстреповскому диоду ставят два условия. Во-первых, он должен полностью блокировать обратное напряжение. Во-вторых, он должен быть быстродействующим. Выбираем диодUF4002, с временем срабатывания 25 нсек.
5.2.1 Ключи
В схеме, мы применяем ключи IRF3205 фирмы International Rectifier. Основные технические характеристики представлены в таблице 4.
Таблица 4
Параметры | Значения |
Время нарастания переднего фронта Id(on) | 14нсек |
Время спада заднего фронта td(off) | 43нсек |
Полный заряд бызы QG | 170нКл |
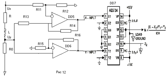
5.3 Измерительная схема, Измерение мощности.
Схема, реализующая измерения потерь в дросселе изображена
на рис. 12.
C 4
C 5
Для измерения потерь в дросселе нам необходимо два сигнала Ux - напряжение на дросселе и Uy – напряжение эквивалентное току проходящему через дроссель.
В качестве перемножителя берем AD734 фирмы Analog Devices. Навесные элементы C4 =C5=0.1 мкФ. Основные технические данные приведены в таблице 5.
Таблица 5
Параметры | Значения |
Функция преобразования | |
Статическая ошибка преобразования | 0,1% |
Входное напряжение | 0-10 В |
Выходное напряжение | 0-10 В |
Так как уровень входного напряжения на AD734 равен 10 В, то следовательно:
Ux=24 В усиливать не надо, а наоборот его необходимо уменьшить до уровня в 10 В. Тогда коэффициент усиления K=10/24=0,4.
; R11 = R13= Rу1, R12 =R14 =Rу1 , тогда
Rу1 /Rу2=1.2 .Выбираем R11 = R13= Rу1 =12 КОм, R12 =R14 =Rу1=10Ком
Uy=0.2 В, это получается исходя из соображений максимального тока протекающего через дроссель и сопротивления R0=0.01 Ома. Тогда
коэффициент усиления K=10/0.2=50. ; R16 =50 КОм,
R15 =1 КОМ.
5.3 Измерительная схема.
5.3.1Фильтрация сигнала.
Так как сигнал после перемножителя будет иметь следующую форму
, то его надо отфильтровать. После прохождения сигнала через фильтр останется только постоянная составляющая. Частотный фильтр реализован на AD712 фирмы Analog Devices.
>>T, следовательно =R18 C=103 Ом 1 мкФ=10-3 с
Для перевода результирующего сигнала с земли, принадлежащей измерительной части схемы, на землю общую для элементов, управляющих ключами, мы используем изолированный усилитель ISO124 фирмы BURR- BROWN. Основные технические характеристики представлены в таблице 6.
Таблица 6
Параметры | Значения |
Напряжение питания | ±18 В |
Напряжение входа | ±100 В |
Полоса пропускания | 50 КГц |
Выводы по работе:
Данный алгоритм и схема измерения позволяют обеспечить заданные режимы работы схемы, которые позволяют определять электрические потери в дросселе с высокой степенью точности.
Литература:
-
”Аналоговая и цифровая электротехника”, Ю.П. Опадчий, О.П. Гудкин, А.И. Гуров. Москва, “Горячая Линия-Телеком”,2000 г.
-
“Справочник по математике”, И.Н. Бронштейн,
-
К.А. Семендяев. Москва,”Наука”, 1980г.
-
Справочник “Цифровые и аналоговые интегральные микросхемы”, С.В. Якубовский, В.И. Кулешова. Москва “Радио связь”,1990 г.
-
Datasheet фирм International Rectifier, National Semiconductor, LEM. Application Note фирмы International Rectifier
-
Конспект лекций Е.В. Комарова ”Физические основы электроники” , 2000-2001г.
15
Характеристики
Тип файла документ
Документы такого типа открываются такими программами, как Microsoft Office Word на компьютерах Windows, Apple Pages на компьютерах Mac, Open Office - бесплатная альтернатива на различных платформах, в том числе Linux. Наиболее простым и современным решением будут Google документы, так как открываются онлайн без скачивания прямо в браузере на любой платформе. Существуют российские качественные аналоги, например от Яндекса.
Будьте внимательны на мобильных устройствах, так как там используются упрощённый функционал даже в официальном приложении от Microsoft, поэтому для просмотра скачивайте PDF-версию. А если нужно редактировать файл, то используйте оригинальный файл.
Файлы такого типа обычно разбиты на страницы, а текст может быть форматированным (жирный, курсив, выбор шрифта, таблицы и т.п.), а также в него можно добавлять изображения. Формат идеально подходит для рефератов, докладов и РПЗ курсовых проектов, которые необходимо распечатать. Кстати перед печатью также сохраняйте файл в PDF, так как принтер может начудить со шрифтами.