144702 (727748), страница 4
Текст из файла (страница 4)
4. Типы лестнично-лифтовых блоков
Обычно ЛЛУ располагают в центральной части высотных зданий. Как правило, он размещается в пределах центрального ствола строений с каркасноствольной, коробчатоствольной или аналогичными несущими системами. Предел огнестойкости конструкций лестничнолифтового узла принимают по национальным нормам проектирования, и в большинстве случаев он составляет 2 ч. Исходя из этого показателя, назначают толщину стен и перекрытий и выполняют их проектирование.
В трех-пятиэтажном здании — лестница в лестничной клетке из несгораемых конструкций с пределом огнестойкости в 1 ч; мусоропровод для всех зданий в пять и выше этажей;
В шести-девятиэтажных зданиях к лестничной клетке примыкает шахта пассажирского лифта грузоподъемностью от 320 кг (иногда она располагается в самой лестничной клетке между маршами).;
В шести-девятиэтажных зданиях к лестничной клетке примыкает шахта пассажирского лифта грузоподъемностью от 320 кг (иногда она располагается в самой лестничной клетке между маршами).;
В десяти-шестнадцатиэтажиых зданиях — лифтовой холл, шахты грузопассажирского и пассажирского лифтов грузоподъемностью соответственно от 500 и от 320 кг, эвакуационная незадымляемая лестница, оборудованная автоматически включающейся вытяжной вентиляцией, сообщающаяся с лифтовыми холлами через воздушный шлюз и имеющая непосредственный выход на улицу;
В зданиях высотой более 16 этажей — те же устройства, причем количество лифтов и режим их работы (лифты-экспрессы, останавливающиеся только на определенных этажах) выясняются расчетом их движения исходя из среднего времени ожидания и пользования лифтом в пределах 2 мин.
Вход в подвал или техническое подполье (высота помещений соответственно от 1,9 м и 1,6—1,9м) в зданиях выше трех этажей изолирован от лестничной клетки и устраивается непосредственно с улицы через приямок или с общего крыльца, но через отдельную дверь. Вход на чердак с выходом на крышу размещается в одной из лестничных клеток, а в протяженных зданиях — в лестничных клетках со сквозным проходом.
Сквозные проходы на первом этаже располагаются с интервалом до 90 м, сквозные проезды для пожарной машины — с интервалом до 180 м при периметральной застройке и до 300 м — при застройке с разрывами.
Эвакуацию населения при пожаре из домов высотой более девяти этажей обеспечивают незадымляемые лестницы. Каждая квартира должна иметь выход на одну лестницу, которая не может быть задымлена в условиях пожара. Кроме наружных пожарных лестниц, в том числе и стальных стремянок, размещаемых между балконами или лоджиями, к ним могут быть отнесены внутренние лестницы с поэтажным воздушным шлюзом, образуемым проходом через лоджию или балкон. Вход с этажа на эвакуационную лестницу — через этот же шлюз. Выход из эвакуационных лестниц должен быть непосредственно наружу, минуя входной вестибюль. Жилая площадь этажа, обслуживаемого незадымляемой лестницей, не должна превышать 300 м2. Все входы с этажей на незадымляемые лестницы— через трудносгораемые двери с пределом огнестойкости 0,6 ч. Направление открывания дверей: поэтажных — в сторону лестницы, с улицы— в сторону лестницы (вследствие возможного образования наледи или наноса снега).
Лестничнолифтовые узлы (ЛЛУ) высотных зданий играют особую роль в обеспечении сообщения между этажами и эвакуации людей в случае возникновения чрезвычайных ситуаций. В зависимости от компоновочного и объемнопланировочного решения ЛЛУ могут совмещать функции путей сообщения и эвакуации или выполняться раздельно. В обоих случаях к их техническому оснащению предъявляют определенные требования, связанные с обеспечением параметров безопасности.
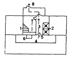
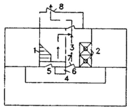
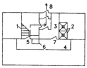
Рис. 1. Планировки лестнично-лифтовых узлов.
а - план типового этажа; б - план первого этажа; 1 - незадымляемая лестничная клетка 2-го типа; 2 - лифтовые шахты; 3 - лифтовый холл; 4 - коридор; 5 - принимаемая в расчет открытая дверь на этаже пожара; 6 - шахта дымоудаления; 7 - дверь закрытая при пожаре; 8 - наружная дверь для выхода из здания; 9 - наружная дверь закрытая при пожаре
В девятиэтажном панельном доме с поперечными несущими стенами лестница собрана из железобетонных маршей и площадок плитной конструкции. Площадки с фризовыми ступенями снабжены опорным ребром с пазом в пределах опирания нисходящего марша. Этажные площадки удлинены и образуют карманы, в которых размещены входы в квартиры и электротехническая панель с нишей для разводки силовой и слаботочной проводки. К этажным площадкам примыкают шахты двух пассажирских лифтов грузоподъемностью 500 и 350 кг. Шахты смонтированы из объединяющих их объмных железобетонных блоков высотой «на этаж». Междуэтажные площадки уширены. Сквозь них проходит мусоропровод, расположенный у наружной стены. Камера мусороудаления размещена рядом с входным тамбуром.
Цокольный марш укорочен на одну ступень, но формуется в оснастке рядового марша. Подвальный марш — рядовой, но опирающийся так, что его верхняя и нижняя ступени становятся фризовыми. Измененная система опирания уменьшает подъем подвального марша на 300 мм.
Лестница ограждена звеньями стальной решетки, приваренными в двух точках к боковой поверхности марша. Ограждение зазора между маршами образуется Н-образной вставкой.
В шестнадцатиэтажном панельном доме с продольными несущими стенам эвакуационная лестница собрана из железобетонных гнутых маршей П-образного сечения с шириной ступеней 1,05 м. Зазор между маршами образуется за счет уширения полуплощадок.
Вход на лестницу из лифтового холла через эвакуационную площадку и балкон, образующий воздушный шлюз. Между эвакуационной лестницей и лифтовым холлом расположены шахты пассажирского и грузопассажирского лифтов грузоподъемностью 500 и 1000 кг. Шахты смонтированы из объемных железобетонных блоков высотой «на этаж». В утолщенной боковой стенке шахты пассажирского лифта проходят ствол мусоропровода и вентиляционные каналы из камеры мусороудаления и эвакуационных площадок, на которых расположены мусороприемники.
Лифтовой холл примыкает к распределительной площадке с входами в квартиры. Шахта пожарного дымоудаления расположена между эвакуационной лестницей и распределительной площадкой. При повышении температуры клапаны в шахту
Мусоропровод устанавливается в домах высотой от пяти этажей. Он состоит из: ствола с приемными клапанами, размещенными на каждой этажной или через этаж — на междуэтажных пло щадках; возвышающегося над ними и выходящего! на крышу вентиляционного ствола с дефлекторов и камеры мусороудаления. В этой камере нижнее звено ствола мусоропровода на высоте от 1,2 Д<Х 2 м от пола перекрывается затвором. Пол камеры мусороудаления желательно располагать близко к уровню спланированной вокруг здания земли — так, чтобы удобно было из нее вывозить контейнер.
Ствол выполняется из асбестоцементных безнапорных труб с условным проходом 400 мм (наружный диаметр 414 мм). Трубы мусоропровода устанавливаются строго по вертикальной оси. Стыки труб (не более одного на этаж) размещаются вне зоны перекрытия и приемного клапана. Стык перекрывается соединительной асбестоцементноЙ муфтой. Зазор между стыкуемыми трубами и муф той равномерно конопатится прядевой паклей * зачеканивается сверху и снизу цементно-песчаным раствором состава 1 :2 с предварительным смачиванием водой поверхностей асбестоцемента. Внутри стыка не допускаются уступы и заусенцы.
Ствол мусоропровода опирается на лестничные площадки хомутами из уголков. Хомут укладывается беззазорно на свежеподлитый слой цементного раствора и туго затягивается на трубе ствола.
В месте установки приемного клапана в трубе вырезается с предварительным рассверливанием по шаблону отверстие 300 X 600 мм. На уровне низа отверстия и над ним труба охватывается стальными ободами с вваренными в них шпильками; кожух клапана привинчивается к четырем шпилькам. Сопряжение кожуха с трубой уплотняется по всему периметру резиновыми прокладками. Связанный с крышкой опрокидной ковш при загрузке перекрывает отверстие в стволе. Обрез ствола мусоропровода должен превышать более чем на 1 м верхний приемный клапан. Вентиляционный ствол выполняется из асбестоцементной трубы с условным проходом 300 мм (наружный диаметр 315 мм), сопряженной с основным стволом через стальной переходный фланец. Нижняя обечайка фланца перекрывает основной ствол. Ее стык уплотняется аналогично стыку в соединительной муфте. Труба вентиляционного ствола перед заведением в верхнюю обечайку обматывается тремя слоями изоляционной ленты. Фланец дефлектора крепится к ней на болтах. Способствующее тяге утепление вентиляционного ствола в пределах чердака может быть заключено в гильзу из кровельной стали.
Отклонение оси ствола мусоропровода на подходе к бункеру допускается не более чем на 20°. В целях охраны труда в камере мусороудаления ствол перекрывается челюстным затвором или шиберами бункеров. Напольный или подвесной бункера образуют переходную емкость, способствующую равномерному заполнению контейнера. Бункера снабжены дверкой для прочистки и рамой с направляющими для шибера. Подвесной бункер крепится на сварке к плите перекрытия соосно стволу; напольный — устанавливается в камере мусороудаления так, чтобы ось его корпуса отклонялась от оси ствола в допустимых пределах. Рама шибера и установленная на ней опора ствола привариваются к бункеру после монтажа мусоропровода.
5. Конструктивные решения фасадных систем: многослойные, вентилируемые, светопрозрачные
Многослойные системы:
1. Экструдированный пенополистирол
2. Клеевой адгезивный состав
3. Щелочестойкая стеклосетка
4. Клеевой адгезивный состав
5. Акриловая грунтовка
6. Финишное покрытие
Вентилируемые фасады. Навесной фасад представляет собой конструкцию, состоящую из материалов облицовки (плит или листовых материалов) и подоблицовочной конструкции, которая, в свою очередь, крепится к стене таким образом, чтобы между защитно-декоративным покрытием и стеной оставался воздушный промежуток. Для дополнительного утепления наружных конструкций между стеной и облицовкой может устанавливаться теплоизоляционный слой - в этом случае вентиляционный зазор оставляется между облицовкой и теплоизоляцией.
Светопрозрачные вертикальные конструкции. К светопрозрачным вертикальным ограждениям относят, окна, балконные дверн, витражн и витрины. Окнами называют застекленные проемы а стенах. Витражи отличаются от окон
существенно большей площадью остекления: это может быть и целиком светопрозрачная стена, навесная или самонесущая.
В качестве светопропускающих материалов для светопрозрачных ограждений используют силикатные стекла в виде листов (оконное, витринное, тепло- и солнцезащитное и др.}| и изделий (стеклопакеты, стеклоблоки, стеклопрофилит). В зависимости от вида креплений стекла в ограждении, его конструкция решается с переплетами или без них них (беспереплетная).
Переплет — это каркас (из деревянных брусков, стальных, алюминиевых или пластмасовых профилей, из железобетона или легкого армированного бетона}, которым заполняют оконные проемы и к которому осуществляют крепление листовых стекол и стеклопакетов.
Остекленные переплеты можно непосредственно крепить к стенам. В этом случае их называют глухими,т е. неоткрывающимися. Чтобы переплеты могли открываться, их шарнирно крепят на раме из того же материала, что и переплет, но больших размеров, которую называют коробкой, а открывающийся переплет — створкой, Коробка с переплетом представляет оконный блок.
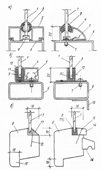
Закрепление стекол в переплетах и герметизации стыка стекла с переплетом.
А-в в алюминевых переплетах;б-в в переплетах из стальных гнутых тонкостенных профилей;
в - в деревянных переплетах; 1 –стекло(стеклопакет); 2 – уплотняющие прокладки; 3 – пружинящий штапик;4 – штапик;5 – пластинчатые стальные пружинки; 6 – переплет; 7 – винты из нержавеющей или оцинкованной стали; 8 – опорная прокладка; 9 – уплотняющая п-образная прокладка;10 – гнутый стальной уголок ,на винтах(штапик); 11 – гнутый стальной уголок ,прикрепленный к переплету электросваркой; 12 – герметизируящая мастика;13 – шпилька; 14 – деревянный штапик;15 наплав;16 капельник(только для наружных переплетов); 17 – замазка.
Теплоизоляционные качества светопрозрачных ограждений, их воздухо- и звуконепроницаемость обеспечиваются прежде всего тщательной герметизацией стыков светопрозрачного ограждения со стеной, герметизацией сопряжения стекол с переплетами и устройством плотных притворов в створных переплетах На тепло- и звукоизоляционные свойства влияет также количество слоев остекления, толщина стекол и толщина воздушной прослойки между стеклами.
Схемы оконных блоков комбинированного типа
А – с тройным остеклением; б – с четверным остеклением; 1 – переплет; 2 – коробка; 3 – спаренный переплет; 4 – переплет с двойным стеклопакетом; 5 - переплет с тройным стеклопакетом.
Деревянные оконные блоки с двойным остеклением
А – в раздельных переплетах; б – в спаренных переплетах; 1 – коробка; 2 – переплет створки; 3 – замазка или резиновый профиль; 4 – стекло; 5 – уплотняющие прокладки;6 – прорезь в нижнем бруске коробки для стока воды;7 – капельник; 8 – штапик; петли (только со стороны навески)
Габаритные размеры конструкции окон и балконных дверей гражданских зданий приняты кратными укрупненному модулю 3М(300мм.) и дополнительному 1,5М(150мм), а размеры конструкций окон пром. зданий модулю 6М(600мм).Освещенность жилых комнат удовлетворяется при размерах окон площадью 1/6…..1/10 от площади помещения .При наличии балконов , лоджий, размеры окон допускается увеличивать на 20 …30%.
Витражи и витрины. Витражи и витрины возводят из индустриальных элементов, размеры которых кратны укрупненному модулю ЗМ (300 мм), с одинарным, двойным и тройным остеклением в зависимости от климатических условий и параметров внутренней среды помещений.
Переплеты витражей и витрин часто называют каркасом, который может быть стальным, деревянным. Но наибольшее применение получили профили из алюминиевых сплавов.
Витраж (витрина) с алюминевыми глухими переплетами
1 – слив;2 – рама переплета наружного остекления; 3 – штапик; 4 – уплотняющая прокладка;5 – стекло; 6 – стальна пружина; 7 рама переплета внутреннего остекления; 8 – нащельник; 9 – покрытие мастикой; 10 – эластичная прокладка; 11 – смоляная пакля.
В витражах высотой более 6 м вертикальные элементы каркаса, которые воспринимают большие ветровые, нагрузки, выполняют в виде рам и ферм. При двойном раздельном остеклении рамы и фермы образуют путем соединения вертикальных элементов каркасов решеткой из раскосов и ригелей либо только ригелями.
Вертикальные импосты витражей более 6 м.
А – для остекления с одинарным переплетом; б – для остеклении с двойным раздельным переплетом;1 – переплет(каркас); 2 – стекло (стеклопакет); 3 –ригель.
Витражи и витрины с двойным раздельным остеклением подразделяют на проходные и непроходные. Проходные конструкции — глухие. Чтобы обеспечить проход человека в межстекольное пространство для протирки стекол, его ширина принимается не менее 450 мм. При высоте витражей более 3м это расстояние увеличивают до 800 мм. В витринах оно может быть еще больше, что определяется функциональными требованиями. Для входа в межстекольное пространство предусматривают створку шириной не менее 0,6 м из тамбура или из помещения. При протяженных витражах створки устанавливают через каждые 15м. В непроходных витражах (витрина),одно из светопрозрачных ограждений проектируют глухим другое — целиком створное для возможности очистки внутренних поверхностей стекла. Расстояние между наружным и внутренним ограждением принимают не более 150 мм.
Конструктивные схемы витражей и витрин
А- переходные на плане по 1- 1 справа – с частично створными внутренними переплетами ,слева- со всеми створными внутренними переплетами ;б,в – проходные.
При креплении каркаса витражей и витрин к остову здания учитывают кроме ветровых нагрузок температурные деформации конструкций, здания, прогибы, колебания козырьков и др., поэтому узлы креплении осуществляются скользящими или гибкими. Крепления устраивают в местах положения стоек, причем в самонесущих («стоящих») светопрозрачных конструкциях скользящие связи вверху, а и в навесах (висячих) конструкциях— внизу. Противоположные гибким связям стороны стоек каркаса крепят при помощи обычной жесткой заделки. В многоэтажных витражах стойки каркаса поэтажно крепят посредством сварки к закладным деталям перекрытий. Для погашении температурных и других деформаций в пределах каждого этажа стойки каркаса членят и их концы соединяют скользящим швом.
При возведении витражей и витрин плоскости светопрозрачного ограждения выравнивают, иначе будут искажены отражения противоположных зданий и пейзажей.
Приемы монтажа конструкций витражей и витрин(а) и их крепление к несущим конструкциям здания(б)
1 – вертикальна стойка каркаса; 2 – анкерный вкладыш;3 – стена; 4 – закладная деталь; 5 – прокладки; 6 – анкер; 7 – ригель.
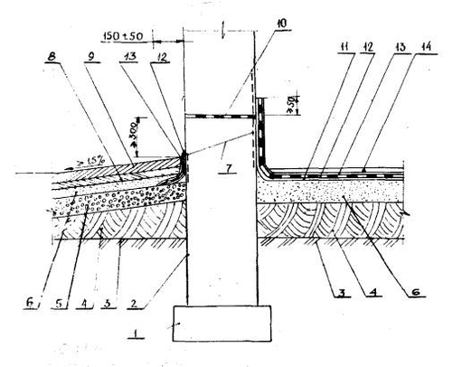
Конструктивные решения перехода остова и наружного ограждения от подземной части здания к надземной с цокольной частью и отмосткой. Фундаменты зданий, расположенные на относительна сухих грунтах, т. е, с глубоким уровнем расположения грунтовых вод, в первую очередь защищают от прямого воздействия дождевых и талых вод. С этой целью по периметру наружных стен устраивают отмостку из асфальта, асфальтобетона или плоских камней на слое песка и с подстилкой жирной глины .
В любых грунтах содержится капиллярная влага, которая проникает в тело фундамента и поднимается к зоне сопряжения с конструктивными элементами надземной части здания Чтобы преградить доступ капиллярной влаги в помещения, на границе контакта фундамента со стенами устраивают гидроизоляцю.. Ее выполняют из двух слоев толя или раствора цемента с водонепроницаемыми добавками, а располагают на определенном уровне от поверхности отмостки и пола. Полы первого этажа, расположеннные на грунте, тоже имеют горизонтальную гидроизоляцию. При этом боковую поверхность фундамента или стены, соприкасающуюся с грунтом пола, обмазывают горячим битумом от уровня гидроизоляции стыка стен с фундаментом до верха подготовки пола,
При высоком уровне грунтовых вод (УГВ) конструктивные элементы .подземной части здания оказываются и воде. Если вода агрессивна по отношению к материалам фундамента или подвала, то эти элементы выполняют из специальных материалов, устойчивых к агрессивному действию воды.
узел примыкания наружных стен дома из керамического блока к фундаменту, устройство пола по грунту, "скрытой" отмостки.
Рис. II.6. Стена подвала многоэтажного здания
1 - стеновые блоки; 2 -отмостка: 3 -стена здания; 4 - плиты перекрытия; 5 - ригель надподвального перекрытия; 6 - колонна каркаса; 7 - фундамент колонны: S - ленточный фунда-мепт стены
1 - подошва фундамента, 2 - стена фундамента, 3 - естественный грунт, 4 - уплотненный грунт, 5 - гравий слоем ≈ 200 мм, 6 - песок слоем ≈ 120 мм, 7 - зона очистки стены, 8 - первый слой ≈ 60 мм асфальтобетона, 9 - второй слой ≈ 60 мм асфальтобетона, 10 - горизонтальная гидроизоляция из самоклеящейся, 11 - полиэтиленовая пленка толщиной ≈ 300 мкм, 12 - армогерметик, 13 - мастика, 14 - половое покрытие полимерраствор.
узел примыкания наружных стен дома с навесными вент.фасадами к отмостке.
6. Конструктивные решения крыш
Крыша - наружная несущая и ограждающая конструкция здания, которая воспринимает вертикальные (в том числе снеговые) и горизонтальные нагрузки и воздействия. (ветер - нагрузка) Крыша состоит из двух основных частей: несущих конструкций и кровли. Несущие элементы крыши — стропила, настилы, фермы и другие конструктивные устройства— воспринимают и передают на стены нагрузки от массы крыши, снега, воздействия ветра и др.
По архитектурно-конструктивным решениям, крыши классифицируют на совмещенные и чердачные.
Совмещенными крышами называют пологие бесчердачные покрытия, в которых крыша совмещена с конструкцией чердачного перекрытия и нижняя поверхность является потолком помещения. Чаще всего совмещенные покрытия выполняют из железобетонных элементов. Совмещенные крыши рекомендуется устраивать пологими, с уклоном 2,5% в виде гидроизоляционного ковра, выполненного из рубероида в три слоя. Водоотвод с совмещенных крыш производят по внутренним водостокам.
Различают вентилируемые совмещенные крыши, в которых между кровлей и утеплителем вводится вентилируемая воздушная прослойка, и невентилируемые, сплошной конструкции. Устройство воздушной прослойки, вентилируемой наружным воздухом, содействует удалению влаги из утеплителя в случае его укладки в увлажненном состоянии или увлажнения в период эксплуатации, улучшая, таким образом, его теплозащитные свойства. Принципиальная конструктивная схема совмещенных крыш приведена на рисунке .
Рис 5.Конструктивные схемы совмещенных крыш:
а, б - невентилируемые; в - вентилируемая; 1 - защитный слой; 2 - рулонный ковер; 3 - стяжка (из раствора или сборных плит); 4 - теплоизоляция; 5 - пароизоляция; 6 - несущая конструкция; 7 - отделочный слой;
У чердачных крыш пространство, образуемое между несущей и ограждающей частью покрытия (чердак), используют для размещения инженерного оборудования. Для выхода на чердак устраивают лестницы, двери или входные люки. Высоту чердака для движения по нему людей принимают не менее 1,9 м. Для освещения и проветривания чердака на крыше предусматривают чердачные окна. Чердачные крыши всегда являются скатными.
Эксплуатируемая кровля. Эксплуатируемая кровля бывает нескольких типов: пешеходное покрытие, покрытие с ограничением для ходьбы, зеленая кровля. Устройство эксплуатируемой кровли — сложная инженерная задача. Она предъявляет высокие требования к кровельным покрытиям, а также соблюдению более строгих норм по гидро — паро и — теплоизоляции, нежели для традиционной конструкции кровли.
Классический вариант состава эксплуатируемой кровли:
Основание
Пароизоляция
Утепление
Стяжка с уклонами
Гидроизоляционный слой (Резитрикс® )
Защитно - разделительный слой
Покрытие – тротуарная плитка.
ИНВЕРСИОННЫЙ ВАРИАНТ ЭКСПЛУАТИРУЕМОЙ КРОВЛИ
Основание
Стяжка с уклонами
Гидроизоляционный слой
Дренажный слой
Утеплитель из пенополистирола
Дренажный слой
Покрытие – тротуарная плитка.
Состав эксплуатируемой кровли учитывает высокий риск повреждения при эксплуатации, поэтому дополнительные слои защищают основнуой элемент частэксплуатируемой кровли – гидроизоляционное покрытие.
В условиях России требуются дополнительные дренажные, разделительные, грунтовые слои, системы обогрева и полива
Используемая литература
-
И.А. Шеришевский «Конструирование гражданских зданий»
-
«Архитектурные конструкции» под редакцией Казбек-Казиева.
-
Строительные нормы и правила. 2.04.05-91 "Отопление, вентиляция и кондиционирование"
-
Строительные нормы и правила. Жилые здания. СНиП 2.08.01-89* Москва 1995.
-
МГСН 4.19-2005 «Временные нормы и правила проектирования многофункциональных высотных зданий и зданий-комплексов в городе Москве».
















