144475 (727676), страница 2
Текст из файла (страница 2)
Під час опорядження фасадів будинків до 4 м заввишки штукатурками використовують пересувні вишки. Фасади будинків заввишки понад 4 м опоряджують з інвентарних риштувань.
Пересувні вишки. Вишки бувають самопідйомні та збірно-розбірні. Використовують їх під час опорядження фасадів будинків заввишки до 4 м. Нині українські опоряджувальники визнають кращими пересувні збірно-розбірні вишки (тури) РАПИД-160 (рис. 5.1), професійні риштування фірми Faraone (Італія) з алюмінієвого сплаву, які мають чудові робочі характеристики. Вони незамінні для виконання будівельних опоряджувальних робіт на висоті від 3 до 10 метрів; їх можна використовувати як усередині, так і зовні будинку; вони легко пересуваються на поворотних шасі, які блокуються. Завдяки легкості матеріалу, з якого виготовлено вишки РАПИД-160, перевезення, збирання і розбирання турів потребує мінімальних зусиль і часу.
Рис. 5.1. Комплектування пересувних вишок РАПИД-160
(розміри дано у сантиметрах)
Конструкція дає змогу працювати на нерівних поверхнях; її стійкість забезпечують знімні стабілізатори.
РАПИД-160 (див. рис. 5.1) складається з таких елементів:
- базовий модуль із шасі, код 161;
- серединний модуль, код 162;
- верхній модуль, код 163;
- малий верхній модуль, код 160;
- платформа з люком і парапетом, код 164;
- стабілізатор, код 165;
- Т-секція для роботи на уклоні, код 166;
- домкрат-вирівнювач — 4 шт., код 168.
Розміри горизонтальної робочої поверхні 1,6 х 0,8 м, граничне навантаження 150 кг.
Залежно від висоти проведення робіт РАПИД-160 випускають восьми комплектувань (табл. 3).
Таблиця 3. Робочі характеристики комплектування РАПИД-160
| Код елемента | Маса, кг | Комплектація | |||||||
| МТ3 | МТ4 | МТ5 | МТ6 | МТ7 | МТ8 | МТ9 | МТ 10 | ||
| 161 | 18,5 | 1 | 1 | 1 | 1 | 1 | 1 | 1 | 1 |
| 162 | 12,5 | — | — | 1 | 1 | 2 | 2 | 3 | 3 |
| 163 | 14,3 | — | 1 | — | 1 | — | 1 | — | 1 |
| 169 | 9 | 1 | — | 1 | — | 1 | — | 1 | — |
| 164 | 24 | 1 | 1 | 1 | 1 | 1 | 1 | 1 | 1 |
| 165 | 12 | Рекомендовано для висот понад 4 м | |||||||
| 166 | 5 | ||||||||
| 168 | 12 | ||||||||
| Габаритна висота туру, м | 3 | 4 | 5 | 6 | 7 | 8 | 9 | 10 | |
| Робоча висота максимум, м | 4 | 5 | 6 | 7 | 8 | 9 | 10 | 11 | |
| Маса комплекту, кг | 51,5 | 56,8 | 64 | 69,3 | 76,5 | 81,8 | 89 | 94,3 | |
Для безпечної роботи на конструкціях заввишки понад 6 м слід використовувати баласт 60-100 кг на основі туру або анкерування до вертикальних поверхонь огороджуваних конструкцій через кожні 4 м.
Інвентарні риштування. Найчастіше в будівництві застосовують інвентарні риштування клинохомутового типу, трубчасті, рамні, модульні тощо.
Будівельні риштування клинохомутового типу (Україна) виготовлені зі сталевої пофарбованої труби діаметром 42 мм (рис. 5.2). Риштування складаються з ферми страхування 1, опорної ферми 2, драбини 3, тримача настилу 4, опорного костиля з опорною пластиною 5 та регулювальної п'ятки 6.
Рис. 5.2. Будівельні риштування клинохомутового типу
Ця конструкція має такі переваги:
- швидке збирання і встановлення;
- легкість конструкції;
- невеликі габарити;
- можливість роботи на сходових маршах;
- установлення ярусу на будь-якій висоті.
Ширина настилу риштування 700 мм, довжина прогону — 3400, висота комплекту — 7500 мм.
На риштування одночасно укладають два яруси настилу. Навантаження на настил 2 кПа, площа вертикальної робочої поверхні — 25,5 м2.
Трубчасті безболтові риштування (рис. 5.3) застосовують для штукатурення фасадів будинків до 40 м заввишки. Вони складаються з опор, прогонів, поперечок, поруччя та дерев'яного настилу. До кінців прогонів і поперечок приварено гачки, а вздовж опор на відстані 2 м один від одного — спеціальні патрубки. Під час монтажу риштувань гачки прогонів 2 і поперечок 5 вставляють у відповідні патрубки опор 1. Опори встановлюють уздовж стіни на відстані 2 м одна від одної. Ширина риштувань — 1,65 м.
Нижні кінці опор установлюють у спеціальні башмаки, які спираються на дерев'яні підкладки, підмощені під кожну пару опор. Риштування прикріплюють до стін гачками, які закладають у петлі анкерних болтів, заздалегідь закріплених у стіні.
На прогони укладають інвентарні дерев'яні щити настилу 3. Настили риштувань обгороджують інвентарним поруччям 4 заввишки не менш як 1 м, у нижній частині якого закріплюють бортову дошку заввишки не менш як 15 см. Окремі яруси риштувань з'єднують сходами.
Рис. 5.3. Трубчасті безболтові риштування:
1 — опора; 2 — прогін; 3 — дерев'яний настил; 4 — поруччя; 5 — поперечка
Рамні інвентарні риштування Plethas SL70/SL100 виробництва МВМ-Арнхольдт (Німеччина) (рис. 5.4) є універсальною довговічною модульною конструкцією, що забезпечує максимальну безпеку проведення робіт. Для будь-якої сфери застосування передбачено пристрої відповідних розмірів: рами SL 70 (завширшки 70 см) зі сталі й алюмінію; рами SL 100 (завширшки 100 см) — зі сталі, заввишки 50, 100, 150 і 200 см; настили зі сталі, алюмінію і деревини завдовжки 150, 200, 250, 300 і 400 см. Усі сталеві вироби піддають гальванічному обробленню: гарячому оцинкуванню методом оцинкування. Риштування Plethas SL 70/100 складаються із системи вертикальних поперечних сталевих рам 2, установлених у підйомні башмаки 1 і закріплених спеціальними кріпленнями. Рами з'єднуються прогонами З, які виконують обгороджувальні функції, та сталевими (металевими) щитами настилу 4. По периметру настилу влаштовують бортову дошку 5. Яруси системи обладнують сходами 7, для чого в щитах настилу передбачено отвори.
Рис. 5.4. Рамні інвентарні риштування
Жорсткість системи рамного риштування забезпечує діагональ нижнього ярусу 6 та анкерне кріплення до будинку. Всі елементи риштування з'єднуються між собою спеціальними кріпленнями 9. За потреби риштування ззовні захищають сіткою або плівкою 8.
Можливість комбінування, швидкий і надійний монтаж без застосування інструменту з використанням SL 70/100 дають змогу ефективно й економічно доцільно вирішувати всі проблеми, що виникають під час встановлення риштувань.
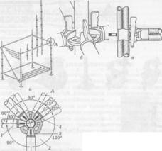
Модульні риштування Plettas contur (рис. 5.5) — це система сучасних модульних риштувань, основою якої є оптимізований під великі навантаження вузол, що складається з диска 2 (на стояках) і з'єднувальної головки 1 (на кінцях ригелів, ферм і діагоналей).
Фіксують з'єднання диска з головкою (стояк із ригелем або діагоналлю) за допомогою клина 4. Заклепка 3 зверху клина запобігає самовільному випаданню клина із з'єднувальної головки. У диску четверо гнізд з інтервалом 90°, які забезпечують прямий з'єднання відносно осей диска. Між осьовими гніздами розміщеі четверо овальних гнізд, які забезпечують з'єднання елементів у діапазоні від 30 до 60°. Це дає змогу встановлювати практично будь-який кут з'єднання. Наприклад, можна скласти трикутну башту і багатогранну конструкцію.
Рис. 5.5. Модульні риштування:
а — загальний вигляд риштувань; б — г — відповідно загальний вигляд, вигляд збоку та переріз вузла А
Вертикальні стояки виготовляють завдовжки 50, 100, 150, 200, 250, 300 і 400 см, вони оснащені дисками, розміщеними по всій довжині з інтервалом 50 см.
Типові ригелі завдовжки від 50 до 400 см. Додатковою перевагою системи Plettas contur є можливість використання елементів системи SL 70/100: настилів, опор, консолей тощо.
Всі риштування Plettas contur комплектуються набором, пристосувань, які підвищують економічність і гнучкість монтажу (рис. 5.6).
Кронштейни (див. рис. 5.6, а) дають змогу збільшувати ширину риштувань. Вони можуть мати стояки огороджень, якими фіксується настил.
Консолі для ніш (див. рис. 5.6, б) використовують, коли розміри ніш не збігаються з модульним кроком конструкції риштувань.
6. Опорядження фасадів акриловою штукатуркою Ceresit СТ 77
Основи під опорядження полімерними штукатурками мають бути сухими і міцними, без пошкоджень. Перед застосуванням штукатурки основу очищають від речовин, які знижують адгезію розчину до неї. Основа не повинна мати впадин і заглиблень, більших за розмір зерна наповнювача штукатурок СТ 60, СТ 63, СТ 68, СТ 64, тобто відповідно 1,5; 3,0; 2,0; 2,5 мм. У разі потреби їх слід вирівняти шпаклівкою Ceresit СТ 29, але попередньо міцні поверхні добре зволожують, неміцні — ґрунтують матеріалом Ceresit СТ 17 і витримують не менше 4 год. Якщо основа вкрита фарбою, останню потрібно видалити.
Цементні і цементно-вапняні штукатурки, бетонні основи заздалегідь обробляють ґрунтувальною фарбою Ceresit СТ 16. Захисний шар на фасадах, утеплених матеріалами Ceresit СТ 85 або Ceresit СТ 190, потрібно також обробити ґрунтувальною фарбою СТ 16.
Виконання робіт. Після підготовки поверхонь пастоподібний полімерний матеріал СТ 77 ретельно перемішують у посудині. Залежно від умов застосування консистенцію суміші можна змінювати додаванням невеликої кількості чистої води з наступним перемішуванням. Не можна використовувати іржаві інструменти і посудини.
Ceresit СТ 77 наносять за допомогою терки з неіржавної сталі шаром завтовшки 1,5 діаметра зерна і розгладжують до утворення на поверхні штукатурної плівки, без прикладання великих зусиль. Гострі кути як зовнішні, так і внутрішні формують за допомогою спеціального інструменту для формування кутів.
З початком тужавлення (від 5 до 15 хв залежно від основи й умов застосування слід приступати до формування фактури. Залежно від часу витримування штукатурки, інтенсивності і напрямку рух терки отримують горизонтальні, вертикальні, колові і перехресне заглиблення. Під час виконання цієї опери інструмент слід тримати паралельно опоряджуваній поверхні.
У період формування структури чи фактури полімерної штукатурки або під час висихання її не можна збризкувати водою. Решту матеріалу змивають водою. Затверділий розчин видаляють механічно.
Якщо у процесі роботи трапляється перерва, потрібно приклеїти самоклеючу стрічку вздовж лінії на поверхні, де планується закінчення роботи, нанести на неї штукатурку і надати їй бажаної фактури. Після поновлення роботи стрічку видаляють разом із рештками свіжої штукатурки і продовжують працювати із цього місця.
Усі полімерні штукатурки потрібно захищати від дощових опадів, а також надмірного висихання і мінусових температур.
















