135826 (722665), страница 5
Текст из файла (страница 5)
1 – «белый» шум; 2 – «розовый» шум; 3 – шум со спадом спектральной плотности 6 дБ на октаву в сторону высоких частот; 4 – шумовая «речеподобная» помеха
Рисунок 3.4 – Зависимость словесной разборчивости W от интегрального отношения сигнал/шум q в полосе частот 180-5600 Гц;
Критерии эффективности защиты речевой информации во многом зависят от целей, преследуемых при организации защиты, например:
-
скрыть смысловое содержание;
-
скрыть тематику разговора и т.д.
Процесс восприятия речи в шуме сопровождается потерями составных элементов речевого сообщения. Понятность речевого сообщения характеризуется количеством правильно принятых слов, отражающих качественную область понятности, которая выражена в категориях подробности справки о перехваченном разговоре.
Выделяют несколько уровней оценки качества перехваченной информации[3]:
-
Перехваченное речевое сообщение содержит количество правильно понятых слов, достаточное для составления подробной справки о содержании перехваченного разговора;
-
Перехваченное речевое сообщение содержит количество правильно понятых слов, достаточное только для составления краткой справки-аннотации, отражающей предмет, проблему, цель и общий смысл перехваченного разговора;
-
Перехваченное речевое сообщение содержит отдельные правильно понятые слова, позволяющие установить предмет разговора;
-
При прослушивании фонограммы перехваченного речевого сообщения возможно установить факт наличия речи, но нельзя установить предмет разговора.
Практический опыт показывает, что составление подробной справки о содержании перехваченного разговора невозможно при словесной разборчивости менее 60 – 70 %, а краткой справки-аннотации – при словесной разборчивости менее 40 – 50 %. При словесной разборчивости менее 20 – 30 % значительно затруднено установление даже предмета ведущегося разговора[2].
Ниже в таблице 3.4 приведены значения отношения сигнал/шум в октавных полосах, при которых словесная разборчивость составляет 20%, 30% и 40%.
Таблица 3.4- Значения отношений сигнал/шум, при которых обеспечивается требуемая эффективность защиты акустической информации[5].
| Вид помехи | Словесная разборчивость W, % | Отношение с/ш qi в октавных полосах | Отношение с/ш в полосе частот 180…5600 Гц | ||||
| 250 | 500 | 1000 | 2000 | 4000 | |||
| «Белый» шум | 20 | +0,8 | -2,2 | -10,7 | -18,2 | -24,7 | -10 |
| 30 | +3,1 | +0,1 | -8,4 | -15,9 | -22,4 | -7,7 | |
| 40 | +5,1 | +2,1 | -6,4 | -13,9 | -20,4 | -5,7 | |
| «Розовый» шум | 20 | -5,9 | -5,9 | -11,4 | -15,9 | -19,4 | -8,8 |
| 30 | -3,7 | -3,7 | -9,2 | -13,7 | -17,2 | -6,7 | |
| 40 | -1,9 | -1,9 | -7,4 | -11,9 | -15,4 | -4,9 | |
| Шум со спадом спектральной плотности 6 дБ на октаву | 20 | -14,1 | -11,1 | -3,6 | -15,1 | 15,6 | -13,0 |
| 30 | -12,0 | -9,0 | -11,5 | -13,0 | -13,5 | -10,8 | |
| 40 | -10,0 | -7,2 | -9,7 | -11,2 | -11,7 | -9,0 | |
| Шумовая «речеподобная» помеха | 20 | -3,9 | -7,9 | -12,9 | -15,9 | -16,9 | -9,0 |
| 30 | -1,7 | -5,7 | -10,7 | -13,7 | -14,7 | -6,8 | |
| 40 | +0,1 | -3,9 | -8,9 | -11,9 | -12,9 | -5,0 | |
По результатам, приведенным в таблице 3.4 видно, что наиболее эффективным является «розовый» шум и шумовая «речеподобная» помеха. При их использовании для скрытия тематики разговора необходимо обеспечить превышение уровня помех над уровнем скрываемого сигнала в точке возможного размещения датчика на 8,8 и 9 дБ соответственно. Для «белого» шума и шума со спадом спектральной плотности 6 дБ на октаву это значение составляет 10 и 13 дБ.
Все приведенные выше расчеты позволяют определить защищенность одного канала, однако при оценке защищенности объекта необходимо учитывать комплексность применения способов и средств разведки, а также совместную обработку данных поступающих из разных источников. Применительно к подслушиванию можно ожидать, что аппаратурой разведки будет вестись регистрация речевых сигналов несколькими различными датчиками, а данные, поступающие по различным каналам, могут в ходе совместной обработки использоваться для повышения разборчивости перехватываемой речи. Таким образом может сложиться ситуация, что при выполнении норматива по защищенности каждого отдельного канала, разборчивость на основании всех каналов получится выше нормативной. Для оценки суммарной разборчивости при использовании независимых каналов можно воспользоваться следующим выражением[6]:
| |
Где
- разборчивость по совокупности каналов;
- разборчивость в отдельном
-ом канале;
- число статистически независимых каналов утечки.
Таким образом, если злоумышленник будет иметь в своем распоряжении 3 статистически независимых канала со словесной разборчивостью 0.2, то при обработке данных полученных из этих каналов он будет обладать информацией с разборчивостью 0,49.
В этом случае требования к значению разборчивости в каждом отдельном канале будут равны[6]:
| |
При данном подходе определения состояния безопасности речевой информации ужесточаются требования к разборчивости речи. Так для достижения суммарной разборчивости в 20% необходимо обеспечить разборчивость по каждому каналу мене 5% при двух каналах и менее 2.5% при трех.
Основываясь на данных таблицы 3.4, необходимо подобрать генератор виброакустического зашумления для обеспечения активной защиты в салоне автомобиля. Так как защищаемый объект – салон автомобиля, генератор шума должен обладать возможностью питания от батареек.
Необходимо, что бы генератор шума обеспечивал необходимое отношение сигнал/шум во всех октавных полосах. Ввиду отсутствия возможности провести инструментальные измерения, в данном проекте приведены расчетные данные.
Для выбора генератора виброакустического зашумления необходимо выяснить уровень фонового шума. В качестве фона выбираем уровень шума на тихой улице без движения транспорта. Уровень шума вне салона автомобиля будет равен 30…35 дБ[7]. Среднее значение звукоизоляции для одинарного стекла и герметичной металлической двери равны 30 дБ[7]. Таким образом, учитывая внимание, которое уделяют производители автомобилей их шумоизоляции, можно сказать, что уровень внешних шумов в салоне автомобилей равен 0 дБ.
В качестве возможных решений можно предложить следующие приборы:
-
Генератор акустического шума WNG-023. Предназначен для защиты переговоров от прослушивания в замкнутых пространствах (тамбур, салон автомобиля, небольшие кабинеты и пр.) за счет генерации «белого» шума в акустическом диапазоне частот, что обеспечивает снижение разборчивости после записи или передачи по каналу связи. Технические характеристики приведены в таблице 3.5
Таблица 3.5 – Технические характеристики WNG-023.
| Диапазон частот | 100-12000Гц |
| Максимальная выходная мощность | 1 Вт |
| Габариты | 111x70x22 мм |
| Питание | 220/9 В |
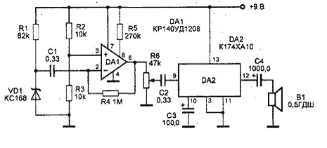
Самым простым методом получения белого шума является использование шумящих электронных элементов (ламп, транзисторов, различных диодов) с усилением напряжения шума . Принципиальная схема несложного генератора шума приведена на рис 3.5.
рис 3.5 Генератор шума
Источником шума является полупроводниковый диод - стабилитрон VD1 типа КС168, работающий в режиме лавинного пробоя при очень малом токе. Сила тока через стабилитрон VD1 составляет всего лишь около 100 мкА. Шум, как полезный сигнал, снимается с катода стабилитрона VD1 и через конденсатор С1 поступает на инвертирующий вход операционного усилителя DA1 типа КР140УД1208. На не инвертирующий вход этого усилителя поступает напряжение смещения, равное половине напряжения питания с делителя напряжения выполненного на резисторах R2 и R3. Режим работы микросхемы определяется резистором R5, а коэффициент усиления - резистором R4. С нагрузки усилителя, переменного резистора R6 , усиленное напряжение шума поступает на усилитель мощности, выполненный на микросхеме DA2 типа К174ХА10. С выхода усилителя шумовой сигнал через конденсатор С4 поступает на малогабаритный широкополосный громкоговоритель В1. Уровень шума регулируется резистором R6.
Стабилитрон VD1 генерирует шум в широком диапазоне частот от единиц герц до десятков мегагерц. Однако на практике он ограничен АЧХ усилителя и громкоговорителя. Стабилитрон VD1 подбирается по максимальному уровню шума, так как стабилитроны представляют собой некалиброванный источник шума. Он может быть любым с напряжением стабилизации менее напряжения питания.
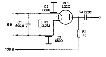
Для получения калиброванного по уровню шума генератора используют специальные шумящие вакуумные диоды. Спектральная плотность мощности генерируемого шума пропорциональна анодному току диода. Широкое распространение получили шумовые диоды двух типов 2ДЗБ и 2Д2С. Первый генерирует шума полосе до 30 МГц, а второй - до 600 МГц. Принципиальная схема генератора шума на шумящих вакуумных диодах приведена на рис 3.6.
рис 3.6 Генератор шума на вакуумной лампе.
3.2.2 Обнаружение и подавление диктофонов
Для обнаружения работающих в режиме записи диктофонов применяются так называемые детекторы диктофонов. Принцип действия приборов основан на обнаружении слабого магнитного поля, создаваемого генератором подмагничивания или работающим двигателем диктофона в режиме записи. Электродвижущая сила (ЭДС), наводимая этим полем в датчике сигналов (магнитной антенне), усиливается и выделяется из шума специальным блоком обработки сигналов. При превышении уровня принятого сигнала некоторого установленного порогового значения срабатывает световая или звуковая сигнализация. Во избежание ложных срабатываний порог обнаружения необходимо корректировать практически перед каждым сеансом работы, что является недостатком подобных приборов.
Детекторы диктофонов выпускаются в переносном и стационарном вариантах. К переносным относятся детекторы "Сова", RM-100, TRD-800, а к стационарным - PTRD-14, PTRD-16, PTRD-18 и т.д.
















