135815 (722656), страница 3
Текст из файла (страница 3)
Рассчитаем рабочую точку предоконечного каскада с учетом полученных данных(
=
):
1)
, (4.2)
где
- напряжение рабочей точки или постоянное напряжение на переходе коллектор эмиттер;
- напряжение на выходе усилителя;
- остаточное напряжение на транзисторе.
2) Найдем эквивалентное сопротивление оконечного контура на граничной частоте
:
(4.3)
3)
(4.4)
4)
=1,1
=22,684332мА, (4.5)
где
- постоянная составляющая тока коллектора;
- сопротивление нагрузки по сигналу.
5) Мощность, рассеиваемая на коллекторе транзистора равна
(4.6)
4.2 Выбор транзистора для промежуточного каскада
Найдем необходимые предельные характеристики транзистора:
1)
(4.7)
2)
(4.8)
3)
(4.9)
4)
, (4.10)
где
из технического задания.
Т.к. все необходимые предельные параметры, кроме граничной частоты, значительно меньше аналогичных справочных значений для маломощных транзисторов, то при выборе транзистора основным критерием будет граничная частота (fT).
По необходимым предельным характеристикам был выбран транзистор KT316А. Ниже перечислены характеристики транзистора:
Это кремниевый эпитаксиально - планарный n-p-n переключательный маломощный и СВЧ усилительный с ненормированным коэффициентом шума транзистор. Выпускаются в металлостеклянном корпусе с гибкими выводами.
Основные параметры транзистора:
1) Граничная частота коэффициента передачи по току в схеме с ОЭ:
fГ =1000 МГц;
2) Постоянная времени цепи обратной связи:
τс=50пс;
3) Емкость коллекторного перехода при Uкб=5В:
Ск=2пФ;
4) Емкость эмиттерного перехода:
Cэ=1,2пФ;
5) Максимально допустимое напряжение на переходе К-Э:
Uкэ max=10 В;
6) Максимально допустимый ток коллектора:
Iк max = 50 мА;
7) Максимально допустимая мощность, рассеиваемая на коллекторном переходе:
Pк мах = 150 мВт .
Выберем следующие параметры рабочей точки:
Т.к. транзистор хорошо работает только начиная с 5В то примем
и
.
4.3 Расчёт эквивалентных схем замещения
Эквивалентная схема биполярного транзистора изображена на рисунке 4.1.
При использовании транзисторов до (0,2 - 0,3)fт возможно применение упрощенных эквивалентных моделей транзисторов, параметры элементов эквивалентных схем которых легко определяются на основе справочных данных.
Рисунок 4.1- Эквивалентная схема биполярного транзистора (схема Джиаколетто)
1)
(4.11)
2) Rб =τс/Ск=50пс/2пФ=25Ом; (4.12)
gб =
= 40мCм, (4.13)
где Rб- сопротивление базы.
3) rэ=
=
=2,2Ом, (4.14)
где Iк0 в мА;
rэ - сопротивление эмиттера.
4) gбэ=
=
, (4.15)
где gбэ- проводимость база-эмиттер;
- справочное значение статического коэффициента передачи тока в схеме с общим эмиттером.
5) Cэ=
=
, (4.16)
где Cэ - ёмкость эмиттера;
fт - справочное значение граничной частоты транзистора.
6) Ri =
, (4.17)
где Ri - выходное сопротивление транзистора;
Uкэ0(доп), Iк0(доп) - соответственно паспортные значения допустимого напряжения на коллекторе и постоянной составляющей тока коллектора.
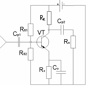
4.4 Расчёт эмиттерной термостабилизации
Т.к. режим работы транзистора малосигнальный, то применим эмиттерную термостабилизацию.
Эмиттерная термостабилизация широко используется в маломощных каскадах, так как потери мощности в ней при этом не значительны и её простота исполнения вполне их компенсирует, а также она хорошо стабилизирует ток коллектора в широком диапазоне температур при напряжении на эмиттере более 5В.
Рисунок 4.2-Схема каскада с эмиттерной термостабилизацией.
Рассчитаем параметры элементов данной схемы:
1) Необходимое напряжение питания:
Еп=URэ+Uкэ0+Iк0*Rк (4.18)
Значение источника питания необходимо выбирать из стандартного ряда поэтому выберем напряжение URэ с учетом того, что Еп=10В:
2) Напряжение на резисторе Rэ:
URэ = Eп-Uкэ0 = 10В-5В = 5В (4.19)
3) Сопротивление эмиттера:
(4.20)
4) Напряжение на базе транзистора:
Uб = URэ+0,7В=5,7В (4.21)
5) Базовый ток транзистора:
Iб=
(4.22)
6) Ток делителя:
Iд =5Iб = 1мА, (4.23)
где Iд - ток протекающий через сопротивления Rб1 и Rб2.
Сопротивления делителей базовой цепи:
7) Rб1 =
(4.24)
8) Rб2 =
(4.25)
4.5 Переход к однонаправленной модели транзистора
Т.к рабочие частоты усилителя заметно больше частоты
, то из эквивалентной схемы можно исключить входную ёмкость, так как она не влияет на характер входного сопротивления транзистора. Индуктивность же выводов транзистора напротив оказывает существенное влияние и потому должна быть включена в модель. Эквивалентная высокочастотная модель представлена на рисунке 4.3.
Рисунок 4.3- Однонаправленная модель транзистора
1)
, (4.26)
где
- статический коэффициент передачи по току транзистора.
2)
(4.27)
3) Постоянная времени транзистора:
(4.28)
4) Входная ёмкость:
(4.29)
5) Входное сопротивление каскада:
(4.30)
6)
(4.31)
(4.32)
7) Коэффициент усиления транзистора по напряжению в ОСЧ:
(4.33)
8) Выходная ёмкость:
(4.34)
9) Постоянная времени в ОВЧ:
(4.35)
Рисунок 4.4- Принципиальная схема некорректированного каскада и эквивалентная схема по переменному току
Для расчета искажений в ОВЧ распределим искажения на входной каскад 0,5дБ;
При заданном уровне частотных искажений
=0,5дБ, верхняя граничная частота
полосы пропускания каскада равна:
=
=1,39МГц, (4.36)
где Y=0,944 уровень искажений данного каскада.
Т.к. полученная верхняя частота получилась намного ниже требуемой (40МГц), следовательно, необходима ВЧ коррекция с большой глубиной. Выберем ВЧ эмиттерную коррекцию.
4.6 Расчет промежуточного каскада с эмиттерной коррекцией
Принципиальная схема каскада с эмиттерной коррекцией приведена на рис. 4.5,а, эквивалентная схема по переменному току на рисунке 4.5,б, где
- элементы коррекции. При отсутствии реактивности нагрузки эмиттерная коррекция вводится для коррекции искажений АЧХ вносимых транзистором, увеличивая амплитуду сигнала на переходе база-эмиттер, с ростом частоты усиливаемого сигнала.
а) б)
Рисунок 4.5 Схемы корректированного каскада
Коэффициент передачи каскада в области верхних частот, при выборе элементов коррекции
и
соответствующими оптимальной по Брауде форме АЧХ, описывается выражением:
1) Возьмем F=13, тогда
(4.37)
2) Т.к.
, то
(4.38)
3) n = K0*R1*Cвх/τв=19,394∙30Ом∙819,17пФ/40,92нс=11,64735 (4.39)
4)
(4.40)
5)
(4.41)
6)
(4.42)
7)
, (4.43)
где
. (4.44)
Т.к. верхняя частота корректированного каскада получилась больше требуемой, то искажения, вносимые каскадом будут не более 0,5дБ.
Входное сопротивление каскада с эмиттерной коррекцией может быть аппроксимировано параллельной RC-цепью:
8)
=
(4.45)
9)
(4.46)
10)
(4.47)
5 Искажения, вносимые входной цепью
Принципиальная схема входной цепи каскада приведена на рис. 5.1,а, эквивалентная схема по переменному току на рис. 5.1,б.
а) б)
Рисунок 5.1 Входная цепь каскада
1) Из (4.45)
,
где
–
входная емкость каскада.
2) Из (4.47)
,
где
–
входное сопротивление каскада.
3)
(5.1)
4)
(5.2)
5)
(5.3)
7) Искажения вносимые входной цепью по уровню 0,5 дБ равны:
=
=437,32МГц, (5.4)
где Y=0,944.
6 Расчет результирующей характеристики
Построение результирующей характеристики в нашем случае заключается в построении АЧХ, которая сроится на основании полученного сквозного коэффициента усиления и искажений на нижних и верхних частотах, указанных в техническом задании.
Итоговая амплитудно-частотная характеристика усилительного устройства находится как произведение коэффициентов передачи всех каскадов усилителя: Ko = K1∙K2, где K1,.K2 – коэффициенты усиления соответсвенно первого и второго каскадов.
АЧХ усилителя приведем в нормированном виде для удобства сравнения ее с различными АЧХ других усилителей.
Результирующая характеристика представлена на рисунке 6.1.
Рисунок 6.1 АЧХ усилителя
Yн = 0,707945784;
Yв = 0,794328234;
fн = 4МГц;
fв = 40МГц;
Ko = 80,12(раз).
Значению “1” соответствует значение коэффициента усиления указанного в задании - S21 = 20дБ.
7 Заключение
В ходе курсового проектирования был разработан широкополосный усилитель с характеристиками близкими к указанным в техническом задании.
Выходной каскад обеспечивает требуемое выходное напряжение
Промежуточный каскад дает необходимое усиление и искажения в пределах допустимого.
В общем можно сказать, что спроектированный мною усилитель, удовлетворяет всем требованиям указанных преподавателем в задании. Что говорит о правильности проделанной работы.
По окончании курсового проекта можно сказать о том, что проделанная работа была перевыполнена за счет того что требуемое усиление по заданию составляет 20дБ или 10(раз), а в результате работы было получено усилении 80,12(раз), из которых только 53,7 приходится на оконечный каскад.
Который также удовлетворяет искажениям(2дБ), указанных в техническом задании при этом не требуя дополнительной коррекции.
Исходя из вышесказанного можно сделать вывод о том, что дополнительный расчет промежуточного каскада был сделан для более подробного изучения поставленной передо мной задачей
















