135810 (722651), страница 3
Текст из файла (страница 3)
где
,
– справочные данные;
– нормальная температура.
Температура перехода:
, (3.3.45)
где
– температура окружающей среды (в данном случае взята максимальная рабочая температура усилителя);
– мощность, рассеиваемая на коллекторе.
Неуправляемый ток коллекторного перехода:
, (3.3.46)
где
–отклонение температуры транзистора от нормальной;
лежит в пределах
;
– коэффициент, равный 0.063÷0.091 для германия и 0.083÷0.120 для кремния.
Параметры транзистора с учётом изменения температуры:
, (3.3.47)
где
равно 2.2(мВ/градус Цельсия) для германия и
3(мВ/градус Цельсия) для кремния.
, (3.3.48)
где
(1/ градус Цельсия).
Определим полный постоянный ток коллектора при изменении температуры:
, 3.3.49)
. (3.3.50)
Для того чтобы схема была термостабильна необходимо выполнение условия:
,
где
. (3.3.51)
Рассчитывая по приведённым выше формулам, получим следующие значения:
,
,
,
,
,
,
,
,
,
,
.
.
3.4 Расчёт промежуточного каскада по постоянному току.
3.4.1 Выбор рабочей точки
При расчёте требуемого режима транзистора промежуточного каскада по постоянному току, координаты рабочей точки выберем следующие:
, где примем
, а
. Мощность, рассеиваемая на коллекторе
.
3.4.2 Выбор транзистора
Выбор транзистора осуществляется в соответствии с требованиями, приведенными в пункте 3.3.2. Этим требованиям отвечает транзистор 2Т996А. Его основные технические характеристики приведены ниже.
Электрические параметры:
-
Граничная частота коэффициента передачи тока в схеме с ОЭ
ГГц; -
Постоянная времени цепи обратной связи
пс; -
Статический коэффициент передачи тока в схеме с ОЭ
; -
Ёмкость коллекторного перехода при
В
пФ; -
Индуктивность вывода базы
нГн; -
Индуктивность вывода эмиттера
нГн.
Предельные эксплуатационные данные:
-
Постоянное напряжение коллектор-эмиттер
В; -
Постоянный ток коллектора
мА; -
Постоянная рассеиваемая мощность коллектора
Вт;
-
Температура перехода
К.
3.4.3 Расчет промежуточного каскада.
Как уже отмечалось в качестве промежуточного каскада будем использовать каскад с комбинированной отрицательной обратной связью состоящую из
и
.
Достоинством схемы является то, что при условиях
и
,
(3.4.1)
схема оказывается согласованной по входу и выходу с КСВН не более 1,3 в диапазоне частот, где выполняется условие
0,7. Поэтому практически отсутствует взаимное влияние каскадов друг на друга при их каскадировании [6].
При выполнении условия (3.4.1), коэффициент усиления каскада в области верхних частот описывается выражением:
, (3.4.2)
где
, (3.4.3)
, (3.4.4)
. (3.4.5)
Из (3.4.1), (3.4.3) не трудно получить, что при заданном значении
. (3.4.6)
При заданном значении
,
каскада равна:
, (3.4.7)
где
.
3.4.4 Расчёт полосы пропускания.
Расчёт производится по формулам, приведённым в пункте 3.3.3.1.
Проверим добьемся ли нужной полосы частот при выбранном сопротивлении Rос, для этого воспользуемся следующими формулами [6] (3.4.3), (3.4.4), (3.4.5), (3.4.7).
Используя формулы (3.3.18) и (3.3.19) найдем коэффициент N:
,
, где
Используя формулы (3.3.12), (3.3.13), (3.3.14), (3.3.15), (3.3.16), (3.3.18), и характеристики транзистора приведенной в пункте 3.4.2, убедимся в том, что выбранное сопротивление обратной связи обеспечит на нужной полосе частот требуемый коэффициент усиления:
,
,
,
,
,
,
,
,
,
.
Выбранное сопротивление Rос обеспечивает на заданном диапазоне частот коэффициент усиления равный 18дБ.
3.4.4 Расчёт цепи термостабилизации
Для промежуточного каскада также выбрана эмиттерная термостабилизация, схема которой приведена на рисунке 3.10.
Метод расчёта схемы идентичен приведённому в пункте 3.3.4.3. Эта схема термостабильна при
и
. Напряжение питания рассчитывается по формуле
.
Рассчитывая по формулам 3.3.28–3.3.38 получим:
,
,
,
Рассеиваемую мощность на
вычислим следующим образом:
, тогда
.
3.5 Расчёт входного каскада по постоянному току.
3.5.1 Выбор рабочей точки
При расчёте требуемого режима транзистора входного каскада по постоянному току, координаты рабочей точки выберем следующие:
, а
. Мощность, рассеиваемая на коллекторе
.
3.5.2 Выбор транзистора
Выбор транзистора осуществляется в соответствии с требованиями, приведенными в пункте 3.3.2. Этим требованиям отвечает транзистор 2Т996А. Его основные технические характеристики приведены ниже.
Электрические параметры:
1.Граничная частота коэффициента передачи тока в схеме с ОЭ
ГГц;
2.Постоянная времени цепи обратной связи
пс;
3.Статический коэффициент передачи тока в схеме с ОЭ
;
4.Ёмкость коллекторного перехода при
В
пФ;
5.Индуктивность вывода базы
нГн;
6.Индуктивность вывода эмиттера
нГн.
Предельные эксплуатационные данные:
1. Постоянное напряжение коллектор-эмиттер
В;
2. Постоянный ток коллектора
мА;
3. Постоянная рассеиваемая мощность коллектора
Вт;
4. Температура перехода
К.
3.5.3 Расчет входного каскада.
Как уже отмечалось в качестве входного каскада будем использовать каскад с комбинированной отрицательной обратной связью состоящую из
и
.
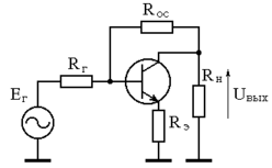
Рис. 3.12 Каскад с комбинированной отрицательной
обратной связью.
Достоинством схемы является то, что при условиях
и
,
(3.5.1)
схема оказывается согласованной по входу и выходу с КСВН не более 1,3 в диапазоне частот, где выполняется условие
0,7. Поэтому практически отсутствует взаимное влияние каскадов друг на друга при их каскадировании [6].
При выполнении условия (3.5.1), коэффициент усиления каскада в области верхних частот описывается выражением:
, (3.5.2)
где
, (3.5.3)
, (3.5.4)
. (3.5.5)
Из (3.4.1), (3.4.3) не трудно получить, что при заданном значении
. (3.5.6)
При заданном значении
,
каскада равна:
, (3.5.7)
где
.
3.5.4 Расчёт полосы пропускания.
Расчёт производится по формулам, приведённым в пункте 3.3.3.1.
Проверим добьемся ли нужной полосы частот при выбранном сопротивлении Rос, для этого воспользуемся следующими формулами [6] (3.5.3), (3.5.4), (3.5.5), (3.5.7).
Используя формулы (3.3.18) и (3.3.19) найдем коэффициент N:
,
, где
Используя формулы (3.3.12), (3.3.13), (3.3.14), (3.3.15), (3.3.16), (3.3.18), и характеристики транзистора приведенной в пункте 3.4.2, убедимся в том, что выбранное сопротивление обратной связи обеспечит на нужной полосе частот требуемый коэффициент усиления:
,
,
,
,
,
,
,
,
,
.
Выбранное сопротивление Rос обеспечивает на заданном диапазоне частот коэффициент усиления равный 18дБ.
3.5.5 Расчёт цепи термостабилизации
Для входного каскада также выбрана эмиттерная термостабилизация, схема которой приведена на рисунке 3.10.
Метод расчёта схемы идентичен приведённому в пункте 3.3.4.3. Эта схема термостабильна при
и
. Напряжение питания рассчитывается по формуле
.
Рассчитывая по формулам 3.3.28–3.3.38 получим:
,
,
,
Рассеиваемую мощность на
вычислим следующим образом:
, тогда
.
Общий коэффициент усиления составил:
.
3.6 Расчёт разделительных и блокировочных ёмкостей
Рассчитаем номиналы элементов. Расчёт производится в соответствии с методикой описанной в [7].
Для расчета емкостей обратной связи Сос1, Cос2, и Сос3 воспользуемся следующим соотношением:
, (3.6.1)
,
,
.
Для расчета емкостей Сэ1, Cэ2, Сэ3 воспользуемся следующим соотношением:
, (3.6.2)
,
,
.
Дроссель в коллекторной цепи ставится для того, чтобы выход транзистора по переменному току не был заземлен. Его величина выбирается исходя из условия:
. (3.6.3)
,
,
.
Так как ёмкости, стоящие в эмиттерных цепях, а также разделительные ёмкости вносят искажения в области нижних частот, то их расчёт следует производить, руководствуясь допустимым коэффициентом частотных искажений. В данной работе этот коэффициент составляет 3дБ. Всего ёмкостей четыре, поэтому можно распределить на каждую из них по 0,75дБ.
Величину разделительного конденсатора найдём по формуле:
, (3.6.4)
где
– допустимые частотные искажения.
R1– сопротивление предыдущего каскада.
R2– сопротивление нагрузки.
,
,
,
.
Так же в усилителе имеется Сф, его роль не пропустить переменную составляющую на источник питания. Расчет производится аналогично блокировочным емкостям, разница лишь в том что в формуле (3.6.2) вместо Rэ ставится Rф. Исходя из этого, получим следующие значения:
;
.
4. Заключение
Рассчитанный усилитель имеет следующие технические характеристики:
1. Рабочая полоса частот: 1-100 МГц
2. Линейные искажения
в области нижних частот не более 3 дБ
в области верхних частот не более 3 дБ
3. Коэффициент усиления 42дБ
















