135810 (722651), страница 2
Текст из файла (страница 2)
Выбранное сопротивление Rос обеспечивает заданный диапазон частот.
Произведём построение нагрузочных прямых для дроссельного каскада: Еп = 6,5(В), Uкэ0 = 6,5(В), Iк0 = 0,121(А),
, где
,
, Uк найдём по формуле:
, а
.
2
. Расчет рабочей точки при использовании активного сопротивления Rk в цепи коллектора.
Выберем Rк=Rн =1000 (Ом).
Координаты рабочей точки можно приближённо рассчитать по следующим формулам [7]:
, (3.3.9)
, (3.3.10)
. (3.3.11)
Рассчитывая по формулам 3.3.9 и 3.3.10, получаем следующие значения:
,
,
,
,
,
, где
.
Найдём потребляемую мощность и мощность рассеиваемую на коллекторе по формулам (3.3.7) и (3.3.8) соответственно:
,
,
, где
,
.
Результаты выбора рабочей точки двумя способами приведены в таблице 3.1.
Таблица 3.1.
| Eп, (В) | Iко, (А) | Uко, (В) | Pрасс.,(Вт) | Pпотр.,(Вт) | |
| С Rк | 129,043 | 0,123 | 6,5 | 0,797 | 15,813 |
| С Lк | 6,5 | 0,121 | 6,5 | 0,785 | 0,785 |
Из таблицы 3.1 видно, что для данного курсового задания целесообразно использовать дроссель в цепи коллектора.
Произведём построение нагрузочных прямых для резистивного каскада: Еп = 129,043(В), Uкэ0 = 6,5(В), Iк0 = 0,123(А),
, где
,
, Uк найдём по формуле:
, а
.
3.3.2 Выбор транзистора
Выбор транзистора осуществляется с учётом следующих предельных параметров:
-
Граничной частоты усиления транзистора по току в схеме с ОЭ
;
-
Предельно допустимого напряжения коллектор-эмиттер
;
-
Предельно допустимого тока коллектора
;
-
Предельной мощности, рассеиваемой на коллекторе
.
Этим требованиям полностью соответствует транзистор КТ 610 А . Его основные технические характеристики приведены ниже.
Электрические параметры:
-
Граничная частота коэффициента передачи тока в схеме с ОЭ
МГц; -
Постоянная времени цепи обратной связи
пс; -
Статический коэффициент передачи тока в схеме с ОЭ
; -
Ёмкость коллекторного перехода при
В
пФ; -
Индуктивность вывода базы
нГн; -
Индуктивность вывода эмиттера
нГн.
Предельные эксплуатационные данные:
-
Постоянное напряжение коллектор-эмиттер
В; -
Постоянный ток коллектора
мА; -
Постоянная рассеиваемая мощность коллектора
Вт; -
Температура перехода
К.
3.3.3 Расчёт эквивалентной схемы транзистора
3.3.3.1 Схема Джиаколетто
Многочисленные исследования показывают, что даже на умеренно высоких частотах транзистор не является безынерционным прибором. Свойства транзистора при малом сигнале в широком диапазоне частот удобно анализировать при помощи физических эквивалентных схем. Наиболее полные из них строятся на базе длинных линий и включают в себя ряд элементов с сосредоточенными параметрами. Наиболее распространенная эквивалентная схема- схема Джиаколетто, которая представлена на рисунке 3.6. Подробное описание схемы можно найти [8].
Достоинство этой схемы заключается в следующем: схема Джиаколетто с достаточной для практических расчетов точностью отражает реальные свойства транзисторов на частотах f 0.5fт ; при последовательном применении этой схемы и найденных с ее помощью Y- параметров транзистора достигается наибольшее единство теории ламповых и транзисторных усилителей.
Рис. 3.6 Схема Джиаколетто.
Расчитаем элементы схемы, воспользовавшись справочными данными и приведенными ниже формулами [6].
при
В
Ск=4∙10-12(Ф) при Uкэ=10(В) , τс=20∙10-12(с) при Uкэ=10(В) , fт=1∙109(Гц),
Iкmax=0,3∙(А), Uкэmax=26(В), где Cк- емкость коллекторного перехода, с- постоянная времени обратной связи, Н21э=о- статический коэффициент передачи тока в схеме с ОЭ.
Найдем значение емкости коллектора при Uкэ=10В по формуле :
(3.3.12)
где Uкэо – справочное или паспортное значение напряжения;
Uкэо – требуемое значение напряжения.
.
Сопротивление базы рассчитаем по формуле:
,
. (3.3.13)
Используя формулу (3.3.12), найдем значение коллекторной емкости в рабочей точке :
Статический коэффициент передачи тока в схеме с ОБ найдем по формуле:
, (3.3.14)
Найдем ток эмиттера по формуле:
, (3.3.15)
.
Найдем сопротивление эмиттера по формуле:
(3.3.16)
где Iэо – ток в рабочей точке, занесенный в формулу в мА.
.
Проводимость база-эмиттер расчитаем по формуле:
, (3.3.17)
.
Определим диффузионную емкость по формуле:
, (3.3.18)
.
Крутизну транзистора определим по формуле:
, (3.3.19)
.
3.3.3.2 Однонаправленная модель
Поскольку рабочие частоты усилителя заметно больше частоты
, то из эквивалентной схемы можно исключить входную ёмкость, так как она не влияет на характер входного сопротивления транзистора. Индуктивность же выводов транзистора напротив оказывает существенное влияние и потому должна быть включена в модель. Эквивалентная высокочастотная модель представлена на рисунке 3.7. Описание такой модели можно найти в [6].
Рис. 3.7 Однонаправленная модель.
Параметры эквивалентной схемы рассчитываются по приведённым ниже формулам [6].
Входная индуктивность:
, (3.3.20)
где
–индуктивности выводов базы и эмиттера.
Входное сопротивление:
, (3.3.21)
где
, причём
, где
и
– справочные данные.
Крутизна транзистора:
, (3.3.22)
где
,
,
.
Выходное сопротивление:
. (3.3.23)
Выходная ёмкость:
. (3.3.24)
В соответствие с этими формулами получаем следующие значения элементов эквивалентной схемы:
,
,
,
,
,
,
.
3.3.4 Расчет полосы пропускания.
Проверим обеспечит ли выбранное сопротивлении обратной связи Rос, расчитанное в пункте 3.3.1, на нужной полосе частот требуемый коэффициент усиления, для этого воспользуемся следующими формулами[6]:
(3.3.25)
(3.3.26)
Найдем значение емкости коллектора при Uкэ=10В по формуле (3.3.12):
.
Найдем сопротивление базы по формуле (3.3.13):
.
Статический коэффициент передачи тока в схеме с ОБ найдем по формуле (3.3.14):
.
Найдем ток эмиттера по формуле (3.3.15):
.
Найдем сопротивление эмиттера по формуле (3.3.16):
.
Определим диффузионную емкость по формуле (3.3.18):
,
, (3.3.27)
, (3.3.28)
где Yн – искажения,
дБ,
(3.3.29)
.
Выбранное сопротивление Rос обеспечивает заданный диапазон частот.
3.3.5 Расчёт цепей термостабилизации
Существует несколько вариантов схем термостабилизации. Их использование зависит от мощности каскада и от того, насколько жёсткие требования к термостабильности. В данной работе рассмотрены три схемы термостабилизации: пассивная коллекторная, активная коллекторная и эмиттерная [7].
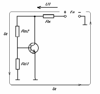
3.3.5.1 Пассивная коллекторная термостабилизация.
Данный вид термостабилизации (схема представлена на рисунке 3.8) используется на малых мощностях и менее эффективен, чем две другие, потому что напряжение отрицательной обратной связи, регулирующее ток через транзистор подаётся на базу через базовый делитель.
Рис. 3.8 Пассивная коллекторая термостабилизация.
Расчёт, подробно описанный в [8], заключается в следующем: выбираем напряжение
(в данном случае 6,5В) и ток делителя
(в данном случае
, где
– ток базы), затем находим элементы схемы по формулам:
; (3.3.30)
, (3.3.31)
где
– напряжение на переходе база-эмиттер равное 0.7 В;
. (3.3.32)
Получим следующие значения:
,
,
.
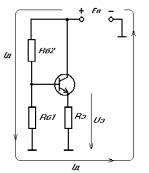
3.3.5.2 Активная коллекторная термостабилизация.
Активная коллекторная термостабилизация используется в мощных каскадах и является очень эффективной, её схема представлена на рисунке 3.9. Её описание и расчёт можно найти в [6].
Рис. 3.9 . Активная коллекторная термостабилизация.
В качестве VT1 возьмём КТ361А. Выбираем падение напряжения на резисторе
из условия
(пусть
), затем производим следующий расчёт:
; (3.3.33)
; (3.3.34)
; (3.3.35)
; (3.3.36)
, (3.3.37)
где
– статический коэффициент передачи тока в схеме с ОБ транзистора КТ361А;
; (3.3.38)
; (3.3.39)
. (3.3.40)
Получаем следующие значения:
,
,
,
,
,
,
,
.
Величина индуктивности дросселя выбирается таким образом, чтобы переменная составляющая тока не заземлялась через источник питания, а величина блокировочной ёмкости – таким образом, чтобы коллектор транзистора VT1 по переменному току был заземлён.
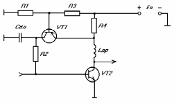
3.3.5.3 Эмиттерная термостабилизация.
Для выходного каскада выбрана эмиттерная термостабилизация, схема которой приведена на рисунке 3.10. Метод расчёта и анализа эмиттерной термостабилизации подробно описан в [8].
Рис. 3.10 Эмиттерная термостабилизация.
Расчёт производится по следующей схеме:
1.Выбираются напряжение эмиттера
и ток делителя
(см. рис. 3.4), а также напряжение питания
;
2. Затем рассчитываются
.
3. Производится поверка – будет ли схема термостабильна при выбранных значениях
и
. Если нет, то вновь осуществляется подбор
и
.
В данной работе схема является термостабильной при
и
. Учитывая то, что в коллекторной цепи отсутствует резистор, то напряжение питания рассчитывается по формуле
. Расчёт величин резисторов производится по следующим формулам:
; (3.3.41)
; (3.3.42)
. (3.3.43)
Для того, чтобы выяснить будет ли схема термостабильной производится расчёт приведённых ниже величин.
Тепловое сопротивление переход – окружающая среда:
, (3.3.44)
МГц;
пс;
;
В
пФ;
нГн;
нГн.
В;
мА;
Вт;
К.















