135796 (722637), страница 3
Текст из файла (страница 3)
(51)
Ослабление фильтра связано с АЧХ выражением:Найдем частоты ПЭП, при которых ослабление (А) и АЧХ принимают минимальные и максимальные значения. Для нахождения соответствующих частот характеристики ПФ используется формула:
г
де Δω=747012 рад/с – ширина ПЭП;
ω0=1256637,04 рад/с.
Из таблицы 3.8[1] для характеристик НЧ-прототипа выбираем Ωк для n=3: Ω1max=0,5; Ω1min=0; Ω2max=1; Ω2min=0,866.
Таблица 7
Используя формулы рассчитаем значения Н(јω) и А для всех выше рассчитанных частот, результаты расчета запишем в таблицу7:| ω | ω′3 | ω′2 | ωmin1 | ωmax1 | ω0 | ωmax2 | ωmin2 | ω2 | ω3 |
| ω (рад/с) | 838183 | 937464,6 | 974142 | 1083685 | 1256637 | 1457191 | 1621054 | 1684476 | 1884000 |
| f(кГц) | 134 | 150 | 155 | 172,5 | 200 | 232 | 258 | 268 | 300 |
| H(jω)1 | 0,32 | 0,82 | 0,8 | 1,5 | 2,0 | 1,35 | 0,72 | 0,84 | 0,33 |
| H(jω)2 | 0,24 | 0,49 | 0,5 | 0,52 | 0,63 | 1,2 | 1,9 | 1,7 | 0,23 |
| H(jω)3 | 1,3 | 2,26 | 2,5 | 1,12 | 0,79 | 0,55 | 0,7 | 0,63 | 1,29 |
| A1 | 9,9 | 1,7 | 1,9 | -3,5 | -6,0 | -2,6 | 2,6 | 1,5 | 9,6 |
| A2 | 12,4 | 6,2 | 6,0 | 5,6 | 4,0 | -1,6 | -5,6 | -4,6 | 12,7 |
| A3 | -2,3 | -7,0 | -7,9 | -1,1 | 2,0 | 5,1 | 3,0 | 4,0 | -2,2 |
| H(jω)пф | 0,09 | 0,9 | 1 | 0,9 | 1 | 0,9 | 1 | 0,9 | 0,09 |
|
(53) A | 20 | 1 | 0 | 1 | 0 | 1 | 0 | 1 | 20 |
По результатам Таблицы 7 построим графики Рис.12 и Рис.13.
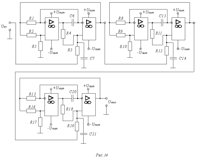
На этом расчет фильтра можно считать законченным на Рис.14 изображена схема рассчитанного фильтра.
5.РАСЧЕТ ВЫХОДНОГО КАСКАДА.
(53)
(54)
(55)
ТТребуемый коэффициент усиления:
В
ыбираем схему выходного усилителя 1 из таблицы 3.7[1]:
Передаточная функция схемы изображенной на Рис.15:
Зададимся значением R1=3кОм, тогда:
6.ЗАКЛЮЧЕНИЕ.
В ходе данной работы было разработано устройство, вырабатывающее сетку частот схема которого приведена на странице 28. Был произведен расчет всех элементов разработанной схемы.
В ходе выполнения данной работы мною были приобретены навыки по расчету и разработке устройств связи.
7.СПИСОК ЛИТЕРАТУРЫ
1. Б. И. Крук, О. Б. Журавлева, М. И. Сметанина. Расчет элементов и узлов аппаратуры связи: Методические указания к курсовой работе. Новосибирск, 1997.
2. В. П. Бокалов, А. А. Игнатов, Б. И. Крук. Основы теории электрических цепей и электроники: Учебник для высших учебных заведений. – М.: Радио и связь, 1989.
















