135794 (722635)
Текст из файла
ИССЛЕДОВАНИЕ РЕЗИСТОРНОГО
УСИЛИТЕЛЬНОГО КАСКАДА
ОСНОВНЫЕ УСЛОВНЫЕ ОБОЗНАЧЕНИЯ И СОКРАЩЕНИЯ
АЧХ - амплитудно-частотная характеристика ;
ПХ - переходная характеристика ;
СЧ - средние частоты ;
НЧ - низкие частоты ;
ВЧ - высокие частоты ;
К - коэффициент усиления усилителя ;
Uc - напряжение сигнала частотой ;
Cp - разделительный конденсатор;
R1,R2 - сопротивления делителя;
Rк - коллекторное сопротивление;
Rэ - сопротивление в цепи эмиттера ;
Cэ - конденсатор в цепи эмиттера ;
Rн - сопротивление нагрузки;
Сн - емкость нагрузки;
S - крутизна трагзистора;
Lк - корректирующая индуктивность;
Rф,Сф - элементы НЧ - коррекции.
-
ЦЕЛЬ РАБОТЫ .
Целью настоящей работы является :
-
изучение работы резисторного каскада в области низких, средних и высоких частот.
-
изучение схем низкочастотной и высокочастотной коррекции АЧХ усилителя ;
-
ДОМАШНЕЕ ЗАДАНИЕ .
-
Изучить схему резисторного усилительного каскада, уяснить назначение всех элементов усилителя и их влияние на параметры усилителя (подраздел 3.1).
-
Изучить принцип работы и принципиальные схемы низкочастотной и высокочастотной коррекции АЧХ усилителя (подраздел 3.2).
-
Уяснить назначение всех элементов на лицевой панели лабораторного макета (раздел 4).
-
Найти ответы на все контрольные вопросы (раздел 6).
-
РЕЗИСТОРНЫЙ КАСАКАД НА БИПОЛЯРНОМ ТРАНЗИСТОРЕ
Резисторные усилительные касакады широко применяются в различных областях радиотехники. Идеальный усилитель имеет равномерную АЧХ во всей полосе частот, реальный усилитель всегда имеет искажения АЧХ, прежде всего - снижение усиления на низких и высоких частотах, как показано на рис. 3.1.
Рис.3.1.
Схема резисторного усилителя переменного тока на биполярном транзисторе по схеме с общим эмиттером представлена на рис. 3.2, где Rc - внутреннее сопротивление источника сигнала Uc ; R1 и R2 - сопротивления делителя, задающие рабочую точку транзистора VT1; Rэ - сопротивление в цепи эмиттера, которое шунтируется конденсатором Сэ ; Rк - коллекторное сопротивление; Rн - сопротивление нагрузки; Cp - разделительные конденсаторы, обеспечивающие разделение по постоянному току транзистора VT1 от цепи сигнала и цепи нагрузки.
Рис. 3.2.
Температурная стабильность рабочей точки возрастает при увеличении Rэ (за счет увеличения глубины отрицательной обратной связи в касакаде на постоянном токе), стабильность рабочей точки также возрастает и при уменьшении R1,R2 (за счет увеличения тока делителя и повышения температурной стабилизации потенциала базы VT1). Возможное уменьшение R1,R2 ограничено допустимым снижением входного сопротивления усилителя, а возможное увеличение Rэ ограничено максимально допустимым падением постоянного напряжения на сопротивлении эмиттера.
-
Анализ работы резисторного усилителя в области низких, средних и высоких частот.
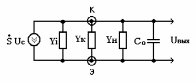
Эквивалентная схема выходной цепи усилителя по схеме рис.3.2 представлена на рис. 3.3, где: S - крутизна трагзистора, Uc - входной сигнал, Yi = Y22 - выходная проводимость транзистора, Yк =1/Rк - коллекторная проводимость , Со = Свых + См + Сн , Свых - выходная емкость транзистора, См - распределенная паразитная и монтажная емкости, Сн - емкость нагрузки, Ср - разделительный конденсатор, Yн = 1/Rн - проводимость нагрузки. Отметим, что обычно в усилителях проводимости Yi < Yн Rн > Rк).
Рис.3.3.
Эквивалентная схема получена с учетом того, что на переменном токе шина питания (“-Еп”) и общая точка (“земля”) являются короткозамкнутыми, а также с учетом допущения 1/Cэ << Rэ , когда можно считать эмиттер VT1 подключенным на переменном токе к общей точке.
Поведение усилителя различно в области низких, средних и высоких частот (см.рис. 3.1). На средних частотах (СЧ) , где сопротивление разделительного конденсатора Ср пренебрежимо мало (1/Cр << Rн ), а влиянием емкости Со можно пренебречь, так как 1/Cо >> Rк , эквивалентная схема усилителя преобразуется в схему рис.3.4.
Рис.3.4.
Из схемы рис.3.4 следует, что на средних частотах усиление касакада Ко не зависит от частоты :
Ко = - S/(Yi + Yк + Yн ),
откуда с учетом 1/Yi > Rн > Rк получаем приближенную формулу
Ко -SRк.
Следовательно, в усилителях с высокоомной нагрузкой номинальный коэффициент усиления Ко прямо пропорционален величине сопротивления коллектора Rк.
В области низких частот (НЧ) также можно пренебречь малой емкостью Со, но необходимо учесть возрастающее с понижением сопротивление разделительного конденсатора Ср. Это позволяет получить из рис. 3.3 эквивалентную схему усилителя на НЧ в виде рис.3.5, откуда видно, что конденсатор Ср и сопротивление Rн образуют делитель напряжения, снимаемого с коллектора транзистора VT1.
Рис.3.5.
Чем ниже частота сигнала , тем больше емкостное сопротивление Ср (1/Cр ), и тем меньшая часть напряжения попадает на выход, в результате чего происходит снижение усиления. Таким образом, Ср определяет поведение АЧХ усилителя в области НЧ и практически не оказывает влияния на АЧХ усилителя в области средних и высоких частот. Чем больше Ср, тем менбше искажения АЧХ в области НЧ, а при усилении импульсных сигналов - тем меньше искажения импульса в области больших времен (спад плоской части вершины импульса), как показано на рис.3.6.
Рис.3.6.
В области высоких частот (ВЧ), как и на СЧ, сопротивление разделительного конденсатора Ср пренебрежимо мало, при этом определяющим на АЧХ усилителя будет наличие емкости Со. Эквивалентная схема усилителя в области ВЧ представлена на схеме рис.3.7, откуда видно, что емкость Со шунтирует выходное напряжение Uвых, следовательно с повышением будет уменьшаться усиление касакада. Дополнительной причиной снижения усиления на ВЧ является уменьшение крутизны транзистора S по закону:
S() = S/(1 + j),
где - постоянная времени транзистора.
Рис.3.7.
Шунтирующее действие Со будет сказываться меньше при уменьшении сопротивления Rк . Следовательно, для увеличения верхней граничной частоты полосы усиливаемых частот необходимо уменьшать коллекторное сопротивление Rк, однако это неизбежно приводит к пропорциональному снижению номинального коэффициента усиления.
3.2. Высокочастотная и низкочастотная коррекции АЧХ резисторного усилителя
Для корректирования АЧХ реального усилителя с целью её приближения к АЧХ идеального усилителя (см рис.3.1) применяют специальные схемы коррекции в области НЧ и ВЧ.
Схема ВЧ - коррекции АЧХ при помощи корректирующей индуктивности Lк приведена на рис. 3.8.
Рис.3.8.
Принцип работы этой схемы основан на увеличении в области ВЧ сопротивления коллекторной цепи (Rк + jLк). Увеличение этого сопротивления с ростом позволяет повысить усиление каскада на ВЧ. Необходимым условием эффективности работы этой схемы является высокоомность внешнего сопротивления нагрузки Rн >Rк. В противном случае малое сопротивление Rн будет шунтировать коллекторную цепь, при этом усиление каскада будет определяться величиной Rн и мало зависеть от Rк и Lк. Эквивалентная схема касакада с ВЧ- корркцией при 1/Yi > Rн > Rк представлена на рис.3.9, откуда следует, что на ВЧ АЧХ корректированного усилителя близка к частотной характеристике параллельного колебательного контура.
Рис.3.9.
Следовательно, при неоптимальном выборе параметров корректирующей индуктивности Lк на АЧХ усилителя может появиться подъем, вызывающий искажения усиливаемых сигналов. АЧХ и ПХ усилителя с ВЧ-коррекцией при оптимальных и неоптимальных параметрах корректирующей индуктивности Lк показаны на рис.3.10.
Рис.3.10.
1. Lк < Lопт 2.Lк = Lопт 3.Lк > Lопт
Видно, что ВЧ-коррекция оказывает влияние только на область ВЧ (область малых времен - фронты импульсов). При Lк > Lопт длительность фронта самая малая, однако, на выходном импульсном сигнале возникает выброс.
Схема НЧ-коррекции АЧХ усилителя показана на рис.3.11, где Rф и Сф - элементы НЧ-коррекции, выполняющие попутно и роль НЧ-фильтра в цепи питания транзистора VT1.
Рис.3.11.
Принцип работы схемы НЧ-коррекции основан на увеличении сопротивления коллекторной цепи в области НЧ, поэтому, как и в схеме индуктивной ВЧ-коррекции, данная схема эфективна только при высокоомной нагрузке Rн > Rк. Емкость конденсатора Ср выбирается таким образом, чтобы на средних и высоких частотах выполнялось 1/Сф << Rф (то есть Сф шунтирует Rф), поэтому цепь Сф, Rф практически не оказывает влияния на работу усилителя на СЧ и ВЧ. На НЧ сопротивление Сф становится больше сопротивления Rф, это увеличивает сопротивление коллекторной цепи и как результат - понижает нижнюю граничную частоту полосы пропускания усилителя . При этом отношение Rф/Rк определяет максимально возможный подъем усиления с понижением частоты , который однако, реально всегда бывает меньше по причине снижения усиления на НЧ из-за разделительного конденсатора Ср.
АЧХ и ПХ усилителя при оптимальных и неоптимальных параметрах НЧ-коррекции (1 - без коррекции , 2 - оптимальная коррекция, 3 - перекоррекция ) приведены на рис.3.12.
Рис.3.12.
-
ОПИСАНИЕ ЛАБОРАТОРНОЙ УСТАНОВКИ .
В состав лабораторной устоновки входят :
-
лабораторный макет ;
-
лабораторной блок питания ;
-
универсальный вольтмер ( типа В7-15, В7-16 ) .
-
генератор низкочастотных сигналов ( типа Г3-56, ГЗ-102 ).
Лабораторный макет содержит :
а) исследуемый резисторный усилитель переменного тока с эмиттерным повторителем на выходе для обеспечения высокоомности нагрузки усилителя (см. рис. 4.1.).
б) встроенный генератор импульсных сигналов ( с возможностью регулировки амплитуды и длительности импульсов ), расположенный на верхней части корпуса лабораторного макета .
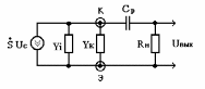
Питание лабораторного макета осуществляется от источника постоянного напряжения En = +12В . Внешний вид лицевой панели с нанесенной на нее принципиальной схемой лабораторного макета представлен на рис.4.2.
Рис. 4.2.
-
ПОРЯДОК РАБОТЫ
-
Исследование влияния разделительного конденсатора на характеристики усилителя.
а) Собрать установку по схеме рис. 5.1. Все переключатели поставить в исходное 1 положение.
Рис. 5.1.
Величину Uвых установить в пределах 10...30 мВ для обеспечения линейного режима работы усилителя . Исследуя зависимость Uвых от частоты f входного сигнала (при неизменной величине Uвх ) получить и построить АЧХ усилителя при 2-х значениях емкости Ср (переключатель S4). При исследовании АЧХ рекомндуется предварительно оценить частотную область равномерного усиления, где число отсчетов может быть сокращено до 3...4. В частотных областях изменения АЧХ (НЧ и ВЧ) число осчетных точек должно быть увеличено до 4...5.
б) Подключить на вход исследуемого усилителя импульсный сигнал с генератора прямоугольных импульсов (см. раздел 4). Выходное напряжение усилителя контролировать при помощи осциллографа. Зарисовать с экрана осциллографа на одном графике форму импульсов на выходе усилителя (ПХ усилителя ) для двух значений Ср.
Измерить величину спада плоской части вершины импульса (в %) для двух значений Ср.
Сделать выводы о вляинии разделительного конденсатора Ср на характеристики усилителя.
5.2. Исследование влияния коллекторного сопротивления на характеристики усилителя.
Используя схему и методики п.5.1. измерить номинальный коэффициент усиления Ко, снять АЧХ и ПХ усилителя для 2-х значений Rк. Построить АЧХ и ПХ усилителя для двух значений Rк.
Сделать выводы о влиянии коллекторного сопротивления на характеристики усилителя.
-
Исследование влияния НЧ-коррекции.
Переключатель S4 поставить в положение, соответствующее меньшему значению Ср. Исследовать АЧХ и ПХ усилителя для 3-х значений праметров НЧ-коррекции . Построить АЧХ и ПХ усилителя для различных параметров НЧ-коррекции.
Сделать выводы о влиянии Rф, Сф на характеристики усилителя.
-
Исследование влияния ВЧ-коррекции
Переключатель S1 поставить в положение Rк max, а переключатель S5 в положение 1.
Исследовать АЧХ и ПХ усилителя для 3-х значений корректирующей индуктивности Lк. Построить АЧХ и ПХ усилителя для различных параметров индуктивной ВЧ-коррекции.
Сделать выводы о влиянии Lк на характеристики усилителя.
5.5. Оформление отчета о лабораторной работе .
Отчет должен содержать :
а) схему резисторного усилителя переменного тока с НЧ и ВЧ коррекцией ;
б) результаты измерений , таблицы и графики , требуемые лабораторными заданиями ;
в) заключение о соответствии полученных результатов теоретическим данным .
-
КОНТРОЛЬНЫЕ ВОПРОСЫ
1. Элементы температурной стабилизации рабочей точки транзистора и их выбор.
2. Работа резисторного касакада в области НЧ.
3. Работа резисторного касакада в области ВЧ.
4. Влияние разднлительного конденсатора Ср на характеристики усилителя.
5. Влияние коллекторного сопротивления Rк на верхнюю граничную частоту и номинальный коэффициент усиления.
6. Принцип работы индуктивной ВЧ - коррекции резисторного усилителя .
7. АЧХ усилителя при оптимальных и неоптимальных параметрах элементов ВЧ - коррекции .
8. ПХ усилителя при оптимальных и неоптимальных параметрах элементов ВЧ - коррекции .
9. Принцип работы НЧ - коррекции резисторного усилителя .
10. АЧХ усилителя при оптимальных и неоптимальных параметрах элементов НЧ - коррекции.
11. ПХ усилителя при оптимальных и неоптимальных параметрах элементов НЧ - коррекции .
-
Л И Т Е Р А Т У Р А .
1. Остапенко Г. С. Усилительные устройства. - М. : Радио и связь, 1989 , подразделы 1.4, 1.5, 3.2, 4.8.
-
Войшвилло Г. В. Усилительные устройства. - М. : Радио и связь , 1983 , подразделы 4.1.1, 4.7.3, 5.3.1, 5.3.3.
-
Мамонкин И. Г. Усилительные устройства . - М. : Связь , 1977 , подразделы 6.3, 7.3, 11.3.
Характеристики
Тип файла документ
Документы такого типа открываются такими программами, как Microsoft Office Word на компьютерах Windows, Apple Pages на компьютерах Mac, Open Office - бесплатная альтернатива на различных платформах, в том числе Linux. Наиболее простым и современным решением будут Google документы, так как открываются онлайн без скачивания прямо в браузере на любой платформе. Существуют российские качественные аналоги, например от Яндекса.
Будьте внимательны на мобильных устройствах, так как там используются упрощённый функционал даже в официальном приложении от Microsoft, поэтому для просмотра скачивайте PDF-версию. А если нужно редактировать файл, то используйте оригинальный файл.
Файлы такого типа обычно разбиты на страницы, а текст может быть форматированным (жирный, курсив, выбор шрифта, таблицы и т.п.), а также в него можно добавлять изображения. Формат идеально подходит для рефератов, докладов и РПЗ курсовых проектов, которые необходимо распечатать. Кстати перед печатью также сохраняйте файл в PDF, так как принтер может начудить со шрифтами.















