135793 (722634), страница 2
Текст из файла (страница 2)
Например, для схемы инвертирующего усилителя (рис.3.2)
при RcR1,
R –=R1Rос / (R1+Rос), R+=R2,
Uвых.сдв. Rос[(Uсм+см2R2)/R1 - см1], (3.15а)
для схемы неинвертирующего усилителя
Uвых.сдв. Rос[(Uсм+см2Rс)/R1 - см1], (3.15б)
-
Измерение напряжения и токов смещения ОУ
Измерение Uсм
Из формул (3.3), (3.7), (3.15) следует, что Uсм можно определить по выходному напряжению усилителя при R –=R+=0, то есть путем измерения Uвых. В схеме повторителя рис.3.9. при R –=0.
рис.3.9.
U
см= Uвых (3.16)
R+=0
R –=0.
Измерение см1 и см2
При R+=0, R –0 (см. формулу (3.15)) Uвых= Uсм– см1 R –, откуда
(3.17)
аналогично, при R –=0, R+0, Uвых= Uсм+ см2 R+,
(3.18)
Определив см1 и см2 , рассчитывают см и р по формулам (3.1) и (3.1а).
4.ОПИСАНИЕ ЛАБОРАТОРНОЙ УСТАНОВКИ
В состав лабораторной установки входят:
-
лабораторный макет;
-
лабораторный блок питания (типа ТЭС 13);
-
универсальный вольтметр (типа В7-15, В7-16).
Лабораторный макет содержит:
а) усилитель на ОУ (типа К140УД9) с коммутационными элементами, обеспечивающими набор схем инвертирующего усилителя, повторителя напряжения, не инвертирующего усилителя;
б) дифференциальный усилитель на ОУ с внешними сопротивлениями, выполненными на микросхемной резистивной матрице (типа 301НР1); дифференциальный усилитель включается специальным переключателем (Вкл) и расположен в правой нижней части лицевой панели лабораторного макета;
в) два встроенных источника регулируемого постоянного напряжения (Uвых= – 1.5…+1.5В), расположенных на верхней части корпуса лабораторного макета (U1, U2);
г) встроенное переменное сопротивление (для измерения Rвых усилителя), выводы которого расположены в левой верхней части лицевой панели лабораторного макета;
д) встроенный источник регулируемого постоянного напряжения, предназначенного для компенсации напряжения смещения усилителя (с возможностью грубой и плавной регулировки), расположенный в левой нижней части лицевой панели лабораторного макета.
Питание лабораторного макета осуществляется от источника постоянного напряжения Еп=24…30В.
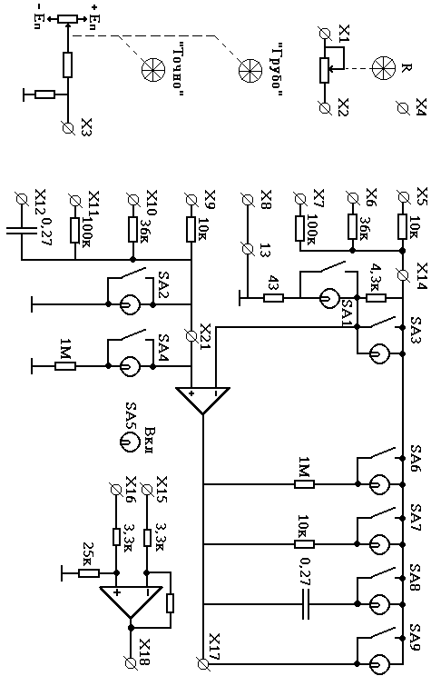
Внешний вид лицевой панели с нанесенной на нее принципиальной схемой лабораторного макета представлен на рис.4.1.
-
ПОРЯДОК ВЫПОЛНЕНИЯ РАБОТЫ
-
Измерение токов и напряжения смещения.
а) Набрать на лабораторном макете схему повторителя напряжения (рис.3.9.), обеспечив R –=0 и R+=0. Измерить Uвых усилительного каскада, Uсм=Uвых.
б) Набрать на лабораторном макете схему повторителя напряжения (рис.3.9.), обеспечив R+=0 и R –=1 Мом. Измерить Uвых , рассчитать см1 по формуле (3.17), используя значение Uсм, полученные в пункте а.
в) Набрать на лабораторном макете схему повторителя напряжения (рис.3.9.), обеспечив R –=0 и R+=1 Мом. Измерить Uвых , рассчитать см2 по формуле (3.18).
г) Определить см и р по формулам (3.1) и (3.1а). Занести результаты в таблицу 5.1.
Таблица 5.1.
| тип ОУ | Uсм | см1 | см2 | см | р |
Ê14ÎÓÄ9 |
5.2. Исследование инвертирующего усилителя
а) Набрать на лабораторном макете схему инвертирующего усилителя (рис.3.2), обеспечив R136 кОм, Rос1 Мом, R21 Мом.
Провести измерения R1 и Rос при помощи универсального вольтметра (с обязательным их отключением в процессе измерения от входа «–» ОУ). Рассчитать К – по формуле (3.3).
Определить Uвых.сдв. усилителя по формуле (3.15а). Результаты занести в таблицу 5.2.
Таблица 5.2.
R1 | Rос | К – | Uвых.сдв | Rвх | |
| Ðàñ÷åò | |||||
| Эксперимент |
б) Снять зависимости выходного напряжения усилителя от входного, построить амплитудную характеристику усилителя. В качестве Uвх Использовать встроенные источники регулированного постоянного напряжения (U1,U2). Измерить Uвых.сдв. усилителя путем измерения Uвых при Uвых.сдв=0, сравнить с результатами расчетов по формуле (3.15а).
в) Подключить на вход усилителя напряжение, компенсирующее сдвиг нуля (см.рис.3.3.). используя грубую и точную регулировку Uсм установить Uвых=0 с погрешностью 5мВ. Повторно снять амплитудную характеристику усилителя и построить ее на одном графике с АХ, полученной в пункте б). Измерить К –=Uвых/Uвх, сравнить с расчетом по формуле (3.3).
г) Измерить Rвх при помощи внешнего переменного сопротивления, выводы которого выведены на панель лабораторного макета. Измерения проводить по методике, изложенной в приложении 1. Результат измерения сравнить с R1, сделать выводы.
Занести результаты в таблицу 5.2. результаты измерения К –, Uвых.сдв, Rвх.
Примечание: Номиналы сопротивлений R1, R2, Rос могут быть отличны от указанных в пункте а. и заданны преподавателем из имеющегося набора сопротивлений.
-
Исследование неинвертирующего усилителя
а) Набрать на лабораторном макете схему неинвертирующего усилителя (рис.3.4.), обеспечив R1100 кОм, Rос1 Мом, R31 Мом (см. примечание в подразделе 5.1).
Провести измерения R1, Rос как это указанно в подразделе 5.1. Рассчитать К+ по формуле (3.7). Определить Uвых.сдв усилителя по формуле (3.15б). Результаты занести в таблицу 5.3.
Таблица 5.3
R1 | Rос | К+ | Uвых.сдв | Rвх | |
| Расчет | |||||
| Эксперимент |
б) Измерить Uвых.сдв усилителя путем измерения при Uвых при Uвх=0.
Подключить на вход усилителя напряжение, компенсирующее сдвиг нуля (см.рис.3.5). Используя грубую и точную регулировку Uсм установить нулевое входное напряжение с погрешностью менее 5мВ. Снять амплитудную характеристику усилителя, построить ее на одном графике с АХ инвертирующего усилителя. Измерить К+=Uвых/Uвх, сравнить с расчетом по формуле (3.7)
в) Определить Rвх неинвертирующего усилителя по методике изложенной в приложении 1. Сравнить входное сопротивление инвертирующего и неинвертирующего усилителей, сделать выводы. Занести в таблицу 5.3. результаты измерения.
-
Исследование дифференциального усилителя.
а) Включить схему дифференциального усилителя. Измерить Uвых.сдв для чего измерить Uвых при подключенных к общей точке («земле») обоих выходов усилителя.
б) Используя встроенные источники регулируемого напряжения подать на неинвертирующий вход дифференциального усилителя сигнал Uс1=+30…+50 мВ, а на неинвертирующий вход - сигнал Uс2=+50…+100 мВ. Измерить Uвых, сравнить его с результатом расчета по формуле (3.13).
в) Подключить ко входам дифференциального усилителя сигналы Uс1=Uс2=(2…3)В. Измерить Uвых, рассчитать коэффициент ослабления синфазных сигналов усилителем по формуле:
где К+ определяется по формуле (3.11),
Повторить измерения Fs ус при Uс1= – (2…3)В.
Определить Fs ус [дБ]=20 Fs ус
-
Оформление отчета.
Отчет должен содержать:
а) схемы инвертирующего, неинвертирующего и дифференциального усилителей на ОУ;
б) результаты расчетов, измерений, таблицы и графики, требуемые лабораторными заданиями;
в) заключение о соответствии полученных результатов теоретическим данным.
КОНТРОЛЬНЫЕ ВОПРОСЫ
-
Основные параметры ОУ.
-
Инвертирующее включение ОУ.
-
Неинвертирующее включение ОУ.
-
Дифференциальное включение ОУ.
-
Повторители напряжения на ОУ.
-
Схемы установки нуля в инвертирующем и неинвертирующем усилителях.
-
Влияние выходного напряжения сдвига на амплитудную характеристику усилителя.
-
Определение выходного напряжения сдвига усилителей на ОУ.
-
Измерение токов и напряжения смещения ОУ.
-
Методика измерения входного сопротивления усилительных каскадов.
ЛИТЕРАТУРА
1. Îñòàïåíêî Ã.Ñ. Óñèëèòåëüíûå óñòðîéñòâà: Ó÷åá. ïîñîáèå äëÿ âóçîâ. – Ì.: Ðàäèî è ñâÿçü, 1989, ïîäðàçäåëû 7.1, 7.2, 8.2.
2. Ïðîåêòèðîâàíèå óñèëèòåëüíûõ óñòðîéñòâ: Ó÷åá. ïîñîáèå /Åôèìîâ Â.Â., Ïàâëîâ Â.Í., Ñîêîëîâ Þ.Ï. è äð.; ïîä ðåäàêöèåé Í.Â. Òåðïóãîâà. - Ì.: Âûñø. øêîëà, 1982, 3.2.
3. Ôîëêåíáåððè Ë. Ïðèìåíåíèå îïåðàöèîííûõ óñèëèòåëåé è ëèíåéíûõ ÈÑ. - Ì.: Ìèð, 1985, 1.5-1.8, 3.1-3.3.
Приложение 1.
ИЗМЕРЕНИЕ ВХОДНОГО СОПРОТИВЛЕНИЯУСИЛИТЕЛЯ ПРИ ПОМОЩИ ИСТОЧНИКА СТАБИЛЬНОГО СИГНАЛА И ИЗВЕСТНОГО ВНЕШНЕГО СОПРОТИВЛЕНИЯ
Схема для измерения Rвх.ус представлена на рис.П.1., где R - известное внешнее сопротивление, Uс - напряжение входного сигнала.
рис.П.1.
При подаче на вход исследуемого усилителя Uс при R=0 (R - короткозамкнуто) напряжение на выходе усилителя равно:
U1=Uc K0,
где K0 - коэффициент усиления усилителя по напряжению. При включении R0 напряжение на выходе усилителя уменьшается, так как из-за наличия делителя напряжения (R, Rвх.ус) уменьшается напряжение на выходе усилителя пропорционально величине
= Rвх.ус/(R+ Rвх.ус). При этом напряжение на выходе усилителя равно
.
Из выражения для U2 и U1 видно, что
, откуда следует:
Следовательно, зная R и
, можно определить Rвх.ус.















