135742 (722583)
Текст из файла
Содержание
стр.
Введение ……………………………………………………………………………………………………
Гл 1. Анализ функций устройств выдержки времени ………………………
Гл 2. Разработка структурной схемы …………………………………………………..
Гл 4. Разработка принципиальной схемы
4.1) Блоки предустановки значения выдержки………………………………………….
4.2) Блоки отсчета выдержки ………………………………………….………………………..
4.3) Блоки управления………………………………………………………….…………………..
-
Генераторное оборудование ………………………………………………………………
Список литературы …………………………………………………………………………………
Введение
Электронные таймеры предназначены для установки интервалов времени, сигнализации и окончания отсчета, управления технологическими процессами в различных отраслях промышленности и сельского хозяйства. В данной работе был проведен анализ схемотехнических решений электронных таймеров, разработана структурная и принципиальная схемы цифрового таймера. По полученным в результате разработки схемам был построен макет устройства и проведены его испытания, подтвердившие работоспособность схемы.
Пояснительная записка включает введение, пять тематических глав, заключение и список литературы. В каждой из глав рассмотрен отдельный этап разработки.
В главе 1 - “Анализ функций устройств выдержки времени”, - рассматривается принцип действия цифровых и аналоговых устройств выдержки времени(УВВ).
В главе 2, - “Разработка структурной схемы” - по результатам анализа, была разработана структурная схема УВВ с диапазоном выдержек от 1 до 9999 условных интервалов времени.
В главе 3 - “Характеристика применяемой элементной базы”- рассмотрены основные параметры применяемых элементов.
В главе 4 – “Разработка принципиальной схемы” - для каждого блока структурной схемы был рассмотрен вариант реализации на ИМС серии К555, а также расчет конструктивных параметров печатной платы устройства.
В главе 5 – “Расчет источника питания” - приводится расчет сетевого источника питания, включающий расчет стабилизатора напряжения и сетевого трансформатора.
В заключение приводится список литературы содержащий 11 источников.
К расчетно-пояснительной записке прилагается четыре чертежа:
-
“Структурная схема”
-
“Принципиальная схема”
-
“Печатная плата”
-
“Временные диаграммы состояний индикаторов”
Анализ функций устройств выдержки времени.
____________________________________________________________
Если проанализировать схемы различных вариантов устройств выдержки времени (УВВ),то можно сделать вывод, что алгоритм действия устройств во всех случаях одинаковый.
Устройство формирует на выходе функцию, представленную на рис.1. Здесь по оси абсцисс отложено время t, а по оси ординат – функция состояния устройства.
Рис.1
Если не принимать во внимание детали то любое УВВ (в том числе и механическое) можно представить в виде некоторого черного ящика имеющего один вход и один выход. На вход поступает некоторое внешнее воздействие X(t), а на выходе формируется функция S(t).
Рис.
Характер внешнего воздействия зависит от конструкции УВВ и в каждом конкретном случае может быть различным. Что касается выходной функции то она для любой конструкции УВВ имеет одну общую деталь – она принимает только два значения, причем в одном из них она может находиться только в течении строго определенного интервала времени T. Обозначим эти состояния как 0 и 1. Устройство находится в состоянии 0 (пассивное состояние) до тех пор пока на его вход не поступит какое либо внешнее воздействие X(t). После этого оно переходит в состояние 1 (активное состояние). По прошествии времени T устройство возвращается в состояние 0.
В неэлектрических УВВ работающих по такому принципу (например в механическом таймере) активное и пассивное состояния могут проявляться в различных углах поворота управляющих рычагов, воздействующих на исполнительные механизмы. В электрических УВВ функция S(t) как правило, проявляется в изменениях значений напряжения на выходе.
В промышленности первые устройства выдержки времени появились и стали применяться еще в дотранзисторную эпоху как альтернатива механическим. Их преимущества перед последними были очевидны – надежность, многофункциональность, простота и точность. Для формирования функции S(t) был выбран простой (а в то время и единственно приемлемый) принцип. Он заключался в зарядке или разрядке конденсатора определенной емкости через достаточно большое сопротивление.
Для пояснения этого принципа рассмотрим цепь , состоящую из последовательно соединенных конденсатора и резистора (рис. ).
При подаче напряжения Е конденсатор начинает заряжаться. Напряжение на нем возрастает по экспоненциальному закону:
Uc(t)=E(1-exp(-t/pt)) (1)
где Uc(t) – напряжение на конденсаторе в момент времени t, а pt=RC – постоянная времени.
Напряжение на резисторе можно найти по формуле:
Рис. 3
Ur(t)=E-Uc(t) (2)
Как видно из формулы (1), для того чтобы напряжение на конденсаторе достигло определенного уровня Uс1 необходимо некоторое время tв, определяемое по формуле:
tв=R*C*ln(E/(E-Uc1)) (3)
Из формулы (3) видно, что tв зависит от емкости конденсатора С, сопротивления резистора R, напряжения Е и собственно от уровня Uc1. Если сделать один из этих параметров переменным, а остальные жестко стабилизировать, то можно получить устройство выдержки времени с переменным значением интервала Т, причем этот интервал будет однозначно зависеть от переменного параметра.
Чтобы получить из данной схемы практически применимое устройство, достаточно подключить параллельно конденсатору какое либо пороговое устройство с двумя устойчивыми состояниями, которое при достижении напряжением Uс значения Uс1 изменяло бы свое состояние.
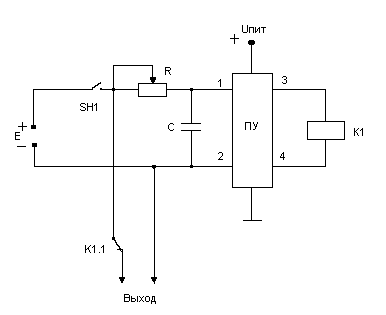
Структурная схема одного из вариантов такого УВВ
приведена на рис.
Д
ля формирования на выходе устройства функции S(t) с двумя устойчивыми состояниями используется ключ SH1 и контакты реле К1.1.
Рассмотрим работу схемы. В исходном состоянии конденсатор С разряжен, ключ SH1 разомкнут, напряжение на выходе равно нулю, движок резистора R устанавливается в определенное, заранее известное положение, соответствующее интервалу времени Т.
Пороговое устройство включает реле К1 в случае если напряжение на выводах 1-2 становится больше некоторого значения Uc1.
При замыкании ключа SH1 (внешнее воздействие) на выходе устройства появляется напряжение Uвых=Е. С этого момента начинает заряжаться конденсатор С – начинается формирование интервала Т. По прошествии времени Т напряжение на конденсаторе достигнет уровня Uс1 и пороговое устройство включит реле К1. Своими контактами К1.1 оно разомкнет выходную цепь и напряжение на выходе снова станет равным нулю (Uвых=0). В данном случае напряжения 0 и Е соответствуют пассивному и активному состоянию.
В качестве порогового устройства можно использовать какую либо ключевую схему. Конкретный вариант этой схемы выбирают исходя из условия получения максимально возможного входного сопротивления, чтобы исключить его влияние на процесс зарядки конденсатора. Во времена господства ламповой техники в качестве порогового устройства использовались тиратроны или газовые стабилитроны, а с развитием полупроводниковой электроники стали применять транзисторные ключи на полевых транзисторах.
Напряжение с выхода устройства можно подать на какую либо нагрузку, например на лампу фотоувеличителя.
При всей очевидной простоте такого УВВ оно имеет ряд недостатков, которые стали особенно сильно проявляться при ужесточении требований к точности задания и воспроизведения интервала Т. Как видно из схемы для задания значения Т используется способ поворота движка переменного резистора на определенный угол F. При этом погрешность установки порядка одного градуса на однооборотном переменном резисторе практически не заметна. Но в тоже время такая погрешность, особенно в высокоомных резисторах, соответствует погрешности установки сопротивления в несколько килоом. При длительных выдержках времени (порядка нескольких часов) это приведет к погрешности порядка одной минуты. К тому же очень трудно будет вновь установить эту же выдержку еще раз, если движок резистора по каким либо причинам окажется в другом положении.
Другой причиной неточности является конденсатор, параметры которого (особенно у электролитического) нестабильны во времени. Эта нестабильность может привести к тому что разница между интервалами выдержек в 1 час при первом и втором запуске УВВ составит порядка 2-3 мин (данные для электролитического конденсатора).
Наконец, изменение напряжения питания также приводит к изменению длительности выдержки.
Для снижения влияния этих причин приходилось использовать прецизионные переменные резисторы, удорожавшие в несколько раз все устройство, применять специальные средства стабилизации напряжения питания и т.п.
С развитием цифровой техники, и в частности с появлением быстродействующих цифровых счетчиков, появилась возможность существенно улучшить параметры УВВ путем пересмотра самого принципа работы. Согласно новому принципу построения УВВ в качестве интервала Т берется не время зарядки конденсатора а время нескольких его перезарядок. Преимущества такого УВВ очевидны – резистор можно сделать постоянным и следовательно недорогим, а в качестве конденсатора применить неэлектролитический, малой емкости. Недостаток УВВ подобной конструкции – дискретная сетка выдержек времени – легко устраняется путем снижения времени одной перезарядки до значения порядка 10е-3 с и ниже (частота перезарядок >1 КГц). В качестве устройства, которое автоматически производит перезарядку конденсатора вполне естественно использовать RC-генератор. Структурная схема такого УВВ приведена на рис.
Рис.
Импульсы с генератора, период которых соответствует времени одной перезарядки конденсатора, поступают на вход цифрового счетчика импульсов. С выхода счетчика число поступивших импульсов в двоичном коде подается на устройство контроля (УК). Как только число импульсов достигнет заданного значения, УК посылает сигнал на исполнительное устройство ИУ, которое производит какое либо действие. В реальных УВВ подобного типа устройство контроля, помимо этого может осуществлять блокировку счетчика, остановку генератора, включение сигнализации и т.п.
Еще одно преимущество подобных УВВ состоит в том, что для повышения точности выдержки времени можно вообще отказаться от использования в генераторе времязадающей RC-цепи и применить вместо нее более стабильные элементы, например кварцевые резонаторы.
Разработка структурной схемы
_______________________________________________________________
Структурная схема устройства приведена на рис.
Рис.
На схеме введены следующие обозначения:
Клав. – Клавиатура;
К – Кодер клавиатуры;
РЗ – Регистр-защелка;
СВВ – Счетчик выдержки времени;
ПК – Преобразователь кода;
Инд-р. – Семисегментный индикатор;
ДН – Детектор нажатий;
СН – Счетчик нажатий;
ДПЗ – Дешифратор позиций загрузки;
СО – Схема обнуления;
СУ – Схема управления;
БУИУ – Блок управления исполнительным устройством;
ИУ – Исполнительное устройство;
ТГ – Тактовый генератор;
ДЧ – Делитель частоты;
СБ – Схема блокировки;
СУ – Сигнальное устройство.
Рассмотрим работу устройства при начальном вводе значения выдержки. Для ввода выдержки используются клавиши 0…9 клавиатуры. При нажатии на клавишу сигнал от нее поступает на кодер клавиатуры (КК), который преобразует номер клавиши в инверсный двоичный код. С кодера клавиатуры этот номер поступает на вход регистра–защелки (РЗ). Он предназначен для фиксации номера нажатой клавиши на время, необходимое для записи в счетчик выдержки времени (СВВ), а также для исключения влияния “дребезга контактов” клавиатуры на работу устройства.
Регистр-защелка фиксирует предварительно установленные на его входах значения по команде со схемы управления (СУ). Число записей в секунду зависит от частоты тактового генератора. Оптимальное его значение составляет 10-20. Сигнал с РЗ инвертируется и поступает на входы параллельной загрузки СВВ, а также на вход детектора нажатий (ДН).
Детектор представляет собой элемент И с четырьмя входами. Если не нажата ни одна клавиша, то на выходе КК установлен код 0000. Этот код записывается в РЗ, инвертируется и поступает на ДН в виде 1111. В результате на выходе ДН устанавливается логическая единица. При нажатии на какую либо клавишу на выходе кодера клавиатуры установится значение, в котором будут присутствовать и нули и единицы. Это исключает возможность появления на входе ДН четырех единиц, и, следовательно, на выходе ДН при любой нажатой клавише установится логический ноль. Такой способ распознавания нажатых клавиш позволил упростить КК, отказавшись от специальной шины индикации нажатий, и позволил применить РЗ на 4 бита.
С выхода детектора нажатий сигнал поступает на счетчик нажатий (СН) и дешифратор позиций записи (ДПЗ). Счетчик нажатий имеет три разряда. Два из них используются непосредственно для подсчета нажатий, а третий – для блокировки схемы управления после ввода всех цифр. Счетчик переключается из одного состояния в другое только после отпускания клавиши. Это позволяет более рационально использовать его разряды благодаря присвоению первому нажатию номера 00.
Со счетчика нажатий число нажатых клавиш передается в двоичном коде на дешифратор ДПЗ. Он преобразует это число в десятичное и, по сигналу от схемы управления, подает разрешающий сигнал на соответствующий сегмент СВВ. Разрешающий сигнал подается на один из двух стробирующих входов ДПЗ. На второй стробирующий вход подается сигнал с выхода ДН. Это необходимо чтобы при ненажатых клавишах запретить загрузку в СВВ значения 1111.
Записанный в сегмент СВВ двоично-десятичный номер нажатой клавиши поступает на дешифратор, который преобразует его в код семисегментного индикатора. Этот код подается на полупроводниковый индикатор, который высвечивает соответствующее число.
После отпускания клавиши на вход детектора нажатий поступает код 1111, на его выходе соответственно происходит перепад 0 – 1 и счетчик нажатий переводится в следующее состояние. После 4-го отпускания клавиши логическая единица устанавливается в третьем разряде СН. С этого разряда она подается на схему управления, блокируя ее работу и запрещая дальнейшую загрузку значений в СВВ, а также на блок управления исполнительными устройствами (БУИУ), разрешая запуск исполнительных устройств. Цикл ввода на этом заканчивается. При желании можно повторить ввод. Для этого на клавиатуре нажимают клавишу «Сброс». Сигнал от этой клавиши подается на схему обнуления, которая вырабатывает сигнал обнуления для РЗ, СВВ и СН, переводя их в исходные состояния.
Характеристики
Тип файла документ
Документы такого типа открываются такими программами, как Microsoft Office Word на компьютерах Windows, Apple Pages на компьютерах Mac, Open Office - бесплатная альтернатива на различных платформах, в том числе Linux. Наиболее простым и современным решением будут Google документы, так как открываются онлайн без скачивания прямо в браузере на любой платформе. Существуют российские качественные аналоги, например от Яндекса.
Будьте внимательны на мобильных устройствах, так как там используются упрощённый функционал даже в официальном приложении от Microsoft, поэтому для просмотра скачивайте PDF-версию. А если нужно редактировать файл, то используйте оригинальный файл.
Файлы такого типа обычно разбиты на страницы, а текст может быть форматированным (жирный, курсив, выбор шрифта, таблицы и т.п.), а также в него можно добавлять изображения. Формат идеально подходит для рефератов, докладов и РПЗ курсовых проектов, которые необходимо распечатать. Кстати перед печатью также сохраняйте файл в PDF, так как принтер может начудить со шрифтами.















