135742 (722583), страница 4
Текст из файла (страница 4)
- среднечастотные (1—30 МГц);
- высокочастотные (выше 30 МГц).
4. Элементной базе и способам конструирования:
- на дискретных элементах;
- гибридные с резонатором;
- гибридные с пьезоэлементом;
- интегральные с пьезоэлементом;
- интегральные на пьезоэлементе
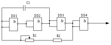
Поскольку конструирование кварцевых генераторов сложно и дорого, в макете таймера был использован простой RC генератор на логических элементах микросхемы К555ЛА3.
Принципиальная схема этого генератора приведена на рис.
Сам генератор собран на элементах DD1-DD3. Он представляет собой обычный несимметричный мультивибратор. Частота выходных импульсов зависит от значений элементов C1, R1, R2 и вычисляется по формуле
F = 1/(3*(R1+R2)*C1)
Элемент DD4 используется в качестве буфера. Он предотвращает влияние нагрузки генератора на частоту.
2) Делитель частоты.
Делитель частоты предназначен для получения длительностей импульсов большей, чем длительность импульсов, вырабатываемых генератором. Он позволяет применять генераторы импульсов высокой частоты и тем самым значительно упрощает построение последних. К тому же применение делителя позволяет повысить точность воспроизведения заданного временного интервала, т.к. относительная погрешность установим частоты тактового генератора делится на коэффициент деления делителя К, т.е. уменьшается в К раз. Как было сказано в предыдущей главе, при построении макета использовался простейший тактовый генератор на частоту порядка 10Гц. Это позволило также упростить и делитель частоты применив в нем всего одну микросхему – двоично–десятичный счетчик К555ИЕ6.
Принципиальная схема делителя представлена на рис.
Рис.
На вход “+1” микросхемы подаются импульсы с тактового генератора. Выход “8” подключается ко входу СВВ и БУПУ. Такая схема делителя позволила полностью исключить схему блокировки. Ее роль исполняет сам делитель. Как было сказано ранее, если на вход R подать логическую единицу то на выходах 1–2–4–8 микросхемы установится логический ноль независимо от состояний остальных входов. Это означает, что микросхема блокируется и не реагирует на импульсы, поступающие на вход “+1”, т.е. не пропускает их.
В реальных таймерах делитель частоты строится, как правило на коэффициент деления К = 105…107 . В сочетании с высокостабильным кварцевым генератором это позволяет получить очень точное значение выдержек. Например в электронных частотомерах интервал счета в 1 секунду получают путем деления частоты кварцевого генератора 5 МГц на 5000000.
3) Устройство сигнализации.
Устройство сигнализации представляет собой простейший генератор прямоугольных импульсов, к выходу которого подключен микротелефонный капсюль. Схема показана на рис.
Рис.
Сам генератор собран на элементах DD1, DD2. Для управления подачей звуковых сигнала используется один из входов элемента DD1. Включение генератора осуществляется подачей на этот вход логической единицы. Элемент DD3 служит в качестве буферного. Он предотвращает влияние сопротивления капсюля на частоту генерации. Конденсатор С3 предотвращает протекание постоянного тока через капсюль при отсутствии генерации. Его емкость выбирается в пределах 0,01 – 0,1 мкФ, в зависимости от требуемой громкости и тональности звучания. Резистор R1 выводит элемент DD1 в линейный усилительный режим. Его значение для элементов ТТЛШ рекомендовано 220 Ом конденсатор С1 создает положительную обратную связь, необходимую для самовозбуждения схемы. Частота автогенерации, как сказано выше, равняется
F=1/(3*R1*C1)
При емкости конденсатора С1=1мкФ и сопротивлением R=220Ом частота генерации равняется
F=1/(3*220*10-6)=1500Гц
Список литературы
___________________________________________________
-
В.Л. Шило «Популярные цифровые микросхемы» М. 1989 г
-
Н. Н. Васерин «Применение полупроводниковых индикаторов» М. 1991 г.
-
Ю. И. Степанов «Справочник по ЕСКД» К. 1975 г.
-
А. Уильямс «Применение интегральных схем» М. 1987 г.
-
С. А. Бирюков «Цифровые устройства на интегральных микросхемах» М. 1991 г.















