microprocessor (722549)
Текст из файла
МИНИСТЕРСТВО ВНУТРЕННИХ ДЕЛ
РОССИЙСКОЙ ФЕДЕРАЦИИ
ВОРОНЕЖСКИЙ ИНСТИТУТ
КОНТРОЛЬНАЯ РАБОТА № 1
по предмету “Цифровые устройства и микропроцессоры”
Вариант 8
Выполнил: слушатель 31 учебной группы
радиотехнического факультета з/о
Оларь Андрей Геннадьевич
шифр 00/72
347800 Ростовская область г. Каменск
ул. Героев-Пионеров д. 71 кв. 72
Проверил:
“_____” _______________ 200__ г.
ВОРОНЕЖ 2002 г.
Задания
стр.
-
Расставить числа в порядке возрастания и объяснить свой выбор (8910, 2Е16, 578, 1110112) - 4
-
Выполнить арифметические операции над двоичными числами, используя обратный код: а) 10111012-1101112; b)10101112-11100112 - 4
-
Упростить выражение, применив правила де Моргана и основные тождества алгебры логики: а)
, b)
- 4 -
П
о таблице работы логического устройства записать СКНФ: - 5
-
получить минимальную нормальную форму (мкнф) с помощью метода Квайна;
-
построить логическую схему устройства в базисе ИЛИ-НЕ;
-
провести анализ работы полученной схемы при х1=1, х2=0, х3=0.
-
Нарисовать символическое изображение и таблицу работы синхронного RS-триггера. В какое состояние перейдёт триггер, если на его входы последовательно подавать сигналы: - 6
-
Построить схему регистра D-триггеров для записи числа 1010, начиная с цифры младшего разряда. Составить таблицу состояний его триггеров, показывающую запись отдельных цифр - 7
-
Частота следования импульсов на выходе второго триггера счётчика – 256 кГц. Сколько триггеров должен иметь счётчик, чтобы на его выходе получить импульс с частотой 32 кГц, 4 кГц - 7
-
Построить схему суммирующего счётчика Т-триггеров ёмкостью 28 - 8
-
Разработать логическую схему таймера с прямым отсчётом времени и выдачей звукового сигнала. Частота генератора – 1700 герц. Предусмотреть кнопки пуска, остановки и сброса. Указание: для сравнения заданного времени, следует использовать микросхему сравнения (типа К531СП1) - 8
-
Найти по справочнику микросхему К555ИР9. Нарисовать её условное изображение и выписать параметры (с учётом обозначения): - 11
а) типоразмер и изображение корпуса; б) напряжение питания и выводы, на которые оно подаётся; в) напряжения логических нуля и единицы; г) ток потребления (потребляемая мощность); д)диапазон рабочих частот; е) интервал рабочих температур; ж)время задержки включения (выключения); з) коэффициент объединения по входу; и) коэффициент разветвления по входу.
-
Что означают сокращения: ТТЛ, ДТЛ, n-МОП? Указать их основные отличительные характеристики - 12
-
Назначение и основные функции микропроцессора? - 13
-
Используя команды типового МП К1804, составить программу в машинных кодах: - 14
-
выполнить загрузку числа 12 в ячейку Q , а 9 в РОН с адресом 3;
-
из первого числа вычесть число 8 из шины данных, результат разместить в РОН с адресом первого числа;
-
третье число сдвинуть на один разряд вправо и сложить с суммой первых двух чисел. Результат разместить в РОН с адресом 9.
-
Использованная литература - 14
-
Расставить числа в порядке возрастания и объяснить свой выбор:
(8910, 2Е16, 578, 1110112)
Переведём данные числа в десятичную систему исчисления, кроме 8910, так как это число уже является десятичным.
-
2Е16 - так как 2Е16=2*16+14=4610;
-
578 - так как 578=5*8+7=4710;
-
1110112 - так как 1110112=32+16+8+2=5910;
-
8910
46<47<59<89
-
Выполнить арифметические операции над двоичными числами, используя обратный код:
а) 10111012-1101112; b) 10101112-11100112
-
10111012-1101112=1001102 _ 1011101
110111
+01011101
11001001
00100110
100110
-
10101112-11100112=-11011 _ 1010111
1110011
+ 01010111
10001101
11100100
- 11011
-
Упростить выражение, применив правила де Моргана и основные тождества алгебры логики:
-
П
о таблице работы логического устройства записать СКНФ:
-
получить минимальную нормальную форму (мкнф) с помощью метода Квайна;
-
построить логическую схему устройства в базисе ИЛИ-НЕ;
-
провести анализ работы полученной схемы при х1=1, х2=0, х3=0.
Для данной функции СКНФ будет иметь вид:
-
получим МКНФ данной функции с помощью метода Квайна:
Сравним попарно все члены функции: 1 и 2 члены не имеют общих импликант; 1 и 3 члены
; 3 и 5 члены
; 4 и 5 члены
.
Составим таблицу:
Из таблицы видно, что МКНФ данной функции будет иметь вид:
-
построить логическую схему устройства в базисе ИЛИ-НЕ;
Л
огическая схема данного устройства в базисе ИЛИ-НЕ:
-
провести анализ работы полученной схемы при х1=1, х2=0, х3=0.
Данное устройство состоит из элементов ИЛИ-НЕ, а на его входе присутствует лог «1» (х1=1), то на его выходе тоже будет лог «1», так как для данных логических элементов активным логическим сигналом является «1», следовательно, у(1,0,0) = 1.
-
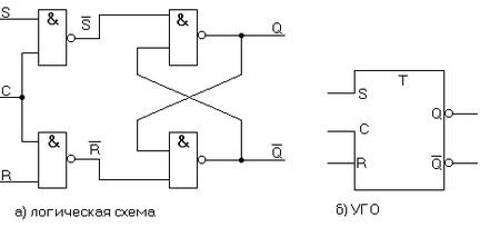
Нарисовать символическое изображение и таблицу работы синхронного RS-триггера. В какое состояние перейдёт триггер, если на его входы последовательно подавать сигналы:
Символическое изображение RS-триггера с инверсными входами:
Таблица работы синхронного RS-триггера:
| Таблица-1 | Таблица-2 | |||||||||
| S | R | C | Q | Режим работы | Входы | Выходы | ||||
| Н | Н | / | Инверсия | C | S | R | Q | |||
| L | Н | / | Н | Запись Н | 0 | 0 | 0 | Q | ||
| Н | L | / | L | Запись L | 0 | 1 | 0 | Q | ||
| L | L | / | Q* | Предшествующее состояние | 0 | 0 | 1 | Q | ||
| 0 | 1 | 1 | Q | |||||||
| 1 | 0 | 0 | Q | |||||||
| 1 | 1 | 0 | 1 | 0 | ||||||
| 1 | 0 | 1 | 0 | 1 | ||||||
| 1 | 1 | 1 | * | * | ||||||
Как видно из таблицы № 2, состояние сигналов на входах S=R=C=1 недопустимо, что обозначено «*» (это является основным недостатком RS-триггеров).
-
Построить схему регистра D-триггеров для записи числа 1010, начиная с цифры младшего разряда. Составить таблицу состояний его триггеров, показывающую запись отдельных цифр
Для записи 4-х разрядного числа, начиная с цифры младшего разряда, целесообразно применить не отдельные D-триггеры (К555ТМ2, ТМ7, ТМ8, ТМ9), а сдвигающий регистр К555ИР11А (смотреть рисунок). Биты 4-х разрядного числа надо подавать на вход D и сдвигать импульсами с входа L.
| Десятичная запись | 10 | 5 | 2 | 1 |
| Двоичная запись | 1010 | 101 | 10 | 1 |
-
Частота следования импульсов на выходе второго триггера счётчика – 256 кГц. Сколько триггеров должен иметь счётчик, чтобы на его выходе получить импульс с частотой 32 кГц, 4 кГц
Каждый триггер счётчика уменьшает частоту в два раза, следовательно, частота на входе счётчика – 210=1024 кГц.
Составим таблицу падения частоты на триггерах счётчика:
| Частота, кГц | |
| Вход счётчика | 1024 |
| Выход 1-го триггера | 512 |
| Выход 2-го триггера | 256 |
| Выход 3-го триггера | 128 |
| Выход 4-го триггера | 64 |
| Выход 5-го триггера | 32 |
| Выход 6-го триггера | 16 |
| Выход 7-го триггера | 8 |
| Выход 8-го триггера | 4 |
| Выход 9-го триггера | 2 |
| Выход 10-го триггера | 1 |
Из чего следует, что для получения на выходе счётчика импульса с частотой 32 кГц, счётчик должен состоять из 5-ти триггеров. А для получения, на выходе счётчика, импульса с частотой 4 кГц, счётчик должен состоять из 8-ми триггеров.
-
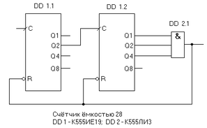
Частота следования импульсов на выходе второго триггера счётчика – 256 кГц. Сколько триггеров должен иметь счётчик, чтобы на его выходе получить импульс с частотой 32 кГц, 4 кГц
Т – триггеры, в отличие от D и JK – триггеров, выпускаются в интегральной форме не в виде отдельных микросхем, а виде двоичных счётчиков, например: К555ИЕ19 – два 4-х разрядных двоичных счётчика. Ёмкость счётчика 28=4*7. При этом 710=1112.
Ниже приведена схема счётчика:
-
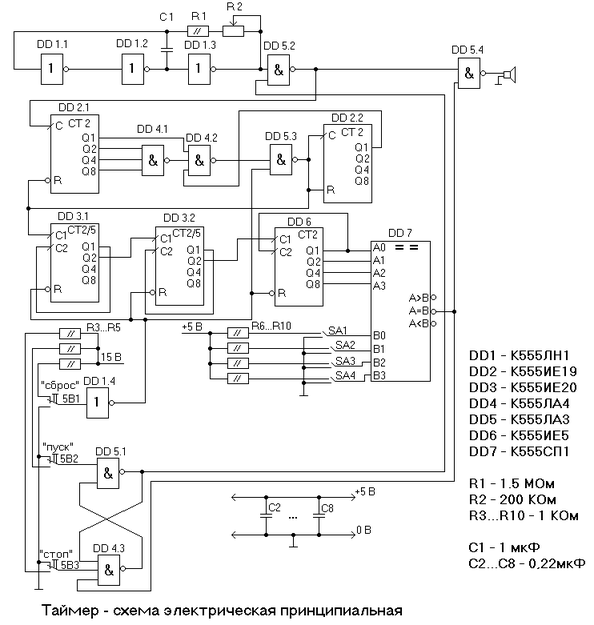
Разработать логическую схему таймера с прямым отсчётом времени и выдачей звукового сигнала. Частота генератора – 1700 герц. Предусмотреть кнопки пуска, остановки и сброса.
Указание: для сравнения заданного времени, следует использовать микросхему сравнения (типа К531СП1)
Частота 1,7 кГц является не стандартной частотой (в большинстве случаев применяются генераторы с кварцевым резонатором частоты, например: 100 кГц, либо с синхронизацией от сети 50 Гц). Если таймер должен отсчитывать время в секундах (в задании это не оговорено), то входную последовательность импульсов необходимо разделить на 1700=17*10*10, что легко может быть реализовано с применением микросхем К555ИЕ19 и К555ИЕ20.
Микросхема К555СП1 позволяет сравнивать без приращения разрядности 4-х разрядные двоичные коды. Так как в задании не оговорен предел измерений таймера, то мы можем ограничиться пределом 16 секунд.
Функциональная и принципиальная схемы таймера представлены ниже:
-
Найти по справочнику микросхему К555ИР9. Нарисовать её условное изображение и выписать параметры (с учётом обозначения):
а) типоразмер и изображение корпуса; б) напряжение питания и выводы, на которые оно подаётся; в) напряжения логических нуля и единицы; г) ток потребления (потребляемая мощность); д)диапазон рабочих частот; е) интервал рабочих температур; ж)время задержки включения (выключения); з) коэффициент объединения по входу; и) коэффициент разветвления по входу.
Условное изображение ИМС К555ИР9:
Корпус 2103-16.2 (старое обозначение 238.16-1):
-
шаг выводов 2,5 мм (изображение корпуса приведено на рисунке ниже);
-
напряжение питания 55% В на 16 вывод, 0 В на 8 вывод;
-
L – не более 0,4 В; Н – не менее 2,5 В, не более 5,5 В;
-
ток потребления не более 3 мА;
-
диапазон рабочих частот не более 25 МГц;
-
интервал рабочих температур от 100С до 700С;
-
время задержки включения/выключения 20 нс (Сн=15 пФ);
-
коэффициент объединения по входу – 1;
-
коэффициент разветвления по входу – 10.
-
Что означают сокращения: ТТЛ, ДТЛ, n-МОП? Указать их основные отличительные характеристики.
ТТЛ – транзисторно-транзисторная логика, ДТЛ – диодно-транзисторная логика, n-МОП – логика на униполярных транзисторах с n-каналом. Все эти сокращения обозначают тип схемотехники и конструкции цифровых микросхем.
В настоящее время ДТЛ не применяется, ТТЛ вытеснены совместимыми с ними по уровням питания и сигналов сериями ТТЛШ (ТТЛ с диодами и транзисторами Шоттки (К555, К1531 и т.д.)), а n-МОП логика вытеснена КМОП (К564, К1564, К1554).
Основными параметрами, которые позволяют производить сравнение базовых ЛЭ различных серий, являются:
-
напряжение источника питания – определяется величиной напряжения и величиной его изменения. ТТЛ – рассчитаны на напряжение источника питания равное 5 В 5%. Большая часть микросхем на КНОП структурах устойчиво работает при напряжении питания от 3 до 15 В, некоторые – при напряжении 9 В 10%;
-
уровень напряжения логического нуля и логической единицы – это уровни напряжения, при которых гарантируется устойчивое различение логических сигналов, как нуля, так и единицы. Различают пороговое напряжение логического нуля (U0пор) и логической единицы (U1пор). Напряжение низкого и высокого уровня на выходе микросхем ТТЛ U0пор<2,4 В; U1пор>0,4 В. Для микросхем на КНОП структурах U0пор<0,3*Uпит; U1пор>0,7*Uпит. В тоже время отклонение выходных напряжений от нулевого значения и напряжения питания, достигают всего нескольких милливольт;
-
нагрузочная способность – характеризуется количеством элементов той же серии, которые можно подключить к выходу элемента без дополнительных устройств согласования и называется коэффициентом разветвления по выходу. Для большинства логических элементов серии ТТЛ составляет 10, а для серии КМОП – до 100;
-
помехоустойчивость – характеризуется уровнем логического сигнала помехи, которая не вызывает изменения логических уровней сигнала на выходе элемента. Для элементов ТТЛ статическая помехоустойчивость составляет не менее 0,4 В, а для серии КНОП – не менее 30% напряжения питания;
-
быстродействие – определяется скорость переключения логического элемента при поступлении на его вход прямоугольного управляющего сигнала требуемой величины. Предельная рабочая частота микросхем серии ТТЛ составляет 10 МГц, а микросхем на КНОП структурах – лишь 1 МГц. Быстродействие определяется так же, как и среднее время задержки распространения сигнала:
, где
и
- времена задержки распространения сигнала при включении и выключении. Для микросхем ТТЛ
составляет около 20 нс, а для микросхем на КНОП структурах – 200 нс; -
потребляемая микросхемой от источника питания мощность – зависит от режима работы (статистический и динамический). Статистическая средняя мощность потребления базовых элементов ТТЛ составляет несколько десятков милливатт, а у элементов на КНОП структурах она более чем в тысячу раз меньше. Следует учитывать, что в динамическом режиме, мощность, потребляемая логическими элементами, возрастает;
-
надёжность – характеризуется интенсивностью частоты отказов. Средняя частота отказов микросхем со средним со средним уровнем интеграции составляет:
1/час.
Для согласования уровня сигналов ТТЛ и КНОП применяют специальные ИМС (например, К564ПУ4).
-
Назначение и основные функции микропроцессора?
Процессор предназначен для выполнения арифметической и логической обработки информации. Арифметические и логические операции можно выполнять как на дискретных элементах и на основе микросхем малой и средней степени интеграции, что приводит к росту размеров процессора, так и на БИС. В последнем случае говорят о микропроцессоре (МП).
К функциям микропроцессора можно отнести:
-
выбор из программной памяти ЭВМ команд, дешифрация и выполнение их;
-
организация обращения к памяти и устройствам ввода-вывода;
-
выполнение запросов на прерывание;
-
подача сигналов ожидания для синхронизации работы с медленно действующими устройствами памяти и ввода-вывода информации;
-
подача сигналов прямого доступа к памяти и другие сигналы;
-
формирование сигналов управления для обращения к периферийным устройствам.
Работа МП организуется по командам, записанным в памяти и поступающим в МП в порядке возрастания номеров ячеек, в которые они записаны.
-
Используя команды типового МП К1804, составить программу в машинных кодах:
-
выполнить загрузку числа 12 в ячейку Q , а 9 в РОН с адресом 3;
-
из первого числа вычесть число 8 из шины данных, результат разместить в РОН с адресом первого числа;
-
третье число сдвинуть на один разряд вправо и сложить с суммой первых двух чисел. Результат разместить в РОН с адресом 9.
Программа в машинных кодах
| М2 | Т8 | Т7 | Т6 | М1 | Т2 | Т1 | Т0 | С | Т5 | Т4 | Т3 | А3 | А2 | А1 | А0 | В3 | В2 | В1 | В0 | D3 | D2 | D1 | D0 | |
| а | 0 | 0 | 0 | 1 | 1 | 1 | 0 | 0 | 0 | 1 | 1 | 0 | 0 | |||||||||||
| 0 | 1 | 1 | 1 | 1 | 1 | 0 | 0 | 0 | 0 | 0 | 1 | 1 | 1 | 0 | 0 | 1 | ||||||||
| б | 1 | 0 | 0 | 1 | 1 | 0 | 1 | 0 | 0 | 1 | 0 | 0 | 0 | 1 | 1 | 1 | 0 | 0 | 1 | 0 | 0 | 0 | ||
| в | 0 | 0 | 0 | 1 | 1 | 0 | 0 | 0 | 0 | 1 | 1 | 1 | 0 | 0 | ||||||||||
| 0 | 0 | 0 | 0 | 0 | 0 | 0 | 0 | 0 | 0 | 1 | 1 | 0 | 0 | |||||||||||
| 0 | 1 | 1 | 0 | 0 | 0 | 0 | 0 | 0 | 0 | 0 | 0 | 1 | 1 | 1 | 0 | 0 | 1 |
-
Использованная литература
-
«Цифровые интегральные микросхемы устройств охранно-пожарной сигнализации», В. Болгов - Воронеж 1997 г.
-
«Основы микропроцессорной техники», В. Болгов, С. Скрыль, С Алексеенко – Воронеж 1997 г.
-
«Цифровые устройства и микропроцессоры», учебно-методическое пособие, Болгов В.В. – Воронеж 1998 г.
15
47>2>0>
Характеристики
Тип файла документ
Документы такого типа открываются такими программами, как Microsoft Office Word на компьютерах Windows, Apple Pages на компьютерах Mac, Open Office - бесплатная альтернатива на различных платформах, в том числе Linux. Наиболее простым и современным решением будут Google документы, так как открываются онлайн без скачивания прямо в браузере на любой платформе. Существуют российские качественные аналоги, например от Яндекса.
Будьте внимательны на мобильных устройствах, так как там используются упрощённый функционал даже в официальном приложении от Microsoft, поэтому для просмотра скачивайте PDF-версию. А если нужно редактировать файл, то используйте оригинальный файл.
Файлы такого типа обычно разбиты на страницы, а текст может быть форматированным (жирный, курсив, выбор шрифта, таблицы и т.п.), а также в него можно добавлять изображения. Формат идеально подходит для рефератов, докладов и РПЗ курсовых проектов, которые необходимо распечатать. Кстати перед печатью также сохраняйте файл в PDF, так как принтер может начудить со шрифтами.
о таблице работы логического устройства записать СКНФ: - 5















