galimov (722518), страница 2
Текст из файла (страница 2)
Рисунок 3.3.5 Схема Джиакалетто.
Найдем при помощи постоянной времени цепи обратной связи сопротивление базового перехода по формуле:
При чём
и
доложны быть измерены при одном напряжении Uкэ. А так как справочные данные приведены при разных напряжниях, необходимо воспользоваться формулой, которая позволяет вычислить
при любом значении напряжения Uкэ:
в нашем случае:
Подставим полученное значение в формулу (3.3.9):
Используя формулу (3.3.10), найдем значение коллекторной емкости в рабочей точке :
Найдем значения остальных элементов схемы:
где
– сопротивление эмиттеного перехода транзистора. Тогда:
Выходное сопротивление транзистора:
Б) Расчёт однонаправленной модели на ВЧ:
Схема однонаправленной модели на ВЧ представлена на рисунке 3.3.6. Описание этой модели можно найти в журнале [4].
Рисунок 3.3.6 Схема однонаправленной модели на ВЧ
Параметры эквивалентной схемы рассчитываются по приведённым ниже формулам.
Входная индуктивность:
где
–индуктивности выводов базы и эмиттера, которые берутся из справочных данных.
Входное сопротивление:
Выходное сопротивление имеет такое же значение, как и в схеме Джиакалетто:
Выходная ёмкость- это значение ёмкости
вычисленное в рабочей точке:
3.3.4 Расчёт цепей термостабилизации
При расчёте цепей термостабилизации нужно для начала выбрать вариант схемы. Существует несколько вариантов схем термостабилизации: пассивная коллекторная, активная коллекторная и эмиттерная. Их использование зависит от мощности каскада и от того, насколько жёсткие требования к термостабильности. В данной работе рассмотрены две схемы: эмиттерная и активная коллекторная стабилизации.
3.3.4.1 Эмиттерная термостабилизация
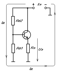
Эмиттерная стабилизация применяется в основном в маломощных каскадах, и получила наиболее широкое распространение. Схема эмиттерной термостабилизации приведена на рисунке 3.3.7. Произведём упрощённый расчёт этой схемы [2].
Рисунок 3.3.7 Принципиальная схема эмитерной термостабилизации
Расчёт производится по следующей схеме:
1.Выбираются напряжение эмиттера
и ток делителя
(см. рис. 3.4), а также напряжение питания
;
Напряжение эмиттера
выбирается равным порядка
. Ток делителя
выбирается равным
, где
- базовый ток транзистора и вычисляется по формуле:
Тогда:
Учитывая то, что в коллекторной цепи отсутствует резистор, то напряжение питания рассчитывается по формуле:
(В) ; (3.3.20)
Расчёт величин резисторов производится по следующим формулам:
Данная методика расчёта не учитывает напрямую заданный диапазон температур окружающей среды, однако, в диапазоне температур от 0 до 50 градусов для расчитанной подобным образом схемы, результирующий уход тока покоя транзистора, как правило, не превышает (10-15)%, то есть схема имеет вполне приемлимую стабилизацию [2].
3.3.4.2 Активная коллекторная термостабилизация
Активная коллекторная термостабилизация используется в мощных каскадах и является достаточно эффективной, её схема представлена на рисунке 3.3.
Рисунок 3.3.8 Схема активной коллекторной термостабилизации.
В качестве VT1 возьмём КТ814А. Выбираем падение напряжения на резисторе
из условия
(пусть
В), тогда
. Затем производим расчёт по формулам [6]:
где
– статический коэффициент передачи тока в схеме с ОБ транзистора КТ814;
Получаем следующие значения:
Величина индуктивности дросселя выбирается таким образом, чтобы переменная составляющая тока не заземлялась через источник питания, а величина блокировочной ёмкости – таким образом, чтобы коллектор транзистора VT1 по переменному току был заземлён.
Как было сказано выше, эмиттерную термостабилизацию в мощных каскадах применять “невыгодно” так как на резисторе, включённом в цепь эмиттера, расходуется большая мощность, поэтому в нашем случае необходимо выбрать активную коллекторную стабилизацию.
3.3.5 Расчёт корректирующих цепей
3.3.5.1 Расчёт выходной корректирующей цепи
Расчёт всех КЦ производится в соответствии с методикой описанной в [5]. Схема выходной корректирующей цепи представлена на рисунке 3.3.9.
Рисунок 3.3.9 Схема выходной корректирующей цепи
Найдём
– выходное сопротивление транзистора нормированное относительно
и
:
Теперь, по таблице приведённой в [4], найдём ближайшее к рассчитанному значение
и выберем соответствующие ему нормированные величины элементов КЦ:
и
, а также
–коэффициент, определяющий величину ощущаемого сопротивления нагрузки
и модуль коэффициента отражения
.
Найдём истинные значения элементов по формулам:
3.3.5.2 Расчёт межкаскадной КЦ
В данном усилителе имеются две МКЦ: между выходным и предоконечным каскадами и между предоконечным и входным каскадами. Это корректирующие цепи третьеого порядка. Цепь такого вида обеспечивает реализацию усилительного каскада с равномерной АЧХ и частотными искажениями лежащих в пределах допустимых отклонений [5].
Расчёт межкаскадной корректирующей цепи, находящейся между выходным и предоконечными каскадами:
Принципиальная схема МКЦ представлена на рисунке 3.3.10
Рисунок 3.3.10. Межкаскадная корректирующая цепь третьего порядка
При расчёте используются однонаправленные модели на ВЧ выходного и предоконечного транзисторов. Возникает задача: выбор предоконечного транзистора. Обычно его выбирают ориентировочно, и если полученные результаты будут удовлетворять его оставляют.
Д
ля нашего случая возьмём транзистор КТ930А, который имеет следующие эквивалентные параметры [3]:
При расчёте будут использоваться коэффициенты:
,
,
, значения которых берутся из таблицы [5] исходя из заданной неравномерности АЧХ. В нашем случае они соответственно равны: 2.31, 1.88, 1.67. Расчет заключается в нахождении нормированных значений:
и подставлении их в соответствующие формулы, из которых находятся нормированные значения элементов и преобразуются в действительные значения.
Итак, произведём расчёт, используя следующие формулы:
- нормированные значения
,
,
.
Подставим исходные параметры и в результате получим:
Зная это, рассчитаем следующие коэффициенты:
получим:
Отсюда найдем нормированные значения
,
, и
:
При расчете получим:
и в результате:
Рассчитаем дополнительные параметры:
где S210- коэффициент передачи оконечного каскада.
Для выравнивания АЧХ в области нижних частот используется резистор
, рассчитываемый по формуле:
Найдем истинные значения остальных элементов по формулам:
На этом расчёт выходного каскада закончен и можно приступить к предоконечному каскаду.
-
Расчёт предоконечного каскада
3.4.1Выбор рабочей точки
При расчёте режима предоконечного каскада условимся что питание всех каскадов осуществляется от одного источника напряжения с номинальным значением Eп. Так как Eп=Uк0, то соответственно Uк0 во всех каскадах берётся одинаковое то есть Uк0(предоконечного к.)=Uк0(выходного к). Мощность, генерируемая предоконечным каскадом доложна быть в коэффициент усиления выходного каскада вместе с МКЦ(S210) раз меньше, следовательно, и Iк0, будет во столько же раз меньше. Исходя из вышесказанного координаты рабочей точки примут следующие значения: Uк0= 15 В; Iко=1.8/2.23= 0.8 А. Мощность, рассеиваемая на коллекторе Pк= Uк0 Iк0=12 Вт.
3.4.2 Выбор транзистора
Выбор транзистора был произведён в пункте 3.3.5.2 его название КТ930А. Этот транзистор так же отвечает требованиям, приведенных в пункте 3.3.2. Его основные технические характеристики взяты из справочника [3] и приведены ниже.
Электрические параметры:
Предельные эксплуатационные данные:
3.4.3 Расчёт эквивалентной схемы транзистора















