lab_3_4 (722507)
Текст из файла
8
МИНИСТЕРСТВО ОБЩЕГО И ПРОФЕССИОНАЛЬНОГО ОБРАЗОВАНИЯ РОССИЙСКОЙ ФЕДЕРАЦИИ
МОСКОВСКИЙ ГОСУДАРСТВЕННЫЙ ТЕХНОЛОГИЧЕСКИЙ УНИВЕРСИТЕТ «СТАНКИН»
ОТЧЕТ
ПО
Лабораторным работам № 3, 4
ПО КУРСУ
УПРАВЛЕНИЕ ЦИКЛОВОЙ
АВТОМАТИКОЙ
Выполнил ст. гр. КС-9-8:
Копычев Е.А.
Москва 2000
Задача № 1
Имеются две автоматические линии. На пульте управления имеется шесть кнопок.
Существует возможность управления линиями:
-
первая и вторая кнопки используются для включения и выключения первой линии, соответственно;
-
третья и четвертая кнопки используются для включения и выключения второй линии, соответственно;
-
пятая и шестая кнопки используются для включения и выключения, соответственно двух линии одновременно.
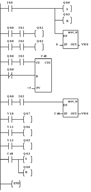
Задача № 2
Имеется реверсивный привод, управляемый тремя кнопками:
-
пуск по часовой стрелке;
-
пуск против часовой стрелки;
-
стоп.
Вариант а): Напишите управляющую программу, которая разрешает реверсирование двигателя только через кнопку `Стоп`.
I 0.0 – кнопка включения двигателя по часовой стрелке;
I 0.1 – кнопка включения двигателя против часовой стрелке;
I 0.2 – кнопка выключения двигателя;
Q 0.0 – светодиод, имитирующий работу двигателя по часовой стрелке;
Q 0.1 – светодиод, имитирующий работу двигателя против часовой стрелке.
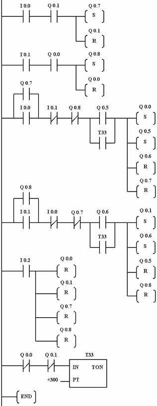
Вариант б): Напишите УП в которой, реверс двигателя через кнопку `Стоп` был бы возможен только с истечением трехсекундной выдержки, а перезапуск в том же направлении осуществлялся без задержки после остановки кнопкой `Стоп`.
I 0.0 – кнопка включения двигателя по часовой стрелке;
I 0.1 – кнопка включения двигателя против часовой стрелке;
I 0.2 – кнопка выключения двигателя;
Q 0.0 – светодиод, имитирующий работу двигателя по часовой стрелке;
Q 0.1 – светодиод, имитирующий работу двигателя против часовой стрелке;
Q 0.5 – светодиод, говорящий что до нажатия кнопки стоп двигатель вращался по часовой стрелке;
Q 0.6 – светодиод, говорящий что до нажатия кнопки стоп двигатель вращался против часовой стрелки;
T33 – таймер, осуществляющий задержку реверсирования двигателя.
Диаграмма работы двигателя при реверсировании
Вариант в): Напишите УП управления двигателем, расширив условие варианта `б` так, чтобы двигатель можно было реверсировать без использования кнопки `Стоп`: двигатель запускается в другом н
аправлении по истечению трехсекундной задержки.
Задача № 3
Тележка перемещается по рельсам от одного склада к другому. Тележка за один цикл должна съездить 5 раз туда – обратно и остановится. Запускается цикл с помощью кнопки без фиксации. Конечники имитируются любыми двумя кнопками. Время стоянки на усмотрение программиста. Самый простой вариант с нулевым временем стоянки. Три светодиода должны индицировать текущее количество сделанных перемещений туда – обратно. По окончании цикла должен гореть только один светодиод, который не горит во время выполнения цикла.
Характеристики
Тип файла документ
Документы такого типа открываются такими программами, как Microsoft Office Word на компьютерах Windows, Apple Pages на компьютерах Mac, Open Office - бесплатная альтернатива на различных платформах, в том числе Linux. Наиболее простым и современным решением будут Google документы, так как открываются онлайн без скачивания прямо в браузере на любой платформе. Существуют российские качественные аналоги, например от Яндекса.
Будьте внимательны на мобильных устройствах, так как там используются упрощённый функционал даже в официальном приложении от Microsoft, поэтому для просмотра скачивайте PDF-версию. А если нужно редактировать файл, то используйте оригинальный файл.
Файлы такого типа обычно разбиты на страницы, а текст может быть форматированным (жирный, курсив, выбор шрифта, таблицы и т.п.), а также в него можно добавлять изображения. Формат идеально подходит для рефератов, докладов и РПЗ курсовых проектов, которые необходимо распечатать. Кстати перед печатью также сохраняйте файл в PDF, так как принтер может начудить со шрифтами.















