referat (722496), страница 2
Текст из файла (страница 2)
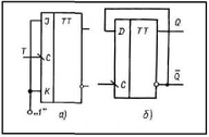
JK - триггер. Такой триггер имеет информационные входы J и К, которые по своему влиянию аналогичны входам S и R тактируемого RSС-триггера: при J=1, K=0 триггер по тактовому импульсу устанавливается в состояние Q=1; при J= 0, К=1– переключается в состояние Q=0, а при J = K= 0 – хранит ранее принятую информацию. Но в отличие от RSС-триггера одновременное присутствие логических 1 на информационных входах не является для JK-триггера запрещенной комбинацией.
Рис.11.
На рис. 6.11,а изображена одна из функциональных схем JK-триггера. Ее отличительной особенностью являются перекрестные связи выходов триггера с входами конъюнкторов входной логики. Благодаря им на эти входы после каждого переключения триггера передаются потенциалы, обратные тем, какие были перед предыдущим переключением, и которые поэтому в состоянии обеспечить новое переключение триггера в противоположное состояние.
Для создания информационных входов J и K элементы Э1 и Э2 входной логики первой ступени выбраны трехвходовыми. Переключение выходов второй ступени триггера происходит перепадом 1/0 на C-входе.
При J=K=0 на входах элементов Э1 и Э2 устанавливаются логические 0, которые для триггеров с прямыми входами являются пассивными сигналами - триггер Т1 и, следовательно, JK-триггер в целом сохраняют прежнее состояние. Чтобы на выходе элемента Э1 появилась логическая 1 (которой триггер Т1 может переключаться в состояние Р= 1), на его входах необходимо присутствие сигналов J =1, С=1, а также логической 1 с выхода
. Аналогично, логическая 1 будет на выходе элемента Э2, когда K=1, С=1 и Q=1. Таким образом, комбинация J=1, К=0 обеспечивает по тактовому импульсу переключение JK-триггера в целом в состояние Q=1, а комбинация J=0, K=1— в состояние Q=0.
На рис.11,б приведено изображение JK- триггера с тремя объединенными конъюнкцией входами J, с тремя объединенными конъюнкцией входами K и с входами S и R асинхронной установки. На рис. 11,в показана реализация D-триггера на базе JK-триггера.
Рис.12.
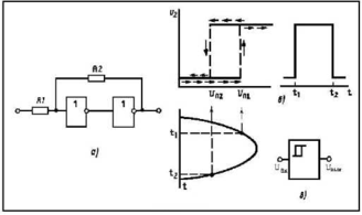
4. Счетные триггерыСчетный триггер (Т-триггер) отличается тем, что он переключается с поступлением каждого импульса на тактовом входе, называемом в таком триггере счетным. Счетный триггер можно реализовать на базе JK-триггера. Логическая 1 на одном из входов элемента И не определяет потенциал на его выходе, поэтому сочетание J=K=1 не влияет на входную логику первой ступени триггера. Теперь она получает информацию только с выходов триггера (рис.11,а), которая устанавливает ее в положение, когда с приходом счетного импульса начнется очередное переключение - JK-триггер работает в счетном режиме. Реализация счетного режима на JK- триггере приведена на рис 12,а.
Счетный триггер просто реализуется и на D-триггере (рис. 12, б). Если после каждого переключения обеспечить автоматическую смену уровня потенциала на D-входе, то с каждым импульсом на C-входе триггер будет менять свое состояние. Указанная смена потенциала будет осуществляться, если D-вход соединить с выходом
. Вторая перекрестная связь (аналогичная связи в JK- триггере) обеспечивается за счет соединения D-входа с R-входом запоминающей ячейки триггера через инвертор (см.рис.8).
5. Триггер Шмитта
Рис.13.
Этот триггер (рис. 13,a) стоит особняком в семействе триггеров: он имеет один вход, один выход и не обладает свойствами запоминающего элемента. Триггер содержит два инвертора, охваченных положительной обратной связью, за счет чего выход схемы может изменять свое состояние лавинообразно.На выходе инвертора потенциал с лог. 0 на лог. 1 изменяется при большем входном напряжении, чем при изменении с лог.1 на лог. 0. Поэтому схема (рис.13,а) обладает гистерезисом (рис. 13,б). Это позволяет использовать ее в качестве формирователя прямоугольных импульсов из входного напряжения, в частности, из синусоидального.
Условное изображение триггера Шмитта приведено на рис. 13,в.
Литература
-
Калабеков Б.А. Цифровые устройства и микропроцессорные системы —М.: Телеком, 2000г.
-
Потемкин И.С. Функциональные узлы цифровой автоматики —М.: Энергоатомиздат, 1988 г., c. 166…. 206.
-
Сайт в интернете: WWW. abc. WSV.ru
-
Сайты в интернете : rff.tsu.ru, pub. mirea. ac. ru, foroff. phys. msu.ru
















