dimka (722358)
Текст из файла
Реферат
Курсовой проект содержит 37 листа, 23 иллюстрации, 1 таблицу.
Цель: - углубить знания студентов по курсам, связанным с темой курсового проекта;
- привить навыки самостоятельной работы с технической литературой;
- научить составлять, рассчитывать и анализировать электронные схемы;
- научить грамотно оформлять техническую документацию.
В курсовом проекте содержится краткое описание усилителей низкой частоты, их классификация, применение, основные технические решения. Также разработана структурная и электрическая принципиальная схема усилителя, и произведен ее расчет.
УСИЛИТЕЛЬ, ТРАНЗИСТОР, ВХОДНАЯ ХАРАКТЕРИСТИКА,
НЕЛИНЕЙНЫЕ ИСКАЖЕНИЯ, ВЫХОДНОЙ КАСКАД
Содержание
1. Введение ………………………………………………….. 3
2. Основная часть
2.1 Аналитический обзор …………………………… 5
2.2 Составление структурной схемы усилителя …… 9
2.3 Разработка электрической принципиальной
схемы усилителя …………………………………………….. 11
2.4 Электрический расчет …………………………. ……… 14
2.5 Анализ спроектированного усилителя …………. ……... 29
3. Заключение ……………………………………………………... 30
4. Перечень ссылок ……………………………………………….. 31
5. Приложение …………………………………………………….. 32
1 Введение
Характерной особенностью современных электронных усилителей является исключительное многообразие схем, по которым они могут быть построены.
Усилители различаются по характеру усиливаемых сигналов: усилители гармонических сигналов, импульсные усилители и т. д. Также они различаются по назначение, числу каскадов, роду электропитания и другим показателям.
Однако одним из наиболее существенных классификационных признаков является диапазон частот электрических сигналов, в пределах которого данный усилитель может удовлетворительно работать. По этому признаку различают следующие основные типы усилителей:
Усилители низкой частоты, предназначенные для усиления непрерывных периодических сигналов, частотный диапазон которых лежит в пределах от десятков герц до десятков килогерц. Характерной особенностью УНЧ является то, что отношение верхней усиливаемой частоты к нижней велико и обычно составляет не менее нескольких десятков.
Усилители постоянного тока – усиливающие электрические сигналы в диапазоне частот от нуля до высшей рабочей частоты. Они позволяют усиливать как переменные составляющие сигнала, так и его постоянную составляющую.
Избирательные усилители – усиливающие сигналы в очень узкой полосе частот. Для них характерна небольшая величина отношения верхней частоты к нижней. Эти усилители могут использоваться как на низких, так и на высоких частотах и выступают в качестве своеобразных частотных фильтров, позволяющих выделить заданный диапазон частот электрических колебаний. Узкая полоса частотного диапазона во многих случаях обеспечивается применением в качестве нагрузки таких усилителей колебательного контура. В связи с этим избирательные усилители часто называют резонансными.
Широкополосные усилители, усиливающие очень широкую полосу частот. Эти усилители предназначены для усиления сигналов в устройствах импульсной связи, радиолокации и телевидения. Часто широкополосные усилители называют видеоусилителями. Помимо своего основного назначения, эти усилители используются в устройствах автоматики и вычислительной техники.
2.1 Аналитический обзор
Современные усилители низкой частоты выполняются преимущественно на биполярных и полевых транзисторах в дискретном или интегральном исполнении, причем усилители в микроисполнении отличаются от своих дискретных аналогов, главным образом, конструктивно-техническими особенностями.
В качестве источника входного сигнала в усилителях низкой частоты могут входить микрофон, звукосниматель, предыдущий усилитель. Большинство из источников входного сигнала развивают очень низкое напряжение. Подавать его непосредственно на каскад усиления мощности не имеет смысла, т. к. при слабом управляющем напряжении невозможно получить значительные изменения выходного тока, а следовательно, выходной мощности. Поэтому в состав структурной схемы усилителя, кроме выходного каскада, отдающего требуемую мощность, входят и каскады предварительного усиления.
Эти каскады принято классифицировать по характеру сопротивления нагрузки в выходной цепи транзистора. Наибольшее применение получили резистивные усилительные каскады, сопротивлением нагрузки которых служит резистор. В качестве нагрузки транзистора может быть использован и трансформатор. Такие каскады называют трансформаторными. Однако в следствии большой стоимости, значительных размеров и массы трансформатора, а также из-за неравномерности амплитудно-частотных характеристик трансформаторные каскады предварительного усиления применяются весьма редко.
В каскадах предварительного усиления на биполярных транзисторах чаще других используется схема с общим эмиттером, которая обладает высоким коэффициентом усиления по напряжению и мощности, сравнительно большим входным сопротивлением и допускает использование одного общего источника питания для цепей эмиттера и коллектора.
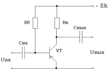
Простейшая схема резистивного усилительного каскада с общим эмиттером и питанием от одного источника показана на рис 1.
Рисунок 1
Данная схема получила название схемы с фиксированным базовым током. Смещение фиксированным током базы отличается минимальным числом деталей и малым потреблением тока от источника питания. Кроме того, сравнительно большое сопротивление резистора Rб практически не влияет на величину входного сопротивления каскада. Однако этот способ смещения пригоден лишь тогда, когда каскад работает при малых колебаниях температуры транзистора. Кроме того, большой разброс и нестабильность параметров даже у однотипных транзисторов делают режим работы каскада неустойчивым при смене транзистора, а также с течением времени.
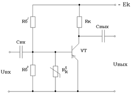
Более эффективной является схема с фиксированным напряжением смещения на базе, представленная на рис 2.
В этой схеме резисторы
и
подключенные параллельно источнику питания Ек составляют делитель напряжения. Делитель, образованный резисторами
и
должен обладать достаточно большим сопротивлением, иначе входное сопротивление каскада окажется малым.
При построении схем транзисторных усилителей приходится принимать меры для стабилизации положения рабочей точки на характеристиках. Основной дестабилизирующий фактор – влияние температуры. Существуют
VT
Рисунок 2
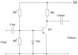
различные способы термостабилизации режима работы транзисторных каскадов. Наиболее распространенные из них реализуются с помощью схем, показанных на рис 3-5.
Рисунок 3 - c терморезистором
Рисунок 4 - с диодом
Рисунок 5 - с цепочкой эмиттерной стабилизации RэСэ
В схеме на рис 3 терморезистор с отрицательным температурным коэффициентом сопротивления включен в базовую цепь таким образом, что при повышении температуры происходит уменьшение отрицательного напряжения на базе за счет уменьшения сопротивления терморезистора. При этом происходит уменьшение тока базы, а следовательно, и тока коллектора.
Одна из возможных схем термостабилизации с помощью полупроводникового диода показана на рис 4. В этой схеме диод включен в обратном направлении, а температурная характеристика обратного тока диода должна быть аналогична температурной характеристике обратного тока коллектора транзистора. При смене транзистора стабильность ухудшается из-за разброса величины обратного тока коллектора.
Наибольшее распространение получила схема термостабилизации режима, показанная на рис 5. В этой схему навстречу фиксированному прямому напряжению смещения, снимаемому с резистора
включено напряжение, возникающее на резисторе Rэ при прохождении через него тока эмиттера. Пусть, например, при увеличении температуры постоянная составляющая коллекторного тока возрастет. Увеличение тока коллектора приведет к увеличению тока эмиттера и падению напряжения на резисторе Rэ. В результате напряжение между эмиттером и базой уменьшиться, что приведет к уменьшению тока базы, а следовательно, тока коллектора. В большинстве случаев резистор Rэ шунтируется конденсатором большой емкости. Это делается для отвода переменной составляющей тока эмиттера от резистора Rэ.
2.2 Составление структурной схемы усилителя
Структурная схема представлена на рис 6.
Рисунок 6
ВхК - входной каскад
КПУ1 - первый каскад предварительного усиления
КПУ2 - второй каскад предварительного усиления
КПУ3 - третий каскад предварительного усиления
ВыхК - выходной каскад
Входной каскад ставится на входе усилителя для увеличения входного сопротивления усилителя.
Большинство источников входного сигнала развивают очень низкое напряжение Ег = 10 мВ. Подавать его непосредственно на каскад усиления мощности не имеет смысла, так как при слабом управляющем напряжении невозможно получить значительные изменения выходного тока.
Рассчитаем максимальное напряжение в нагрузке по формуле:
Определим максимальный ток протекающий через нагрузку:
Рассчитаем требуемый коэффициент усиления усилителя по формуле:
Определим ориентировочное количество каскадов предварительного усиления по следующей формуле:
Полученное по формуле (4) количество каскадов округляют до ближайшего целого нечетного числа (в большую сторону), так как схема с ОЭ дает сдвиг фаз 180
n = 3
Выходной каскад ставится на выходе усилителя и обеспечивает усиление мощности полезного сигнала в нагрузку.
2.3 Разработка принципиальной электрической
схемы усилителя
Схемная реализация входного каскада представлена на рис 7.
Рисунок 7
Это схема дифференциального каскада. Я решил выбрать диф. каскад по следующим причинам:
-
дифференциальный каскад обеспечивает повышенную температурную стабильность предварительного усиления
-
к дифференциальному каскаду проще подключить обратную связь
-
у дифференциального каскада сравнительно большое входное сопротивление.
Схемная реализация каскада предварительного усиления представлена на рис 8. Это схема усилителя на биполярном транзисторе включенном по схеме с общим эмиттером. Я выбрал эту схему так как у нее сравнительно большие коэффициенты усиления по напряжению и по току, а также большое входное сопротивление. Недостаток этой схемы – сдвиг фаз между входным и выходным сигналом равен 180.
Характеристики
Тип файла документ
Документы такого типа открываются такими программами, как Microsoft Office Word на компьютерах Windows, Apple Pages на компьютерах Mac, Open Office - бесплатная альтернатива на различных платформах, в том числе Linux. Наиболее простым и современным решением будут Google документы, так как открываются онлайн без скачивания прямо в браузере на любой платформе. Существуют российские качественные аналоги, например от Яндекса.
Будьте внимательны на мобильных устройствах, так как там используются упрощённый функционал даже в официальном приложении от Microsoft, поэтому для просмотра скачивайте PDF-версию. А если нужно редактировать файл, то используйте оригинальный файл.
Файлы такого типа обычно разбиты на страницы, а текст может быть форматированным (жирный, курсив, выбор шрифта, таблицы и т.п.), а также в него можно добавлять изображения. Формат идеально подходит для рефератов, докладов и РПЗ курсовых проектов, которые необходимо распечатать. Кстати перед печатью также сохраняйте файл в PDF, так как принтер может начудить со шрифтами.















