dimka (722358), страница 2
Текст из файла (страница 2)
Рисунок 8
Схемная реализация выходного каскада представлена на рис 9.
Рисунок 9
Это схема двухтактного усилителя мощности работающего в режиме В. Двухтактный усилитель мощности обладает более низким коэффициентом нелинейных искажений, чем однотактный усилитель мощности. Также важным преимуществом двухтактной схемы является ее малая чувствительность к пульсациям питающих напряжений. Недостатком данной схемы является трудность подбора одинаковых транзисторов.
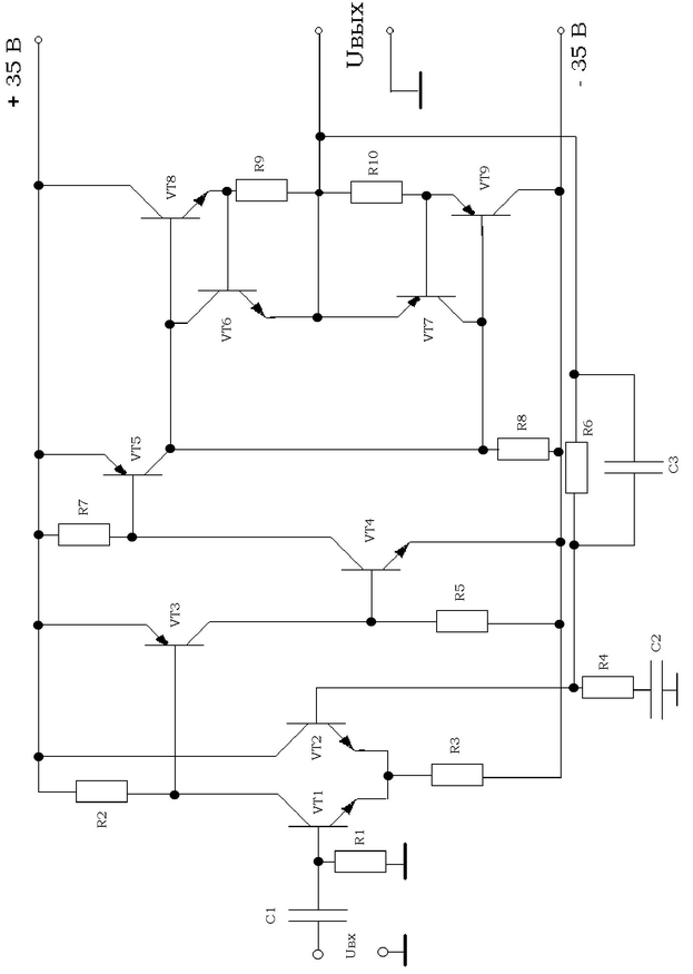
Электрическая принципиальная схема представлена на рис 10.
Рисунок 10
2.4 Электрический расчет
Рассчитаем максимальное напряжение в нагрузке по формуле:
Определим максимальный ток протекающий через нагрузку:
Рассчитаем требуемый коэффициент усиления усилителя по формуле:
Определим ориентировочное количество каскадов предварительного усиления по следующей формуле:
Полученное по формуле (8) количество каскадов округляют до ближайшего целого нечетного числа (в большую сторону), так как схема с ОЭ дает сдвиг фаз 180
n = 3
Рассчитаем напряжение питания усилителя по формуле:
где
- падение напряжения на переходе коллектор-эмиттер выходного транзистора в режиме насыщения, В;
- падение напряжения на резисторе, установленном в эмиттерной цепи выходного каскада, В;
Для большинства мощных транзисторов
= 0,5..2 В. Предварительно можно принять
= 1 В. Зададимся падением напряжения на резисторе, установленном в эмиттерной цепи:
= 1 В
Подставим рассчитанные напряжения в формулу (9) и определи напряжение питания усилителя:
Полученную величину округлим до ближайшего целого числа, а затем примем из стандартного ряда:
З
ная напряжение питания усилителя и максимальный ток протекающий через нагрузку, выберем транзисторы для выходного каскада по следующим условиям:
Ikmax Iнmax + Ikп
Uкэmax 2 Ek
По справочной литературе [5] выбираем следующие транзисторы:
V
T8 KT827B
V
T9 KT825B
Со следующими параметрами:
Uкэmax8 = 100 В Ikmax8 = 20 А
= 3 В
Характеристики транзистора представлены на рис 15, 16
По рис 15 определим напряжение на переходе база-эмиттер:
Рассчитаем сопротивление резисторов R10 и R11 по формуле:
Приведем рассчитанное сопротивление к ряду Е24:
По рис 16 определим ток коллектора покоя, а также статический коэффициент передачи тока транзистора VT8:
Ikп8 = 4 А h21Э8 = 39000
Рассчитаем мощность рассеиваемую на резисторе:
Определим ток базы покоя транзисторов выходного каскада:
Определим максимальный ток базы транзисторов выходного каскада:
Определим ориентировочный максимальный ток коллектора VT5:
Ikmax5 = 10IБmax8 = 1051310-6 = 5.13 mA (14)
Зная максимальный ток базы транзистора VT8 и напряжение питания, выберем транзисторы для реализации защиты по току:
Ikmax Iбmax8
Uкэmax 2 Ek
По справочной литературе [5] выбираем следующие транзисторы:
V
T6 KT215В - 1
V
T7 KT214В - 1
Со следующими параметрами:
Uкэmax7 = 80 В Ikmax7 = 40 мА
Характеристики транзистора представлены на рис 17,18,19,20
Рассчитаем максимальный ток коллектора VT8:
Примем значение сопротивления резистора
равным 0,036 Ом
Рассчитаем минимальное падение напряжения на резисторе
:
Рассчитаем максимальное падение напряжения на резисторе
:
Зная максимальный ток коллектора и напряжение питания, выбираем транзистор VT5 по следующим критериям:
I
kmax Iкmax5
Uкэmax 2 Ek
Характеристики транзистора представлены на рис. 17, 18 По графику зависимости h21Э (IЭ) определим минимальный ток коллектора VT5:
Рассчитаем ток коллектора покоя VT5 по формуле:
Из рис 18 определим статический коэффициент передачи тока для тока эмиттера равного 20,513 мА.
Определим ток базы покоя для VT5 по формуле:
По рис.17 определим напряжение база – эмиттер:
Рассчитаем максимальный ток коллектора транзистора VT5:
Рассчитаем резистор
по формуле:
Приведем рассчитанное сопротивление к ряду Е24:
Рассчитаем максимальный ток базы транзистора VT5:
Определим ориентировочный ток коллектора покоя для транзистора VT4 по формуле:
Рассчитаем ориентировочный максимальный ток коллектора для транзистора VT4 по формуле:
Зная максимальный ток коллектора и напряжение питания, выбираем трансформатора VT4 исходя из следующих условий:
I
kmax Iкmax4
Uкэmax 2 Ek
Характеристики представлены на рис 19, 20
Из рис.20 Определим минимальный ток коллектора транзистора VT4:
Определим ток коллектора покоя для VT4:
По рис 20 определим статический коэффициент передачи тока:
Определим ток базы покоя для транзистора VT4 по формуле:
Из рис 19 определим напряжение базы – эмиттер для
Рассчитаем максимальный ток базы транзистора VT4:
Определим значение резистора
по формуле:
Приведем рассчитанное сопротивление к ряду Е24:
Определим ориентировочный ток коллектора покоя транзистора VT3
Рассчитаем ориентировочный ток коллектора транзистора VT3:
Зная максимальный ток коллектора и напряжение питания выберем
транзистор VT3 по следующим критериям:
I
kmax Iкmax3
Uкэmax 2 Ek
Характеристики транзистора представлены на рис 17, 18
Из графика зависимости
(
) определим минимальный ток коллектора:
Рассчитаем ток коллектора покоя транзистора VT3:
По рис 18 определим статический коэффициент передачи тока:
Определим ток базы покоя транзистора VT3:
Рассчитаем максимальный ток базы транзистора VT3:
Из рис.17 определим напряжения база – эмиттер:
Определим сопротивление
по формуле:
Приведем рассчитанное сопротивление к ряду Е24:
Рассчитаем значение резистора
по формуле:
Приведем рассчитанное сопротивление к ряду Е24:
Определим ориентировочный ток коллектора покоя транзисторов VT1 и VT2 по формуле:
Рассчитаем ориентировочный максимальный ток коллектора транзисторовVT1 и VT2 по следующей формуле:
Зная максимальный ток коллектора и напряжение питания выберем транзисторы VT1 и VT2 по следующим критериям:
Ikmax Iкmax1
Uкэmax 2 Ek
Характеристики транзисторов приведены на рис 21, 22, 23
По рис 22 определим минимальный ток коллектора:
Рассчитаем ток коллектора покоя транзисторов VT1 и VT2:
Из рис 22 определим статический коэффициент передачи тока:
Определим ток базы покоя для транзистора VT1:
Рассчитаем максимальный ток базы для транзистора VT1:
Определим ток, протекающий через резистор
:
Из рис 23 определим напряжение коллектор – эмиттер:
Определим значение резистора
по формуле:
Приведем рассчитанное сопротивление к ряду Е24:
По справочной литературе [5] определим входное сопротивление транзисторов:
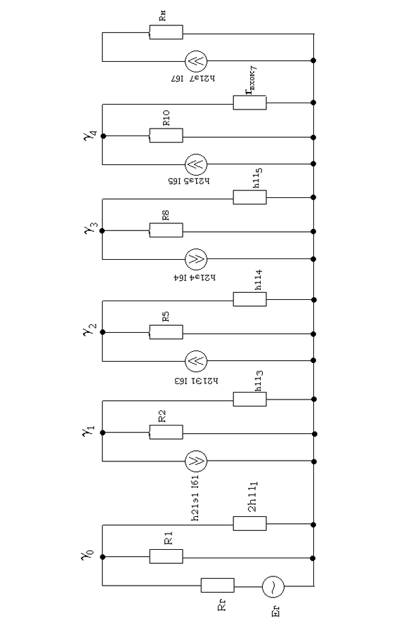
Из схемы замещения рис 11 определим входное сопротивление усилителя:
Определим максимальное отклонение температуры от среднего значения:
Рисунок 11
Определим изменение напряжения база – эмиттер для транзистора VT2 с изменением температуры. Зная, что при изменении температуры на
напряжение изменяется на 2.3мВ. Следовательно:
Изменение напряжения коллектор – эмиттер равно 0.7В
Определим коэффициент обратной связи по постоянному току:
Определим значение сопротивления резистора
:
Приведем рассчитанное сопротивление к ряду Е24:
Определим коэффициент усиления по току усилителя при помощи схемы замещения представленной на рис. 11
По схеме замещения определим коэффициент разветвления:
Определим коэффициент усиления по напряжению:
Рассчитаем коэффициент усиления по напряжению усилителя с обратной связью:
- коэффициент обратной связи по переменному току равен :
Определим значение сопротивления резистора
:
Приведем рассчитанное сопротивление к ряду Е24:
Разобьём данный нам коэффициент частотных искажений на 2 части:
Мнос=104/20
Мв=106/20
Рассчитаем ёмкость конденсатора С1 по формуле:
Рассчитаем ёмкость конденсатора С2 по формуле:
Рассчитаем ёмкость конденсатора С3 по формуле:
Определим коэффициент петлевого усиления по переменному току:
Р
ассчитаем коэффициент нелинейных искажений для выходного каскада методом двух ординат:
Uвых изменяем от 0 до Uнmax (64)
По рис 16 для рассчитанных значений тока эмиттера определяем статический коэффициент передачи тока. Затем рассчитаем ток коллектора:
Для рассчитанных значений тока коллектора определяем ток базы:
Из рис 15 определяем напряжение база-эмиттер для рассчитанных токов базы. Рассчитываем входное напряжение:
| Uн | Iэ | h21э | Ik | Iб, мкА | Uбэ | Uвх |
| 0 | 4 | 39000 | 4 | 103 | 0,6 | 0,74 |
| 4 | 5 | 35000 | 5 | 143 | 0,6 | 4,78 |
| 8 | 6 | 29000 | 6 | 207 | 0,6 | 8,82 |
| 12 | 7 | 27000 | 7 | 259 | 0,6 | 12,85 |
| 16 | 8 | 20000 | 8 | 400 | 0,6 | 16,9 |
| 20 | 9 | 17000 | 9 | 529 | 0,6 | 20,92 |
| 24 | 10 | 15000 | 10 | 667 | 0,6 | 24,96 |
| 28 | 11 | 13000 | 11 | 846 | 0,6 | 29 |
| 31 | 11,75 | 12800 | 11,75 | 918 | 0,6 | 31,5 |
таблица 1
Построим график зависимости Uн от Uвх – рис 12.
VT5 КТ214В - 1 












