referat (722157), страница 3
Текст из файла (страница 3)
Таким образом обеспечивается просмотр зоны 16"х16" т.к. угол отклонения характеристики направленности в 2 раза больше угла поворота зеркала антенны.
Кроме того, просматриваемая зона перемещается по осям (приводами соответствующих осей) командами с земли.
7. РЕЖИМ "ВЗЛЕТ"
При взлете ракеты зеркало антенны РЛГС должно находиться в нулевом положении "слева-вверху", что обеспечивается системой ПГС (по оси φ и по оси ξ).
8. РЕЖИМ "НАВЕДЕНИЕ"
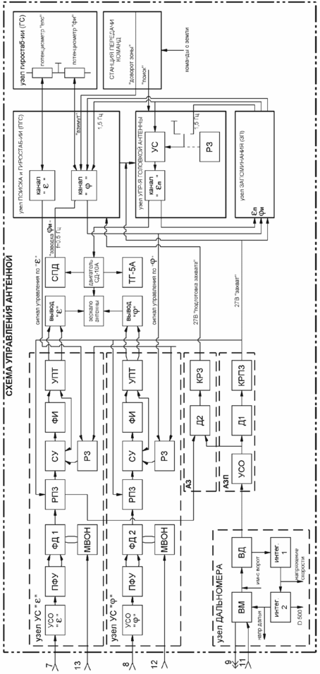
В режиме наведения положение луча антенны (ξ =0 и φ =0) в пространстве задается с помощью управляющих напряжений, которые снимаются с потенциометров и узла гиростабилизации зоны поиска (ГС) и заводится соответственно в каналы узла ПГС.
После вывода ракеты в горизонтальный полет, в РЛГС через бортовую станцию подачи команд (СПК) подается разовая команда "наведение". По этой команде узел ПГС удерживает луч антенны в горизонтальном положении, разворачивая его по азимуту в направлении, задаваемом командами с земли "доворот зоны по "φ".
Система УГА в этом режиме удерживает голову антенны в нулевом положении относительно оси "ξ".
9. РЕЖИМ "ПОИСК".
При сближении ракеты с целью до расстояния примерно равного 20-40 км, через СПК на станцию подается разовая команда "поиск". Эта команда поступает в узел (УГА), при этом происходит переключение узла в режим скоростной следящей системы. В этом режиме на вход усилителя переменного тока (УС) узла (УГА) поступает сумма фиксированного сигнала частоты 400 Гц (36В) и напряжение скоростной обратной связи с токогенератора ТГ-5А. При этом вал исполнительного двигателя СД-10А начинает вращаться с фиксированными оборотами, и через кулачковый механизм заставляет качаться зеркало антенны относительно штока (т.е. относительно оси "ξ") с частотой 3 Гц и амплитудой ± 4°. Одновременно двигатель вращает синусный потенциометр - датчик (СПД), выдающий напряжение "заводка" с частотой 0,5 Гц на азимутальный канал системы ПГС. Это напряжение подается на суммирующий усилитель (УС) узла (КС φ) и далее на привод антенны по оси. В результате этого зеркало антенны начинает совершать колебания по азимуту с частотой 0,5 Гц и амплитудой ± 4°.
Синхронное качание зеркала антенны системами УГА и ПГС, соответственно по углу места и азимуту, создает поисковое движение луча, показанное на рис. 3.4.
В режиме "поиск" выходы фазовых детекторов узлов (УС - φ и УС - ξ) контактами обесточенного реле (РПЗ) отключены от входа суммирующих усилителей (СУ).
В режиме "поиск" на вход узла (ЗП) по каналу "φ" поступает напряжение отработки "φн" и напряжение с гироазимута "φг", по каналу "ξ" - напряжение обработки "ξп".
10. РЕЖИМ "ПОДГОТОВКА ЗАХВАТА".
Для уменьшения времени обзора поиск цели в РЛГС осуществляется с большой скоростью. В связи с этим в станции применяется двухступенчатая система захвата цели, с запоминанием положения цели при первом обнаружении, с последующим возвратом антенны в запомненное положение и вторичным окончательным захватом цели, после которого уже следует ее автосопровождение. Как предварительный, так и окончательный захват цели осуществляете схемой узла A3.
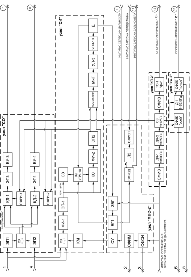
При появлении цели в зоне поиска станции видеоимпульсы "прямой цели" со схемы защиты от несинхронных помех узла (СИ) синхронизатора начинают поступать через усилитель сигнала ошибки (УСО) узла (АЗ) на детекторы (Д-1 и Д-2) узла (A3). При достижении ракетой дальности, на которой отношение сигнал/шум оказывается достаточным для срабатывания каскада реле подготовки захвата (КРПЗ), последний вызывает срабатывание реле подготовки захвата (РПЗ) в узлах (УС φ и УС ξ). Автомат захвата (A3) при этом сработать не может, т.к. он отпирается напряжением со схемы (АПЗ), которое подается только через 0,3 сек после срабатывания (АПЗ) (0,3 сек - время, необходимое для возврата антенны в точку, где была первоначально обнаружена цель).
Одновременно со срабатывании реле (РПЗ):
-
от узла запоминания(ЗП) отключаются входные сигналы "ξп" и "φн"
-
со входов узлов (ПГС) и (УГА) снимаются напряжения, управляющие поиском
-
узел запоминания (ЗП) начинает выдавать запомненные сигналы на входы узлов (ПГС) и (УГА).
Для компенсации ошибки схем запоминания и гиростабилизации на входы узлов (ПГС) и (УГА) одновременно с запомненными напряжениями с узла (ЗП) подается напряжение качания (f = 1,5 Гц), вследствие чего, при возвращении антенны в запомненную точку происходит качание луча с частотой 1,5 Гц и амплитудой ± 3° .
В результате срабатывания реле (РПЗ) в каналах узлов (УС ) и (УС ) на вход приводов антенны по каналам "φ" и "ξ" одновременно с сигналами с ПГС подключаются выходы узлов (УС), в результате чего приводы начинают управляться также и сигналом ошибки системы углового сопровождения. Благодаря этому при повторном попадании цели в диаграмму направленности антенны система сопровождения втягивает антенну в равносигнальную зону, облегчая возврат в запомненной точку, повышая, таким образом, надежность захвата.
11. РЕЖИМ "ЗАХВАТА"
По истечении 0,4 сек после срабатывания реле подготовки захвата, снимается блокировка. В результате этого, при повторном попадании цели в диаграмму направленности антенны происходит срабатывание каскада реле захвата (КРЗ), который вызывает:
-
срабатывание реле захвата (РЗ) в узлах (УС "φ" и УС "ξ") отключающих сигналы, поступающие с узла (ПГС). Система управления антенной переходит в режим автоматического сопровождения цели
-
срабатывание реле (РЗ) в узле УГА. В последнем происходит отключение сигнала, поступающего с узла (ЗП) и подключение потенциала "земли". Под воздействием появившегося сигнала система УГА возвращает зеркало антенны в нулевое положение по оси "ξп". Возникающий при этом, вследствие увода равносигнальной зоны антенны с цели, сигнал ошибки отрабатывается системой СУД, по основным приводам "φ" и "ξ". Во избежание срыва сопровождения, возврат антенны к нулю по оси "ξп" производится с пониженной скоростью. При достижении зеркалом антенны нулевого положения по оси "ξп". срабатывает система фиксации зеркала.
12. РЕЖИМ "АВТОМАТИЧЕСКОЕ СОПРОВОЖДЕНИЕ ЦЕЛИ"
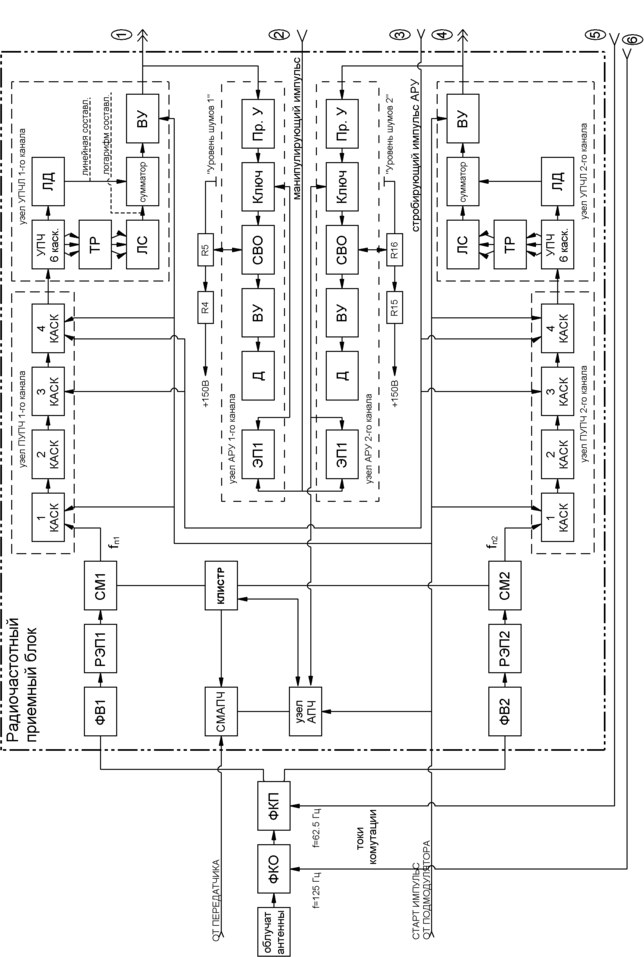
С выхода узла СО со схем видеоусилителей (ВУЗ и ВУ4) разделенный по осям "φ" и "ξ" сигнал ошибки частотой 62,5 Гц поступает через узлы УС "φ" и УС "ξ" на фазовые детекторы. На фазовые детекторы также заводится опорное напряжение "φ" и "ξ" , поступающее со схемы триггера опорных напряжений (ТОН "φ") узла КП-2 и схемы формирования импульсов коммутации (СΦИКМ "П") узла УФ-2. С фазовых детекторов сигналы ошибки поступают на усилители (СУ "φ" и СУ "ξ") и далее на приводы антенны. Под воздействием поступившего сигнала привод поворачивает зеркало антенны в сторону уменьшения сигнала ошибки, осуществляя тем самым слежение за целью.
1 Рисунок расположен в конце всего текста. Схема разбита на три части. Переходы выводов из одной части в другую, обозначены цифрами.
















