referat (722157), страница 2
Текст из файла (страница 2)
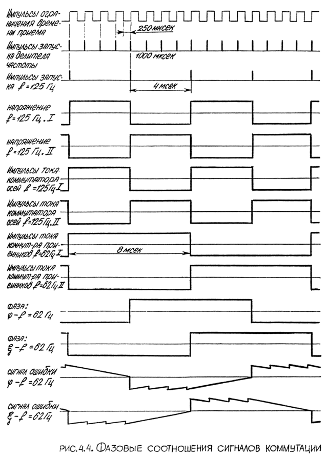
Опорные напряжения 125 Гц –(I), 125 Гц – (II), сдвинутые относительно друг друга на 180, необходимые для работы схем формирования разрешающих импульсов (СФРИ) в узле СО синхронизатора, а также опорное напряжение по каналу "φ" вырабатывается путем последовательного деления на 2 частоты повторения станции в узле КП-2 (коммутация приемников) синхронизатора. Деление частоты производится с помощью делителей частоты, представляющих собой RS-триггеры. Схема формирования импульса запуска делителей частоты (ОΦЗ) запускается задним фронтом продифференцированного отрицательного импульса ограничения времени приема (Т= 250 мксек), который поступает с дальномера. Со схемы выдачи напряжения 125 Гц - (I), и 125 Гц – (II) (СВ) снимается импульс синхронизации с частотой 125 Гц , поступающий на делитель частоты в узле УФ-2 (ДЧ).Кроме этого напряжение 125 Гц поступает на схему формирования сдвига на 90 относительно опорного напряжения. Схема формирования опорного напряжения по каналу (TOH φ) собрана на триггере. Импульс синхронизации 125 Гц подается на схему делителя в узле УФ-2, с выхода этого делителя (ДЧ) снимается опорное напряжение "ξ" с частотой 62,5 Гц, подаваемое в узел УС и также в узел КП-2 для Формирования сдвинутого на 90 градусов опорного напряжения.
В узле УФ-2 также формируются импульсы тока коммутации осей с частотой 125 Гц и импульсы тока коммутации приемников с частотой 62,5 Гц, (рис. 4.4).
Разрешающий импульс открывает транзисторы ключевого детектора и конденсатор, являющийся нагрузкой ключевого детектора, заряжается до напряжения, равного амплитуде результирующего импульса, приходящего со схемы вычитания. В зависимости от полярности приходящего импульса заряд будет носить положительный или отрицательный знак. Амплитуда результирующих импульсов пропорциональна углу рассогласования между направлением на цель и направлением равносигнальной зоны, поэтому напряжение до которого заряжен конденсатор ключевого детектора, является напряжением сигнала ошибки.
С ключевых детекторов сигнал ошибки с частотой 62,5 Гц и амплитудой, пропорциональной углу рассогласования между направлением на цель и направлением равносигнальной зоны, поступают через ЗП (ЗПЗ и ЗПЧ) и видеоусилители (ВУ-3 и ВУ-4) на узлы УС-φ и УС-ξ системы управления антенной (рис. 6.4).
Импульсы цели и шумы УПЧЛ 1-го и 2-го каналов подаются также на схему сложения СХ+ в узла (СИ) синхронизатора, в котором осуществляется временная селекция и интегрирование. Временная селекция импульсов по частоте повторения используется для борьбы с несинхронными импульсными помехами. Защита РЛС от несинхронных импульсных помех может быть осуществлена путем подачи на схему совпадения не задержанных отраженных сигналов и тех же сигналов, но задержанных на время, точно равное периоду повторения излучаемых импульсов. При этом через схему совпадения пройдут лишь те сигналы период следования которых точно равен периоду следования излучаемых импульсов.
С выхода схемы сложения импульс цели и шумы через фазоинвертор (Φ1) и эмиттерный повторитель (ЗП1) поступают на каскад совпадения. Схема суммирования и каскад совпадения являются элементами замкнутой системы интегрирования с положительной обратной связью. Схема интегрирования и селектор работают следующим образом. На вход схемы (Σ) поступают импульсы суммированной цели с шумами и импульсы интегрированной цели. Их сумма поступает на модулятор и генератор (МиГ) и на УЛЗ. В данном селекторе используется ультразвуковая линия задержки. Она состоит из звукопровода с электромеханическими преобразователями энергии (пластины кварца). УЛЗ могут использоваться для задержки как ВЧ импульсов (до 15 МГц), так и видеоимпульсов. Но при задержке видеоимпульсов происходит значительное искажение формы сигнала. Поэтому в схеме селектора сигналы, подлежащие задержке, вначале преобразуются с помощью специального генератора и модулятора в ВЧ импульсы с частотой заполнения 10 МГц. С выхода УЛЗ задержанный на период повторения РЛС импульс цели поступает на УПЧ-10, с вывода УПЧ-10 задержанный и продетектированный на детекторе(Д) сигнал через ключ (КЛ) (УПЧ-10) подается на каскад совпадения (КС), на этот же каскад подается суммированный импульс цели.
На выходе каскада совпадения получается сигнал, пропорциональный произведению выгодных напряжений, поэтому импульсы цели, синхронно поступающие на оба входа КС, легко проходят каскад совпадения, а шумы и несинхронные помехи сильно подавляются. С выхода (КС) импульсы цели через фазоинвертор (Φ-2) и (ЗП-2) снова поступают на схему (Σ), замыкая тем самым кольцо обратной связи, кроме тoгo, интегрированные импульсы цели поступают в узел СО, на схемы формирования разрешающих импульсов ключевых, детекторов (ОФРИ 1) и (ОФРИ 2).
Интегрированные импульсы с выхода ключа (КЛ) помимо каскада совпадения поступают на схему защиты от несинхронной импульсной помехи (СЗ), на второе плечо которой поступают импульсы суммированной цели и шумы с (3П 1). Схема защиты от несинхронной помехи представляет собой схему совпадения на диодах, которая пропускает наименьшее из двух синхронно действующих на ее входах напряжении. Так как интегрированные импульсы цели всегда значительно больше суммированных, а напряжение шумов и помех сильно подавляется в схеме интегрирования, то в схеме совпадения (СЗ), по существу, происходит селекция суммированных импульсов цели импульсами интегрированной цели. Получаемый в результате импульс "прямой цели" обладает той же амплитудой и формой, что и суммированный импульс цели, в то время как шумы и несинхронные помехи подавляются. Импульс прямой цели поступает на временной дискриминатор схемы дальномера и узел автомата захвата, системы управления антенной. Очевидно, что при использовании данной схемы селекции необходимо обеспечить весьма точное равенство времени задержки в УЛЗ и периода следования излучаемых импульсов. Это требование можно выполнить путем использования специальных схем формирования импульсов синхронизации, в которых стабилизация периода повторения импульсов осуществляется УЛЗ схемы селекции. Генератор импульсов синхронизации расположен в узле МПС - 2 и является блокинг-генератором (ЗВГ) с собственным периодом автоколебаний, немного больше времени задержки в УЛЗ, т.е. больше 1000 мкс. При включении РЛС, первый импульс ЗВГ дифференцируется и запускает БГ-1, с выхода которого снимается несколько импульсов синхронизации:
-
Отрицательный импульс синхронизации Т=11 мкс подается вместе с импульсом селекции дальномера на схему (СУ), которая формирует импульсы управления узла СИ на время действия которых открывается каскад манипуляции (КМ) в узле (СИ) и происходит работа каскада сложения (СХ +) и всех последующих. В результате импульс синхронизации БГ1 проходит через (СХ +), (Φ 1), (ЭП-1), (Σ), (МиГ), (УЛЗ), (УПЧ-10), (Д) и задержанный на период повторения РЛС (Тп=1000мкс), запускает ЗБГ передним фронтом.
-
Отрицательный импульс запирания УПЧ-10 Т = 12 мкс запирает ключ (КЛ) в узле СИ и тем самым препятствует попаданию импульса синхронизации БГ-1 в схему (КС) и (СЗ).
-
Отрицательный дифференцированный импульс синхронизации запускает схему формирования импульса запуска дальномера (СΦЗД) импульс запуска дальномера синхронизирует временной модулятор (ВМ), а также через линию задержки (ЛЗ) поступают на схему формирования импульса запуска передатчика СΦЗП. В схеме (ВМ) дальномера по фронту импульса запуска дальномера формируются отрицательные импульсы ограничения времени приема f = 1 кГц и Т =250 мкс. Они подаются назад в узел МПС-2 на ЗБГ для исключения возможности срабатывания ЗБГ от импульса цели, кроме того задним фронтом импульса ограничения времени приема запускается схема формирования строб-импульса АРУ (СФСИ), а строб-импульсом АРУ - схема формирования импульсов манипуляции (СΦМ). Эти импульсы подаются в радиочастотный блок.
Сигналы ошибки с выхода узла (СО) синхронизатора поступают в узлы углового сопровождения (УС φ, УС ξ) системы управления антенной на усилители сигнала ошибки (УСО и УСО ). С выхода усилителей сигнала ошибки сигналы ошибки поступают на парафазные усилители (ПФУ), с выходов которых сигналы ошибки в противоположных фазах подаются на входы фазового детектора - (ФД 1). На фазовые детекторы подаются также опорные напряжения с выходов ФД 2 мультивибраторов опорных напряжений (МВОН), на входы которых подаются опорные напряжения с узла УФ-2 (канал φ ) или узла КП-2 (каналу ξ ) синхронизатора. С выходов фазовых детекторов напряжения сигналов, ошибки подаются на контакты реле подготовки захвата (РПЗ). Дальнейшая работа узла зависит от режима работы системы управления антенной.
5. ДАЛЬНОМЕР
В дальномере РЛГС 5Г11 применена электрическая схема измерения дальности с двумя интеграторами. Данная схема позволяет получить большую скорость захвата и сопровождения цели, а также выдавать дальность до цели и скорость сближения в виде постоянного напряжения. Система с двумя интеграторами осуществляет запоминание последней скорости сближения при кратковременном пропадании цели.
Работа дальномера может быть описана следующим образом. Во временном дискриминаторе (ВД) временная задержка импульса, отраженного от цели, сравнивается с временной задержкой импульсов сопровождения ("Ворот"), создаваемой электрическим временным модулятором (ВM),в который входит схема линейной задержки. Схема автоматически обеспечивает равенство между задержкой ворот и задержкой импульса цели. Так как задержка импульса цели пропорциональна расстоянию до цели, а задержка ворот пропорциональна напряжению на выводе второго интегратора, то в случае линейной зависимости между задержкой ворот и этим напряжением, последнее будет пропорционально расстоянию до цели.
Временной модулятор (ВМ), кроме импульсов "ворот", Формирует импульс ограничения времени приема и импульс селекции дальности, причем, в зависимости от того находится ли РЛГС в режиме поиска или захвата цели меняется его длительность. В режиме "поиск" Т = 100мкс, а в режиме "захват" Т = 1,5мкс.
6. СИСТЕМА УПРАВЛЕНИЯ АНТЕННОЙ
В соответствии с задачами, выполняемыми СУА, последняя может быть условно разбита на три отдельные системы, каждая из которых выполняет вполне определенную функциональную задачу.
-
Система управления головкой антенны. В нее входит:
-
узел УГА
-
схема запоминания по каналу "ξ" в узле ЗП
-
привод - электродвигатель типа СД-10а, управляемый посредством электромашинного усилителя типа УДМ-3А.
-
Система поиска и гиростабилизации. В нее входят:
-
узел ПГС
-
выходные каскады узлов УС
-
схема запоминания по каналу "φ" в узле ЗП
-
привод на электромагнитных поршневых муфтах с датчиком угловых скоростей (ДУСос) в цепи обратной связи и узла ЗП.
-
Система углового сопровождения цели. В нее входят:
-
узлы: УС φ, УС ξ, A3
-
схема выделения сигнала ошибки в узле СО синхронизатора
-
привод на электромагнитных порошковых муфтах с ДУСом в обратной связи и узла ЗП.
Рассмотрение работы СУА целесообразно провести последовательно, в порядке выполнения ракетой следующих эволюций:
-
"взлет",
-
"наведение" по командам с земли
-
"поиск цели"
-
"предварительный захват"
-
"окончательный захват"
-
"автоматическое сопровождение захваченной цели"
С помощью специальной кинематической схемы блока обеспечивается необходимый закон движения зеркала антенны, а следовательно и перемещение характеристик направленности по азимуту (ось φ) и наклону (ocь ξ) (puc.8.4).
Траектория движения зеркала антенны зависит от режима работы системы. В режиме "сопровождение" зеркало может совершать только простые движения по оси φ - на угол 30°, и по оси ξ - на угол 20°. При работе в режиме "поиск", зеркало совершает синусоидальное колебание относительно оси φн (от привода оси φ) с частотой 0.5 Гц и амплитудой ± 4°, и синусоидальное колебание относительно оси ξ (от профиля кулачка) с частотой f = 3 Гц и амплитудой ± 4°.
















