OSN (722031)
Текст из файла
ВВЕДЕНИЕ
Развитие электронной вычислительной техники, и информатики и применение их средств и методов в народном хозяйстве, научных исследованиях, образовании и других сферах человеческой деятельности являются в настоящее время приоритетным направлением научно-технического прогресса. Это приводит к необходимости широкой подготовки специалистов по электронным вычислительным машинам, системам и сетям, программному обеспечению и прикладной математике, автоматизированным системам обработки данных и управления и другим направлениям, связанным с интенсивным использованием вычислительной техники. Всем этим специалистам необходимы достаточно глубокие знания принципов построения и функционирования современных ЭВМ, комплексов, систем и сетей, микропроцессорных средств, персональных компьютеров. Такие знания необходимы не только специалистам различных областей вычислительной техники, но и лицам, связанным с созданием программного обеспечения и применением ЭВМ в различных областях, что определяется тесным взаимодействием аппаратурных и программных средств в ЭВМ, тенденцией аппаратурной реализации системных и специализированных программных продуктов, позволяющей достигнуть увеличение производительности, надежности, функциональной гибкости, большей приспособленности вычислительных машин и систем к эксплуатационному обслуживанию.
В последние годы мир электронных вычислительных машин значительно расширился - в нем наряду с машинами общего назначения заняли большое место супер-ЭВМ, малые ЭВМ и особенно микропроцессоры и микро-ЭВМ, персональные компьютеры.
Информация которая передается между узлами компьютера или хранится в нем, ни каким образом не должна изменяться, для это существуют, либо аппаратные, либо программные средства контроля и диагностики.
1. ОБЩАЯ ЧАСТЬ
-
Назначение схем контроля цифровых устройств, виды контроля для комбинационных схем
Потери времени в таких сложных объектах, как ЭВМ, в первую очередь связанны с поиском места неисправности. Важнейшим средством уменьшения потерь и повышение обслуживаемости ЭВМ является система автоматического диагностирования, позволяющая локализовать неисправность.
Чтобы уменьшить потери от сбоев и отказов, порождающих ошибки, надо предотвратить распространение ошибки в вычислительном процессе, так как в противном случае существенно усложнятся и удлинятся процедуры проверки правильности работы программы, определение и устранения искажений в программе, данных и промежуточных результатах.
Для этого необходимо обнаружить появление ошибки в выполняемых машиной преобразованиях информации возможно ближе к моменту ее возникновения. С этой целью надо иметь систему автоматического контроля правильности работы ЭВМ, которая при появлении ошибки в работе машины немедленно приостанавливает выполнение программы. Наличие такой системы освобождает от забот по контролю достоверности.
Для уменьшения времени восстановления информации следует иметь систему автоматического восстановления вычислительного процесса, распознающую характер (сбой или отказ) ошибки и при сбое автоматически восстанавливающую достоверность информации и выполнения программы, а при отказе инициирующую работу системы автоматического диагностирования ЭВМ.
Обнаружение ошибок должно производиться в машине непрерывно и, следовательно, не должно вызывать заметного снижения быстродействия машины. Поэтому эта функция возлагается на быстродействующие аппаратурные средства контроля, которые позволяют почти полностью совместить во времени выполнение основных и контрольных операций.
Необходимость в коррекции ошибок, восстановлении вычислительного процесса и диагностирования неисправностей при современном уровне надежности ЭВМ возникает достаточно редко. Поэтому целесообразно использовать для выполнения этих функций главным образом микропрограммные, а также программные средства в виде корректирующих и диагностических микропрограмм и программ. Однако чтобы эти программы не были чрезмерно сложны, предусматриваются и определенные аппаратурные средства, поддерживающие процедуры восстановления после сбоев и локализации неисправностей.
Основными характеристиками системы автоматического контроля правильности функционирования ЭВМ являются:
а) отношение количества оборудования, охваченного системой контроля, к общему количеству оборудования ЭВМ;
б) вероятность обнаружения системой контроля ошибок в функционировании ЭВМ;
в) степень детализации, с которой система контроля указывает место возникновения ошибки;
г) отношение количества оборудования системы контроля к общему количеству оборудования ЭВМ.
Основными характеристиками системы автоматического диагностирования являются:
а) вероятность правильного обнаружения места отказа;
б) разрешающая способность, равная среднему числу подозреваемых сменных блоков;
в) доля аппаратурных средств системы диагностирования в общем оборудовании ЭВМ [ 3 ].
Виды контроля комбинационных схем.
-
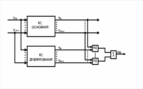
Контроль с помощью дублирования (рис.1).
-
Контроль с помощью обратных схем (рис.2).
На входы X0-Xn-1 приходят сигналы, которые подаются на: основную и дублирующую схемы. Далее выходные сигналы Y0-Ym-1 анализируются в блоках M2. Завершающем этапом является логические операции в логическом блоке,
Рис.1. Схема контроля построенная на основе дублирования
Рис.2. Схема контроля построенная по принципу обратной схемы
на выходе которого, сформируется сигнал (ОШ) показывающий, есть ошибка или нет.
Суть контроля с помощью обратной схемы (данный метод называется воспроизведением входных сигналов) состоит в сравнении входных сигналов основной схемы с выходными контролирующими.
1.2 Выбор и обоснование функциональной схемы, элементной базы
При работе дешифратора могут возникнуть следующие виды ошибок:
а) наличие двух или более активных сигналов на выходах дешифратора;
б) отсутствие активных сигналов на выходах дешифратора.
Схема контроля дешифратора (рис.3, рис.4) состоит из трех блоков:
а) входного блока - на него подаются сигналы с выходов дешифратора, над этими сигналами выполняются логические операции, после чего формируются выходные сигналы, необходимые для дальнейшего сравнения и анализа;
б) промежуточный блок - в этот блок поступают сигналы с входного блока, которые подвергаются сравнению и анализу, с выходов блока формируются сигналы, необходимые для формирования сигнала сообщающего о ошибке;
в) выходной блок - на него поступают сигналы из промежуточного блока, на основе этих сигналов формируется сигнал ошибки, если сигнал ошибки высокого уровня, т.е. лог.1, есть ошибка. Если лог.0 дешифратор сработал нормально, без ошибки.
В курсовом проекте рассматривается схема - 1, изображенная на рис.3. За счет инвертирующих элементов в схеме - 2 (рис.4), быстродействие ее больше, чем в первой схеме. Но схема - 1проще в построении, также в ней используется меньшее количество ИМС при построении схемы на печатной плате, что приводит к увеличению надежности работы схемы и меньшей ее цене.
Элементная база подбиралась по основным характеристикам: повышенное быстродействие, малая потребляемая мощность, минимальные токи потребления.
ИМС используемые в схеме:
-
ИМС - КР1533ЛИ1
Изготовлена по ТТЛШ - технологии, выпускается в полимерном корпусе.
Назначения выводов 1,2,4,5,9,10,12,13 - входы 1 - 4 лог. элементов, 3,6,8,11 - выходы лог. элементов. К 14 - выводу подключается Uпит, а вывод 7 является общим.
Параметры и эксплуатационные данные
Iпот - не более 4,0 мА Uвых - не более 0,5 В
Iпот - не более 2,4 мА Uвых - не менее 2,7 В
Iвх - не более 2 мкА tзд.р и tзд.р - не более 15 нс.
Iвх - не более 50 мкА Uпит - 5 В 5%
Tокр - от -10’C до +70’C
-
ИМС - КР1531ЛЛ1
Изготовлена по ТТЛШ - технологии, выпускается в полимерном корпусе.
Назначения выводов 1,2,4,5,9,10,12,13 - входы 1 - 4 лог. элементов, 3,6,8,11 - выходы лог. элементов. К 14 - выводу подключается Uпит, а вывод 7 является общим.
Параметры и эксплуатационные данные
Iпот - не более 15,5 мА Uвых - не более 0,5 В
Iпот - не более 8,3 мА Uвых - не менее 2,7 В
Iвх - не более -0,6 мА tзд.р. - не более 5,0 нс
Iвх - не более 20 мкА tзд.р - не более 5,5 нс
Uпит - 5 В 5% Tокр - от -10’С до +70’С
-
ИМС - К155ЛЕ4
Изготовлена по ТТЛ - технологии, выпускается в пластмассовом корпусе.
Назначения выводов 1,2,3,4,5,9,10,11,13 - входы 1 - 3 лог. элементов, 6,8,12 - выходы лог. элементов. К 14 - выводу подключается Uпит, а вывод 7 является общим.
Параметры и эксплуатационные данные
Iпот - не более 26 мА Uвых - не более 0,4 В
Iпот - не более 16 мА Uвых - не менее 2,4 В
Iвх - не более -1,6 мА tзд.р. - не более 11 нс
Iвх - не более 40 мкА tзд.р - не более 15 нс
Uпит - 5 В 5% Tокр - от -10’С до +70’С
-
ИМС - КР531ЛН1
Изготовлена по ТТЛШ - технологии, выпускается в пластмассовом корпусе.
Назначения выводов 1,3,5,9,11,13 - входы 1 - 6 лог. элементов, 2,4,6,8,10,12 - выходы лог. элементов. К 14 - выводу подключается Uпит, а вывод 7 является общим.
Параметры и эксплуатационные данные
Iпот - не более 54 мА Uвых - не более 0,5 В
Iпот - не более 24 мА Uвых - не менее 2,5 В
Iвх - не более -2,0 мА tзд.р. - не более 5 нс
Iвх - не более 50 мкА tзд.р - не более 4,5 нс
Uпит - 5 В 5% Tокр - от -10’С до +70’С
2. СПЕЦИАЛЬНАЯ ЧАСТЬ
-
Логический расчет схемы
-
Расчет входного блока
В входной блок (рис.3) поступают сигналы A0, A1, A2, A3, B0, B1, B2, B3 с дешифратора, после логических операций с четырех элементов выходного блока формируются сигналы E и S. Чтобы рассчитать выходные сигналы, нужно посмотреть табл.1. Из таблицы истинности видно, что сигнал E=1, только в том случае, если сигналы A и B равны лог. 1. На основе этого можно построить карту Карно, она приведена рядом, далее из карты можно получить следующую формулу для сигнала E:
Рис.3. Схема контроля дешифратора с прямыми выходами
Рис.4. Схема контроля дешифратора с инверсными выходами
E=AŸB
Для сигнала S получается следующая формула:
S=A+B,
Таблица 1.
Таблица истинности входного блока и карты Карно для сигналов E и S.
Карта Карно Карта Карно
для сигнала E для сигнала S
| A | B | E | S | B | B | B | B | |||||||
| 0 | 0 | 0 | 0 | A | 1 | A | 1 | 1 | ||||||
| 0 | 1 | 0 | 1 | A | A | 1 | ||||||||
| 1 | 0 | 0 | 1 | |||||||||||
| 1 | 1 | 1 | 1 |
-
Расчет промежуточного блока
Промежуточный блок состоит из двух под блоков, эти блоки полностью аналогичны. В промежуточный блок поступают сигналы E1,E2,S1 и S2 с элементов выходного блока,
после логических операций, в промежуточном блоке на выходах формируются сигналы E и S. Для логического расчета выходных сигналов, можно рассмотреть один из под блоков схемы.
Табл.2, по данным в таблицы истинности, строятся карты Карно, а из карт можно получить следующие формулы:
Формула для сигнала E:
E=E1+E2+S1ŸS2
Характеристики
Тип файла документ
Документы такого типа открываются такими программами, как Microsoft Office Word на компьютерах Windows, Apple Pages на компьютерах Mac, Open Office - бесплатная альтернатива на различных платформах, в том числе Linux. Наиболее простым и современным решением будут Google документы, так как открываются онлайн без скачивания прямо в браузере на любой платформе. Существуют российские качественные аналоги, например от Яндекса.
Будьте внимательны на мобильных устройствах, так как там используются упрощённый функционал даже в официальном приложении от Microsoft, поэтому для просмотра скачивайте PDF-версию. А если нужно редактировать файл, то используйте оригинальный файл.
Файлы такого типа обычно разбиты на страницы, а текст может быть форматированным (жирный, курсив, выбор шрифта, таблицы и т.п.), а также в него можно добавлять изображения. Формат идеально подходит для рефератов, докладов и РПЗ курсовых проектов, которые необходимо распечатать. Кстати перед печатью также сохраняйте файл в PDF, так как принтер может начудить со шрифтами.















