ref-14408 (721926), страница 3
Текст из файла (страница 3)
Ток делителя
выбирается равным
, где
- базовый ток транзистора и вычисляется по формуле:
Тогда:
Напряжение питания рассчитывается по формуле:
(В)
Расчёт величин резисторов производится по следующим формулам:
В диапазоне температур от 0 до 50 градусов для рассчитанной подобным образом схемы, результирующий уход тока покоя транзистора, как правило, не превышает (10-15)%, то есть схема имеет вполне приемлемую стабилизацию.
7.2 Транзистор VT1
В качестве транзистора VT1 используем транзистор КТ339А с той же рабочей точкой что и для транзистора VT2:
Iко= 5мА
Uкэо=10В
Возьмем Rк = 100 (Ом).
Рассчитаем параметры эквивалентной схемы для данного транзистора используя формулы 5.1 - 5.13 и 7.1 - 7.3.
Ск(треб)=Ск(пасп)*
=2
=1,41 (пФ), где
Ск(треб)-ёмкость коллекторного перехода при заданном Uкэ0,
Ск(пасп)-справочное значение ёмкости коллектора при Uкэ(пасп).
rб=
=17,7 (Ом); gб=
=0,057 (Cм), где
rб-сопротивление базы,
-справочное значение постоянной цепи обратной связи.
Iк0 в мА,
rэ-сопротивление эмитера.
gбэ-проводимость база-эмитер,
-справочное значение статического коэффициента передачи тока в схеме с общим эмитером.
Cэ-ёмкость эмитера,
fт-справочное значение граничной частоты транзистора при которой
=1
Ri-выходное сопротивление транзистора,
Uкэ0(доп), Iк0(доп)-соответственно паспортные значения допустимого напряжения на коллекторе и постоянной составляющей тока коллектора.
gi=1(мСм).
– входное сопротивление и входная емкость нагружающего каскада.
- верхняя граничная частота при условии что на каждый каскад приходится по 0,75 дБ искажений. Данное значение fв удовлетворяет техническому заданию. Нет необходимости в коррекции.
7.2.1 Расчет схемы термостабилизации
Как было сказано в пункте 7.1.1 в данном усилителе наиболее приемлема эмиттерная термостабилизация поскольку транзистор КТ339А является маломощным, кроме того эмиттерная стабилизация проста в реализации. Схема эмиттерной термостабилизации приведена на рисунке 4.1.
Порядок расчета:
1. Выберем напряжение эмиттера
, ток делителя
и напряжение питания
;
Ток делителя
выбирается равным
, где
- базовый ток транзистора и вычисляется по формуле:
Тогда:
Напряжение питания рассчитывается по формуле:
(В)
Расчёт величин резисторов производится по следующим формулам:
8. Искажения вносимые входной цепью
Принципиальная схема входной цепи каскада приведена на рис. 8.1.
а) б)
Рисунок 8.1 - Принципиальная схема входной цепи каскада
При условии аппроксимации входного сопротивления каскада параллельной RC-цепью, коэффициент передачи входной цепи в области верхних частот описывается выражением:
,
где
; (8.1)
; (8.2)
; (8.3)
–
входное сопротивление и входная емкость каскада.
Значение
входной цепи рассчитывается по формуле (5.13), где вместо
подставляется величина
.
9. Расчет Сф, Rф, Ср
В принципиальной схеме усилителя предусмотрено четыре разделительных конденсатора и три конденсатора стабилизации. В техническом задании сказано что искажения плоской вершины импульса должны составлять не более 5%. Следовательно каждый разделительный конденсатор должен искажать плоскую вершину импульса не более чем на 0.71%.
Искажения плоской вершины вычисляются по формуле:
где τ и - длительность импульса.
Вычислим τн:
Тогда:
τн и Ср связаны соотношением:
где Rл, Rп - сопротивление слева и справа от емкости.
Вычислим Ср. Сопротивление входа первого каскада равно сопротивлению параллельно соединенных сопротивлений: входного транзисторного, Rб1 и Rб2.
Rп=Rвх||Rб1||Rб2=628(Ом)
Сопротивление выхода первого каскада равно параллельному соединению Rк и выходного сопротивления транзистора Ri.
Rл=Rк||Ri=90,3(Ом)
Rп=Rвх||Rб1||Rб2=620(Ом)
Rл=Rк||Ri=444(Ом)
Rп=Rвх||Rб1||Rб2=48(Ом)
Rл=Rк||Ri=71(Ом)
Rп=Rн =75(Ом)
где Ср1 - разделительный конденсатор между Rг и первым каскадом, С12 - между первым и вторым каскадом, С23 - между вторым и третьим, С3 - между оконечным каскадом и нагрузкой. Поставив все остальные емкости по 479∙10-9Ф, мы обеспечим спад, меньше требуемого.
Вычислим Rф и Сф (URФ=1В):
10. Заключение
В данном курсовом проекте разработан импульсный усилитель с использованием транзисторов 2Т602А, КТ339А, имеет следующие технические характеристики:
- верхняя граничная частота 14МГц;
- коэффициент усиления 64 дБ;
- сопротивление генератора и нагрузки 75 Ом;
- напряжение питания 18 В.
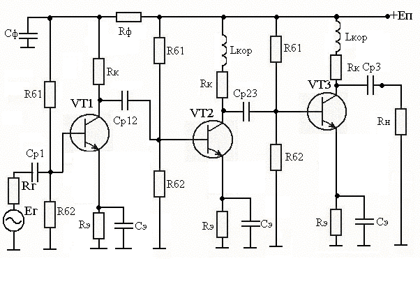
Схема усилителя представлена на рисунке 10.1.
Рисунок 10.1 - Схема усилителя
При вычислении характеристик усилителя использовалось следующее программное обеспечение: MathCad, Work Bench.
Литература
-
Полупроводниковые приборы. Транзисторы средней и большой мощности: Справочник/ А.А. Зайцев, А.И. Миркин, В.В. Мокряков и др. Под редакцией А.В. Голомедова.-М.: Радио и Связь, 1989.-640с.
-
Расчет элементов высокочастотной коррекции усилительных каскадов на биполярных транзисторах. Учебно-методическое пособие по курсовому проектированию для студентов радиотехнических специальностей / А.А. Титов, Томск: Том. гос. ун-т систем управления и радиоэлектроники, 2002. - 45с.
=0,803 (пФ), где 














