ref-14408 (721926), страница 2
Текст из файла (страница 2)
Ток делителя
выбирается равным
, где
- базовый ток транзистора и вычисляется по формуле:
Тогда:
Напряжение питания рассчитывается по формуле:
(В)
Расчёт величин резисторов производится по следующим формулам:
Данная методика расчёта не учитывает напрямую заданный диапазон температур окружающей среды, однако, в диапазоне температур от 0 до 50 градусов для рассчитанной подобным образом схемы, результирующий уход тока покоя транзистора, как правило, не превышает (10-15)%, то есть схема имеет вполне приемлемую стабилизацию.
4.2 Пассивная коллекторная термостабилизация
Рисунок 4.2 - Схема пассивной коллекторной термостабилизации.
Пусть URк=10В
Еп=Uкэо+URк=10+10=20В (4.2.2)
Ток базы определяется Rб. При увеличении тока коллектора напряжение на Uкэо падает и следовательно уменьшается ток базы, а это не даёт увеличиваться дальше току коллектора. Но чтобы стал изменяться ток базы, напряжение Uкэо должно измениться на 10-20%, то есть Rк должно быть очень велико, что оправдывается только в маломощных каскадах.
4.3 Активная коллекторная термостабилизация
Рисунок 4.3 - Схема активной коллекторной термостабилизации
Сделаем так чтобы Rб зависело от напряжения Ut. Получим что при незначительном изменении тока коллектора значительно изменится ток базы. И вместо большого Rк можно поставить меньшее на котором бы падало небольшое (порядка 1В) напряжение.
Статический коэффициент передачи по току первого транзистора о1=30. UR4=5В.
Pрас1 = Uкэо1*Iко1 = 5*1,68*10-3 = 8,4 мВт
Еп = Uкэо2+UR4 = 10+5 = 15В (4.3.6)
Данная схема требует значительное количество дополнительных элементов, в том числе и активных. При повреждении емкости С1 каскад самовозбудится и будет не усиливать, а генерировать, т.е. данный вариант не желателен, поскольку параметры усилителя должны как можно меньше зависеть от изменения параметров его элементов. Наиболее приемлема эмиттерная термостабилизация.
5. Расчёт параметров схемы Джиаколетто
Рисунок 5.1 - Эквивалентная схема биполярного транзистора (схема
Джиаколетто)
Ск(треб)=Ск(пасп)*
=4
=8,9 (пФ), где
Ск(треб)-ёмкость коллекторного перехода при заданном Uкэ0,
Ск(пасп)-справочное значение ёмкости коллектора при Uкэ(пасп).
rб=
=33,5 (Ом); gб=
=0,03 (Cм), где (5.1)
rб-сопротивление базы,
-справочное значение постоянной цепи обратной связи.
Iк0 в мА,
rэ-сопротивление эмиттера.
gбэ-проводимость база-эмиттер,
-справочное значение статического коэффициента передачи тока в схеме с общим эмиттером.
Cэ-ёмкость эмиттера,
fт-справочное значение граничной частоты транзистора при которой
=1
Ri-выходное сопротивление транзистора,
Uкэ0(доп), Iк0(доп)-соответственно паспортные значения допустимого напряжения на коллекторе и постоянной составляющей тока коллектора.
gi=0.75(мСм).
где К0 - коэффициент усиления резисторного каскада
где τв - постоянная времени верхних частот резисторного каскада
где τ - постоянная времени верхних частот
где S0 - крутизна проходной характеристики
где Свх - входная динамическая емкость каскада
где fв - верхняя граничная частота
Из формул 5.6 - 5.11 получим:
- верхняя граничная частота при условии что на каждый каскад приходится по 0,75 дБ искажений.
Данное значение верхней граничной частоты не удовлетворяет требованиям технического задания, поэтому потребуется введение коррекции.
6. Расчет высокочастотной индуктивной коррекции
Схема высокочастотной индуктивной коррекции представлена на рисунке 6.1.
Рисунок 6.1 - Схема индуктивной высокочастотной коррекции
Высокочастотная индуктивная коррекция вводится для коррекции искажений АЧХ вносимых транзистором. Корректирующий эффект в схеме достигается за счет возрастания сопротивления коллекторной цепи с ростом частоты усиливаемого сигнала и компенсации, благодаря этому, шунтирующего действия выходной емкости транзистора.
Коэффициент усиления каскада в области верхних частот, при оптимальном значении
равном:
,
описывается выражением:
,
где
;
;
Очевидно что при неизменном Rк коэффициент усиления К0 - не изменится.
;
в ,
и
параметры рассчитанные по формулам 5.7, 5.8, 5.9.
Lк = 75*6.55*10-9 =4.9*10-9 (Гн)
fв каскада равна:
7. Промежуточный каскад
7.1 Расчет рабочей точки. Транзистор VT2
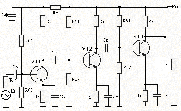
Рисунок 7.1 - Предварительная схема усилителя
Возьмем Rк = 800 (Ом).
Кроме того при выборе транзистора следует учесть: fв=14 (МГц).
Этим требованиям соответствует транзистор КТ339А. Однако данные о его параметрах при заданном токе и напряжении недостаточны, поэтому выберем следующую рабочую точку:
Iко= 5мА
Uкэо=10В
Таблица 7.1 - Параметры используемого транзистора
| Наимено-вание | Обозначение | Значения |
| Ск | Емкость коллекторного перехода | 2 пФ |
| Сэ | Емкость эмиттерного перехода | 4 пФ |
| Fт | Граничная частота транзистора | 300 МГц |
| Βо | Статический коэффициент передачи тока в схеме с ОЭ | 100 |
| Tо | Температура окружающей среды | 25оС |
| Iк | Постоянный ток коллектора | 25 мА |
| Тперmax | Температура перехода | 448 К |
| Pрас | Постоянная рассеиваемая мощность (без теплоотвода) | 0,26 Вт |
Рассчитаем параметры эквивалентной схемы для данного транзистора используя формулы 5.1 - 5.13.
Ск(треб)=Ск(пасп)*
=2
=1,41 (пФ), где
Ск(треб)-ёмкость коллекторного перехода при заданном Uкэ0,
Ск(пасп)-справочное значение ёмкости коллектора при Uкэ(пасп).
rб=
=17,7 (Ом); gб=
=0,057 (Cм), где
rб-сопротивление базы,
-справочное значение постоянной цепи обратной связи.
Iк0 в мА,
rэ-сопротивление эмитера.
gбэ-проводимость база-эмитер,
-справочное значение статического коэффициента передачи тока в схеме с общим эмиттером.
Cэ-ёмкость эмиттера,
fт-справочное значение граничной частоты транзистора при которой
=1
Ri-выходное сопротивление транзистора,
Uкэ0(доп), Iк0(доп)-соответственно паспортные значения допустимого напряжения на коллекторе и постоянной составляющей тока коллектора.
gi=1(мСм).
(7.2)
– входное сопротивление и входная емкость нагружающего каскада.
- верхняя граничная частота при условии что на каждый каскад приходится по 0,75 дБ искажений. Желательно ввести коррекцию.
7.1.1 Расчет высокочастотной индуктивной коррекции
Схема высокочастотной индуктивной коррекции представлена на рисунке 7.2.
Рисунок 7.2 - Схема высокочастотной индуктивной коррекции
промежуточного каскада
Высокочастотная индуктивная коррекция вводится для коррекции искажений АЧХ вносимых транзистором. Корректирующий эффект в схеме достигается за счет возрастания сопротивления коллекторной цепи с ростом частоты усиливаемого сигнала и компенсации, благодаря этому, шунтирующего действия выходной емкости транзистора.
Расчетные формулы:
,
,
где
;
;
При неизменном Rк коэффициент усиления не будет изменятся.
;
τ ,τв и S0 рассчитываются по 5.7, 5.8, 5.9.
=
- верхняя граничная частота корректированного каскада при условии что на каждый каскад приходится по 0,75 дБ искажений.
7.1.2 Расчет схемы термостабилизации
Используем эмиттерную стабилизация поскольку был выбран маломощный транзистор, кроме того эмиттерная стабилизация уже применяется в рассчитываемом усилителе. Схема эмиттерной термостабилизации приведена на рисунке 4.1.
Порядок расчета:
1. Выберем напряжение эмиттера
, ток делителя
и напряжение питания
;
Напряжение эмиттера
выбирается равным порядка
. Выберем
.
=0,803 (пФ), где 














