anten_amplif (721892), страница 3
Текст из файла (страница 3)
Схема входной КЦ представлена на рисунке 3.10. Её расчёт, а также табличные значения аналогичны описанным в пункте 3.5.1. Отличие в том, что табличные значения не требуют пересчёта, так как ёмкость слева от КЦ равна 0, а справа – . Поэтому денормировав эти значения мы сразу получим элементы КЦ. Денормируем величины относительно сопротивления генератора сигнала
и
. Расчёт такой цепи также можно найти в [4].
Рисунок 3.10
Табличные значения (искажения в области ВЧ не более 0.5 дБ):
После денормирования получаем следующие величины:
Индуктивность
практически равна входной индуктивности транзистора VT1, поэтому её роль будут выполнять выводы транзистора.
Расчёт суммарного коэффициента передачи корректирующей цепи и транзистора VT1 в области средних частот произведём по формуле 3.5.7, заменив
на
, которое находится по аналогичным формулам, и, взяв коэффициент усиления по мощности:
Нужно не забывать, что все нормированные величины в этом пункте нормированы относительно
.
Получим коэффициент усиления:
Неравномерность коэффициента усиления не превышает 1дБ. Таким образом, суммарные искажения в области ВЧ не превысят 2.5дБ.
Коэффициент передачи всего усилителя:
3.6 Расчёт разделительных и блокировочных ёмкостей
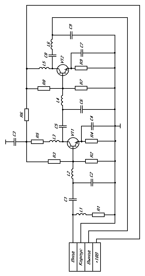
На рисунке 3.11 приведена принципиальная схема усилителя. Рассчитаем номиналы элементов обозначенных на схеме. Расчёт производится в соответствии с методикой описанной в [1]
Рисунок 3.11
Рассчитаем сопротивление и ёмкость фильтра по формулам:
где
– напряжение питания усилителя равное напряжению питания выходного каскада;
– напряжение питания входного каскада;
– соответственно коллекторный, базовый токи и ток делителя входного каскада;
где
– нижняя граничная частота усилителя.
Дроссель в коллекторной цепи выходного каскада ставится для того, чтобы выход транзистора по переменному току не был заземлен. Его величина выбирается исходя из условия:
Так как ёмкости, стоящие в эмиттерных цепях, а также разделительные ёмкости вносят искажения в области нижних частот, то их расчёт следует производить, руководствуясь допустимым коэффициентом частотных искажений. В данной работе этот коэффициент составляет 3дБ. Всего ёмкостей три, поэтому можно распределить на каждую из них по 1дБ.
Найдём постоянную времени, соответствующую неравномерности 1дБ по формуле:
где
– допустимые искажения в разах.
Блокировочные ёмкости
и
можно рассчитать по общей формуле, взяв для каждой соответствующую крутизну.
Величину разделительного конденсатора найдём по формуле:
где
– выходное сопротивление транзистора VT2.
4. Заключение
Рассчитанный усилитель имеет следующие технические характеристики:
1. Рабочая полоса частот: 400-800 МГц
2. Линейные искажения
в области нижних частот не более 3 дБ
в области верхних частот не более 2.5 дБ
3. Коэффициент усиления 30дБ с подъёмом области верхних частот 6 дБ
4. Амплитуда выходного напряжения Uвых=2.5 В
5. Питание однополярное, Eп=10 В
6. Диапазон рабочих температур: от +10 до +60 градусов Цельсия
Усилитель рассчитан на нагрузку Rн=50 Ом
Усилитель имеет запас по усилению 5дБ, это нужно для того, чтобы в случае ухудшения, в силу каких либо причин, параметров отдельных элементов коэффициент передачи усилителя не опускался ниже заданного уровня, определённого техническим заданием.
| | |||||||||||
| РТФ КП 468730.001.ПЗ | |||||||||||
| Лит | Масса | Масштаб | |||||||||
| Изм | Лист | Nдокум. | Подп. | Дата | АНТЕННЫЙ | ||||||
| Выполнил | Размолодин | УCИЛИТЕЛЬ | |||||||||
Проверил | Титов | ||||||||||
| Лист | Листов | ||||||||||
ТУСУР РТФ | |||||||||||
Принципиальная | Кафедра РЗИ | ||||||||||
| схема | гр. 148-3 | ||||||||||
| Позиция Обозн. | Наименование | Кол | Примечание |
| Конденсаторы ОЖ0.460.203 ТУ |
| С1 | КД-2-22пФ5% | 1 | |||||||||||||||||||||||||||
| С2 | КД-2-27пФ5% | 1 | |||||||||||||||||||||||||||
| С3 | КД-2-7,5пФ5 | 1 | |||||||||||||||||||||||||||
| С4 | КД-2-91пФ5% | 1 | |||||||||||||||||||||||||||
| C5 | КД-2-1,2пФ5% | 1 | |||||||||||||||||||||||||||
| С6 | КД-2-0,5пФ5% | 1 | |||||||||||||||||||||||||||
| С7 | КД-2-510пФ5% | 1 | |||||||||||||||||||||||||||
| С8 | КД-2-5,1пФ5% | 1 | |||||||||||||||||||||||||||
| С9 | КД-2-2,7пФ5% | 1 | |||||||||||||||||||||||||||
| Катушки индуктивности | 1 | ||||||||||||||||||||||||||||
| L1 | Индуктивность 11нГн10% | 1 | |||||||||||||||||||||||||||
| L2 | Индуктивность 1,75нГн10% | 1 | Роль этой индуктивности выполняют выводы транзистора | ||||||||||||||||||||||||||
| L3 | Индуктивность 0,11мкГн10% | 1 | |||||||||||||||||||||||||||
| L4 | Индуктивность 51,5нГн10% | 1 | |||||||||||||||||||||||||||
| L5 | Индуктивность 20мкГн10% | 1 | |||||||||||||||||||||||||||
| L6 | Индуктивность 9,1нГн 10% | 1 | |||||||||||||||||||||||||||
| Резисторы ГОСТ 7113-77 | |||||||||||||||||||||||||||||
| R1 | МЛТ–0,125-27Ом10% | ||||||||||||||||||||||||||||
| R2 | МЛТ–0,125-2,4кОм10% | 1 | |||||||||||||||||||||||||||
| R3 | МЛТ–0,125-1,5кОм10% | 1 | |||||||||||||||||||||||||||
| R4 | МЛТ–0,125-1,3кОм10% | 1 | |||||||||||||||||||||||||||
| R5 | МЛТ–0,125-270Ом10% | 1 | |||||||||||||||||||||||||||
| R6 | МЛТ–0,125-1кОм10% | 1 | |||||||||||||||||||||||||||
| R7 | МЛТ–0,125-820Ом10% | 1 | |||||||||||||||||||||||||||
| R8 | МЛТ–0,125-560Ом10% | 1 | |||||||||||||||||||||||||||
| R9 | МЛТ–0,125-91Ом10% | 1 | |||||||||||||||||||||||||||
| Транзисторы | |||||||||||||||||||||||||||||
| VT1 | КТ371А | 1 | |||||||||||||||||||||||||||
| VT2 | КТ996Б-2 | 1 | |||||||||||||||||||||||||||
| РТФ КП 468730.001 ПЗ | |||||||||||||||||||||||||||||
| Лит | Масса | Масштаб | |||||||||||||||||||||||||||
| Изм | Лист | Nдокум. | Подп. | Дата | АНТЕННЫЙ | ||||||||||||||||||||||||
| Выполнил | Размолодин | УСИЛИТЕЛЬ | У | ||||||||||||||||||||||||||
Провер. | Титов | ||||||||||||||||||||||||||||
| Лист | Листов | ||||||||||||||||||||||||||||
ТУСУР РТФ | |||||||||||||||||||||||||||||
Перечень элементов | Кафедра РЗИ | ||||||||||||||||||||||||||||
| гр. 148-3 | |||||||||||||||||||||||||||||
Литература
-
Красько А.С., Проектирование усилительных устройств, методические указания
-
Титов А.А. Расчет корректирующих цепей широкополосных усилительных каскадов на биполярных транзисторах – http://referat.ru/download/ref-2764.zip
-
Болтовский Ю.Г., Расчёт цепей термостабилизации электрического режима транзисторов, методические указания
-
Титов А.А., Григорьев Д.А., Расчёт элементов высокочастотной коррекции усилительных каскадов на полевых транзисторах, учебно-методическое пособие
- 29 -















