anten_amplif (721892), страница 2
Текст из файла (страница 2)
где
– напряжение на переходе база-эмиттер равное 0.7 В;
Получим следующие значения:
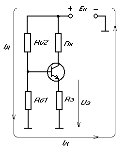
3.3.4.2 Активная коллекторная термостабилизация
Активная коллекторная термостабилизация используется в мощных каскадах и является очень эффективной, её схема представлена на рисунке 3.5. Её описание и расчёт можно найти в [2].
Рисунок 3.5
В качестве VT1 возьмём КТ315А. Выбираем падение напряжения на резисторе
из условия
(пусть
В), затем производим следующий расчёт:
где
– статический коэффициент передачи тока в схеме с ОБ транзистора КТ315А;
Получаем следующие значения:
Величина индуктивности дросселя выбирается таким образом, чтобы переменная составляющая тока не заземлялась через источник питания, а величина блокировочной ёмкости – таким образом, чтобы коллектор транзистора VT1 по переменному току был заземлён.
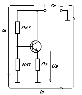
3.3.4.3 Эмиттерная термостабилизация
Для выходного каскада выбрана эмиттерная термостабилизация, схема которой приведена на рисунке 3.6. Метод расчёта и анализа эмиттерной термостабилизации подробно описан в [3].
Рисунок 3.6
Расчёт производится по следующей схеме:
1.Выбираются напряжение эмиттера
и ток делителя
(см. рис. 3.4), а также напряжение питания
;
3. Производится поверка – будет ли схема термостабильна при выбранных значениях
и
. Если нет, то вновь осуществляется подбор
и
.
В данной работе схема является термостабильной при
В и
мА. Учитывая то, что в коллекторной цепи отсутствует резистор, то напряжение питания рассчитывается по формуле
В. Расчёт величин резисторов производится по следующим формулам:
Для того, чтобы выяснить будет ли схема термостабильной производится расчёт приведённых ниже величин.
Тепловое сопротивление переход – окружающая среда:
Температура перехода:
где
К – температура окружающей среды (в данном случае взята максимальная рабочая температура усилителя);
– мощность, рассеиваемая на коллекторе.
Неуправляемый ток коллекторного перехода:
где
– отклонение температуры транзистора от нормальной;
– коэффициент, равный 0.063–0.091 для германия и 0.083–0.120 для кремния.
Параметры транзистора с учётом изменения температуры:
где
равно 2.2(мВ/градус Цельсия) для германия и
3(мВ/градус Цельсия) для кремния.
Определим полный постоянный ток коллектора при изменении температуры:
где
Для того чтобы схема была термостабильна необходимо выполнение условия:
Рассчитывая по приведённым выше формулам, получим следующие значения:
Как видно из расчётов условие термостабильности выполняется.
3.4 Расчёт входного каскада по постоянному току
3.4.1 Выбор рабочей точки
При расчёте требуемого режима транзистора промежуточных и входного каскадов по постоянному току следует ориентироваться на соотношения, приведённые в пункте 3.3.1 с учётом того, что
заменяется на входное сопротивление последующего каскада. Но, при малосигнальном режиме, за основу можно брать типовой режим транзистора (обычно для маломощных ВЧ и СВЧ транзисторов
мА и
В). Поэтому координаты рабочей точки выберем следующие
мА,
В. Мощность, рассеиваемая на коллекторе
мВт.
3.4.2 Выбор транзистора
Выбор транзистора осуществляется в соответствии с требованиями, приведенными в пункте 3.3.2. Этим требованиям отвечает транзистор КТ371А. Его основные технические характеристики приведены ниже.
Электрические параметры:
Предельные эксплуатационные данные:
3.4.3 Расчёт эквивалентной схемы транзистора
Эквивалентная схема имеет тот же вид, что и схема представленная на рисунке 3.3. Расчёт её элементов производится по формулам, приведённым в пункте 3.3.3.
3.4.4 Расчёт цепи термостабилизации
Для входного каскада также выбрана эмиттерная термостабилизация, схема которой приведена на рисунке 3.7.
Рисунок 3.7
Метод расчёта схемы идентичен приведённому в пункте 3.3.4.3 с той лишь особенностью что присутствует, как видно из рисунка, сопротивление в цепи коллектора
. Это сопротивление является частью корректирующей цепи и расчёт описан в пункте 3.5.2.
Эта схема термостабильна при
В и
мА. Напряжение питания рассчитывается по формуле
В.
Рассчитывая по формулам 3.3.19–3.3.29 получим:
Условие термостабильности выполняется.
3.4 Расчёт корректирующих цепей
3.4.1 Выходная корректирующая цепь
Расчёт всех КЦ производится в соответствии с методикой описанной в [4]. Схема выходной корректирующей цепи представлена на рисунке 3.8. Найдём
– выходное сопротивление транзистора нормированное относительно
и
.
Рисунок 3.8
Теперь по таблице приведённой в [4] найдём ближайшее к рассчитанному значение
и выберем соответствующие ему нормированные величины элементов КЦ
и
, а также
–коэффициент, определяющий величину ощущаемого сопротивления нагрузки
и модуль коэффициента отражения
.
Найдём истинные значения элементов по формулам:
Рассчитаем частотные искажения в области ВЧ, вносимые выходной цепью:
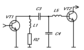
3.5.2 Расчёт межкаскадной КЦ
Схема МКЦ представлена на рисунке 3.9. Это корректирующая цепь четвёртого порядка, нормированные значения её элементов выбираются из таблицы, которую можно найти в [4], исходя из требуемой формы и неравномерности АЧХ. Нужно учесть, что элементы, приведённые в таблице, формируют АЧХ в диапазоне частот от 0 до
, а в данной работе каждая КЦ должна давать подъём 3дБ на октаву. Следовательно, чтобы обеспечить такой подъём нужно выбирать элементы, которые дают подъём 6дБ в диапазоне от 0 до
.
Рисунок 3.9
Нормированные значения элементов КЦ, приведённые ниже, выбраны для случая, когда неравномерность АЧХ цепи не превышает 0.5дБ.
Эти значения рассчитаны для случая, когда ёмкость слева от КЦ равна 0, а справа – . Произведём пересчёт значений по приведённым ниже формулам [4] с учётом того, что ёмкость слева равна выходной ёмкости транзистора VT1.
В формулах 3.5.6-3.5.10
– это нормированная выходная ёмкость транзистора VT1. Нормировка произведена относительно выходного сопротивления VT1 и циклической частоты
:
Получаем следующие пересчитанные значения:
Все величины нормированы относительно верхней циклической частоты
и выходного сопротивления транзистораVT1. После денормирования получим следующие значения элементов КЦ:
При подборе номиналов индуктивность
следует уменьшить на величину входной индуктивности транзистора. Нужно также отметить, что
и
стоят в коллекторной цепи входного каскада.
Найдём суммарный коэффициент передачи корректирующей цепи и транзистора VT2 в области средних частот по формуле [2]:
где
– коэффициент усиления транзистора по мощности в режиме двухстороннего согласования;
– нормированное относительно выходного сопротивления транзистора VT1 входное сопротивление каскада на транзисторе VT2, равное параллельному включению входного сопротивления транзистора
и сопротивления базового делителя
.
Коэффициент усиления равен:
Неравномерность коэффициента усиления не превышает 1дБ.
3.5.3 Расчёт входной КЦ















