125821 (717667), страница 2
Текст из файла (страница 2)
Конструктивно вторичный — «холодный пакет» 1 размещается в зоне сравнительно низких температур газов, а «горячий пакет» 2 выносится в зону высоких температур газов. Тепловосприятие пароперегревателя регулируется трехходовым клапаном 3, перепускающим часть «холодного» пара, помимо первого пакета, на вход второго. При таком способе регулирования температура вторичного пара практически не зависит от температуры первичного. В то же время диапазон регулирования может быть достаточно широким. ПИ-регулятор температуры 4 действует от двух сигналов — по отклонению температуры на выходе из вторичного пароперегревателя (основного) и дополнительного (исчезающего), сформированного с помощью дифференциатора 5 и датчика 6, установленного после смешения холодного и частично перегретого пара.
На случай чрезмерного повышения tв.п предусматривается дополнительный впрыск 7, управляемый автоматическим регулятором 8. Заданное значение tв.п основного регулятора 4 устанавливается меньшим, чем у регулятора 8, с тем, чтобы клапан аварийного впрыска 9 в нормальном режиме работы был закрыт. Кроме того, наличие блокировки в электрической схеме управления предусматривает возможность открытия аварийного клапана 9 лишь после полного открытия трехходового клапана 3.
4. Газовое регулирование. Эффективное воздействие на температуру вторичного перегрева пара может быть достигнуто за счет изменения количества теплоты, передаваемой поверхностям нагрева топочными газами. Для того чтобы общий расход топочных газов оставался неизменным, целесообразно воспользоваться перераспределением потока газов между газоходами конвективного перегревателя и водяного экономайзера. Принципиальная схема газового регулирования изображена на рис. 11.30. Регулирующие органы — поворотные заслонки, с помощью которых осуществляется перераспределение газового потока, должны быть выполнены из жаропрочного материала и оборудованы специальной системой воздушного охлаждения. На вход автоматических регуляторов вторичного перегрева при газовом регулировании подаются два сигнала: первый (основной) по tв.п, второй упреждающий (исчезающий) по температуре газов перед вторичным перегревателем.
Рис. 11.30. Газовое регулирование температуры вторичного пароперегревателя перераспределением потока газов: 1 — вторичный пароперегреватель; 2 — экономайзер; 3 — поворотные заслонки.
4. В чем заключается особенность барабана котла как объекта регулирования уровня? Какие факторы оказывают влияние на положение уровня в барабане?
Характеристика участка регулирования. Показателем соответствия материального баланса между паром и водой служит уровень в барабане Нб. Средний уровень воды должен поддерживаться постоянным при изменении нагрузки. Принято, что максимально допустимые отклонения уровня воды в барабане составляют ±100 мм от среднего значения, установленного заводом-изготовителем. Снижение уровня ниже видимой части водомерного стекла, устанавливаемого на барабане котла, считается «упуском» воды, а превышение его верхней видимой части — «перепиткой». Расстояние между этими критическими отметками составляет 400 мм. Снижение уровня ниже места присоединения опускных труб циркуляционного контура может привести к нарушению питания и охлаждения водой подъемных труб, нарушению их прочности в местах стыковки с корпусом барабана, а в наиболее тяжелом случае— пережогу. Чрезмерное повышение уровня может привести к ухудшению действия внутрибарабанных сепарационных устройств, преждевременному заносу солями пароперегревателя, а также к забросу частиц воды в турбину, что может явиться причиной тяжелых механических повреждений ее ротора и лопаток.
Снабжение барабана водой осуществляется по одной и, реже, двум ниткам трубопроводов питательной воды, одна из которых служит резервной.
Отклонение уровня воды в барабане от среднего значения характеризует наличие небаланса между притоком питательной воды и расходом пара; оно происходит также вследствие изменения содержания пара в пароводяной смеси подъемных труб за счет колебаний давления пара в барабане или изменений тепловосприятия испарительных поверхностей нагрева.
Кривая переходного процесса по уровню в барабане при возмущении расходом питательной воды для парового котла (420 т/ч) приведена на рис. 11.17, а. Динамика этого же участка при возмущении расходом пара показана на рис. 11.17,6.
Выпуклость начального участка кривой разгона при возмущении нагрузкой (увеличением) объясняется снижением давления пара, в свою очередь это приводит к увеличению паросодержания в подъемных трубах циркуляционного контура и росту уровня. Описанное явление носит название набухания или вспучивания.
Рис 11.17. Динамические характеристики котла типа ТП-87 по уровню воды в барабане при возмущениях: а — водой; б — паром
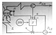
Схема автоматического регулирования. Автоматический регулятор должен обеспечить постоянство среднего значения уровня независимо от нагрузки парового котла и других возмущающих воздействий. В переходных режимах изменение уровня протекает довольно быстро, поэтому регулятор питания должен поддерживать постоянство соотношения расходов питательной воды и пара. Эту задачу выполняет трехимпульсный регулятор питания (рис. 11.18). Регулятор 3 перемещает клапан 4 при появлении сигнала небаланса между расходами питательной воды Dв.п и пара Dп.п. Помимо того, он воздействует на положение питательного клапана при отклонениях уровня от заданного значения Нб. Данная схема имеет широкое применение на крупных энергетических барабанных паровых котлах.
Рис. 11,18. Трехимпульсная АСР питания водой барабанного котла:
1 — барабан; 2 — экономайзер; 3 — регулятор питания; 4 — регулирующий клапан питательной воды















