124669 (717419)
Текст из файла
Тема: Управління трифазним електродвигуном на прикладі будівельної люльки ЛЭ-100-300
Розділ I. Люлька ЛЭ- 100 - 300
1.1 Призначення і застосування
1.2 Будова і принцип роботи
Розділ IІ. Експлуатація електродвигунів
2.1 Будова і принцип дії асинхронного двигуна
2.2 Обслуговування електродвигунів
2.3 Розбирання електричних машин
Розділ IІІ. Будова і принцип дії апаратури управління
Список використаної літератури
Розділ I. Люлька ЛЭ - 100 - 300
1.1 Призначення і застосування
Люлька ЛЭ-100-300 призначена для підйому людей (не більш двох чоловік), інструмента і будівельних матеріалів до робочого місця для виконання зовнішніх опоряджувальних робіт на будинках і спорудженнях висотою до 100 метрів у районах з помірним кліматом.
З люльки зручно робити облицювання і фарбування зовнішніх стін, оброблення швів і інші види обробки при будівництві нових і ремонті старих великопанельних блокових і цегельних будинків і споруджень. При цьому навантаження на люльку не повинна перевищувати 300 кг (з урахуванням маси робітників).
Індекс люльки ЛЭ-100-300 розшифровується так:
ЛЭ — люлька з електроприводом;
100 — максимальна висота підйому, м;
300 — вантажопідйомність, кг.
Технічні характеристики
| Місткість, чол., | не більш 2 |
| Роззаходи робочого настилу: | |
| довжина, м | 4 |
| ширина, м | 0,7 |
| вантажопідйомність, кг | 300 |
| максимальна висота підйому, м | 100 |
| швидкість підйому., м/хв. | 5,5 |
1.2 Будова і принцип роботи
Люлька ЛЭ-100-300 (рис. 1.1.) складається з каркаса 1, на якому по торцях установлені дві фрикційно-барабанні лебідки 2, відцентровий уловлювач 3. У робочому положенні люлька підвішена на двох вантажних 4 і двох запобіжних 5 канатах, закріплених на консолях. До нижніх кінців усіх канатів у землі прикріплені вантажі для натяжки цих канатів. Вантажні канати проходять через лебідки, а запобіжні - через уловлювачі.
Рис. 1.1. Схема люльки ЛЭ - 100 - 300
1 — каркас люльки; 2 — лебідка; 3 — уловлювач; 4 — канат вантажний; 5 — канат запобіжний; 6 — шафа керування; 7 — пульт керування.
Застосовувані фрикційно-барабанні лебідки, у відмінність, від звичайних, не намотують вантажний канат, а самі разом з колискою переміщаються по ньому на будь-яку висоту в залежності від довжини каната.
Це відбувається за рахунок тертя між струмками барабанів лебідки і канатами. Кожна лебідка оснащена колодковим і вантажоупорним гальмами, а також має додатковий ручний привод для можливого спуска люльки при раптовому відключенні електроенергії.
Установлені на колисці відцентрові уловлювачі забезпечують безпеку ведення робіт. При збільшенні швидкості спуска (падінні) люлька автоматично стопориться, тобто підвішується на запобіжних канатах. Причиною падіння люльки може бути обрив або ослаблення натягу робочого каната натяжним вантажем, несправності в лебідці, хоча при цьому вантажний канат натягнутий від ваги люльки.
Керування переміщенням люльки відбувається з переносного пульта 8. Електросхема люльки дозволяє керувати люлькою як з люльки, так і з землі, зробивши відповідні переключення штепсельних роз’ємів.
Будова лебідки
Лебідка складається з двох багатострумкових шківів-барабанів. Крутний момент, передається від електродвигуна на барабани через дві пари зубчастих коліс закритого редуктора й однієї зубцюватої ступіні, колеса якого прикріплені до торців фрикційних барабанів. Лебідка обладнана двома гальмами.
Вантажопід'ємне гальмо - дискове, із храповим механізмом, розташоване між першою і другою ступінями редуктора. Колодкове гальмо оснащене електромагнітом і встановлюються на гальмовому шківі муфти, що з'єднує вали електродвигуна і редуктора. Вал першої ступіні редуктора закінчується прорізом для установки рукоятки ручного привода. Завдяки блокувальному пристрою, що відключає ланцюг керування двигуном, на валові рукоятка ручного привода не буде обертатися від електродвигуна. Після запасування робочого каната барабани закриваються кожухом.
Лебідка працює так: електромагнітне гальмо при включенні лебідок на підйом або опускання розгальмовує їх, і лебідки, а з ними і люлька, починають переміщатися по канатах за рахунок тертя між ними і струмками барабанів. Тому люльки з даними лебідками можуть підніматися по натягнутих робочих канатах на будь-яку висоту в залежності від їхньої довжини. Якщо колодкове гальмо в силу яких-небудь причин відмовить, то вступить у роботу страхувальне вантажопід’ємне гальмо, що спрацьовує від обертання при опусканні люльки.
Уловлювач
На каркасі люльки закріплені відцентрові уловлювачі. Запобіжний канат при проходженні через уловлювач робить один виток на його блоці, де закріплені підпружинені кулачки, що вільно висять на своїх осях.
На одній осі з блоком вільно сидить диск із зубами, зв'язаний важелем із двома верхніми сергами. Верхні серги і нижні серги закріплені на осях у корпусі і мають фігурні вирізи для цапф лівого і правого стисків. Якщо швидкість опускання не перевищує робочу, запобіжний канат вільно проходить між стисками.
Уловлювач працює так, що при збільшенні швидкості опускання (падіння) прискорюється обертання блоку за рахунок сил тертя між канатом і блоком. Кулачки, відхиляючи відцентровою силою, упираються в зуби диска, змушуючи його повернутися на невеликий кут за годинниковою стрілкою. При цьому зв'язана з диском тяга, переборюючи зусилля пружини, тягне за собою верхні серги, а через стиски — нижні серги.
При цьому стиски, зближаючи один з одним, схоплюють запобіжний канат із силою, пропорційною зусиллю на канаті. При вільному підйомі й опусканні люльки система стисків, завдяки наявності пружини повернення, вільно пропускає запобіжний канат.
Консоль
Для підвіски люльки ЛЭ-100-300 на будинках із плоским дахом використовуються дві консолі, що входять у комплект постачання.
Консолі монтуються на даху будинку, де вони утримуються контрвантажем без додаткового кріплення.
Консоль складається з балки, що монтується за допомогою пальців, передньої і задньої опор і додаткового вантажу масою 280 кг, що складається з 14-ти контрвантажів по 20 кг кожний. Розбірність конструкції полегшує монтаж консолі. Під опори підкладають дерев'яні бруси з обов'язковим кріпленням їх до консолі щоб уникнути випадкового падіння на землю. Дана консоль призначена для підвіски люльки на будинках із плоским дахом.
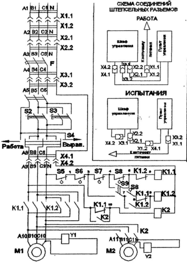
Електроустаткування
Електроустаткування люльки складається із шафи керування, пульта переносного, блокування ручного привода, обмежника висоти підйому й електропривода лебідок (Див. Рис. 2.1.).
Електросхема люльки запроектована на напругу живильної мережі 380 В, частотою 50 Гц із глухозаземленою нейтраллю. Електроживлення люльки подається через вільно висячий кабель.
Перед початком роботи необхідно ввімкнути автоматичний вимикач F, розташований у шафі керування. При керуванні з люльки тумблер S що знаходиться в шафі керування, поставити в положення "робота". При керуванні з землі тумблер S9 поставити в положення "іспит", зробивши відповідне переключення штепсельних роз’ємів згідно з електросхемою. При вирівнюванні люльки пакетний перемикач S4, що знаходиться на пульті переносному, необхідно поставити в положення "вирівнювання".
Для аварійної зупинки люльки пакетний перемикач S4 необхідно установити в положення "виключене".
Підйом (опускання) люльки виробляється безперервним натисканням на кнопку S2 (S3).
Підйом (опускання) однієї сторони люльки здійснюється шляхом, натискання пускача S2 - "нагору" (S3 — "униз"), при положенні перемикача S4 — "вирівнювання".
Підключення люльки і перевірка її готовності до експлуатації
Підключення кабелю до джерела електроживлення можна робити як унизу, так і посередині будинку. При підключенні в середній частині будинку:
а) довжина кабелю зменшується майже в два рази;
б) на виході кабелю з вікна будинку необхідно ставити круглу опору щоб уникнути перелому кабелю;
в) при довжині кабелю понад 50 метрів його необхідно підвісити до люльки зі сталевим тросом.
Перед експлуатацією люльки необхідно зробити перевірку. При перевірці люльки необхідно користуватися виносним пультом. Керування люльки в цьому випадку здійснюється з землі, при цьому в шафі керування тумблер S9 повинний бути включений на положення "іспит".
До початку перевірки необхідно перевірити:
а) блокування електропривода з ручним приводом, для цього вставити рукоятку ручного привода і перевірити включення люльки —обертання електродвигунів не повинне спостерігатися;
б) перевірити надійність роботи кінцевих вмикачів обмеження підйому люльки нагору. При натисканні на кінцевий вимикач обертання електродвигунів не припиняється. При натисканні на кінцевий вимикач S7 (не відпускаючи S9) електродвигуни реверсуються.
Після випробування спрацьовування кінцевих вимикачів верхнього положення необхідно провести перевірку люльки керуванням з виносного пульта з землі. Люлька повинна дійти до верхнього положення й автоматично переключитися на рух униз.
Порядок роботи
Перед роботою необхідно:
а) підключити штепсельні роз’єми у відповідності зі схемою люльки при експлуатації;
б) у шафі керування ручка тумблера S9 повинна бути встановлена на положенні "робота";
в) ввімкнути автоматичний вимикач F, розташований у шафі керування;
г) пакетний перемикач S4 поставити в положення "робота". (Див. Рис. 2.1.)
Керування переміщенням люльки відбувається з переносного пульта, що при експлуатації знаходиться на люльці. При натисканні пускача S2 "нагору" люлька переміщається нагору, а при натисканні натискного пускача S3 "униз" - униз.
При відпусканні натискних пускачів S2 і S3 рух люльки припиняється. Для аварійної зупинки люльки пакетний перемикач S4 встановлюється в положення "відключене". Для вирівнювання люльки необхідно пакетний перемикач S4 поставити в положення — "вирівнювання". При цьому вирівнювання люльки буде здійснюватися електродвигуном М1.
При досягненні люльки верхнього крайнього положення кінцевий вимикач Se розімкне ланцюг котушки магнітного пускача К1.1. і люлька зупиниться. У випадку відмовлення кінцевого вимикача S8 розімкне ланцюг кінцевий вимикач S7 спрацьовуючий зі зсувом у 300 мм.
Для того, щоб відвести люльку від крайнього верхнього положення вниз, необхідно скористатися ручним приводом. Після чого знімають рукоятку ручного привода і надалі керування рухом люльки відбувається з пульта керування.
Рис. 1.2.
Розділ IІ. Обслуговування електродвигунів
2.1 Будова і принцип дії асинхронного двигуна
Основними частинами асинхронного двигуна (рис.2.1.) є нерухомий статор і обертовий ротор, які розділені повітряним зазором. Статор складається із станини (або корпуса) з лапами; стального осердя із штампованих, ізольованих один від одного, листів електротехнічної сталі з пазами для укладання обмотки статора; обмотки статора, виготовленої з ізольованого мідного дроту, й укладеного в пази осердя. Обмотка призначена для утворення обертового магнітного поля.
Рис. 2.1 Асинхронний електродвигун з короткозамкненим ротором:
1, 9, 17 — болти, 2 я 23 — шпонки, 3 — вал ротора, 4 и 22 — роликовий і кульковий підшипники, 5,6 — зовнішня и внутрішня кришки підшипника, 7 — стопорне кільце, 8, 21 — підшипникові щити 10 — станина, 11 — статорна обмотка, 12 — осердя статора, 13 — гвинти кріплення осердя до станини, 14 — осердя ротора, 15 — замикаюче кільце, 16 — лопать вентилятора, 18 и 20 вентилятори, 19 — кожух вентилятора
Найпростішим елементом обмотки є виток (рис. 2.2, а). Декілька з'єднаних між собою витків, які містяться у двох пазах і мають спільну ізоляцію паза утворюють секцію (рис. 2.2, б).
Рис. 2.2. Елементи обмоток статора:
а - виток, б — секція.
Сукупність секцій, які належать до однієї фази, називається фазною обмоткою. Виводи фаз обмотки прийнято позначати: С1, С2, С3 — початки і С4, С5, С6 — кінці відповідно першої, другої і третьої фаз. Окремі фази обмотки статора можуть з'єднуватися зіркою або трикутником. На рис. 2.3 наведено схеми з'єднання фаз обмотки статора і відповідні цим з'єднанням перемикання на щитку машини.
Характеристики
Тип файла документ
Документы такого типа открываются такими программами, как Microsoft Office Word на компьютерах Windows, Apple Pages на компьютерах Mac, Open Office - бесплатная альтернатива на различных платформах, в том числе Linux. Наиболее простым и современным решением будут Google документы, так как открываются онлайн без скачивания прямо в браузере на любой платформе. Существуют российские качественные аналоги, например от Яндекса.
Будьте внимательны на мобильных устройствах, так как там используются упрощённый функционал даже в официальном приложении от Microsoft, поэтому для просмотра скачивайте PDF-версию. А если нужно редактировать файл, то используйте оригинальный файл.
Файлы такого типа обычно разбиты на страницы, а текст может быть форматированным (жирный, курсив, выбор шрифта, таблицы и т.п.), а также в него можно добавлять изображения. Формат идеально подходит для рефератов, докладов и РПЗ курсовых проектов, которые необходимо распечатать. Кстати перед печатью также сохраняйте файл в PDF, так как принтер может начудить со шрифтами.















