123612 (717237)
Текст из файла
В процессе выработки электроэнергии на теплоэлектростанциях большое количество тепла передается холодному источнику — охлаждающей конденсатор воде и, таким образом, бесполезно теряется. Количество тепла, отдаваемого холодному источнику, можно уменьшить за счет увеличения термического к. п. д. цикла, однако полностью устранить нельзя, так как в соответствии со вторым законом термодинамики передача определенного количества тепла холодному источнику является неизбежной.
Если устранить передачу тепла холодному источнику в принципе невозможно, то нельзя ли использовать это тепло?
Как известно, для производственных и бытовых нужд потребляется значительное количество тепла в виде горячей воды и пара в разного рода технологических процессах, для отопления зданий и горячего водоснабжения.
Для того чтобы иметь возможность использовать тепло, отдаваемое конденсирующимся паром, нужно увеличить давление в конденсаторе, т. е. увеличить температуру, при которой конденсируется этот пар. Повышение нижней температуры цикла приведет к некоторому уменьшению величин термического к. п. д. и, следовательно, к уменьшению выработки электроэнергии при тех же, что и раньше, затратах топлива. Поэтому с точки зрения экономичности собственно цикла такая операция является невыгодной.
Однако возможность получения больших количеств тепла для технологических и бытовых нужд за счет некоторого сокращения выработки электроэнергии оказывается весьма выгодной (избавляет от необходимости сооружать специальные отопительные котельные, как правило, небольшие, имеющие сравнительно невысокий к. п. д. и поэтому требующие повышенного расхода топлива, а также нерационально использующие тепло высокого температурного потенциала при сжигании топлива для нагрева низкотемпературного рабочего тела, что невыгодно из-за уменьшения работоспособности системы).
Комбинированная выработка на электростанциях электроэнергии и тепла называется теплофикацией, а турбины, применяемые на таких электростанциях, — теплофикационными.
Тепловые электростанции, осуществляющие комбинированную выработку электроэнергии и тепла, называются теплоэлектроцентралями (ТЭЦ) в отличие от чисто конденсационных электростанции (КЭС), производящих только электроэнергию.
В тех случаях, когда прилегающие к тепловым электростанциям районы должны потреблять большие количества тепла, целесообразнее прибегать к комбинированной выработке тепла и электроэнергии, чем снабжать эти районы теплом от специальных котельных, а электроэнергией — от конденсационных электростанций. Установки, служащие для комбинированной выработки тепла и электроэнергии, называют теплоэлектроцентралями (ТЭЦ); они работают по так называемому теплофикационному циклу.
Следовательно, применение на ТЭЦ оборудования, работающего на повышенных параметрах пара, приводит к значительному увеличению выработки электрической энергии по теплофикационному циклу и обеспечивает соответствующую экономию топлива и снижение себестоимости энергии.
Для осуществления теплофикационного цикла и снабжения потребителей паром или горячей водой на ТЭЦ устанавливают теплофикационные турбины различных типов. Наиболее распространены турбины с регулируемыми отборами пара нужного давления. Такие турбины работают по свободному электрическому графику с одновременным свободным регулированием тепловой нагрузки.
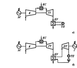
Обычно применяют два типа парогазовых теплофикационных установок с КУ: парогазовые ТЭЦ и газотурбинные ТЭЦ. Их простейшие тепловые схемы приведены на рис. 1. Теплота выходных газов ГТУ на ГТУ-ТЭЦ используется в КУ или в газоводяном теплообменнике для отпуска теплоты (рис. 1, а). На парогазовых ТЭЦ возможно применение как турбин с противодавлением (рис. 1 б), так и паровых турбин типа КО (с конденсатором и сетевой теплофикационной установкой)1.
Рис.1. Принципиальные тепловые схемы а — простейшей ГТУ-ТЭЦ; б — простейшей ПГУ-ТЭЦ. Обозначения: КУ— котел-утилизатор; ТП — тепловой потребитель; К — компрессор; КС — камера сгорания
Термодинамическую эффективность теплофикационных циклов невозможно оценить их термическим КПД.
Термический КПД теплофикационного цикла ниже термического КПД соответствующего конденсационного цикла, в котором пар расширяется в турбине до очень низкого давления ( р2 3 - 5 кПа), производя при этом полезную работу, и превращается в охладителе в конденсат, а отнятая от него в конденсаторе теплота полностью теряется с охлаждающей водой. Это объясняется тем, что в теплофикационном цикле конечное давление пара / значительно превосходит обычное давление в конденсаторе паровой турбины, работающей по конденсационному циклу.
Энергоблок работает по теплофикационному циклу и производит электроэнергию и поставляет горячую воду для дальнего теплоснабжения.
При работе по теплофикационному циклу выбор сравнительного теоретического цикла зависит от характера нагреваемого источника.
Если не использовать особенности теплофикационного цикла, то тепло перегревания пара отводится охлаждающей водой.
Вместо конденсационного цикла 12345 получим теплофикационный цикл, в котором количество тепла, отдаваемого холодному источнику не выбрасывается, а используется на тепловые нужды.
Средняя температура отвода теплоты из теплофикационного цикла при работе по условному графику превышает среднюю температуру при работе по обычному графику.
Для улучшения общего теплового баланса теплофикационного цикла большое значение имеет постоянное усовершенствование конденсатного хозяйства, наиболее полное использование тепла конденсата и увеличение количества конденсата, - возвращаемого в котельные промышленных предприятий и на теплоэлектроцентрали. Известно, что увеличение доли конденсата в питательной воде повышает экономичность и надежность работы паровых котлов, уменьшает потери тепла за счет сокращения продувок, что, в конечном счете, обеспечивает значительную экономию топлива.
В настоящее время и в перспективе в связи с широким развитием высокого давления улучшение водяного режима котлов и повышение качества питательной воды являются обязательными условиями, обеспечивающими надежную и экономичную работу котельных установок. Поэтому возврат конденсата имеет большое народнохозяйственное значение и заслуживает постоянного внимания работников промышленных предприятий и энергетических систем.
Особенное значение имеют многоступенчатые процессы для теплофикационных циклов, так как благодаря увеличению числа ступеней можно повысить начальную температуру отвода тепла в цикле и, следовательно, получить теплофикационное тепло более высокой температуры.
Конструктивное выполнение двигателей, применяемых в теплофикационных циклах, различно.
Особенности технологической схемы ТЭЦ показаны на рис. 22. Основное отличие заключается в специфике пароводяного контура.
Рис.2 Особенности технологической схемы ТЭЦ: 1 — сетевой насос; 2 — сетевой подогреватель
Часть пара при расширении в турбине (с параметрами ротб = = 0,9—1,2 МПа) отбирается и отводится в сетевой пароводяной подогреватель 2, через который сетевым насосом 1 прогоняется вода, используемая для отопления зданий и других нужд городского хозяйства и промышленных предприятий.
На производство пар подается в тех случаях, когда вблизи станции имеются промышленные предприятия, требующие его для технологического процесса. Количество отбираемого от промежуточных ступеней турбины пара определяется потребностью тепловых потребителей в горячей воде и паре.
Использование для теплофикации частично отработавшего пара из промежуточных ступеней турбины уменьшает количество пара, поступающего в ее конденсатор, а следовательно, и потери теплоты с циркуляционной водой. Вся теплота, содержащаяся в горячей воде и паре, которые поступают со станции в теплофикационную сеть, считается полезно отпущенной теплотой.
Это говорит о том, что в теплофикационном цикле степень теплоиспользования почти вдвое больше, чем в чисто конденсационном цикле, и что, следовательно довательно, комбинированный способ выработки теплоты и электрической энергии значительно экономичнее способа их раздельной выработки.
Согласно второму закону термодинамики значительная часть теплоты (более 50 %), сообщаемой пару в паровом котле, неизбежно должна передаваться в конденсатора теплоприемнику и бесполезно уноситься с охлаждающейся водой* имеющей температуру после конденсатора 15...30 °С. Естественно, теплота с такой низкой температурой (низкопотенциальная теплота) не может быть использована ни для отопительных, ни для технологических нужд3. Чтобы в дальнейшем можно было использовать эту теплоту, необходимо повысить ее температуру хотя бы до 80... 100 0С, для чего следует увеличить давления пара р2, выходящего из турбины, соответственно до 0,077...0,1 МПа. Такие установки работают с ухудшенным вакуумом или с противодавлением. Наряду с выработкой электроэнергии они отпускают внешнему потребителю теплоту в виде пара или горячей воды и называются теплофикационными (рис. 3, а).
В таких установках, не имеющих конденсатора, пар после турбины ПТ с повышенным давлением и температурой Тп (точка 2' на рис. 3, б) направляется к тепловому потребителю ТП. Отдавая ему удельную теплоту q2, пар конденсируется (процесс 2-3'), и конденсате помощью насоса возвращается в паровой котел ПК.
Рис.3. Схема теплофикационной паросиловой установки (а) и цикл ее работы (б)
Таким образом, вместо конденсационного цикла 123451 реализуется теплофикационный цикл 12'3'451, в котором количество теплоты, отдаваемой холодному источнику (пл. 2'3'ab2,)i.
Использование горячих газов в качестве источника высокой температуры в прямом теплофикационном цикле раствора дает не только нужное тепло для нагревательных целей, но и механическую энергию для двигателя. Таким путем необратимые потери обычных систем отопления могут быть сокращены. Процессы рабочего тела в цикле должны обеспечивать минимальные необратимые потери. В определенных условиях это достигается выбором соответствующей концентрации раствора или применением многоступенчатых циклов. Многоступенчатые циклы приближают рабочие процессы и источника, в результате чего сокращаются необратимые потери.
При выборе источника теплоты следует помнить, что увеличение выработки электроэнергии по теплофикационному циклу приводит к снижению удельного расхода топлива на вырабатываемую электрическую энергию.
Чем ниже давление отбираемого пара, тем больше экономия топлива от дополнительно вырабатываемой по теплофикационному циклу электроэнергии и, следовательно, тем больше снижается себестоимость энергии. По принятому в настоящее время физическому методу распределения топлива между двумя видами энергии на ТЭЦ вся экономия топлива от комбинированного производства этих видов энергии получает отражение в уменьшении удельных расходов топлива и соответственно, себестоимости электрической энергии.
Параметры теплоносителя, выходящего из установки, делают возможным его применение в основном в теплофикационном цикле с коэффициентом использования около 3000 - 4000 ч в год с кратковременным зимним максимумом. Выдача шлаков металлургическими печами производится равномерно в течение года, поэтому установки такого типа не получили распространения в цветной металлургии.
Цикл паротурбинной теплофикационной установки — установки для комбинированной выработки электроэнергии и теплоты — представлен на рис. 44.
Рис.4. Цикл паротурбинной теплофикационной установки
Температура пара после турбины (точка 2) в теплофикационном цикле около 100 °С и выше), а роль конденсатора выполняет сетевой подогреватель. Естественно, что из-за увеличения конечного давления от р0 до р2 работа цикла уменьшится на величину заштрихованной фигуры 200'2'2.
Взамен этого потребителю будет отпущено количество теплоты, равное площади прямоугольника 2'2bа2'. Соотношение между этими площадями можно представить как (Т2 - T0)(sb - sa) / T2(sb - sa) = (T2 - T0) IТ2.
Если принять Г0 = 300 К, Т2 = 400 К, то (Т2 - То)/Т0 == 1/4, т.е. за счет 1 кДж электроэнергии потребителю отпускается 4 кДж теплоты. В этом основное преимущество теплофикационных циклов.
В рассмотренной теплофикационной установке весь пар после турбины направляется в сетевой подогреватель, как это показано на рис. 4., но возможна схема, в которой только часть пара из отбора турбины поступает к сетевым подогревателям, а остальной поток пара проходит через всю турбину и конденсатор.
Как видно, в идеальном случае ( при отсутствии потерь в окружающую среду) в таком теплофикационном цикле тепло, подведенное к рабочему телу от горячего источника, используется целиком; однако это не противоречит второму закону термодинамики, так как только часть этого тепла преобразуется в механическую энергию, как это и устанавливается вторым законом термодинамики.
Как видно из рис.55. преимуществом данной схемы является возможность эффективного круглогодичного использования отработавшего пара, а также круглогодичная работа турбины по теплофикационному циклу.
Характеристики
Тип файла документ
Документы такого типа открываются такими программами, как Microsoft Office Word на компьютерах Windows, Apple Pages на компьютерах Mac, Open Office - бесплатная альтернатива на различных платформах, в том числе Linux. Наиболее простым и современным решением будут Google документы, так как открываются онлайн без скачивания прямо в браузере на любой платформе. Существуют российские качественные аналоги, например от Яндекса.
Будьте внимательны на мобильных устройствах, так как там используются упрощённый функционал даже в официальном приложении от Microsoft, поэтому для просмотра скачивайте PDF-версию. А если нужно редактировать файл, то используйте оригинальный файл.
Файлы такого типа обычно разбиты на страницы, а текст может быть форматированным (жирный, курсив, выбор шрифта, таблицы и т.п.), а также в него можно добавлять изображения. Формат идеально подходит для рефератов, докладов и РПЗ курсовых проектов, которые необходимо распечатать. Кстати перед печатью также сохраняйте файл в PDF, так как принтер может начудить со шрифтами.















