123612 (717237), страница 2
Текст из файла (страница 2)
На ТЭЦ, имеющих низкий удельный вес конденсационной мощности ( до 20 %) и высокую долю выработки электроэнергии по теплофикационному циклу, удельные расходы условного топлива на 1 квт ч, отпущенный с шин, составляют 220 - 240 г / квт ч и ниже.
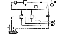
Рис.5. Схема комплексного использования тепла отработавшего пара летом и зимой: 1 — пароочиститель; 2 — производственный агрегат; 3 — парогенератор; 4 — теплофикационная турбина; 5 — потребитель электроэнергии; 6 — потребители тепла; 7 — потребитель холода; 8 — конденсатор; 9 — теплообменник; 10 — холодильная установка; 11 — бак питательной воды; 12 — питательный насос
В энергосистемах, имеющих в своем составе электростанции разных типов - гидроэлектростанции, теплоэлектроцентрали и конденсационные электростанции, распределение нагрузок производится с учетом значительных сезонных колебаний производства электроэнергии на гидроэлектростанциях и выработки электроэнергии по теплофикационному циклу на ТЭЦ исходя из их технической и экономической характеристики.
При транспорте теплоты от дальних ТЭЦ, расположенных на большом расстоянии от районов теплоснабжения, часто экономически оправдывается существенное повышение расчетного перепада температур сетевой воды в транзитной тепловой сети6.
Это позволяет значительно сократить расчетный расход сетевой воды в транзитной магистрали, что приводит к снижению диаметров транзитных магистралей, а следовательно, и к уменьшению начальных затрат на их сооружение, а также к снижению расхода электроэнергии на перекачку теплоносителя по транзитной тепловой сети.
Правда, при этом снижается удельная комбинированная выработка электрической энергии на дальних ТЭЦ вследствие использования для подогрева сетевой воды пара из отборов более высокого давления, а следовательно, повышения средней температуры отвода теплоты из теплофикационного цикла.
Задача заключается в выборе оптимального перепада температур сетевой воды в транзитной магистрали, при котором суммарный эффект от снижения затрат на сооружение тепловых сетей и на транспорт теплоты с учетом потерь от снижения комбинированной выработки электрической энергии получается максимальным.
Для этой цели проводится технико-экономическое сравнение нескольких значений расчетных перепадов температур в транзитной магистрали и выбирается оптимальное решение.
Правда, при этом снижается удельная комбинированная выработка электрической энергии на дальних ТЭЦ вследствие использования для подогрева сетевой воды пара из отборов более высокого давления, а следовательно, повышения средней температуры отвода теплоты из теплофикационного цикла.
При сравнении фактических удельных расходов топлива с техническими нормами удельных расходов топлива по конденсационному циклу на этой ТЭЦ может оказаться экономия топлива, в то время как неиспользование отборов (работа по конденсационному, а не теплофикационному циклу) 1вызывают значительный перерасход топлива.
Следовательно, работа ТЭЦ по сравнению с техническими нормами применительно к фактическому режиму работы получит положительную оценку, чем скрывается недопустимое положение с использованием теплофикационных отборов.
При существующей методике определения технико-экономических показателей промышленные котельные и ТЭЦ не заинтересованы в увеличении возврата конденсата, так как небольшая экономия от снижения тепловых потерь при продувке с избытком перекрывается перерасходом условно-постоянных затрат и недовыработкой электроэнергии по теплофикационному циклу.
Расположение газомазутных пиковых котельных в районах тепло-потребления позволило рассматривать их совместную работу с АТЭЦ по последовательной схеме соединения, которая обладает двумя основными преимуществами по сравнению с параллельной схемой: во-первых, возможностью отпуска теплоты от АТЭЦ с более низкими параметрами отбираемого пара, что приводит к увеличению выработки электроэнергии по теплофикационному циклу; во-вторых, возможностью работы АТЭЦ, тепловых сетей и пиковых котельных по условному температурному графику, понятие которого основано на принципе качественного регулирования отпуска теплоты. Количество теплоты от теплоисточника регулируется путем изменения температуры сетевой воды при постоянном ее расходе.
Различают четыре основных направления использования побочных (вторичных) энергоресурсов: топливное - непосредственное использование горючих ПЭР в качестве топлива; тепловое - использование потребителями теплоты, получаемой непосредственно в качестве ПЭР или вырабатываемый за счет ПЭР в утилизационных установках, к этому направлению относится также выработка холода за счет ПЭР в абсорбционных холодильных установках; силовое - использование потребителями механической или электрической энергии, вырабатываемой в утилизационных установках (станциях) за счет побочных энергоресурсов; комбинированное - использование потребителями теплоты и электрической ( или механической) энергии, одновременно вырабатываемых за счет ПЭР в утилизационных установках ( утилизационных ТЭЦ) по теплофикационному циклу.
Комбинированный процесс выработки электрической и тепловой энергии, осуществляемый на ТЭЦ, отличается более высокой степенью использования теплоты топлива.
Если энергоснабжение промпредприятия осуществляется по комбинированной схеме от ТЭЦ, то работа теплоутилизационной установки снижает величину отпуска теплоты от теплофикационных турбин. Это в свою очередь сокращает количество электроэнергии, вырабатываемой по теплофикационному циклу. Недовыработка электроэнергии на заводской ТЭЦ должна быть восполнена электроэнергией, вырабатываемой по конденсационному циклу с высокими удельными расходами теплоты, что вызывает перерасход топлива.
Таким образом, энергетическая эффективность использования вторичных тепловых ресурсов на теплоснабжение снижается.
Литература
-
Алабовский А.Н. Техническая термодинамика и теплопередача. –М.,1990.
-
Амиров Я.С. Технические системы Кн2.-М.,1998.
-
Быстрицкий Г.Ф. Основы энергетики.- М., 2000.
-
Клименко А.В. Теоретические основы теплотехники Теплотехнический эксперимент Книга2. – М.,2001.
-
Соколов Е.Я. Теплофикация и тепловые сети.- М.,2001.
-
Цанев С. В., Буров В.Д., Ремезов А.Н. Газотурбинные и парогазовые установки тепловых электростанций./ Под редакцией С.В.Цанева. – М.: Издательство МЭИ, 2002.
1 Цанев С. В., Буров В.Д., Ремезов А.Н. Газотурбинные и парогазовые установки тепловых электростанций./ Под редакцией С.В.Цанева. – М.: Издательство МЭИ, 2002.
2 Быстрицкий Г.Ф. Основы энергетики.- М., 2000.
3Алабовский А.Н. Техническая термодинамика и теплопередача. –М.,1990.
4 Клименко А.В. Теоретические основы теплотехники Теплотехнический эксперимент Книга2. – М.,2001.
5 Амиров Я.С. Технические системы Кн2.-М.,1998.
6 Соколов Е.Я. Теплофикация и тепловые сети.- М.,2001.















