122709 (717001)
Текст из файла
Основные принципы работы ТЭС
Реферат по дисциплине «Введение в направление»
Выполнил студент Михайлов Д.А.
Новосибирский государственный технический университет
Новосибирск, 2008
Введение
Электрическая станция – энергетическая установка, служащая для преобразования природной энергии в электрическую. Тип электрической станции определяется прежде всего видом природной энергии. Наибольшее распространение получили тепловые электрические станции (ТЭС), на которых используется тепловая энергия, выделяемая при сжигании органического топлива (уголь, нефть, газ и др.). На тепловых электростанциях вырабатывается около 76% электроэнергии, производимой на нашей планете. Это обусловлено наличием органического топлива почти во всех районах нашей планеты; возможностью транспорта органического топлива с места добычи на электростанцию, размещаемую близ потребителей энергии; техническим прогрессом на тепловых электростанциях, обеспечивающим сооружение ТЭС большой мощностью; возможностью использования отработавшего тепла рабочего тела и отпуска потребителям, кроме электрической, также и тепловой энергии (с паром или горячей водой) и т.п.[2] Тепловые электрические станции, предназначенные только для производства электроэнергии, называют конденсационными электрическими станциями (КЭС). Электростанции, предназначенные для комбинированной выработки электрической энергии и отпуска пара, а также горячей воды тепловому потребителю имеют паровые турбины с промежуточными отборами пара или с противодавлением. На таких установках теплота отработавшего пара частично или даже полностью используется для теплоснабжения, вследствие чего потери теплоты с охлаждающей водой сокращаются. Однако доля энергии пара, преобразованная в электрическую, при одних и тех же начальных параметрах на установках с теплофикационными турбинами ниже, чем на установках с конденсационными турбинами. Теплоэлектростанции, на которых отработавший пар наряду с выработкой электроэнергии используется для теплоснабжения, называют теплоэлектроцентралями (ТЭЦ).[3]
Основные принципы работы ТЭС
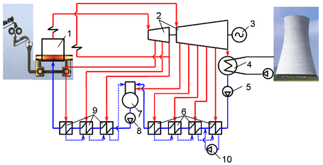
На рис.1 представлена типичная тепловая схема конденсационной установки на органическом топливе.
Рис.1 Принципиальная тепловая схема ТЭС
1 – паровой котёл; 2 – турбина; 3 – электрогенератор; 4 – конденсатор; 5 – конденсатный насос; 6 – подогреватели низкого давления; 7 – деаэратор; 8 – питательный насос; 9 – подогреватели высокого давления; 10 – дренажный насос.
Эту схему называют схемой с промежуточным перегревом пара. Как известно из курса термодинамики, тепловая экономичность такой схемы при одних и тех же начальных и конечных параметрах и правильном выборе параметров промежуточного перегрева выше, чем в схеме без промежуточного перегрева.
Рассмотрим принципы работы ТЭС. Топливо и окислитель, которым обычно служит подогретый воздух, непрерывно поступают в топку котла (1). В качестве топлива используется уголь, торф, газ, горючие сланцы или мазут. Большинство ТЭС нашей страны используют в качестве топлива угольную пыль. За счёт тепла, образующегося в результате сжигания топлива, вода в паровом котле нагревается, испаряется, а образовавшийся насыщенный пар поступает по паропроводу в паровую турбину (2). Назначение которой превращать тепловую энергию пара в механическую энергию.
Все движущиеся части турбины жёстко связаны с валом и вращаются вместе с ним. В турбине кинетическая энергия струй пара передается ротору следующим образом. Пар высокого давления и температуры, имеющий большую внутреннюю энергию, из котла поступает в сопла (каналы) турбины. Струя пара с высокой скоростью, чаще выше звуковой, непрерывно вытекает из сопел и поступает на рабочие лопатки турбины, укрепленные на диске, жёстко связанном с валом. При этом механическая энергия потока пара превращается в механическую энергию ротора турбины, а точнее говоря, в механическую энергию ротора турбогенератора, так как валы турбины и электрического генератора (3) соединены между собой. В электрическом генераторе механическая энергия преобразуется в электрическую энергию.
После паровой турбины водяной пар, имея уже низкое давление и температуру, поступает в конденсатор (4). Здесь пар с помощью охлаждающей воды, прокачиваемой по расположенным внутри конденсатора трубкам, превращается в воду, которая конденсатным насосом (5) через регенеративные подогреватели (6) подаётся в деаэратор (7).
Деаэратор служит для удаления из воды растворённых в ней газов; одновременно в нём, так же как в регенеративных подогревателях, питательная вода подогревается паром, отбираемым для этого из отбора турбины. Деаэрация проводится для того, чтобы довести до допустимых значений содержание кислорода и углекислого газа в ней и тем самым понизить скорость коррозии в трактах воды и пара.
Деаэрированная вода питательным насосом (8) через подогреватели (9) подаётся в котельную установку. Конденсат греющего пара, образующийся в подогревателях (9), перепускается каскадно в деаэратор, а конденсат греющего пара подогревателей (6) подаётся дренажным насосом (10) в линию, по которой протекает конденсат из конденсатора (4).[1]
Наиболее сложной в техническом плане является организация работы ТЭС на угле. Вместе с тем доля таких электростанций в отечественной энергетике высока (~30%) и планируется её увеличение.
Технологическая схема такой электростанции, работающей на углях, показана на рис.2.
Рис.2 Технологическая схема пылеугольной ТЭС
1 – железнодорожные вагоны; 2 – разгрузочные устройства; 3 – склад; 4 – ленточные транспортёры; 5 – дробильная установка; 6 – бункера сырого угля; 7 – пылеугольные мельницы; 8 – сепаратор; 9 – циклон; 10 – бункер угольной пыли; 11 – питатели; 12 – мельничный вентилятор; 13 – топочная камера котла; 14 – дутьевой вентилятор; 15 – золоуловители; 16 – дымососы; 17 – дымовая труба; 18 – подогреватели низкого давления; 19 – подогреватели высокого давления; 20 – деаэратор; 21 – питательные насосы; 22 – турбина; 23 – конденсатор турбины; 24 – конденсатный насос; 25 – циркуляционные насосы; 26 – приемный колодец; 27 – сбросной колодец; 28 – химический цех; 29 – сетевые подогреватели; 30 – трубопровода; 31 – линия отвода конденсата; 32 – электрическое распределительное устройство; 33 – багерные насосы.
Топливо в железнодорожных вагонах (1) поступает к разгрузочным устройствам (2), откуда с помощью ленточных транспортёров (4) направляется на склад (3), со склада топливо подаётся в дробильную установку (5). Имеется возможность подавать топливо в дробильную установку и непосредственно от разгрузочных устройств. Из дробильной установки топливо поступает в бункера сырого угля (6), а оттуда через питатели – в пылеугольные мельницы (7). Угольная пыль пневматически транспортируется через сепаратор (8) и циклон (9) в бункер угольной пыли (10), а оттуда питателями (11) к горелкам. Воздух из циклона засасывается мельничным вентилятором (12) и подаётся в топочную камеру котла (13).
Газы, образующиеся при горении в топочной камере, после выхода из неё проходят последовательно газоходы котельной установки, где в пароперегревателе (первичном и вторичном, если осуществляется цикл с промежуточным перегревом пара) и водяном экономайзере отдают теплоту рабочему телу, а в воздухоподогревателе – подаваемому в паровой котёл воздуху. Затем в золоуловителях (15) газы очищаются от летучей золы и через дымовую трубу (17) дымососами (16)выбрасываются в атмосферу.
Шлак и зола, выпадающие под топочной камерой, воздухоподогревателем и золоуловителями, смываются водой и по каналам поступают к багерным насосам (33), которые перекачивают их на золоотвалы.
Воздух, необходимый для горения, подаётся в воздухоподогреватели парового котла дутьевым вентилятором (14). Забирается воздух обычно из верхней части котельной и (при паровых котлах большой производительности) снаружи котельного отделения.
Перегретый пар от парового котла (13) поступает к турбине (22).
Конденсат из конденсатора турбины (23) подаётся конденсатными насосами (24) через регенеративные подогреватели низкого давления (18) в деаэратор (20), а оттуда питательными насосами (21) через подогреватели высокого давления (19) в экономайзер котла.
Потери пара и конденсата восполняются в данной схеме химически обессоленной водой, которая подаётся в линию конденсата за конденсатором турбины.
Охлаждающая вода подаётся в конденсатор из приемного колодца (26) водоснабжения циркуляционными насосами (25). Подогретая вода сбрасывается в сбросной колодец (27) того же источника на некотором расстоянии от места забора, достаточном для того, чтобы подогретая вода не подмешивалась к забираемой. Устройства для химической обработки добавочной воды находятся в химическом цехе (28).
В схемах может быть предусмотрена небольшая сетевая подогревательная установка для теплофикации электростанции и прилегающего посёлка. К сетевым подогревателям (29) этой установки пар поступает от отборов турбины, конденсат отводится по линии (31). Сетевая вода подводится к подогревателю и отводится от него по трубопроводам (30).
Выработанная электрическая энергия отводится от электрического генератора к внешним потребителям через повышающие электрические трансформаторы.
Для снабжения электроэнергией электродвигателей, осветительных устройств и приборов электростанции имеется электрическое распределительное устройство собственных нужд (32).[1]
Заключение
В реферате представлены основные принципы работы ТЭС. Рассмотрена тепловая схема электростанции на примере работы конденсационной электрической станции, а так же технологическая схема на примере электростанции работающей на углях. Показаны технологические принципы производства электрической энергии и теплоты.
Список литературы
Стерман Л.С. Тепловые и атомные электрические станции: Учебник для вузов / Л.С. Стерман, В.М. Лавыгин, С.Г. Тишин. – М.: Энергоатомиздат, 1995. – 416 с.
Рыжкин В.Я. Тепловые электрические станции: Учебник для вузов / Под ред. В.Я. Гиршфельда. – М: Энергоатомиздат, 1987. – 328 с.
Елизаров Д.П. Теплоэнергетические установки электростанций: Учебник для вузов / Д.П. Елизаров. – М.: Энергоиздат, 1982. – 264 с.
Для подготовки данной работы были использованы материалы с сайта http://referat.ru
Характеристики
Тип файла документ
Документы такого типа открываются такими программами, как Microsoft Office Word на компьютерах Windows, Apple Pages на компьютерах Mac, Open Office - бесплатная альтернатива на различных платформах, в том числе Linux. Наиболее простым и современным решением будут Google документы, так как открываются онлайн без скачивания прямо в браузере на любой платформе. Существуют российские качественные аналоги, например от Яндекса.
Будьте внимательны на мобильных устройствах, так как там используются упрощённый функционал даже в официальном приложении от Microsoft, поэтому для просмотра скачивайте PDF-версию. А если нужно редактировать файл, то используйте оригинальный файл.
Файлы такого типа обычно разбиты на страницы, а текст может быть форматированным (жирный, курсив, выбор шрифта, таблицы и т.п.), а также в него можно добавлять изображения. Формат идеально подходит для рефератов, докладов и РПЗ курсовых проектов, которые необходимо распечатать. Кстати перед печатью также сохраняйте файл в PDF, так как принтер может начудить со шрифтами.















