109624 (708452), страница 5
Текст из файла (страница 5)
для двигателей:
AWR = AWаq AWad АWк, (5.25)
для генераторов
AWR = AWаq + AWad +АWк (5.26)
где AWаq МДС поперечной реакции якоря;
AWad МДС продольной реакции якоря;
АWк коммутационная МДС.
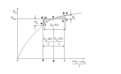
Так как поперечный магнитный поток замыкается через зубцовую зону и воздушный зазор машины для определения поперечной реакции якоря используется переходная кривая намагничивания (рис. 5):
В = f (AW + AWz) / 2
которая строится по данным табл. 3. На этой кривой по оси ординат откладывается номинальная величина магнитной индукции в воздушном зазоре (точка а) и определяется соответствующая номинальная МДС (точка б). Влево и вправо от этой точки в масштабе МДС откладываются отрезки бв и бг изображающие МДС поперечной реакции якоря:
бв = бг= AS b0 / 2. (5.27)
Рис.5. Переходная характеристика машины постоянно-
го тока
Так как величины отрезков бв и бг пропорциональны величине расчётной полюсной дуги а ординаты пропорциональны магнитной индукции то площади криволинейных треугольников аде и аgк представляют соответственно уменьшение магнитного потока от реакции якоря под одним краем полюса и его возрастание под другим. Разница площадей этих треугольников определяет уменьшение магнитного потока машины вследствие действия поперечной реакции якоря. Для компенсации этого размагничивающего действия необходимо увеличить МДС обмотки возбуждения на определённую величину которая определяется следующим образом. Прямоугольник сдвигается вправо таким образом, чтобы площади полученных криволинейных треугольников амf и аpn стали равными. Тогда величина МДС на пару полюсов компенсирующая поперечную реакцию якоря определяется выражением
AWaq = 2 mn.
Эта величина может быть найдена и другим способом. Выражая площади криволинейных треугольников и приращений потоков по формуле Симпсона и приравнивая полученные выражения можно определить величину МДС поперечной реакции якоря:
МДС продольной реакции якоря зависит от сдвига щёток с линии геометрической нейтрали и определяется выражением
AWаd = 2 b AS (5.29)
где b сдвиг щёток с линии геометрической нейтрали вследствие неточности изготовления машины, b = 015 03 мм.
Продольная коммутационная МДС возникающая при замедленной коммутации определяется величиной коммутирующего тока индуктивностью коммутируемых секций переходным сопротивлением щёток и угловой скоростью якоря. Величина коммутационной МДС при номинальном токе машины и номинальной частоте вращения может быть приближённо рассчитана по следующей формуле:
где bк ширина коллекторной пластины;
ASн линейная токовая нагрузка при номинальном токе якоря;
Кк коэффициент, учитывающий падение напряжения в щётках
Полная МДС возбуждения МПТ при нагрузке
AWНАГР = AW + AWz + AWa + AWпл + AWст +
+ AWR (5.32)
Для двигателей и генераторов параллельного возбуждения вначале определяется ЭДС якоря для электродвигателей
Е = U Ua Uщ (5.33)
и для генераторов
Е = U +Ua + Uщ. (5.34)
По кривой холостого хода определяется результирующая МДС AW’НАГР соответствующая найденному значению ЭДС после чего рассчитывается полная МДС с учётом реакции якоря:
AWНАГР= AWНАГР+ AWR. (5.35)
6. РАСЧЁТ ОБМОТКИ ВОЗБУЖДЕНИЯ
6.1. Электродвигатель последовательного возбуждения
-
Число витков обмотки возбуждения на один полюс
-
Предварительное сечение обмоточного провода для обмотки возбуждения
Sв = a / jв (6.2)
где jВ плотность тока в обмотке возбуждения выбираемая в зависимости от номинального момента Мн по данным табл. 4.
Мн = 955 Рн nн. (6.3)
Рассчитав сечение провода выбирают номинальное сечение и диаметр провода в соответствии с ГОСТом а затем уточняют реальную величину плотности тока возбуждения:
jв = a / Sв . (6.4)
-
Сопротивление обмотки возбуждения в нагретом состоянии
где lср средняя длина витка обмотки возбуждения которая определяется по эскизу расположения обмотки на сердечнике полюса.При неотъёмных полюсах машины среднюю длину витка необходимо увеличить на величину (b0 bпл) с тем чтобы была возможность надеть катушку обмотки возбуждения на сердечник полюса через полюсный наконечник.
35. Падение напряжения в обмотке возбуждения
Uв = Ia Rв . (6.6)
-
Величина ЭДС якоря двигателя последовательного возбуждения при нагрузке
E = UH Ua Uщ Uв. (6.7)
Таблица 4
Плотность тока в обмотке возбуждения МПТ малой мощности (106 А/м2)
| Номинальный момент Мн Нм | Режим работ | Номинальный момент Мн Нм | Режим работ | ||
| продолжительный | кратковременный | продолжительный | кратковременный | ||
| Закрытое исполнение | |||||
| 001 | 80 | 160 | 02 | 4,6 | 11,0 |
| 002 | 75 | 150 | 04 | 4,3 | 10,0 |
| 003 | 70 | 142 | 06 | 4,0 | 9,5 |
| 004 | 65 | 135 | 08 | 3,8 | 9,2 |
| 005 | 62 | 127 | 10 | 3,5 | 9,0 |
| 006 | 58 | 122 | 12 | 3,4 | 8,8 |
| 007 | 55 | 117 | 14 | 3,2 | 8,5 |
| 008 | 52 | 113 | 16 | 3,0 | 8,2 |
| 009 | 50 | 112 | 18 | 2,8 | 8,0 |
| 01 | 48 | 110 | 20 | 2,7 | 7,8 |
| Защищённое исполнение с вентилятором | |||||
| 001 | 115 | 215 | 02 | 94 | 168 |
| 002 | 108 | 208 | 04 | 90 | 165 |
| 003 | 105 | 200 | 06 | 84 | 158 |
| 004 | 102 | 195 | 08 | 80 | 152 |
| 005 | 98 | 190 | 10 | 76 | 148 |
| 006 | 97 | 186 | 12 | 72 | 142 |
| 007 | 96 | 181 | 14 | 70 | 139 |
| 008 | 95 | 177 | 16 | 68 | 136 |
| 009 | 95 | 172 | 18 | 66 | 132 |
| 01 | 95 | 170 | 20 | 65 | 130 |
Полученная величина ЭДС не должна отличаться от предварительно выбранного значения более чем на 3%. При большей разнице необходимо скорректи-
ровать число витков обмотки возбуждения. Для этого определяют МДС обмотки
возбуждения по характеристике холостого хода и найденному значению ЭДС прибавляют МДС реакции якоря при номинальной нагрузке уточняют число витков обмотки возбуждения её сопротивление падение напряжения и новое значение ЭДС машины Ea.
-
Площадь окна для размещения обмотки возбуждения
где fо технологический коэффициент учитывающий промежутки между проводниками и изоляцию провода, fо = 08 084.
Фактическая площадь окна для обмотки возбуждения должна быть увеличена на 10 20 % для учёта возможных неточностей намотки.















