109065 (707872), страница 3
Текст из файла (страница 3)
Регулировка динамического сведения включает в себя операции, предназначенные для устранения несведения лучей типа «перекрещивание боковых лучей» (см. рис.9, а) и «несимметричное расположение растров» (рис.9, б).
Рис.9. Нарушение сведения в кинескопах с компланарным расположением ЭОП.
Регулировка производится по сигналу сетчатого растра при включённых синем и красном лучах и выключенном зелёном луче.
Порядок регулировки динамического сведения:
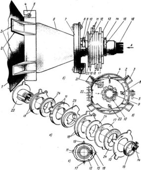
Для устранения перекрещивания боковых лучей необходимо отпустить регулировочные винты 21 и 23 на фланце хвостовика (см. рис.10, б, в). При этом винт 8 на горизонтальной оси должен быть затянут.
Поворотом фланца хвостовика (не допуская вращение самой отклоняющей системы) смещать её относительно горловины кинескопа по вертикали, обеспечивая наилучшее симметричное сведение по горизонтали центральных вертикальных линий сбоку.
Добившись наилучшего сведения, затянуть винт 23 (см. рис.10, в) по вертикальной оси.
Для устранения несимметричного расположения растров красного и синего лучей (см. рис.10, в) винт 8 отпускают. Постепенно поворачивая фланец хвостовика, и также, не допуская вращения отклоняющей системы, смещают её по горизонтали, добиваясь наилучшего сведения крайних горизонтальных линий, после чего затягивают винты 8 и 21.
Проверить чистоту цвета и при необходимости смещением отклоняющей системы вдоль горловины добиться оптимальной чистоты цвета. В заключение затягивают винты 5 и 9 хомутом опорного кольца и отклоняющей системы.
Рис.10. Расположение отклоняющей системы и МСУ на горловине кинескопа. Элементы узлов кинескопа.
1 – кинескоп; 2 – липкая лента; 3 – лапки опорного кольца; 4 – опорное кольцо; 5 – крепёжный винт опорного кольца; 6 – ОС; 7 – фланец хвостовика ОС; 8, 21, 23 – регулировочные винты; 9 – крепёжный винт хомута ОС; 10 – хомут ОС; 11 – кольцевые магниты сведения синего луча; 12 – МСУ; 13 – зажимная гайка МСУ; 14 – крепёжный винт хомута МСУ; 15 – хомут МСУ; 16 – цоколь кинескопа; 17 – кольцевой магнит коррекции сведения красного и синего лучей; 18 – кольцевые магниты сведения красного луча; 19 – магниты чистоты цвета; 20 – корпус МСУ; 22 – соединитель ОС; 24 – картонная прокладка; 25 – эксцентриковая прокладка.
Заключение
Данная курсовая работа работа посвящена описанию кинескопов и методам их регулировки. Как уже было сказано мной выше, существует два вида кинескопов – дельтаобразные и компланарные (с самосведением). Их отличие заключается в различном расположении ЭОП. Необходимо заметить, что регулировка кинескопов с компланарным расположением ЭОП осуществляется намного проще, нежели кинескопов с дельтаобразным расположением ЭОП, в виду прямолинейности расположения прожекторов.
Многие люди предпочитают старым телевизорам научно-технический прогресс – новые жидкокристаллические и плазменные панели. Это легко объяснимо, ведь старые громоздкие кинескопы (и телевизоры в целом) не идут в сравнение с новыми телевизионными аппаратами – это их главный недостаток. Главным же их достоинством, на мой взгляд, является то, что описанные мною выше телевизоры намного проще в регулировке, настройке и ремонте.
Список литературы
Ельяшкевич С. А. Цветные стационарные телевизоры и их ремонт. – 2-е изд., перераб. и доп. – М.: Радио и связь, 1990. – 240 с.
Ельяшкевич С. А. Цветные телевизоры 3УСЦТ: Справ. пособие. – М.: Радио и связь, 1989. – 144 с.
Ельяшкевич С. А., Пескин А. Е. Телевизоры 3УСЦТ, 4УСЦТ, 5УСЦТ. Устройство, регулировка, ремонт. – 9 выпуск. – М.: Символ – Р, 1993. – 224 с.
Сотников С. К. Регулировка и ремонт цветных телевизоров. – 3-е изд., перераб. и доп. – М.: Радио и связь, 1991. – 96 с.
Для подготовки данной работы были использованы материалы с сайта http://referat.ru
















