108979 (707832)
Текст из файла
Оптимизация работы силовых трансформаторов
Введение
Силовые трансформаторы подразделяют на сухие, устанавливаемые в помещениях с пжаро- и взрывоопасной средой, масляные для наружной и внутренней установки в неопасной с точки зрения пожара и взрыва среде и трансформаторы с заполнением негорючим жидким диэлектриком (совтолом), устанавливаемые в закрытых помещениях повышенной пожароопасности [4].
Применение трансформаторов приводит к потерям энергии. Путем правильного выбора оборудования и рабочего напряжения можно сократить число необходимых трансформаторов и уменьшить потери энергии. Следует помнить, что если трансформаторы эксплуатируются потребителем, то он оплачивает соответствующие потери энергии. В целом лучше заказать оборудование с электродвигателями нужного напряжения, даже если это обойдется дороже, чем устанавливать специальные трансформаторы [1].
Потери энергии характерны для всех систем распределения электроэнергии главным образом благодаря потерям активной мощности и потерям в трансформаторах. Правильные проектирование и эксплуатация электрических систем позволяют не только свести к минимуму потери энергии, но и обеспечивают снижение затрат на электроэнергию. Потери энергии вызываются наличием включенных трансформаторов даже при отсутствии нагрузки. Неиспользуемое оборудование должно быть отключено[1].
Низкие коэффициенты мощности в дополнение к значительным потерям напряжения в сети и увеличению размеров штрафов, налагаемых энергоснабжающими компаниями, могут привести к росту потерь энергии и стоимости электроснабжения. Необходимо провести исследования электроэнергетической системы, а также изучить возможности использования конденсаторов для изменения значений коэффициента мощности. Для предприятий, неэффективно расходующих энергию, это позволит в некоторых случаях достичь экономии в размере 10—15% [1].
Коэффициент загрузки представляет собой еще один параметр, характеризующий способность предприятия эффективно использовать электроэнергию. Уменьшение нагрузки, позволяющее приблизить это отношение к единице без снижения уровня производства, приводит к повышению экономичности работы предприятия [1].
Снижение пиковых нагрузок. Большая часть второстепенных нагрузок может быть отключена в периоды пиков без перерыва производственного процесса [1].
С 2000 г. внедряется новая серия трансформаторов напряжением 35 кВ мощностью 1000... 6300 кВ·А. Масса трансформаторов новой серии и потери холостого хода снижены в среднем на 20% [4].
1 Допустимые перегрузки
В энергосистемах, а также на предприятиях в большинстве случаев применяют трехфазные трансформаторы. Группа из трех однофазных трансформаторов стоит дороже и требует приблизительно на 20% больше меди и стали, чем один трехфазный трансформатор той же мощности. Поэтому однофазные трансформаторы устанавливают лишь в тех случаях, когда по условиям транспортирования нельзя применять трехфазные, а также при отсутствии I трехфазных трансформаторов требуемой мощности [4].
Срок естественного износа трансформатора, работающего в номинальном режиме, составляет примерно 25 лет (ГОСТ 11677 — 85, п. 3.4). Срок определяется старением изоляции обмоток — бумаги, тканей, лаков и других материалов— под влиянием температур, превышающих допустимую; для данного класса изоляции. Процесс старения ведет к изменению исходных электрических, механических и химических свойств изоляционных материалов [3].
В процессе эксплуатации трансформаторов их нагрузка, а следовательно, и нагрев изменяются в значительных пределах. В период недогрузки трансформатор недоиспользуется. Поэтому при сохранении расчетного срока службы 25 лет разрешается перегружать трансформаторы, когда это требуется. На каждые 3% недогрузки допускается на такое же время перегрузка трансформатора на 1%; кроме того, на 1% недогрузки трансформатора летом разрешается 1% перегрузки в зимнее время. Это нормальная систематическая перегрузка, которая в общей сложности не должна превышать 30% для масляных и совтоловых и 20% для сухих трансформаторов [4].
По рекомендациям Международной энергетической комиссии (МЭК) для нормального суточного износа изоляции трансформатора температура наиболее нагретой точки обмоток не должна превышать + 98°С. Если температуру увеличить на 6°С, срок службы изоляции сократится почти вдвое. Здесь под температурой наиболее нагретой точки подразумевается температура наиболее нагретого внутреннего слоя обмотки верхней катушки трансформатора [3].
Температура верхних слоев масла при нормальной нагрузке трансформатора и максимальной температуре охлаждающей среды (среднесуточная температура охлаждающего воздуха +30 °С, температура охлаждающей воды +25 °С у входа в охладитель) не должна превышать следующих максимально допустимых значений: +95 С — в трансформаторах, имеющих естественное масляное охлаждение (М) или дутьевое охлаждение (Д); +75 °С — в трансформаторах, имеющих циркуляционное охлаждение с принудительной циркуляцией масла и воздуха (ДЦ), если в технических условиях на трансформатор заводом-изготовителем не оговорен другая температура; +70 °С — в трансформаторах, имеющих масляно-водяное охлаждение с принудительной циркуляцией масла (Ц), на входе в маслоохладитель, если в технических условиях оговорена другая температура [3].
В энергосистемах трансформаторы работают с переменной нагрузкой в условиях постоянно меняющейся температуры охлаждающей среды. Большая часть из них (а, следовательно, и изоляция) несет номинальной нагрузки в течение всего срока службы. Другая часть трансформаторов, наоборот, систематически перегружается, что ускоряет износ изоляции. Очевидно, что оба варианта экономически нецелесообразны [3].
Оптимальным для трансформатора должен быть такой режим работы, при котором износ его изоляции был бы близок к расчетному. Наилучшее использование изоляции трансформаторов достигается загрузкой их в соответствии с так называемой нагрузочной способностью, которая предусматривает кратковременные режимы работы с перегрузкой. Согласно ПТЭ допускается длительная перегрузка масляных трансформаторов по силе тока на 5%, если напряжение обмоток не выше номинального, при этом для обмоток с ответвлениями нагрузка не должна превышать более чем в 1,05 раза номинальный ток ответвления. Однако в некоторых случаях допустимая перегрузка для полного использования изоляции трансформатора оказывается недостаточной. Тогда продолжительность и значения перегрузок трансформаторов мощностью до 100 MB·А, изготовленных в соответствии с ГОСТ 11677 — 85, находят по графикам нагрузочной способности в зависимости от суточного графика нагрузки, эквивалентной температуры охлаждающей среды и постоянной времени трансформатора для эквивалентной температуры воздуха +20°С. Графики нагрузочной способности трансформаторов и методика пользования ими приведены в ГОСТ 14209-85. Применение указаний ГОСТ 14209-85 допускается и для трансформаторов мощностью более 100 MB·А, если в стандартах и технических условиях на такие трансформаторы нет иных указаний по нагрузочной способности [3].
Трансформаторы с расщепленными обмотками допускают такие же перегрузки каждой ветви, отнесенные к ее номинальной мощности, как и трансформаторы с нерасщепленными обмотками. Систематические перегрузки, определяемые по графикам нагрузочной способности, допускаются не более 1,5-кратного значения номинального тока и только по согласованию с заводом-изготовителем [3].
В эксплуатационной практике нередки случаи, когда при наступлении перегрузки у оперативного персонала отсутствует по той или иной причине суточный график нагрузки и персонал не может воспользоваться графиками нагрузочной способности для определения допустимой перегрузки. В таких случаях рекомендуется пользоваться табличными данными в зависимости от системы охлаждения трансформатора. Согласно этим таблицам систематические перегрузки, допустимые вслед за нагрузкой ниже номинальной, устанавливаются в зависимости от превышения температуры верхних слоев масла над температурой охлаждающей среды, которое определяется, не позднее начала наступления перегрузки [3].
Допустимая перегрузка трансформаторов с охлаждением Д при отключенных вентиляторах определяется по отношению к мощности, которую они имеют без дутья (охлаждение М) [3].
Оба вида перегрузок (по нагрузочной способности и однопроцентному правилу) могут применяться одновременно при условии, если суммарная нагрузка не превышает 150% от номинальной мощности трансформатора [3].
В аварийных условиях, когда отключился один из двух трансформаторов, разрешается перегрузка оставшегося в работе трансформатора на 40% выше номинальной мощности продолжительностью до 6 ч ежедневно в течение 5 сут. Поэтому при выборе номинальной мощности трансформатора Sт.н. на 35...220/6... 10 кВ руководствуются таким соотношением мощности Sт.н. и расчетной нагрузки Sp [4]
Sт.н .≥ Sp/l,4. (1)
Автотрансформаторы имеют две электрически связанные соединенные в звезду обмотки с общей заземленной нейтралью и третью, соединенную в треугольник и имеющую с двумя другими обмотками только электромагнитную связь [4].
Наличие обмотки, соединенной в треугольник, приводит к компенсации электродвижущей силы (ЭДС) третьей гармоники и других гармоник, кратных трем, а также к уменьшению сопротивления нулевой последовательности в сети с заземленной нейтралью. Это важно для повышения чувствительности релейной защиты и плавких предохранителей в сетях [4].
Для защиты от перенапряжений применяют вентильные разрядники, которые защищают от перенапряжений незаземленные нейтрали трансформаторов напряжением 110... 220 кВ. Это вызвано тем, что в настоящее время все трехфазные трансформаторы напряжением 110... 220 кВ выпускаются со сниженной изоляцией нейтрали (по сравнению с классом изоляции линейного ввода). Так, у трансформаторов напряжением 110 кВ с регулированием напряжения под нагрузкой уровень изоляции нейтрали соответствует стандартному классу напряжения 35 кВ, что обусловливается включением со стороны нейтрали устройств РПН с классом изоляции 35 кВ. Трансформаторы напряжением 220 кВ также имеют пониженный уровень изоляции нейтрали. Во всех случаях это дает значительный экономический эффект и тем больший, чем выше класс напряжения трансформатора [3].
При авариях, например при выходе из работы одного из параллельно работающих трансформаторов и отсутствии резерва разрешается аварийная перегрузка оставшихся в работе трансформаторов независимо от длительности и значения предшествующей нагрузки и температуры охлаждающей среды. По сравнению с номинальным износом изоляции аварийные перегрузки повышают износ изоляции. Однако форсированный износ изоляции считается обоснованным, так как сокращение расчетного времени работы изоляции трансформатора наносит меньший ущерб, чем отключение потребителей [3].
За время аварийной перегрузки персонал обязан принять меры по замене поврежденного оборудования резервным, а по истечении указанного срока обязан разгрузить перегруженные трансформаторы до номинальной мощности отключением части потребителей. Величины и время аварийных перегрузок должны контролироваться. Неконтролируемые перегрузки могут привести к повреждению трансформаторов и развитию аварии [3].
Помимо систематических перегрузок в зимние месяцы допускаются 1% перегрузки трансформаторов на каждый процент недогрузки летом, но не более чем на 15%. Это правило применяется в том случае, когда максимум летнего графика нагрузки не превышал номинальной мощности трансформатора [3].
Трансформаторы допускают длительную работу при повышении подводимого напряжения при условии, что линейное напряжение на любой обмотке не превышает наибольшего рабочего напряжения, установленного государственным стандартом [3]:
Класс напряжения, кВ….. 3 6 10 15 20 35
Наибольшее рабочее
напряжение, кВ…………. 3,5 6,9 11,5 17,5 23 40,5
Класс напряжения, кВ…… 110 150 220 330 500 750
Наибольшее рабочее
Напряжение, кВ…………. 126 172 252 363 525 787.
Допускается повышение напряжения сверх номинального напряжения любого ответвления трансформатора и номинального напряжения любой обмотки, не имеющей ответвлений: 1) длительно, но не более чем на 5% при нагрузке не более номинальной; 2) длительно, но не более чем на 10% при нагрузке не более 0,25 от номинальной для всех трансформаторов и при нагрузке не более номинальной для трансформаторов, работающих в блоке с генераторами, а также для автотрансформаторов без ответвлений в нейтрали и работающих без регулировочных в нейтрали; 3) кратковременно (до 6 ч в сутки) на 10% при нагрузке не более номинальной [3].
2 Параллельная работа трансформаторов
Параллельная работа трансформаторов с нагрузками, пропорциональными их номинальным мощностям, возможна при равенстве первичных и вторичных напряжений (равенстве коэффициентов трансформации), равенстве напряжений короткого замыкания и тождественности групп соединения обмоток [3].
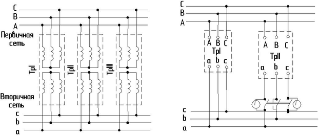
При параллельном соединении одноименные зажимы трансформаторов присоединяют к одному и тому же проводу сети (рисунок 1) [2].
Рисунок 1 – Включение трансформаторов на параллельную работу
Наилучшее использование установленной мощности трансформаторов может быть только при равенстве напряжений короткого замыкания. Однако в эксплуатации допускается включение на параллельную работу трансформаторов с отклонением напряжения короткого замыкания от их среднего значения, но не более чем на ± 10%. Это допущение связано с возможным отступлением (в пределах производственных допусков) при изготовлении трансформаторов в размерах обмоток, влияющих на напряжение короткого замыкания [3].
Не рекомендуется включение на параллельную работу трансформаторов с отношением номинальных мощностей более трех. Объясняется это тем, что даже при небольших реальных перегрузках трансформатор меньшей мощности может оказаться сильно перегруженным в процентном отношении и особенно в том случае, если он имеет меньшее напряжение короткого замыкания [3].
Параллельная работа трансформаторов, принадлежащих к разным группам соединений, невозможна по той причине, что между их вторичными обмотками возникает напряжение, обусловленное углом сдвига между векторами вторичных напряжений [3].
Характеристики
Тип файла документ
Документы такого типа открываются такими программами, как Microsoft Office Word на компьютерах Windows, Apple Pages на компьютерах Mac, Open Office - бесплатная альтернатива на различных платформах, в том числе Linux. Наиболее простым и современным решением будут Google документы, так как открываются онлайн без скачивания прямо в браузере на любой платформе. Существуют российские качественные аналоги, например от Яндекса.
Будьте внимательны на мобильных устройствах, так как там используются упрощённый функционал даже в официальном приложении от Microsoft, поэтому для просмотра скачивайте PDF-версию. А если нужно редактировать файл, то используйте оригинальный файл.
Файлы такого типа обычно разбиты на страницы, а текст может быть форматированным (жирный, курсив, выбор шрифта, таблицы и т.п.), а также в него можно добавлять изображения. Формат идеально подходит для рефератов, докладов и РПЗ курсовых проектов, которые необходимо распечатать. Кстати перед печатью также сохраняйте файл в PDF, так как принтер может начудить со шрифтами.
















