64102 (695546), страница 2
Текст из файла (страница 2)
До сих пор мы рассматривали преобразования сигнала в пункте передачи. В пункте приёма необходимо извлечь первичный сигнал из переносчика, т.е. осуществить демодуляцию принятого сигнала.
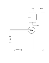
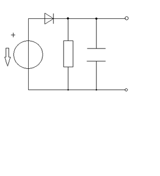
Например, при демодуляции АМ–сигнала необходимо выделить закон изменения амплитуды модулированного несущего сигнала, т.е. его огибающую.эта операция выполняется с помощью амплитудного детектора. При линейном детектировании на вход детектора с линейной вольт-амперной характеристикой подаётся АМ-сигнал, и последовательность импульсов тока детектора оказывается промодулированной по амплитуде. Высокочастотные составляющие тока отфильтровываются RC-цепью; падение напряжения на резисторе R создаёт только постоянная составляющая тока.
Амплитудные детекторы: транзисторный (а), диодный (б)
В модулированном колебании амплитуде медленно меняется, следовательно, амплитуда выделяемой на резисторе R постоянной составляющей тока также будет медленно меняться во времени. Таким образом, выходное напряжение амплитудного детектора пропорционально исходному (модулирующему) сигналу.
Один из способов демодуляции ЧМ-колебаний состоит в превращении его в АМ-колебания и последующем детектировании с помощью амплитудного детектора.
Преобразование ЧМ-сигнала в АМ-сигнал выполняется с помощью расстроенного колебательного контура. Предположим, что на колебательный контур, настроенный на определенную резонансную частоту, подаются ЧМ-колебания с постоянной амплитудой и меняющейся со временем частотой w(t).
Полное сопротивление контура при каждой мгновенной частоте принимает своё определенное значение, так что амплитуда напряжения, выделяемого на контуре, будет изменяться во времени с изменением частоты входного ЧМ-сигнала.
Таким образом, амплитуда ЧМ-колебания на выходе колебательного контура изменяется во времени пропорционально модулирующему сигналу, т.е. частотно модулированный сигнал стал модулированным и по амплитуде ЧМ-сигнала на амплитудный детектор.
Аналогичным образом выделение закона изменения закона фазы ФМ-сигнала осуществляется фазовым детектором.
Существуют и способы демодуляции импульсно-демодулированного сигнала. Все устройства, предназначенные для демодуляции сигналов, будут рассмотрены дальше при изучении конкретных систем передачи и аппаратуры, входящей в состав этих систем.
Смешанные виды модуляции
Рассмотрение смешанной модуляции представляет интерес с различных точек зрения. В некоторых приборах (например, магнетронах) при изменениях амплитуды колебания наблюдается изменение частоты генерации. Поэтому при использовании таких устройств в качестве модуляторов выходной сигнал оказывается модулированным как по амплитуде, так и по частоте по одному и тому же закону.
Частотная и фазовая модуляции также обычно сопровождаются паразитной амплитудной модуляцией, возникающей вследствие несовершенства реальных модуляторов. Сигналы амплитудной модуляции вследствие изменений несущей частоты, обусловленных нестабильностью частоты задающего генератора передатчика, также оказываются модулированными как по амплитуде, так и по частоте.
При одновременной модуляции по амплитуде и частоте происходит изменение амплитуд спектральных составляющих сигнала, и при определённых условиях некоторые из них могут быть полностью подавлены. Необходимость такого полного подавления составляющих, образующих нижнюю (или верхнюю) боковую полосу модулированного сигнала, возникает при однополосной модуляции (не обязательно амплитудной). Поэтому смешанная модуляция может рассматриваться как практический способ получения сигналов однополосной модуляции.
Смешанную модуляцию, наконец, в определенных условиях можно использовать как средство ослабления мешающего действия помех. Действительно, если помехи таковы, что они производят независимую паразитную модуляцию параметров сигнала, то применение одновременной
модуляции нескольких параметров переносчика одним и тем же сообщением и суммирование напряжений на выходе соответствующих демодуляторов приёмника приведёт ослаблению помехи.
Особенности импульсной модуляции
Характерной особенностью импульсных систем передачи является то, что энергия сигнала излучается не непрерывно, а в виде коротких импульсов, длительность которых обычно составляет незначительную часть периода их повторения. Благодаря этому энергия импульсного сигнала во много раз меньше энергии непрерывного сигнала (при одинаковых пиковых значениях). Различие в энергиях импульсного и непрерывного сигналов зависит от соотношения между длительностью и периодом повторения. Большие временные интервалы между импульсами используются для размещения импульсов других каналов, т.е. для осуществления многоканальной связи с временным разделением каналов.
Частоту повторения импульсов определяют, исходя из допустимой точности восстановления непрерывного сообщения при его демодуляции. Минимальное значение частоты повторения импульсов
F0мин = 1/T0макс =2Fа,
где Fa – максимальная частота в спектре передаваемого непрерывного низкочастотного сообщения a(t).
В большинстве случаев высокочастотный сигнал импульсной модуляции создаётся в два этапа: сначала сообщение модулирует тот или иной параметр периодической последовательности импульсов постоянного тока (или видеоимпульсов), затем видеоимпульсы модулируют (обычно по амплитуде) непрерывное высокочастотное несущее колебание. Тем самым осуществляется перенос спектра модулированных видеоимпульсов на частоту несущего колебания f0. Энергия высокочастотного импульсного сигнала сконцентрирована в полосе частот вблизи несущей f0.
Спектр сигнала АИМ
Перейдём к рассмотрению спектров сигналов импульсной модуляции. Немодулированную последовательность видеоимпульсов, выполняющую роль промежуточного переносчика, можно представить рядом Фурье. Амплитудная модуляция вызывает появление около каждой из составляющих спектра немодулированных видеоимпульсов боковых полос, повторяющих спектр сообщения Sa(w). Таким образом, спектр сигнала АИМ представляет собой как бы многократно повторённый спектр обычной АМ, в котором роль «несущих частот» выполняют гармоники частоты следования импульсов.
Рассмотрение спектра сигнала АИМ позволяет пояснить соотношение, определяющее выбор частоты повторения импульсов. Значение F0мин = 2Fа определяет то минимальное значение частоты повторения, при котором не происходит наложения спектров соседних боковых полос. Структуру, подобную спектру сигнала АИМ, но несколько более сложную, имеют и спектры сигналов при других видах импульсной модуляции. Характерной особенностью спектров сигналов импульсной модуляции является наличие около w=0 составляющих, соответствующих частотам передаваемого сообщения. Это указывает на возможность демодуляции фильтром нижних частот, пропускающим на выход лишь составляющие с частотами от 0 до 2пи Fа и отфильтровывающим все остальные. Демодуляция не будет сопровождаться искажениями, если в полосу пропускания фильтра нижних частот (ФНЧ) не попадут составляющие ближайшей боковой полосы, т. е. нижней боковой полосы. И при демодуляции сигнала АИМ, искажения будут отсутствовать, когда спектры соседних боковых полос не перекрываются, а для этого надо, чтобы частота повторения импульсов была бы F0 больше либо равно 2Fа. Из этого рассмотрения вытекает также необходимость предварительной фильтрации передаваемого сообщения a(t) таким образом, чтобы ширина спектра его ограничивалась некоторой частотой Fа.
Модуляция случайными функциями
До сих пор рассматривалась модуляция гармонического переносчика детерминированными сообщениями. Это позволило получить важные для анализа систем сведения, относящиеся к спектрам модулированных сигналов. Полученные результаты, однако, не дают полного представления о характеристиках модулированных сигналов, относящихся ко всей совокупности возможных модулирующих сообщений. Такое представление можно получить лишь из рассмотрения совокупностей возможных сообщений и модулированных сигналов, как некоторых случайных процессов.
Практический интерес представляет рассмотрение энергетического спектра модулированных сигналов не только в том случае, когда случайным является лишь модулирующее воздействие, а переносчиком служит детерминированная функция, но также, когда и переносчик – некоторый случайный процесс (обычно узкополосный). Такой переносчик называется шумовым несущим колебанием. Необходимость рассмотрения переносчика, как узкополосного шумового колебания, возникает в некоторых оптических системах связи с некогерентным излучением. Применение шумового несущего колебания даёт возможность ослабить мешающее действие замираний уровня сигналов в каналах с многолучевым распространением радиоволн.
Заключение
В моем реферате я рассказал, что такое модуляция. Рассказал о её видах, о том, как и чем, передают сообщения из одного мечта в другое. Как при передачи сообщения подвергаются воздействию различных помех, и как сделать так, чтобы уменьшить это воздействие до минимума. Ещё я рассмотрел особенности модуляции. Каналы по которым передаётся информация. Рассмотрел спектры различных сигналов. Рассказал, что модуляция – это преобразование сигнал из одного вида, в другой, для того чтобы было возможно передать сообщение. И, что демодуляция, это наоборот, процесс преобразования поступившего сигнала в первоначальный вид. И что есть такие приборы, как амплитудные детекторы, которые и производят эту демодуляцию. И что они бывают двух видов: транзисторный (а) и диодный (б).
Я выполнил всё, что задумывал сделать. Тема эта мне эта понравилась. Я узнал много нового для себя.
Список используемой литературы
1. Крук Б.И., Попантонопуло В.Н., Шувалов В.П.: телекоммуникационные системы и сети, том1, с.28-40, стр.647.
2. Назаров И.В., Кувшинов Б.И., Попов О.В.: теория передачи сигналов, с.112-147,стр.368.















