64064 (695538)
Текст из файла
Содержание
Введение
Вторичные измерительные преобразователи и АЦП
1. Усилители
2. Делители напряжения и мосты
3. Фазометры и частотомеры
4. Специфика вторичных преобразователей для датчиков перемещений
Литература
Введение
Тема реферата по дисциплине "Информационные измерительные средства" - "Вторичные измерительные преобразователи и АЦП".
Применение и развитие измерительной техники всегда было обусловлено потребностями производства, торговли и других сфер человеческой деятельности. Контрольно-измерительные операции давно стали неотъемлемой частью технологических процессов и в значительной степени определяют качество выпускаемой продукции. Прогресс измерительной техники неразрывно связан с научно-техническим прогрессом. Новые научные и технические задачи приводят и к новым измерительным задачам, для решения которых нужны новые средства измерений (СИ), а новые научные и технические результаты влияют на уровень измерительной техники:
повышается точность измерений, и расширяются диапазоны измерения;
растет номенклатура измеряемых величин;
увеличивается производительность измерительных операций, и за счет их автоматизации уменьшается влияние человеческого фактора;
возрастает число выполняемых функций.
Информационные измерительные системы (ИИС) являются одним из наиболее ярких примеров этой взаимосвязи. Появление ИИС обусловлено в первую очередь конкретными задачами производства и научных исследований, требующих получения, обработки, отображения и хранения больших объемов измерительной информации.
ИИС являются симбиозом аппаратных средств и алгоритмов обработки измерительной информации.
Вторичные измерительные преобразователи и АЦП
Основной функцией вторичных измерительных преобразователей (ВИП) является преобразование информации, выдаваемой первичными преобразователями, в напряжение, подаваемое на АЦП. В каждом конкретном случае вид и функции вторичного преобразователя определяются видом первичного преобразователя. В предыдущем параграфе различные датчики были сгруппированы по виду измеряемой величины. Однако при выборе ВИП определяющим является вид выходной величины, а преобразуемая первичным преобразователем физическая величина уже не имеет существенного значения.
ВИП характеризуются теми же показателями, что и ПИП, то есть прежде всего функцией преобразования и показателями погрешности. Кроме того, появляется специфический показатель - требования к источникам питания, поскольку качество питающего напряжения (величина, стабильность, отклонение формы, фон и другие помехи) существенно влияет на качество выполнения преобразователем своих функций, рассмотрим основные виды ВИП, ориентированных на различные группы выходных величин ПИП.
1. Усилители
Для датчика генераторного типа, как уже отмечалось, вторичный преобразователь может и не понадобиться, если сигнал самого датчика достаточно велик. В противном случае вторичные преобразователи усиливают сигнал и при необходимости изменяют его постоянную составляющую. В этом случае используется стандартная схема операционного усилителя с отрицательной обратной связью (рис.1, а).
Рис. 1.
Коэффициент усиления такого усилителя определяется отношением сопротивлений резисторов R2 и R1:
где Ку - коэффициент усиления усилителя без обратной связи. Приближенное соотношение записано в предположении, что Ку много больше требуемого значения коэффициента усиления.
При подаче усиливаемого сигнала на вход 1 он не инвертируется, а при подаче на вход 2 инвертируется. Неиспользуемый вход обычно заземляют. При необходимости на него может быть подан постоянный сигнал для изменения постоянной составляющей.
Усилители могут работать в недифференциальном режиме, когда усиливаемый сигнал подается на один вход, а вторым входом является общая земля (общий нуль), и в дифференциальном режиме, когда исследуемый сигнал подается на оба входа, что имеет место, например, при усилении сигналов с мостовых схем.
Если датчик генераторного типа выдает ток, то вторичный преобразователь должен преобразовать выходной ток в напряжение и при необходимости усилить.
Для этого также может быть использован операционный усилитель, в котором сопротивление R1 много меньше выходного сопротивления датчика, рассматриваемого как генератор тока.
В этом случае коэффициент передачи вторичного преобразователя не зависит от R1.
K = UBых/IBX = R2 (2.2)
Из этого следует, что входной резистор может быть исключен, и мы приходим к схеме, изображенной на рис.1, б.
Определенная специфика имеется при усилении зарядов, генерируемых, в частности, пьезоэлектрическими датчиками.
Любое конечное входное сопротивление усилителя приводит к стеканию заряда и уменьшению выходного сигнала.
Поэтому для преобразования и усиления такого выходного сигнала используется интегрирующий усилитель, схема которого показана на рис.1, е. Коэффициент передачи такого вторичного преобразователя
K = UBых/QBX = 1/C. (2.3)
Из этой формулы следует, что коэффициент передачи будет тем больше, чем меньше емкость конденсатора С. Однако нужно иметь в виду, что данное соотношение записано в предположении идеальности конденсатора, то есть его сопротивление утечки R, показанное на схеме, равно бесконечности. Однако реально оно конечно. Поэтому емкость должна быть выбрана такой, чтобы модуль ее сопротивления на низшей возможной частоте изменения заряда была много меньше сопротивления утечки.
2. Делители напряжения и мосты
Для параметрических датчиков вторичные преобразователи формируют напряжение, зависящее от изменения выходного параметра датчика. Далее для краткости и простоты изложения будем считать, что выходной величиной датчика является комплексное сопротивление Zx. Это предположение соответствует и физической сущности работы датчиков. Только у резистивных датчиков для достаточно больших диапазонов частот мы можем считать выходное сопротивление чисто активным. В емкостных датчиках мы должны учитывать сопротивление утечек (особенно на низких частотах), а для индуктивных датчиков - активное сопротивление обмотки и эквивалентное сопротивление потерь в сердечнике (особенно на больших частотах), хотя при теоретических расчетах выходные сопротивления этих датчиков считают чисто реактивными.
Для преобразования сопротивления в напряжение используются делители напряжения и мостовые схемы.
Два варианта схемы делителя приведены на рис.2.
Делители напряжения являются простейшими вторичными преобразователями.
Однако следует иметь в виду, что для обеих схем характеристики преобразования существенно нелинейны.
Рис. 2.
Рис. 3
Нелинейность будет уменьшаться по мере уменьшения Zx по сравнению с ZQ. Однако при этом будет уменьшаться и чувствительность преобразователей.
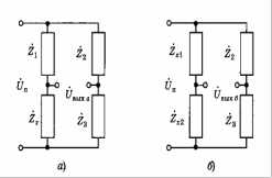
На рис.3, а приведена мостовая схема вторичного преобразователя для недифференциальных датчиков, а на рис.3, б - для дифференциальных.
Функции преобразования для этих преобразователей имеют вид.
Первая из этих характеристик нелинейна, а вторая - если оба компонента дифференциального датчика имеют одинаковые начальные сопротивления и изменяются симметрично, будет линейной.
Емкости и индуктивности могут измеряться мостами только переменного тока. Активные сопротивления могут измеряться мостами как постоянного, так и переменного тока. При этом вариант моста переменного тока не должен отвергаться, как более сложный. Следует иметь в виду, что передача информации на переменном токе более помехоустойчива, чем на постоянном. Поэтому, если датчики удалены от ВИП, что имеет место, например, при контроле напряженных строительных элементов мостов и других сооружений, целесообразно и для резистивных датчиков использовать мосты переменного тока.
Нелинейность вторичных преобразователей имела существенное значение при аналоговой обработке. При цифровых методах она может быть устранена в процессе линеаризации характеристик ИК.
Как видно из формул (2.4) и (2.5), чувствительность делителей и мостов увеличивается с увеличением питающего напряжения. Однако его нельзя увеличивать неограниченно. В силу малых размеров датчиков даже при небольших протекающих токах их нагрев может привести к изменению выходной величины, например сопротивления. Поэтому изменения выходного напряжения делителя или моста могут быть малыми, и потребуется их усиление. При усилении сигналов с делителей обязательно потребуется изменение постоянной составляющей, о возможности чего мы уже говорили. Такая компенсация, хотя и в меньшей степени, может потребоваться и для мостовых преобразователей. Сигналы делителя можно подавать на усилитель по недифференциальной схеме, а выходные сигналы мостовых преобразователей - по дифференциальной схеме. При измерении комплексных сопротивлений мостами переменного тока вторичный преобразователь необходимо дополнить выпрямителями для преобразования переменного напряжения в постоянное. При этом для компенсации фазовых сдвигов, например в дифференциальных индуктивных или емкостных преобразователях, могут потребоваться фазочувствительные детекторы.
Поскольку чувствительность делителей и мостовых схем пропорциональна величине питающего напряжения, его нестабильность непосредственно переносится в мультипликативную погрешность ВИП. Поэтому к стабильности питающего напряжения предъявляются весьма жесткие требования.
При использовании мостов переменного тока в каждый вторичный преобразователь должен входить генератор синусоидального сигнала частотой несколько (иногда несколько десятков) килогерц. При наличии в ИИС нескольких близко расположенных однотипных вторичных преобразователей один генератор может использоваться для питания нескольких мостов. Это упрощает конструкцию, но может привести к увеличению взаимного влияния измерительных каналов.
3. Фазометры и частотомеры
Вторичные преобразователи для параметрических датчиков могут быть генераторного типа, когда датчик включается в цепь обратной связи и величина его выходного сопротивления определяет частоту генерируемого колебания. В этом случае в состав вторичного преобразователя должен входить измеритель частоты.
Во вторичном преобразователе реактивное сопротивление может преобразовываться в сдвиг фазы синусоидального сигнала, который затем измеряется. Например, к измерению фазы сводится вторичное преобразование сигнала сельсина при измерении угла поворота.
Измерения фазы и частоты обычно производятся цифровыми методами. При измерении частоты в режиме частотомера подсчитывается число периодов или полупериодов исследуемого сигнала за заданный интервал времени Т (рис.4, а). При измерении частоты в режиме периодомера подсчитывается число заполняющих импульсов существенно большей частоты за заданное число периодов исследуемого сигнала (рис.4, б). При измерении фазы подсчитывается число импульсов между переходами через нуль с одинаковой производной опорного и преобразованного сигналов и измеряется период, если он заранее не известен (рис.4, в).
Для импульсных датчиков вторичный преобразователь должен обеспечить подсчет числа импульсов. Во всех этих случаях выходной сигнал ВИП, содержащийся в счетчике импульсов, оказывается представленным в цифровой форме, то есть в данном случае вторичный преобразователь выполнят и функции АЦП.
Следует отметить, что объединение вторичных преобразователей с АЦП не устраняет показанной на рис.5 обратной связи ЭВМ с АЦП. Начало счета импульсов и считывание результатов счета производятся по командам с ЭВМ.
Характеристики
Тип файла документ
Документы такого типа открываются такими программами, как Microsoft Office Word на компьютерах Windows, Apple Pages на компьютерах Mac, Open Office - бесплатная альтернатива на различных платформах, в том числе Linux. Наиболее простым и современным решением будут Google документы, так как открываются онлайн без скачивания прямо в браузере на любой платформе. Существуют российские качественные аналоги, например от Яндекса.
Будьте внимательны на мобильных устройствах, так как там используются упрощённый функционал даже в официальном приложении от Microsoft, поэтому для просмотра скачивайте PDF-версию. А если нужно редактировать файл, то используйте оригинальный файл.
Файлы такого типа обычно разбиты на страницы, а текст может быть форматированным (жирный, курсив, выбор шрифта, таблицы и т.п.), а также в него можно добавлять изображения. Формат идеально подходит для рефератов, докладов и РПЗ курсовых проектов, которые необходимо распечатать. Кстати перед печатью также сохраняйте файл в PDF, так как принтер может начудить со шрифтами.
















