64018 (695525), страница 3
Текст из файла (страница 3)
ток управления Ig равен или превосходит анодный ток Ia (для тиристоров GTO Ig меньше в 3 - 5 раз);
управляющий электрод обладает низкой индуктивностью, что позволяет достичь скорости нарастания тока управления dig/dt, равной 3000 А/мкс и более (для тиристоров GTO значение dig/dt составляет 30-40 А/мкс).
Рис. 5. Распределение токов в структуре тиристора GCT при выключении
На рис. 5 показано распределение токов в структуре тиристора GCT при выключении прибора. Как указывалось, процесс включения подобен включению тиристоров GTO. Процесс выключения отличен. После подачи отрицательного импульса управления (-Ig) равного по амплитуде величине анодного тока (Ia), весь прямой ток, проходящий через прибор, отклоняется в систему управления и достигает катода, минуя переход j3 (между областями p и n). Переход j3 смещается в обратном направлении, и катодный транзистор npn закрывается. Дальнейшее выключение GCT аналогично выключению любого биполярного транзистора, что не требует внешнего ограничения скорости нарастания прямого напряжения du/dt и, следовательно, допускает отсутствие снабберной цепочки.
Изменение конструкции GCT связано с тем, что динамические процессы, возникающие в приборе при выключении, протекают на один - два порядка быстрее, чем в GTO. Так, если минимальное время выключения и блокирующего состояния для GTO составляет 100 мкс, для GCT эта величина не превышает 10 мкс. Скорость нарастания тока управления при выключении GCT составляет 3000 А/мкс, GTO - не превышает 40 А/мкс.
Чтобы обеспечить высокую динамику коммутационных процессов, изменили конструкцию вывода управляющего электрода и соединение прибора с формирователем импульсов системы управления. Вывод выполнен кольцевым, опоясывающим прибор по окружности. Кольцо проходит сквозь керамический корпус тиристора и контактирует: внутри с ячейками управляющего электрода; снаружи - с пластиной, соединяющей управляющий электрод с формирователем импульсов.
Сейчас тиристоры GTO производят несколько крупных фирм Японии и Европы: "Toshiba", "Hitachi", "Mitsubishi", "ABB", "Eupec". Параметры приборов по напряжению UDRM : 2500 В, 4500 В, 6000 В; по току ITGQM (максимальный повторяющийся запираемый ток): 1000 А, 2000 А, 2500 А, 3000 А, 4000 А, 6000 А.
Тиристоры GCT выпускают фирмы "Mitsubishi" и "ABB". Приборы рассчитаны на напряжение UDRM до 4500 В и ток ITGQM до 4000 А.
В настоящее время тиристоры GCT и GTO освоены на российском предприятии ОАО "Электровыпрямитель" (г. Саранск).Выпускаются тиристоры серий ТЗ-243, ТЗ-253, ТЗ-273, ЗТА-173, ЗТА-193, ЗТФ-193 (подобен GCT) и др. с диаметром кремниевой пластины до 125 мм и диапазоном напряжений UDRM 1200 - 6000 В и токов ITGQM 630 - 4000 А.
Параллельно с запираемыми тиристорами и для использования в комплекте с ними в ОАО "Электровыпрямитель" разработаны и освоены в серийном производстве быстровостанавливающиеся диоды для демпфирующих (снабберных) цепей и диоды обратного тока, а также мощный импульсный транзистор для выходных каскадов драйвера управления (система управления).
Тиристоры IGCT
Благодаря концепции жёсткого управления (тонкое регулирование легирующих профилей, мезатехнология, протонное и электронное облучение для создания специального распределения контролируемых рекомбинационных центров, технология так называемых прозрачных или тонких эмиттеров, применение буферного слоя в n - базовой области и др.) удалось добиться значительного улучшения характеристик GTO при выключении. Следующим крупным достижением в технологии жёстко управляемых GTO (HD GTO) с точки зрения прибора, управления и применения стала идея управляемых приборов базирующихся на новом "запираемом тиристоре с интегрированным блоком управления (драйвером)" (англ. Integrated Gate-Commutated Thyristor (IGCT)). Благодаря технологии жёсткого управления равномерное переключение увеличивает область безопасной работы IGCT до пределов, ограниченных лавинным пробоем, т.е. до физических возможностей кремния. Не требуется никаких защитных цепей от превышения du/dt. Сочетание с улучшенными показателями потерь мощности позволило найти новые области применения в килогерцовом диапазоне. Мощность, необходимая для управления, снижена в 5 раз по сравнению со стандартными GTO, в основном за счёт прозрачной конструкции анода. Новое семейство приборов IGCT, с монолитными интегрированными высоко мощными диодами было разработано для применения в диапазоне 0,5 - 6 МВ*А. При существующей технической возможности последовательного и параллельного соединения приборы IGCT позволяют наращивать уровень мощности до нескольких сотен мегавольт - ампер.
При интегрированном блоке управления катодный ток снижается до того, как анодное напряжение начинает увеличиваться. Это достигается за счёт очень низкой индуктивности цепи управляющего электрода, реализуемой за счёт коаксиального соединения управляющего электрода в сочетании с многослойной платой блока управления. В результате стало возможным достигнуть значения скорости выключаемого тока 4 кА/мкс. При напряжении управления UGK=20 В. когда катодный ток становится равным нулю, оставшийся анодный ток переходит в блок управления, который имеет в этот момент низкое сопротивление. За счёт этого потребление энергии блоком управления минимизируется.
Работая при "жёстком" управлении, тиристор переходит при запирании из p-n-p-n состояния в p-n-p режим за 1 мкс. Выключение происходит полностью в транзисторном режиме, устраняя всякую возможность возникновения триггерного эффекта.
Уменьшение толщины прибора достигается за счёт использования буферного слоя на стороне анода. Буферный слой силовых полупроводников улучшает характеристики традиционных элементов за счёт снижения их толщины на 30% при том же прямом пробивном напряжении. Главное преймущество тонких элементов - улучшение технологических характеристик при низких статических и динамических потерях. Такой буферный слой в четырёхслойном приборе требует устранения анодных закороток, но при этом сохраняется эффективное освобождение электронов во время выключения. В новом приборе IGCT буферный слой комбинируется с прозрачным анодным эмиттером. Прозрачный анод - это p-n переход с управляемой током эффективностью эмиттера.
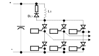
Для максимальной помехоустойчивости и компактности блок управления окружает IGCT, формируя единую конструкцию с охладителем, и содержит только ту часть схемы, которая необходима для управления непосредственно IGCT. Как следствие, уменьшено число элементов управляющего блока, снижены параметры рассеяния тепла, электрических и тепловых перегрузок. Поэтому, также существенно снижена стоимость блока управления и интенсивность отказов. IGCT, с его интегрированным управляющим блоком, легко фиксируется в модуле и точно соединяется с источником питания и источником управляющего сигнала через оптоволокно. Путём простого размыкания пружины, благодаря детально разработанной прижимной контактной системе, к IGCT прилагается правильно рассчитанное прижимное усилие, создающее электрический и тепловой контакт. Таким образом, достигается максимальное облегчение сборки и наибольшая надёжность. При работе IGCT без снаббера, обратный диод тоже должен работать без снаббера. Эти требования выполняет высокомощный диод в прижимном корпусе с улучшенными характеристиками, произведённый с использованием процесса облучения в сочетании с классическими процессами. Возможности по обеспечению di/dt определяются работой диода (см. рис. 6).
Рис. 6. Упрощенная схема трёхфазного инвертора на IGCT
Основной производитель IGCT фирма "ABB".Параметры тиристоров по напряжению UDRM: 4500 В, 6000 В; по току ITGQM: 3000 А, 4000 А.
Заключение
Быстрое развитие в начале 90-х годов технологии силовых транзисторов привело к появлению нового класса приборов - биполярные транзисторы с изолированным затвором (IGBT - Insulated Gate Bipolar Transistors). Основными преимуществами IGBT являются высокие значения рабочей частоты, КПД, простота и компактность схем управления (вследствие малости тока управления).
Появление в последние годы IGBT с рабочим напряжением до 4500 В и способностью коммутировать токи до 1800 А привело к вытеснению запираемых тиристоров (GTO) в устройствах мощностью до 1 МВт и напряжением до 3,5 кВ.
Однако новые приборы IGCT, способные работать с частотами переключения от 500 Гц до 2 кГц и имеющие более высокие параметры по сравнению с IGBT транзисторами, сочетают в себе оптимальную комбинацию доказанных технологий тиристоров с присущими им низкими потерями, и бесснабберной, высокоэффективной технологией выключения путём воздействия на управляющий электрод. Прибор IGCT сегодня - идеальное решение для применения в области силовой электроники среднего и высокого напряжений.
| Характеристики современных мощных силовых ключей с двусторонним теплоотводом | Тип прибора Преимущества | Недостатки | Области применения |
| Традиционный тиристор (SCR) | Самые низкие потери во включённом состоянии. Самая высокая перегрузочная способность. Высокая надёжность. Легко соединяются параллельно и последовательно. | Не способен к принудительному запиранию по управляющему электроду. Низкая рабочая частота. | Привод постоянного тока; мощные источники питания; сварка; плавление и нагрев; статические компенсаторы; ключи переменного тока |
| GTO | Способность к управляемому запиранию. Сравнительно высокая перегрузочная способность. Возможность последовательного соединения. Рабочие частоты до 250 Гц при напряжении до 4 кВ. | Высокие потери во включённом состоянии. Очень большие потери в системе управления. Сложные системы управления и подачи энергии на потенциал. Большие потери на переключение. | Электропривод; статические компенсаторы;реактивной мощности; системы бесперебойного питания;индукционный нагрев |
| IGCT | Способность к управляемому запиранию. Перегрузочная способность та же, что и у GTO. Низкие потери во включённом состоянии на переключение. Рабочая частота - до единиц, кГц. Встроенный блок управления (драйвер). Возможность последовательного соединения. | Не выявлены из-за отсутствия опыта эксплуатации | Мощные источники питания (инверторная и выпрямительная подстанции линий передач постоянного тока); электропривод (инверторы напряжения для преобразователей частоты и электроприводов различного назначения) |
| IGBT | Способность к управляемому запиранию. Самая высокая рабочая частота (до 10 кГц). Простая неэнергоёмкая система управления. Встроенный драйвер. | Очень высокие потери во включённом состоянии. | Электропривод (чопперы); системы бесперебойного питания; статические компенсаторы и активные фильтры; ключевые источники питания |
















