63648 (695414), страница 3
Текст из файла (страница 3)
М-S-триггеры с разнополярным тактованиием
Особенностью построения триггеров является то, что основной и вспомогательный триггеры тактируются взаимно инверсными сигналами. Этим обеспечивается надежная блокировка передачи информации в триггер S в момент ее записи в основной, чем и гарантируется высокая функциональная надежность.
Триггер, выполненный по данной схеме, представлен на рис. 6.
Рис. 6. Схема CLF-RS -триггера с разнополярным тактированием
Здесь основной и вспомогательный триггеры реализованы на элементах И-ИЛИ-НЕ, причем основной является
-триггером, а вспомогательный
триггером. В отсутствие ТИ (С=0) закрыты вентили И1, И2 элемента В3 или В4 и состояние триггера М постоянно переписывается в триггер S. Так, если триггер М находится в состоянии
`=0,
`=1, то будут закрыты вентили И1 и И2 элемента В4, то есть на его выходе уровень 1 и, следовательно, триггер S в этом случае находится в состоянии
=0,
=1. При поступлении ТИ (С=1) откроется вентиль И1 элемента В3, то есть триггер S запомнит состояние триггера М. Одновременно с процессом хранения информации вспомогательным триггером происходит запись информации в триггер М. Однако информация, записываемая в триггер М во время действия ТИ, не воспринимается триггером S, поскольку уровень 0 на выходе
удерживает в закрытом состоянии вентили И1, И2 элемента В4, то есть осуществляется запрет приема информации триггером S. По окончании ТИ запрет снимается (С=0) и осуществляется прием информации триггером S, который в переходный период проходит через состояние
=
=1.
Этот триггер, как и все рассмотренные ранее, может быть легко преобразован в триггер
и
типов (на рис. 6 показано штриховыми линиями).
Данный триггер обладает минимальным числом элементов и максимальным быстродействием, что является преимуществом перед ранее рассмотренными триггерами. Однако наряду с максимальным быстродействием имеет минимальное значение параметра nQ (нагрузочная способность триггера по выходу) и максимальное значение параметра nc (эквивалент нагрузки триггера по тактовому входу), что ограничивает его эксплуатационные возможности при проектировании более сложных цифровых узлов. Рассматриваемый триггер также не может быть преобразован в асинхронный, что снижает его функциональные возможности. Однако благодаря высокому быстродействию и малому числу элементов он находит достаточно широкое применение.
М-S-триггеры с блокирующими транзисторами
В таких триггерах организация блокировки передачи информации из триггера М в триггер S во время действия ТИ осуществляется за счет дополнительных блокирующих транзисторов, включенных между основным и вспомогательным триггерами. Схемная реализация такого триггера приведена на рис. 7.
Рис. 7. Схема CLF-RS - триггера с коммутирующими транзисторами.
В отсутствие ТИ (С=0) открыт один из двух блокирующих транзисторов VT1 или VT2 и притом тот, на базе которого действует уровень 1. Предположим, что триггер М находится в состоянии
`=1,
`=0. В этом случае открыт транзистор VT2, то есть на его коллекторе низкий уровень и, следовательно, на выходе элемента В4 действует уровень 1 (
=1), а на выходе В3 — уровень 0 (
=0). При поступлении ТИ (С=1) оба транзистора оказываются закрытыми высоким уровнем сигнала, действующим на их эмиттерах, и тем самым обеспечивается сохранность информации триггером S и блокировка приема информации от триггера М, в который в это же время производится запись информации. По окончании ТИ (С=0) блокировка снимается, то есть на эмиттерных входах обоих транзисторов действуют уровни 0 и осуществляется передача состояния триггера М в триггер S. При этом триггер S устанавливается в новое состояние через переходное состояние
=
=1.
Организация
и
триггеров на базе данного триггера показана на рис. 7 штриховыми линиями.
Резюме: кроме рассмотренных, возможны и другие схемотехнические приемы организации блокировки в М-S-триггерах. Однако приведенные схемные решения получили наибольшее распространение в силу их высоких схемотехнических и функциональных возможностей.
Из других разновидностей триггеров с различными способами управления записью рассмотрим
Триггеры с управлением записью видов
,
Данные триггеры существуют только в тактируемом варианте и работают по следующему алгоритму: в отсутствие и во время действия ТИ информация принимается и запоминается внутренней памятью схемы управления. Другими словами, такие триггеры принимают информацию в течение всей длительности периода, а фиксируют по срезу ТИ. В дальнейшем эти триггеры будем называть триггерами вида
, где Т — период следования ТИ. Возможны два варианта таких триггеров
и
. Особенности их работы рассмотрим на примере
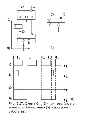
триггера, схема которого приведена на рис. 8.
Рис. 8. Схема СLF D - триггера (а), его условное
обозначение (б) и диаграмма работы (в)
Она включает в себя триггеры
,
и элемент ИЛИ. Работа триггера иллюстрируется диаграммой (рис. 8, в). В момент t1 на вход D поступает сигнал с уровнем 1, и так как
триггер принимает информацию по уровню
, то в момент t1 триггер установится в состояние
`=1. После окончания ТИ (момент t2) состояние Q=1 зафиксируется и на выходе триггера. Одновременно в момент t2 на входе D установится уровень 0 и
триггер примет нулевое состояние (Q`=0).
К некоторому моменту t3
триггер будет находиться в состоянии 0 и, следовательно, в момент t4 это состояние зафиксируется и на выходе
триггера (Q=0). В момент t5 вновь поступает сигнал D=1. Но теперь
триггер не принимает эту информацию. В итоге состояние D=1 через элемент ИЛИ поступает на вход S
триггера и фиксируется на его выходах после окончания ТИ (момент t6).
В интегральной схемотехнике применяются в основном
триггеры, хотя в практике возможны и другие их функциональные типы, например
триггеры.
ЛИТЕРАТУРА
1. Новиков Ю.В. Основы цифровой схемотехники. Базовые элементы и схемы. Методы проектирования. М.: Мир, 2001. - 379 с.
2. Новиков Ю.В., Скоробогатов П.К. Основы микропроцессорной техники. Курс лекций. М.: ИНТУИТ.РУ, 2003. - 440 с.
3. Пухальский Г.И., Новосельцева Т.Я. Цифровые устройства: Учеб. пособие для ВТУЗов. СПб.: Политехника, 2006. - 885 с.
4. Преснухин Л.Н., Воробьев Н.В., Шишкевич А.А. Расчет элементов цифровых устройств. М.: Высш. шк., 2001. - 526 с.
5. Букреев И.Н., Горячев В.И., Мансуров Б.М. Микроэлектронные схемы цифровых устройств. М.: Радио и связь, 2000. - 416 с.
6. Соломатин Н.М. Логические элементы ЭВМ. М.: Высш. шк., 2000. - 160 с.
















