63234 (695256)
Текст из файла
РЕФЕРАТ
Сцинтилляционный счетчик
2009
Принцип действия и область применения
В сцинтилляционном счетчике ионизирующее излучение вызывает вспышку света в соответствующем сцинтилляторе, который может быть как твердым, так и жидким. Эта вспышка передается в фотоэлектронный умножитель, который превращает ее в импульс электрического тока. Импульс тока усиливается в последующих ступенях ФЭУ вследствие их высокого коэффициента вторичной эмиссии.
Несмотря на то, что при работе с сцинтилляционными счетчиками в общем случае необходима более сложная электронная аппаратура, эти счетчики обладают по сравнению со счетчиками Гейгера - Мюллера существенными преимуществами.
1. Эффективность для счета рентгеновского и гамма-излучений значительно больше; при благоприятных обстоятельствах она достигает 100%.
2. Световая отдача в некоторых сцинтилляторах пропорциональна энергии возбуждающей частицы или кванта.
3. Временная разрешающая способность более высока.
Сцинтилляционный счетчик является, таким образом, детектором, пригодным для регистрации излучении малой интенсивности, для анализа распределения по энергиям при не слишком высоких требованиях к разрешающей способности и для измерений с помощью схемы совпадений при высокой интенсивности излучения.
Б) Сцинтилляторы
а) Выбор.
1) Протоны и другие сильно ионизирующие частицы. Если речь идет только о регистрации этих частиц, то одинаково пригодны все виды сцинтилляторов, причем, вследствие их высокой тормозной способности, достаточны слои толщиной порядка миллиметра и еще меньше. Надо, однако, иметь в виду, что световая отдача протонов и б-частиц в органических сцинтилляторах составляет лишь около '/10 от световой отдачи электронов той же энергии, в то время как в неорганических сцинтилляторах ZnS и NaJ обе они одного порядка.
Зависимость между энергией световых вспышек и связанной с ней величиной импульсов, а также энергией частиц, переданной сцинтиллятору, для органических веществ, вообще говоря, нелинейна. Для ZnS1 NaJ и CsJ эта зависимость, однако, близка к линейной. Вследствие хорошей прозрачности для собственного флуоресцентного излучения кристаллы NaJ и CsJ позволяют получить отличную энергетическую разрешающую способность; надо, однако, следить за тем, чтобы поверхность, через которую частицы проникают в кристалл, была очень чистой.
2) Нейтроны. Медленные нейтроны можно обнаруживать, пользуясь реакциями Li6Hs, B10Li' или CdlisCd114. В качестве сцинтилляторов для этой цели применяются монокристаллы из LiJ, порошкообразные смеси, например, 1 весовая часть B2O3 и 5 весовых частей ZnS, их напыляют непосредственно на окошко ФЭУ; также можно применять
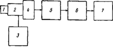
Блок-схема сцинтилляционного спектрометра. 1 - сцинтиллятор, 2 - ФЭУ, з - источник высокого напряжения, 4 - катодный повторитель, д - линейный усилитель, 6 - амплитудный анализатор импульсов, 7 - регистрирующий прибор.
ZnS, суспендированный в расплавленном B2O3, соответствующие соединения бора в сцинтилляторах из искусственных веществ и смеси метилбората или пропионата кадмия с жидкими сцинтилляторами. Если при измерениях нейтронов надо исключить влияние г-излучения, то при тех реакциях, которые вызывают эмиссию тяжелых частиц, надо учитывать указанное выше соотношение для световой отдачи различных сцинтилляторов в зависимости от рода частиц.
Быстрые нейтроны регистрируются с помощью протонов отдачи, образующихся в водородсодержащих веществах. Так как высокое содержание водорода имеет место только в органических сцинтилляторах, то вследствие упомянутых причин уменьшить влияние г-излучения затруднительно. Лучшие результаты достигаются, если процесс образования протонов отдачи отделить от возбуждения сцинтиллятора г-лучами. В этом случае слой последнего должен быть тонким, его толщина определяется пробегом протонов отдачи, так что вероятность регистрации г-излучения существенно уменьшается. В качестве сцинтиллятора в этом случае предпочтительнее применять ZnS. Можно также суспендировать порошкообразный ZnS в прозрачном искусственном веществе, содержащем водород.
Энергетический спектр быстрых нейтронов при помощи сцинтилляторов исследовать почти невозможно. Это объясняется тем, что энергия протонов отдачи может принимать всевозможные значения, вплоть до полной энергии нейтронов, в зависимости оттого, каким образом происходит столкновение.
3) Электроны, в-частицы. Как и для других типов излучений, энергетическая разрешающая способность сцинтиллятора для электронов зависит от соотношения между световой энергией и энергией, переданной сцинтиллятору ионизирующей частицей. Это обусловлено тем, что полуширина кривой распределения величин импульсов, вызванных моноэнергетическими падающими частицами, вследствие статистических колебаний в первом приближении обратно пропорциональна квадратному корню из числа фотоэлектронов, выбитых из фотокатода ФЭУ. Из применяемых в настоящее время сцинтилляторов наибольшие амплитуды импульсов дает NaJ1 а пз органических сцинтилляторов - антрацен, который при прочих равных условиях дает импульсы примерно в два раза меньшей амплитуды, чем NaJ.
Так как эффективные сечения рассеяния электронов сильно возрастают с увеличением атомного номера, то при применении NaJ 80-90% всех падающих электронов снова рассеивается из кристалла; при применении антрацена этот аффект достигает приблизительно 10%. Рассеянные электроны вызывают импульсы, величина которых меньше величины, отвечающей полной энергии электронов. Вследствие этого количественная оценка в-спектров, полученных при помощи кристаллов из NaJ, весьма затруднительна. Поэтому для в-спектроскопии часто более целесообразно применять органические сцинтилляторы, которые состоят из элементов с малыми атомными номерами.
Обратное рассеяние можно ослабить также следующими приемами. Вещество, в-излучение которого должно исследоваться, или примешивают к сцинтиллятору, если оно не подавляет флуоресцентного излучения, или помещают между двумя поверхностями сцинтилляторов, флуоресцентное Iryny1Ienne которых действует на фотокатод, или, наконец, применяют сцинтиллятор с внутренним каналом, в который проходит в-излучение.
Зависимость между световой энергией и энергией, переданной сцинтиллятору излучением, для NaJ линейна. Для всех органических сцинтилляторов это отношение при малой энергии электронов уменьшается. Указанная нелинейность должна учитываться при количественной оценке спектров.
4) Рентгеновское и гамм а-излучение. Процесс взаимодействия электромагнитного излучения с сцинтиллятором в основном состоит из трех элементарных процессов.
При фотоэффекте энергия кванта переходит почти полностью в кинетическую энергию фотоэлектрона, причем она вследствие малого пробега фотоэлектрона в большинстве случаев абсорбируется в сцинтилляторе. Вторичный квант, соответствующий энергии связи электрона, или также поглощается сцинтиллятором, или выходит из него.
В эффекте Комптона электрону передается "только часть энергии кванта. Эта часть с большой вероятностью поглощается в сцинтилляторе. Рассеянный фотон, энергия которого уменьшилась на величину, равную энергии комптон-электрона, также или поглощается сцинтиллятором, или выходит из него.
При образовании пар энергия первичного кванта, за вычетом энергии образования пары, переходит в кинетическую энергию этой пары и в основном поглощается сцинтиллятором. Излучение, образующееся при аннигиляции электрона и позитрона, поглощается в сцинтилляторе или выходит из него.
Энергетическая зависимость эффективных сечений для этих процессов такова, что при малой энергии квантов в основном имеет место фотоэффект; начиная с энергии 1,02 Мае, может наблюдаться образование пар, однако вероятность этого процесса достигает заметной величины лишь при существенно более высоких энергиях. В промежуточной области основную роль играет эффект Комптона.
С увеличением порядкового номера Z эффективные сечения при фотоэффекте и при образовании пар возрастают значительно сильнее, чем при эффекте Комптона. Однако при этом электрону передается:
1) при фотоэффекте, - кроме энергии кванта, переходящей в энергию электрона уже при первичном эффекте, еще только энергия связи фотоэлектрона, отвечающая вторичному излучению, мягкому и легко поглощаемому;
2) при образовании пар - только излучение аннигиляции с дискретной известной энергией. При эффекте Комптона энергия вторичных электронов и рассеянных квантов имеет широкую область возможных значений. Так как' вторичные кванты, как уже было сказано, могут не испытать поглощения и выйти из сцинтиллятора, то для облегчения интерпретации спектров целесообразно по возможности сузить область, в которой преобладает эффект Komhtohj, выбирая сцинтилляторы с большим Ж, например NaJ. Кроме того, отношение энергии света к переданной сцинтиллятору энергии для NaJ практически не зависит от энергии электронов; поэтому во всех сложных процессах, при которых кванты поглощаются, выделяется одинаковое количество света. Такие сложные процессы происходят с тем большей вероятностью, чем больше размеры сцинтиллятора.
Ослабление гамма-лучей в антрацене, ц - коэффициент ослабления; ф - коэффициент фотопоглощения, а - коэффициент комптоновского рассеяния, р - коэффициент образования пар.
Это значит, что для увеличения отношения чиста импульсов в линии к полному числу импульсов в спектре надо увеличивать размеры применяемого сцинтиллятора. Это, однако, дорого обходится. При этом надо обращать внимание на то, что достижимая энергетическая разрешающая способность и практически достижимая световая отдача в больших сцинтилляторах ограничиваются, наряду с другими причинами, недостаточной их прозрачностью для флуоресцентного излучения. NaJ применяется в виде цилиндрических кристаллов стандартного размера 038 мм ч 25 мм Количественная оценка сцинтилляционных спектров рентгеновских и гамма-лучей. На рис. приведены две кривые сцинтилляционных спектров г-лучей, полученные с кристаллом NaJ. Граница эффекта Комптона, м - коэффициент ослабления; ф - коэффициент фотопоглощения, о - коэффициент комптоновского рассеяния, р - коэффициент образования пар комптоновского распределения электронов; рассеянный квант выходит из кристалла) определяется равенством:
где комптопграничная энергия комптоновских электронов, - энергия первичных г-квантов, тес2 - энергия покоящегося электрона.
Для сцинтилляторов с малым Z часть спектра, соответствующая комптонэффекту, соответственно возрастает. Комптоновская область с энергиями ниже граничной часто перекрывается так называемым максимумом обратного рассеяния; оно появляется в результате поглощения в сцинтилляторе комптоновских квантов, возникающих при процессах рассеяния в объектах вблизи сцинтиллятора; соответствующие этим квантам комптоновские электроны не достигают сцинтиллятора. Значение этого максимума определяется из соотношения:
Для уменьшения обратного рассеяния коллиматору первичного излучения придают такую форму, чтобы рассеянное излучение не попадало в сцинтиллятор. Для этого целесообразно поставить перед сцинтиллятором узкую диафрагму, после него - диафрагму с широким отверстием, а объекты, вызывающие рассеяние, располагать на достаточно большом расстоянии. Из тех же соображений лучи, падающие на сцинтиллятор, не должны попадать на ФЭУ, они должны проходить лишь через кожух сцинтиллятора
При исследованиях излучения с малой энергией наблюдается так называемый максимум внутренней конверсии, соответствующий энергии:
Его появление вызвано тем, что при фотоэффекте на йоде, находящемся в кристалле NaJ, возникает рентгеновское ^-излучение, выходящее из поверхностных слоев сцинтиллятора.
При энергиях квантов свыше 1,02 Мае возникают еще два максимума, соответствующие энергиям:
Характеристики
Тип файла документ
Документы такого типа открываются такими программами, как Microsoft Office Word на компьютерах Windows, Apple Pages на компьютерах Mac, Open Office - бесплатная альтернатива на различных платформах, в том числе Linux. Наиболее простым и современным решением будут Google документы, так как открываются онлайн без скачивания прямо в браузере на любой платформе. Существуют российские качественные аналоги, например от Яндекса.
Будьте внимательны на мобильных устройствах, так как там используются упрощённый функционал даже в официальном приложении от Microsoft, поэтому для просмотра скачивайте PDF-версию. А если нужно редактировать файл, то используйте оригинальный файл.
Файлы такого типа обычно разбиты на страницы, а текст может быть форматированным (жирный, курсив, выбор шрифта, таблицы и т.п.), а также в него можно добавлять изображения. Формат идеально подходит для рефератов, докладов и РПЗ курсовых проектов, которые необходимо распечатать. Кстати перед печатью также сохраняйте файл в PDF, так как принтер может начудить со шрифтами.















