63129 (695213)
Текст из файла
СИЛОВІ IGBT і MOSFET ТРАНЗИСТОРИ
Вступ
Силові транзистори IGBT і MOSFET стали основними елементами, вживаними в могутніх імпульсних перетворювачах. Їх унікальні статичні і динамічні характеристики дозволяють створювати пристрої, здатні віддати в навантаження десятки і навіть сотні кіловат при мінімальних габаритах і КПД, що перевищує 95 %.
Загальним у IGBT і MOSFET є ізольований затвор, внаслідок чого ці елементи мають схожі характеристики управління. Завдяки негативному температурному коефіцієнту струму короткого замикання з'явилася Спроможність створювати транзистори, стійкі до короткого замикання. Зараз транзистори з нормованим часом перевантаження по струму випускаються практично всіма провідними фірмами.
Відсутність струму управління в статичних режимах дозволяє відмовитися від схем управління на дискретних елементах і створити інтегральні схеми управління — драйвери. В даний час ряд фірм, таких як International Rectifier, Hewlett-Packard, Motorola, випускає широку гамму пристроїв, що управляють одиночними транзисторами, напівмостами і мостами — двух- і трифазними. Окрім забезпечення струму затвора, вони здатні виконувати і ряд допоміжних функцій, таких як захист від перевантаження по струму і короткого замикання (Overcurrent Protection, Short Circuit Protection) і падіння напруги управління (Under Voltage LockOut — UVLO). Для ключових елементів з управляючим затвором падіння напруги управління є небезпечним станом. При цьому транзистор може перейти в лінійний режим і вийти з ладу через перегрів кристала.
Користувачам буває нелегко розібратися в широкій гаммі мікросхем, що випускаються зараз для використовування в силових схемах, не дивлячись на схожість їх основних характеристик. У даній статті розглядаються особливості використовування найпопулярніших драйверів, що випускаються різними фірмами.
1. Особливості застосування драйверів MOSFET і IGBT
Основною допоміжною функцією драйверів є захист від перевантаження по струму. Для кращого розуміння роботи схеми захисту необхідно проаналізувати поведінку силових транзисторів в режимі короткого замикання (або КЗ — звична для розробників абревіатура).
Причини виникнення струмових перевантажень різноманітні. Найчастіше це аварійні випадки, такі як пробій на корпус або замикання навантаження.
Перевантаження може бути викликана і особливостями схеми, наприклад перехідним процесом або струмом зворотного відновлення діода оппозітного плеча. Такі перевантаження повинні бути усунені методами схемотехнік: застосуванням ланцюгів формування траєкторії, вибором резистора затвора, ізоляцією ланцюгів управління від силових шин і ін.
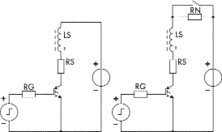
Принципова схема і епюри напруги, відповідні цьому режиму, приведені на рисунках 1 та 2. Всі графіки одержані при аналізі схем за допомогою програми PSpice. Для аналізу були використані вдосконалені моделі транзисторів MOSFET фірми International Rectifier і макромоделі IGBT і драйверів.
Рисунок 1. – Режими короткого замикання
Максимальний струм в ланцюзі колектора транзистора обмежений напругою на затворі і крутизною транзистора. Через наявність ємністі в ланцюзі живлення внутрішній опір джерела живлення не впливає на струм КЗ. У момент включення струм в транзисторі наростає плавно через паразитну індуктивність LS в ланцюзі колектора. З цієї ж причини напруга має провал (нижній графік). Після закінчення перехідного процесу до транзистора прикладена повна напруга живлення, що приводить до розсіяння величезної потужності в кристалі. Режим КЗ необхідно перервати через деякий час, необхідне для виключення помилкового спрацьовування. Цей час звичайно складає 1–10 мкс. Природно, що транзистор повинен витримувати перевантаження протягом цього часу.
Рисунок 2. – Коротке замикання навантаження для включеного транзистора
Принципова схема і епюри напруги, відповідні цьому режиму, приведені на рисунку 2. Як видно з графіків, процеси в цьому випадку відбуваються трохи інакше. Струм, як і у попередньому випадку, обмежений параметрами транзистора, наростає з швидкістю, визначуваною паразитною індуктивністю Ls (середній графік на рисунку 3). Перш ніж струм досягне сталого значення, починається зростання напруги Vce (нижній графік). Напруга на затворі зростає за рахунок ефекту Міллера (верхній графік). Відповідно зростає і струм колектора, який може перевищити стале значення. У цьому режимі окрім відключення транзистора необхідно передбачити і обмеження напруги на затворі.
Рисунок 3.
Як було відмічено, стале значення струму КЗ визначається напругою на затворі. Проте зменшення цієї напруги приводить до підвищення напруги насичення і, отже, до збільшення втрат провідності. Стійкість до КЗ тісно пов'язана і з крутизною транзистора. Транзистори IGBT з високим коефіцієнтом посилення по струму мають низьку напругу насичення, але невеликий допустимий час перевантаження. Як правило, транзистори, найстійкіші до КЗ, мають високу напругу насичення і, отже, високі втрати.
Допустимий струм КЗ у IGBT набагато вищий, ніж у біполярного транзистора. Звичайно він рівний 10-кратному номінальному струму при допустимих напругах на затворі. Провідні фірми, такі як International Rectifier, Siemens, Fuji, випускають транзистори, що витримують без пошкодження подібні перевантаження. Цей параметр обмовляється в довідкових даних на транзистори і називається Short Circuit Ration, а допустимий час перевантаження — tsc — Short Circuit Withstand Time.
Швидка реакція схеми захисту взагалі корисна для більшості застосувань. Використовування таких схем в поєднанні з високо економічними IGBT підвищують ефективність роботи схеми без зниження надійності.
2. Застосування драйверів для захисту від перевантажень
Розглянемо методи відключення транзисторів в режимі перевантаження на прикладі драйверів виробництва фірм International Rectifier, Motorola і Hewlett-Packard, оскільки ці мікросхеми дозволяють реалізувати функції захисту якнайповніші.
Рисунок 4. – Структура драйвера IR2125
На рисунку 4 приведена структурна схема, а на рисунку 5 — типова схема підключення драйвера IR2125 з використанням функції захисту від перевантаження. Для цієї мети використовується висновок 6 — CS. Напруга спрацьовування захисту — 230 мВ. Для вимірювання струму в емітері встановлений резистор RSENSE, номінал якого і дільника R1, R4 визначають струм захисту.
Рисунок 5. – Схема включення IR2125
Як було вказано вище, якщо при появі перевантаження зменшити напругу на затворі, період розпізнавання аварійного режиму може бути збільшений. Це необхідно для виключення помилкових спрацьовувань. Дана функція реалізована в мікросхемі IR2125. Конденсатор С1, підключений до висновку ERR, визначає час аналізу стану перевантаження. При С1 = 300 пФ час аналізу складає близько 10 мкс (це час заряду конденсатора до напруги 1,8 В - порогової напруги компаратора схеми ERROR TIMING драйвера). На цей час включається схема стабілізації струму колектора, і напруга на затворі знижується. Якщо стан перевантаження не припиняється, то через 10 мкс транзистор відключається повністю.
Відключення захисту відбувається при знятті вхідного сигналу, що дозволяє користувачу організувати схему тригера захисту. При її використовуванні особлива увага слідує приділити вибору часу повторного включення, яке повинне бути більше теплової постійної часу кристала силового транзистора. Теплова постійна часу може бути визначена по графіку теплового імпедансу Zthjc для одиночних імпульсів.
Описаний спосіб включення транзистора має свої недоліки. Резистор RSENSE повинен бути достатньо могутнім і мати над малу індуктивність. Виті могутні резистори, що серійно випускаються, звичайно мають неприпустимо високу паразитну індуктивність. Спеціально для прецизійного вимірювання імпульсних струмів фірма CADDOCK випускає резистори в корпусах ТЕ-220 і ТЕ-247. Крім того, вимірювальний резистор створює додаткові втрати потужності, що знижує ефективність схеми. На рисунку 6 приведена схема, вільна від вказаних недоліків. У ній для аналізу ситуації перевантаження використовується залежність напруги насичення від струму колектора. Для MOSFET транзисторів ця залежність практично лінійна, оскільки опір відкритого каналу мало залежить від струму стоку. У IGBT графік Von = f(Ic) нелінійний, проте точність його цілком достатня для вибору напруги, відповідної струму вимагається захисту.
Рисунок 6 – До аналізу перевантаження
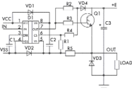
Для аналізу стану перевантаження по напрузі насичення вимірювальний резистор не потрібний. При подачі позитивного управляючого сигналу на затвор на вході захисту драйвера SC з'являється напруга, визначувана сумою падіння напруги на відкритому діоді VD2 і на відкритому силовому транзисторі Q1 і дільником R1, R4, який задає струм спрацьовування. Падіння напруги на діоді практично незмінне і складає близько 0,5 В. Напруга відкритих транзисторів при вибраному струмі короткого замикання визначається з графіка Von = f(Ic). Діод VD4, як і VD1, повинен бути швидкодійним і високовольтним.
Окрім захисту від перевантаження по струму драйвер аналізує напругу живлення вхідної частини VСС і вихідного каскаду VB, відключаючи транзистор при падінні VB нижче 9 В, що необхідне для запобігання лінійному режиму роботи транзистора. Така ситуація може виникнути як при пошкодженні низьковольтного джерела живлення, так і при неправильному виборі ємністі С2. Величина останньої повинна обчислюватися виходячи із значень заряду затвора, струму затвора і частоти проходження імпульсів. Для розрахунку значення бутстрепної ємності Cb в документації фірми International Rectifier рекомендуються наступні формули:
Cb = 15*2*(2*Qg + Igbs/f + It)/(Vcc – Vf – Vls),
It = (Ion + Ioff)*tw.
де
Ion і Ioff — струми включення і виключення затвора,
tw = Qg/Ion — час комутації,
Qg — заряд затвора,
f — частота проходження імпульсів,
Vcc — напруга живлення,
Vf — пряме падіння напруги на діоді зарядного насоса (VD1 на рисунку 10.6),
Vls — пряме падіння напруги на іншому діоді (VD3 на рисунку 10.6),
Igbs — струм затвора в статичному режимі.
При неможливості живлення драйвера від бутстрепної ємності необхідно використовувати «плаваюче» джерело живлення.
3. Драйвер трьохфазного моста
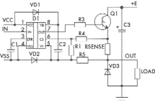
На рисунку 7 приведена схема підключення драйвера трьохфазного моста IR213* з використанням функції захисту від перевантаження. Для цієї мети використовується вхід ITR. Напруга спрацьовування захисту — 500 мВ. Для вимірювання повного струму моста в емітерах встановлений резистор RSENSE, номінал якого разом з дільником R2, R3 визначає струм захисту.
Рисунок 7. – Схема включення IR2130
Драйвер IR2130 забезпечує управління MOSFET і IGBT транзисторами при напрузі до 600 В, має захист від перевантаження по струму і від зниження живлячих напруг. Схема захисту містить польовий транзистор з відкритим стоком для індикації несправності (FAULT). Він також має вбудований підсилювач струму навантаження, що дозволяє виробляти контрольні сигнали і сигнали зворотного зв'язку. Драйвер формує час затримки (tdt — deadtime) між включенням транзисторів верхнього і нижнього плеча для виключення крізних струмів. Цей час складає від 0,2 до 2 мкс для різних модифікацій.
Для правильного використовування вказаної мікросхеми і створення на її основі надійних схем треба враховувати декілька нюансів.
Особливістю драйверів IR213* є відсутність функції обмеження напруги на затворі при КЗ. З цієї причини постійна часу ланцюжка R1C1, призначеного для затримки включення захисту, не повинна перевищувати 1 мкс. Розробник повинен знати, що відключення моста відбудеться через 1 мкс після виникнення КЗ, внаслідок чого струм (особливо при активному навантаженні) може перевищити розрахункове значення. Для скидання захисту необхідно відключити живлення драйвера або подати на входи нижнього рівня замикаючу напругу (високого рівня). Відзначимо також, що серед мікросхем даної серії є драйвер IR2137, в якому передбачений захист по напрузі насичення верхніх транзисторів і формується необхідний час затримки спрацьовування цього захисту. Такий захист дуже важливий для драйверів, що управляють трифазними мостовими схемами, оскільки при виникненні пробою на корпус струм КЗ тече, минувши вимірювальний резистор RSENSE. У цій мікросхемі передбачене роздільне підключення резисторів затвора для включення, відключення і аварійного виключення, що дозволяє реалізувати якнайповніші всі динамічні особливості транзисторів з ізольованим затвором.
Струм включення/виключення для IR213* складає 200/420 мА (120/250 мА для IR2136). Це необхідне враховувати при виборі силових транзисторів і резисторів затвора для них. У параметрах на транзистор указується величина заряду затвора (звично в нК), яка визначає при даному струмі час включення/виключення транзистора. Тривалість перехідних процесів, пов'язаних з перемиканням, повинна бути менше часу затримки tdt, формованого драйвером. Застосування могутніх транзисторів може також привести до помилкового відкриття і виникнення крізного струму через ефект Міллера. Зменшення резистора затвора або використовування резисторів затвора, роздільних для процесів включення і виключення, не завжди вирішує проблему унаслідок недостатнього струму виключення самого драйвера. В цьому випадку необхідне використовування буферних підсилювачів.
Характеристики
Тип файла документ
Документы такого типа открываются такими программами, как Microsoft Office Word на компьютерах Windows, Apple Pages на компьютерах Mac, Open Office - бесплатная альтернатива на различных платформах, в том числе Linux. Наиболее простым и современным решением будут Google документы, так как открываются онлайн без скачивания прямо в браузере на любой платформе. Существуют российские качественные аналоги, например от Яндекса.
Будьте внимательны на мобильных устройствах, так как там используются упрощённый функционал даже в официальном приложении от Microsoft, поэтому для просмотра скачивайте PDF-версию. А если нужно редактировать файл, то используйте оригинальный файл.
Файлы такого типа обычно разбиты на страницы, а текст может быть форматированным (жирный, курсив, выбор шрифта, таблицы и т.п.), а также в него можно добавлять изображения. Формат идеально подходит для рефератов, докладов и РПЗ курсовых проектов, которые необходимо распечатать. Кстати перед печатью также сохраняйте файл в PDF, так как принтер может начудить со шрифтами.















