63129 (695213), страница 2
Текст из файла (страница 2)
Перевагою мікросхем виробництва International Rectifier є те, що ці пристрої здатні витримувати високі перепади напруги між вхідною і вихідною частиною. Для драйверів серії IR21** ця напруга складає 500–600 В, що дозволяє управляти транзисторами в напівмостових і мостових схемах при живленні від випрямленої промислової напруги 220 В без гальванічної розв'язки. Для управління транзисторами в схемах, розрахованих на живлення від випрямленої напруги 380 В, International Rectifier випускає драйвери серії IR22**. Ці мікросхеми працюють при напрузі вихідної частини до 1200 В. Все драйвери International Rectifier витримують фронти наведеної напруги до 50 В/нс. Цей параметр називається dv/dt immune. Він свідчить про високу стійкість до режиму защипування, який представляє виняткову небезпеку для імпульсних високовольтних схем.
4. Драйвер нижнього плеча
Для управління транзисторами нижнього плеча хорошу альтернативу представляють мікросхеми, що випускаються фірмою Motorola. Структурна схема однієї з них — МС33153 приведена на рисунку 8.
Рисунок 8. – Структурна схема MC33153
Особливістю даного драйвера є Спроможність використовування двох способів захисту (по струму і напрузі насичення) і розділення режиму перевантаження і режиму короткого замикання. Передбачена також Спроможність подачі негативної напруги управління, що може бути дуже корисне для управління могутніми модулями з великими значеннями заряду затвора. Відключення при падінні напруги управління — UVLO здійснюється на рівні 11 В.
Вивід 1 (Current Sense Input) призначений для підключення струмкового вимірювального резистора. У мікросхемі цей висновок є входом двох компараторів — з напругою спрацьовування 65 і 130 мВ. Таким чином, в драйвері аналізується стан перевантаження і короткого замикання. При перевантаженні спрацьовує перший компаратор (Overcurrent Comparator) і відключає сигнал управління затвором. Скидання захисту проводиться при подачі замикаючого сигналу (високого рівня, оскільки вхід Input — інвертовано). При цьому сигнал несправності на вихід (Fault Output) не подається. Якщо струм перевищує заданий в два рази, це розцінюється як КЗ. При цьому перекидається другий компаратор (Short Circuit Comparator), і на контрольному виході з'являється сигнал високого рівня. По цьому сигналу контролер, що управляє роботою схеми, повинен проведе відключення всієї схеми. Час повторного включення повинен визначатися, як було сказано вище, теплової постійної часу силових транзисторів.
Вивід 8 (Desaturation Input) призначений для реалізації захисту по напрузі насичення. Напруга спрацьовування по цьому входу — 6,5 В. Етот же вхід призначено для підключення конденсатора Cblank, що формує час затримки спрацьовування захисту. Така затримка необхідна, оскільки після подачі напруги, яка відмикає затвор на транзисторі на якийсь час, поки йде відновлення протилежного діода, підтримується висока напруга.
Рисунок 9. – Захист по напрузі насичення
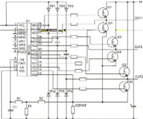
На рисунках 10 і 11 показані схеми підключення МС33153 з використанням захисту по напрузі насичення і струму колектора. У обох схемах використані оптопари для розв'язки сигналу управління і сигналу помилки. У схемі на рисунку 11 показаний транзистор IGBT із спеціальним струмковим виходом. Як правило, IGBT не мають такого висновку, і вимірювальний резистор встановлюється безпосередньо в силовий ланцюг емітера. При цьому необхідно врахувати, що цей резистор повинен мати мінімальну паразитну індуктивність, а номінал його повинен бути вибраний з урахуванням необхідного струму спрацьовування захисту. Іноді як датчик струму доцільно застосувати відрізок високоомного дроту, наприклад манганінового або ніхромового. Зверніть увагу, що поріг спрацьовування схем захисту мікросхем Motorola нижчий, ніж International Rectifier, що дозволяє використати менші вимірювальні резистори і понизити втрати потужності на них. Проте в цьому випадку пред'являються підвищені вимоги до перешкодозахисної.
Рисунок 10. – Захист по струму
Драйвер з гальванічною розв'язкою
Гальванічна розв'язка буває необхідна в схемах, де могутній силовий каскад харчується від мережевої напруги, а сигнали управління виробляються контролером, зв'язаним по шинах з різними периферійними пристроями. Ізоляція силової частини і схеми управління в таких випадках знижує комутаційні перешкоди і дозволяє в екстремальних випадках захистити низьковольтні схеми.
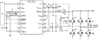
Рисунок 11. – Структурна схема HCPL316















