63118 (695210)
Текст из файла
“Белорусский государственный университет информатики и радиоэлектроники”
Кафедра защиты информации
РЕФЕРАТ
на тему:
«СГЛАЖИВАЮЩИЕ ФИЛЬТРЫ »
МИНСК, 2009
Сглаживающими считают фильтры, пропускающие с малым ослаблением постоянную составляющую и с большим ослаблением переменную составляющую.
Качество сглаживающего фильтра (СФ) характеризуется следующими величинами:
(1)
(2)
Коэффициент сглаживания:
(3)
Коэффициент сглаживания учитывает подавление пульсаций и передачу постоянной составляющей U.
Для устройств, беспрепятственно передающих постоянную составляющую, коэффициент сглаживания – это деление пульсаций между нагрузкой и фильтром (при этом считается, что
).
- коэффициент деления (4)
При расчёте коэффициента сглаживания применяются различные определения коэффициента пульсаций. Интенсивность пульсации оценивают различными способами – вычисляют:
- действующее значение U;
- амплитуду
;
- значение
;
(5)
По частотному составу различают:
- низкочастотную пульсацию (<300Гц)
- высокочастотную пульсацию (>300Гц).
Применяются разнообразные фильтры:
-
по принципу действия:
а) пассивные
б) активные
-
по степени сложности:
а) простые (однозвенные)
б) сложные (многозвенные или резонансные);
-
по виду элементов:
а) LC-фильтры
б) RC-фильтры.
При проектировании фильтров как и при проектировании других электронных систем и устройств используются общесистемные критерии оптимальности:
- минимальная стоимость;
- минимальная масса;
- минимальные габариты;
Минимизация сводится к минимизации суммарной ёмкости и индуктивности.
Пассивные сглаживающие фильтры
Строится на индуктивностях, емкостях, сочетаниях активных сопротивлений и емкостей.
L-фильтры
Простейший пассивный фильтр: L-фильтр.
Для него справедливы следующие соотношения:
(6)
(7)
(8)
(9)
С-фильтр
Рисунок 1
Для него справедливы следующие соотношения:
(10)
(11)
(12)
(13)
Из формулы (13) следует, что С-фильтр эффективен в выпрямителях с малым количеством m импульсов за период выпрямленного напряжения и в устройствах с малым током нагрузки, т.о. область применения С-фильтра противоположна применению L-фильтра.
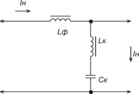
При необходимости достижения повышенного коэффициента сглаживания, применяют LC-фильтры.
LС-фильтры.
LC-фильтры могут быть:
- однозвенные;
- Г-образные;
- П-образные;
- многозвенные;
Рисунок 2
Для Г-образных фильтров:
(14)
В данном случае, в отличие от случая использования L- или C-фильтров по заданному коэффициенту сглаживания непосредственно рассчитать необходимые значения L и C, пользуясь формулой для
не удаётся, но может быть определено следующее:
(15)
П-образные LC-фильтры можно рассматривать как последовательность включения простого С-фильтра и Г-образного LC-фильтра.
(16)
Для многозвенного LC-фильтра:
(17)
В теории фильтров показано, что если зафиксировано дозволенное значение суммарной индуктивности и суммарной емкости фильтра, то максимальное значение коэффициента сглаживания в многозвенном фильтре достигается при одинаковых индуктивностях и емкостях в каждом звене.
Количество звеньев многозвенных фильтров выбирается исходя из критерия оптимальности. Фильтры с минимальной стоимостью содержат иное количество звеньев, чем фильтры с минимальными массой и габаритами.
Коэффициент сглаживания можно повысить, используя резонансное явление и основанный на нем LC-фильтр.
Резонансные LС-фильтры.
Рисунок 3
(18)
(19)
(20)
, (21)
где
Возможна схема с использованием последовательного резонанса (рисунок 4).
Рисунок 4
(22)
(23)
Использование резонансных LC-фильтров позволяет в 2-3 раза увеличить коэффициент сглаживания против LC-фильтров со сравнительными затратами.
Однако резонансные фильтры сложны в настройке и могут расстроится из-за старения элементов, за счет изменения тока I подмагничивания дросселя.
С использованием реактивностей могут быть построены и фильтры с компенсацией переменной составляющей.
Недостатки: значительные масса и габариты, обусловленные в основном конструктивными особенностями L (дросселя). Поэтому в маломощных выпрямителях со слабым током нагрузки
широко применяются RC-фильтры.
RC сглаживающие фильтры.
а) б)
Рисунок 5
(24)
RC-фильтры в своем схемном очертании и аналитическом описании во многом подобны соответствующим LC-фильтрам.
Достоинства:
-простота;
-малые габариты.
Недостаток: невозможность использования в цепях с большими токами из-за недопустимых падений напряжения на сопротивлении фильтра, действующих при больших токах нагрузки
.
Общий недостаток LC- и RC-фильтров является трудность получения больших коэффициентов сглаживания.
Значительный коэффициент сглаживания обеспечивают активные сглаживающие фильтры.
Активные сглаживающие фильтры
Активные фильтры строятся с использованием электронных ламп по 2 схемам:
- с последовательным включением регулировочного элемента (РЭ);
- с параллельным включением РЭ;
Рассмотрим полупроводниковые варианты таких фильтров.
Транзисторный активный сглаживающий фильтр с последовательным включением РЭ.
Работа фильтра основана на том, что промежуток коллектор-эмиттер имеет большое сопротивление для переменного тока, или сравнительно небольшое для постоянного, задаваемого рабочей точкой (током базы). Для уменьшения проникновения пульсации в управляющую сеть базы, фильтр R-базы С-фильтра можно усложнить (добавить
с
). Кроме этого, вместо VT можно использовать схему РЭ, чтобы уменьшить ток I по сопротивлению
.
(25)
Недостаток: необходимость пропускания мощного тока нагрузки
через VT.
Данный недостаток исключает VT-фильтр с параллельным включением РЭ.
Транзисторный активный сглаживающий фильтр с параллельным включением РЭ.
Рисунок 6
Схема с последовательным включением (по отношению к нагрузке) VT предъявляет высокие требования к пропускной способности этого VT по току. Кроме того на VT рассеивается значительная мощность, что снижает КПД устройства.
В схеме с параллельным включением VT, этот VT может быть маломощным, но на добавочном сопротивлении при больших токах нагрузки
действует значительное падение напряжения и потери мощности.
Схема с параллельным включением VT предпочтительнее в маломощных устройствах и при импульсном потреблении энергии.
Недостаток: трудность обеспечения значительных мощностей.
В технической электронике во многих случаях требуется регулируемое выходное напряжение источника питания (или ток). Кроме того, из-за нестабильности (непостоянства) напряжения U первичного источника питания меняется и U ИВЭП, что может оказаться для потребителя неприемлемо. В этих случаях оказывается целесообразным регулировать и стабилизировать U и I ИВЭП.
ЛИТЕРАТУРА
-
Иванов-Цыганов А.И. Электротехнические устройства радиосистем: Учебник. - Изд. 3-е, перераб. и доп.-Мн: Высшая школа, 200
-
Алексеев О.В., Китаев В.Е., Шихин А.Я. Электрические устройства/Под ред. А.Я.Шихина: Учебник. – М.: Энергоиздат, 200– 336 с.
-
Березин О.К., Костиков В.Г., Шахнов В.А. источники электропитания радиоэлектронной аппаратуры. – М.: Три Л, 2000. – 400 с.
-
Шустов М.А. Практическая схемотехника. Источники питания и стабилизаторы. Кн. 2. – М.: Альтекс а, 2002. –191 с.
Характеристики
Тип файла документ
Документы такого типа открываются такими программами, как Microsoft Office Word на компьютерах Windows, Apple Pages на компьютерах Mac, Open Office - бесплатная альтернатива на различных платформах, в том числе Linux. Наиболее простым и современным решением будут Google документы, так как открываются онлайн без скачивания прямо в браузере на любой платформе. Существуют российские качественные аналоги, например от Яндекса.
Будьте внимательны на мобильных устройствах, так как там используются упрощённый функционал даже в официальном приложении от Microsoft, поэтому для просмотра скачивайте PDF-версию. А если нужно редактировать файл, то используйте оригинальный файл.
Файлы такого типа обычно разбиты на страницы, а текст может быть форматированным (жирный, курсив, выбор шрифта, таблицы и т.п.), а также в него можно добавлять изображения. Формат идеально подходит для рефератов, докладов и РПЗ курсовых проектов, которые необходимо распечатать. Кстати перед печатью также сохраняйте файл в PDF, так как принтер может начудить со шрифтами.
















