62620 (695116)
Текст из файла
БЕЛОРУССКИЙ ГОСУДАРСТВЕННЫЙ УНИВЕРСИТЕТ ИНФОРМАТИКИ И РАДИОЭЛЕКТРОНИКИ
Кафедра РТС
РЕФЕРАТ
На тему:
"Методы и анализ нелинейного режима работы системы ЧАП. Метод фазовой плоскости"
МИНСК, 2008
К нелинейным относят системы, описываемые нелинейными дифференциальными уравнениями.
Система является нелинейной вследствие наличия в ее составе звеньев, описываемых нелинейными дифференциальными уравнениями, или имеющих нелинейную статическую характеристику (например, дискриминационную).
Нелинейный режим работы имеет место в системе при выходе ошибки слежения за пределы линейного участка (переходной режим, срыв слежения, большой уровень помех и т.д.).
Методы анализа нелинейных систем:
Метод кусочно-линейной аппроксимации. Нелинейная характеристика разбивается на ряд линейных участков, в пределах каждого из которых система описывается линейным дифференциальным уравнением. Далее на каждом из этих участков система исследуется линейными методами; находятся решения, описывающие работу системы, которые затем "сшиваются". Метод удобен при небольшом числе участков разбиения. Недостаток метода в громоздкости вычислений при увеличении количества участков.
Метод гармонической линеаризации. Нелинейный элемент (НЭ) заменяется его линейным эквивалентом. Критерий эквивалентности состоит в равенстве первой гармоники напряжения на выходе НЭ и его линейного эквивалента по амплитуде и фазе при подаче на входы НЭ и его эквивалента гармонического сигнала. Метод эффективен, когда все высшие гармоники подавляются последующими цепями.
Метод фазовой плоскости. Применяется для исследования нелинейных систем, описываемых дифференциальными уравнениями первого и второго порядков. Состоит в построении и исследовании фазового портрета системы в координатах исследуемой величины и ее производной.
Используется для анализа переходных режимов работы, оценки устойчивости системы, возможности возникновения периодических колебаний.
Моделирование на аналоговых и цифровых вычислительных машинах. Не имеет ограничений на количество и вид нелинейностей, порядок дифференциального уравнения, позволяет исследовать поведение системы при детерминированных и случайных воздействиях.
Отсутствие возможностей найти аналитические зависимости для исследуемых явлений является недостатком метода.
Метод статистической линеаризации. Состоит в замене НЭ его статистическим линейным эквивалентом. Используется для исследования нелинейных систем, описываемых дифференциальными уравнениями произвольного порядка. Метод является приближенным. Имеет место неоднозначность в решениях при использовании различных критериев эквивалентности замены.
Метод, основанный на использовании марковской теории случайных процессов позволяет исследовать системы, описываемые дифференциальными уравнениями первого и второго порядков, работающие в условиях действия случайных возмущений, и получить аналитические выражения для этих систем, что является его достоинством.
На практике используют комбинацию различных методов.
Анализ нелинейного режима работы системы ЧАП
Для определения некоторых характеристик системы, произведем качественный анализ системы ЧАП (рис.1)
Рис.1. Структурная схема нелинейной системы.
Исходные данные:
─ крутизна регулировочной характеристики генератора;
─ дискриминационная характеристика;
─ нестабильность частоты генератора;
─ флюктуационная составляющая;
─ отклонение от частоты от номинального значения. .
─ постоянная времени фильтра.
Составим ДУ описывающее поведение системы:
(1)
; (2)
Подставив (8.2) в (8.1), получим
;
. (3)
В установившемся режиме
;
, следовательно,
. (4);
Решение уравнения (4) может быть найдено графическим способом (рис.2).
Рис. 2.
- прямая проходящая через точку
, с наклоном
.
Абсциссы точек
и есть решение этого ДУ.
Исследуем на устойчивость в "малом" систему в точках
.
С этой целью линеаризируем дискриминационную характеристику в окрестности точек равновесия системы и представим ее зависимостью
; (5)
где
- крутизна дискриминационной характеристики;
.
Подставим (5) в (3) и введем новую переменную
; в результате получим дифференциальное уравнение следующего вида:
. (6)
Уравнение (6) описывает поведение системы в окрестности точек равновесия системы. Определим исходя из алгебраического критерия условия устойчивости системы:
;
.
В точке, соответствующей решению
,
следовательно,
Таким образом
соответствует устойчивому состоянию равновесия.
В точке, соответствующей
,
, но
, поэтому
соответствует устойчивому состоянию равновесия.
В точке, соответствующей
,
и
, здесь условие устойчивости не выполняется.
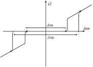
Если задать ряд значений начальной частотной расстройки, можно получить ряд решений, определяющих ошибку
, и построить зависимость установившегося значения ошибки от величины начальной расстройки по частоте (рис.3).
Для разомкнутой системы эта зависимость линейна.
Рис.3. Зависимость частотной ошибки от первоначальной частотной расстройки.
Для замкнутой системы при увеличении
увеличивается и
, и в точке Б система скачком переходит в точку В: происходит срыв слежения. При дальнейшем увеличении
система будет вести себя как и разомкнутая. При уменьшении
система войдет в режим синхронизма в точке Г, ошибка скачком уменьшится, при этом
будет меньше, чем при срыве слежения.
Диапазон первоначальных расстроек частот входного сигнала и генератора, в пределах которого сохраняется режим слежения называют полосой удержания. Диапазон первоначальных расстроек, в пределах которого система выведенная из синхронизма способна войти в режим синхронизма называют полосой захвата
.
Участок В– Г соответствует решению типа 3 (устойчивому состоянию).
Участок Б – Г соответствует решению типа 2 (неустойчивому состоянию).
Участок Б – Б соответствует решению типа 1(устойчивому состоянию).
Аналогичную зависимость можно получить для системы ФАПЧ (рис.4),
Где
- расстройка между частотой входного сигнала и частотой собственных колебаний опорного генератора;
- ошибка слежения по частоте.
Не для всех систем
. Это определяется типом фильтра и дискриминатора. Для цифровых следящих систем
и называется полосой синхронизации.
Рис.4. Зависимость частотной ошибки от первоначальной частотной расстройки.
Метод фазовой плоскости
Предположим, что поведение следящей системы описывается нелинейным дифференциальным уравнением второго порядка
. (7)
Обозначим
х = х1;
;
. (8)
Состояние системы, описываемой уравнениями (8), определяется в каждый момент времени величинами
и
т.е. величиной координаты
и скоростью ее изменения. Это состояние системы можно отобразить точкой на плоскости с координатами
, называемой фазовой плоскостью. При изменении состояния системы изображающая точка перемещается на фазовой плоскости по кривым, которые называют фазовыми траекториями. Совокупность фазовых траекторий для различных начальных условий называют фазовым портретом.
Чтобы получить уравнение фазовых траекторий, исключим из (2) время, поделив для этого второе из них на первое:
. (9)
Его решение
. Каждой комбинации начальных условий
соответствует свое решение уравнения (3) и своя фазовая траектория.
В качестве примера рассмотрим затухающий колебательный процесс, показанный на рис.5.
Рис.5. Затухающий колебательный процесс.
Цифрами отметим характерные точки кривой и сопоставим их с фазовой траекторией. В точке 1 х
(0)
0, х
(0) =0, поэтому фазовая траектория начинается на положительной полуоси абсцисс (Рис.6). В точке 2 х
=0, х
0, поэтому эта точка расположена на отрицательной полуоси абсцисс. В точке 3 х
0, х
(0) =0, и на фазовой плоскости она расположена на отрицательной части горизонтальной оси и т.д. В результате для затухающего колебательного процесса фазовая траектория имеет вид сходящейся спирали.
Рис.6. Фазовая траектория затухающего колебательного процесса.
Для затухающего монотонного процесса (рис.7а) фазовая траектория приведена на рис.7б.
Eсли в системе возникают периодические колебания, на фазовой плоскости они отображаются в виде замкнутой кривой, называемой предельным циклом. Предельный цикл является устойчивым, если при некоторых отклонениях от него фазовая траектория вновь стремится к предельному циклу. При расхождении фазовых траекторий предельный цикл называется неустойчивым.
Построение фазовых траекторий позволяет судить о свойствах нелинейных систем по переходному процессу.
Характеристики
Тип файла документ
Документы такого типа открываются такими программами, как Microsoft Office Word на компьютерах Windows, Apple Pages на компьютерах Mac, Open Office - бесплатная альтернатива на различных платформах, в том числе Linux. Наиболее простым и современным решением будут Google документы, так как открываются онлайн без скачивания прямо в браузере на любой платформе. Существуют российские качественные аналоги, например от Яндекса.
Будьте внимательны на мобильных устройствах, так как там используются упрощённый функционал даже в официальном приложении от Microsoft, поэтому для просмотра скачивайте PDF-версию. А если нужно редактировать файл, то используйте оригинальный файл.
Файлы такого типа обычно разбиты на страницы, а текст может быть форматированным (жирный, курсив, выбор шрифта, таблицы и т.п.), а также в него можно добавлять изображения. Формат идеально подходит для рефератов, докладов и РПЗ курсовых проектов, которые необходимо распечатать. Кстати перед печатью также сохраняйте файл в PDF, так как принтер может начудить со шрифтами.















