62557 (695081)
Текст из файла
БЕЛОРУССКИЙ ГОСУДАРСТВЕННЫЙ УНИВЕРСИТЕТ ИНФОРМАТИКИ И РАДИОЭЛЕКТРОНИКИ
кафедра электронной техники и технологии
РЕФЕРАТ
на тему:
«КОНТРОЛЬ ЭЛЕКТРОННО-ОПТИЧЕСКИХ ПРЕОБРАЗОВАТЕЛЕЙ»
МИНСК, 2008
1. Предварительные сведения
Перечень основных контролируемых параметров электронно-оптических преобразователей (ЭОП):
интегральная чувствительность (чувствительность с фильтром) фотокатода;
коэффициент преобразования;
предел разрешения;
рабочее разрешение;
электронно-оптическое увеличение;
частотно-контрастная характеристика;
отношение сигнала к шуму (для ЭОП с микроканальным усилением);
степень чистоты поля зрения.
Требования к внешним условиям. Параметры ЭОП следует измерять в условиях, обеспечивающих защиту ЭОП от посторонних засветок, электрических и магнитных полей, а также от механических воздействий, влияющих на результаты измерений.
Освещенность в помещении, где проводятся измерения, не должна превышать 2x
лк.
Нормальные условия окружающей среды должны, соответствовать следующим требованиям:
температура, °С………………………………....
;
относительная влажность, %, не более ……….60;
атмосферное давление, Па……………………..(8,399... 10,666)
.
Требования к источникам питания ЭОП. Электропитание ЭОП с электростатической фокусирующей системой без встроенных источников питания должно осуществляться от высоковольтного источника питания постоянного тока. Нестабильность выходного напряжения не должна превышать ± 1% при изменении напряжения сети электропитания на ±10%.
Пульсации выходного напряжения источника питания не должны превышать ± 0,1%.
Напряжение до 30 кВ должно контролироваться прибором класса точности не ниже 1,0; свыше 30 кВ - прибором класса точности не ниже 1,5.
Схему соединения ЭОП с высоковольтным источником питания указывают в стандартах или технических условиях на ЭОП конкретного типа.
Электропитание ЭОП с встроенным высоковольтным источником питания (ВИП) должно осуществляться от источника питания постоянного тока, требования к которому устанавливают в стандартах или технических условиях на ЭОП конкретного типа.
Требования к источникам света. При измерении всех перечисленных в начале главы параметров, кроме электронно-оптического увеличения, степени чистоты поля зрения и предела разрешения, следует применять источники света, работающие в режиме источника света с цветовой температурой 2860 К по ГОСТ 7721-89.
Световые и электрические параметры ламп накаливания определяют в соответствии с ГОСТ 17616-82 (см. приложение 9).
Для электропитания источников света следует применять источники питания как постоянного, так и переменного тока, я
Нестабильность выходного напряжения источников питания в течение времени измерений не должна выходить за пределы 0,2%.
Ток лампы накаливания следует контролировать амперметром класса точности не ниже 0,2 на последней трети шкалы амперметра. Режим питания лампы следует вводить постепенно.
При измерении интегральной чувствительности фотокатода, чувствительности фотокатода с фильтром и рабочего разрешения силу света лампы определяют сличением с рабочей светоизмерительной лампой в соответствии с требованиями ГОСТ 17616-82 (см. приложение 9).
Рис. 1. Источник малой силы света:
1 - неселективный диффузный отражатель с коэффициентом яркости, близким к единице; 2 - источник света; 3 - диафрагма с калиброванным отверстием
Ослабление светового потока источника света достигается за счет увеличения расстояния между источником света и фотокатодом ЭОП, а также при помощи неселективных ослабителей света.
Для ослабления силы света рекомендуется использовать источник малой силы света, схема которого показана на рис. 1. Изменяя расстояние L между лампой и диффузным отражателем, диаметр отверстия диафрагмы 3 и расстояние
между диафрагмой с калиброванным отверстием и фотокатодом ЭОП, можно получить требуемое значение освещенности на фотокатоде ЭОП.
Требования к приемникам излучения и регистрирующим приборам. При измерении параметров ЭОП используют фотоэлектрические полупроводниковые или фотоэлектронные приемники излучения с линейной световой характеристикой в рабочем диапазоне.
При измерении коэффициента преобразования у ЭОП с экранами желто-зеленого свечения спектральная характеристика приемника излучения должна соответствовать значению относительной спектральной световой эффективности монохроматического излучения для дневного зрения
по ГОСТ 8.332-78.
Для коррекции спектральной характеристики источника света с цветовой температурой 2860 К под спектральную характеристику экрана желто-зеленого свечения при измерении коэффициента преобразования применяют светофильтр, состоящий из двух стекол: стекла марки СЗС21 толщиной 1 мм и марки ЖЗС9 толщиной 3 мм по ГОСТ 9411-91. Коэффициент пропускания корригирующего светофильтра измеряют с помощью селенового фотоэлемента типа ФЭС-10 ОСТ 3.2442 - 74, корригированного под значение относительной спектральной световой эффективности монохроматического излучения для дневного зрения фильтрами из стекла марок ЗС8 толщиной 2 мм и ЖЗС18 толщиной 2 мм по ГОСТ 9411-91, или рассчитывают по формуле
, (1)
где
- спектральная плотность излучения источника света с цветовой температурой 2860 К (см. приложение 5);
-спектральный коэффициент пропускания светофильтра;
-относительная спектральная световая эффективность монохроматического излучения для дневного зрения.
Примечание. Здесь и далее суммирование ведется в пределах, определяемых границами входящих в выражение функции.
Для регистрации фототоков при измерении параметров ЭОП используют измерительные приборы класса точности не ниже 1,5. Фототок должен регистрироваться на второй половине шкалы измерительного прибора или тремя значащими цифрами при применении цифровых измерительных приборов. При визуальных наблюдениях операторы должны иметь нормальное зрение (остроту зрения и цветоощущение).
Требования к оптическим элементам. Оптическая система проектора при измерении предела разрешения, рабочего разрешения, электронно-оптического увеличения и степени чистоты поля зрения должна состоять из объектива коллиматора и проекционного объектива. В качестве объектива коллиматора рекомендуется использовать объектив Индустар-51 ТУ 3-3.1154-75 с фокусным расстоянием 210 мм или объектив, не уступающий ему по разрешающей способности. В качестве проекционного объектива рекомендуется использовать объектив типа Гелиос-44 ТУ 3-3.1090-75 с фокусным расстоянием 58,6 мм, задиафрагмированный до относительного отверстия 1:4 (или объектив, не уступающий ему по качеству изображения).
Примечание. Допускается применять иные компоненты проекционной системы. При этом коэффициенты передачи контраста проектора в плоскости фотокатода ЭОП должны быть не менее:
на частоте 15 штр/мм……0,85,
» » 25 штр/мм……0,7,
» » 40 штр/мм……0,5,
» » 60 штр/мм…….0,4.
При измерении предела разрешения и рабочего разрешения следует применять штриховые миры, соответствующие требованиям ГОСТ 15114-78 и следующим дополнительным требованиям:
а) каждый элемент миры должен состоять из пяти штрихов, равных по ширине промежуткам;
б) длина и ширина штрихов каждого элемента миры с увеличением номера миры должна пропорционально убывать от элемента к элементу по закону геометрической прогрессии со знаменателем 0,994 при постоянном отношении длины штриха к его ширине, равном 9.
При измерении предела разрешения, рабочего разрешения, электронно-оптического увеличения, степени чистоты поля зрения используют лупы или микроскопы. Увеличение лупы при измерении предела разрешения и рабочего разрешения должно быть не менее
.
При измерении степени чистоты поля зрения применяется микроскоп с сеткой, цена деления которой, приведенная к плоскости экрана ЭОП, должна быть не более 0,005 мм.
Визуальный предел разрешения окулярной оптики No« (лупы или микроскопа) в центре поля зрения должен удовлетворять условию:
, где N - предел разрешения испытуемого ЭОП, приведенный к плоскости фотокатода;
- электронно-оптическое увеличение ЭОП.
Диаметр выходного зрачка окулярной оптики при измерении рабочего разрешения должен быть не менее 4 мм, коэффициент светопропускания окулярной оптики не менее 0,5.
Требования к элементам схем. Держатель ЭОП должен обеспечивать надежное крепление ЭОП. Металлический корпус держателя ЭОП должен быть изолирован от ЭОП и заземлен.
Диафрагма, ограничивающая рабочую площадь фотокатода
ЭОП, должна иметь черную матовую поверхность и калиброванное
отверстие. Размер калиброванного отверстия должен быть
изготовлен с полем допуска Н11.
Заслонка, предназначенная для перекрытия направленного света от источника света, должна иметь черную матовую поверхность, удобно вводиться в световой пучок и устанавливаться в некотором отдалении от фотокатода ЭОП для учета влияния рассеянного света на результаты измерений.
Светозащитные диафрагмы должны иметь отверстия, центры которых лежат на оптической оси схемы. Число и расположение диафрагм, а также размер отверстий в них должны исключать влияние рассеянного света на результаты измерений. Число светозащитных диафрагм и интервалы между ними следует подбирать с таким расчетом, чтобы весь расходящийся световой пучок, проходящий через отверстие одной диафрагмы, целиком попадал на поверхность следующей диафрагмы. С любой точки калиброванного отверстия диафрагмы сквозь отверстия ряда светозащитных диафрагм должно быть видно все тело накала лампы. -
Требования безопасности. Измерение и контроль параметров ЭОП относят к работам по управлению электроустановками с напряжением свыше 1000 В.
^Измерения параметров ЭОП проводит персонал в соответствии с требованиями ГОСТ 12.0.004-79, «Правилами технической эксплуатации электроустановок потребителей» и «Правилами техники безопасности при эксплуатации электроустановок потребителей», утвержденными Госэнергонадзором СССР
Защитное заземление должно соответствовать требованиям ГОСТ 12.1.030-81.
2. Измерение интегральной чувствительности фотокатода
Принцип измерения. Интегральную чувствительность фотокатода определяют измерением фототока с рабочей площади фотокатода, вызванного световым потоком от источника света с цветовой температурой 2860 К, падающим на рабочую площадь фотокатода [6].
Примечание. Интегральная чувствительность фотокатода может быть измерена только у ЭОП без встроенного высоковольтного источника питания (ВИП).
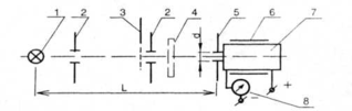
Измерительная аппаратура. Функциональная схема установки для измерения чувствительности фотокатода ЭОП приведена на рис. 2,
Расстояние L между телом накала лампы и диафрагмой с калиброванным отверстием следует выбирать таким, чтобы фототок регистрировался на второй половине шкалы измерительного прибора, а при использовании цифрового измерительного прибора не менее, чем тремя значащими цифрами.
Рис.2. Схема установки для измерения интегральной чувствительности фотокатода ЭОП:
1 - источник света (лампа накаливания); 2 - светозащитная диафрагма, 3 - заслонка; 4 - светофильтр; 5 - диафрагма с калиброванным отверстием; 6 -держатель ЭОП; 7 - испытуемый ЭОП; 8 - измерительный прибор.
Характеристики
Тип файла документ
Документы такого типа открываются такими программами, как Microsoft Office Word на компьютерах Windows, Apple Pages на компьютерах Mac, Open Office - бесплатная альтернатива на различных платформах, в том числе Linux. Наиболее простым и современным решением будут Google документы, так как открываются онлайн без скачивания прямо в браузере на любой платформе. Существуют российские качественные аналоги, например от Яндекса.
Будьте внимательны на мобильных устройствах, так как там используются упрощённый функционал даже в официальном приложении от Microsoft, поэтому для просмотра скачивайте PDF-версию. А если нужно редактировать файл, то используйте оригинальный файл.
Файлы такого типа обычно разбиты на страницы, а текст может быть форматированным (жирный, курсив, выбор шрифта, таблицы и т.п.), а также в него можно добавлять изображения. Формат идеально подходит для рефератов, докладов и РПЗ курсовых проектов, которые необходимо распечатать. Кстати перед печатью также сохраняйте файл в PDF, так как принтер может начудить со шрифтами.















