62499 (695052)
Текст из файла
Академия России
Кафедра Физики
РЕФЕРАТ
«Кварцевые и электромеханические фильтры»
Орел 2009
СОДЕРЖАНИЕ
1.Кварцевые резонаторы их параметры
2.Основные типы кварцевых фильтров.
3.Критерии реализуемости полосовых Фильтров на элементах LC.
4.Электромеханические фильтры.
5.Литература
1. Кварцевые резонаторы и их параметры
Необходимость использования в технике связи селективных электрических цепей с относительно узкими полосами пропускания привела к использованию пьезоэлектрических резонаторов, состоящих из пьезоэлектрика и прикреплённых к нему токопроводящих электродов. Действие пьезорезонаторной колебательной системы основано на явлении пьезоэффекта и состоит в обратимой способности преобразовывать энергию электрических колебаний в энергию механических колебаний.
Пьезоэффектом обладают кристаллы кварца, сегнетовой соли, турмалина, титаната бария, титоната-цирконата свинца, танталита лития и других минералов, а также ряд искусственно созданных материалов (например, различные виды пьезокерамики).
Рис 1.
Наибольшее распространение в технике связи нашли кварцевые резонаторы, которые в простейшем случае представляют собой параллелепипед-пластину, вырезанную определённым образом относительно кристаллографических осей, с напылёнными на ней вакуумным способом электродами. Одна из конструкций резонатора и его условное схематическое изображение показаны на рисунке 1.
В зависимости от типа кварцевой пластины, конфигурации электродов и способа их подключения возможны различные виды её колебаний, среди которых наиболее часто используемыми являются растяжение-сжатие, изгиб, сдвиг по толщине, сдвиг по контуру, кручение.
Значения частот собственных механических колебаний резонатора зависят от его формы и геометрических размеров, плотности и модуля упругости, пьезоэлектрика, массы и геометрии электродов, а также от способа крепления резонатора. У типовых кварцевых резонаторов значение основной частоты собственных колебаний (продольное по длине сжатия – растяжения) находятся в пределах 50 – 200 кГц. Использование резонаторов с колебаниями изгиба позволяет несколько снизить значения приведённых выше частот. Верхняя же граница применения кварцевых резонаторов определяется наименьшей технологически выполнимой толщиной кварцевой пластины и при использовании колебаний сдвига по толщине составляет 20 – 30 МГц, а при использовании колебаний на гармониках – даже до 200 МГц.
В области частот, расположенных вблизи основной частоты собственных механических колебаний пьезорезонатора, схема его замещения с достаточной для инженерной практики точностью может быть представлена в виде одной из двух схем реактивных двухполюсников на рисунке 2а, б. Эти схемы весьма точно определяют рассматриваемый физический объект, так как потери на трение в колеблющейся пластине и потери на электромагнитное излучение в окружающую среду чрезвычайно малы. (Добротность Q последовательного колебательного контура в более точной схеме замещения рисунка 2 достигает значений 10 – 106 единиц).
Схема замещения кварцевого резонатора на рисунке 2а используется в расчётах наиболее часто. Её параметр С0 носит название статической ёмкости резонатора, а параметры Сд и Lд называются соответственно динамической ёмкостью и динамической индуктивностью.
Найдём и исследуем выражение для Z (jщ) кварцевого резонатора, воспользовавшись для этой цели схемой замещения на рисунке 2а.
а) б)
Рис 2.
Рис 3.
Где
,
причём очевидно, что
. График функции Z(jщ)/j приведён на рисунке 3.
Отличительной способностью кварцевых резонаторов является близость частот щд и щр. Интервал частот Дщ называется резонансным промежутком, а отношение (щр -щд)/щд=Д называется относительным резонансным промежутком. Практически Д
0,004 (0,4%). Ещё одним важным параметром, характеризующим пьезоэлектрический резонатор, является емкостной коэффициент Zд=С0/Сд, называемый иногда просто емкостным отношением.
Учитывая близость частот щд щр можно определить, что rд = 1/2Д
125. Параметры rд и щд очень стабильны. Например, относительное изменение щд, за счёт старения кварца составляет величину (0,5 — 10)*10-6 за несколько тысяч часов работы. Относительное изменение щд, за счёт температурных отклонений на один градус Цельсия лежит в пределах (1 — 10)*10-6 1/град.
За последнее десятилетие широкое распространение получили пьезорезонаторы, изготовленные из поликристаллической пьезокерамики типа титаната-цирконата свинца. Для того чтобы пьезокерамика обладала свойствами пьезоэлектрического монокристалла, она предварительно поляризуется путём приложения к её электродам некоторого постоянного напряжения. По стабильности пьезокерамические резонаторы существенно уступают кварцевым, но зато имеют rд
25, что позволяет при прочих равных условиях строить электрические фильтры с ПП, в 5 — 10 раз более широкой, чем при использовании кварцевых резонаторов.
Заметим, что проблема расширения ПП пьезоэлектрических фильтров во многих практических случаях является одной из центральных и наиболее трудно решаемых проблем при построении селективных устройств рассматриваемого типа.
1.1 Основные типы кварцевых фильтров
В пределах полосы пропускания характеристика затухания кварцевого фильтра может быть монотонной, равноволновой или близкой к равноволновой, что определяется как методом расчёта, так и точностью изготовления кварцевых пластин. В пределах полосы задержания характеристика затухания может монотонно возрастать или иметь некоторое число всплесков затухания.
В зависимости от требований, предъявляемых к кварцевому фильтру, используются те или иные типовые структуры – мостовые без расширительных катушек, мостовые с расширительными катушками, лестничные и монолитные кварцевые фильтры. Основные характеристики этих типов рассматриваются ниже.
а) Дифференциально-мостовые кварцевые фильтры.
Рис 4а.
Рис 4б.
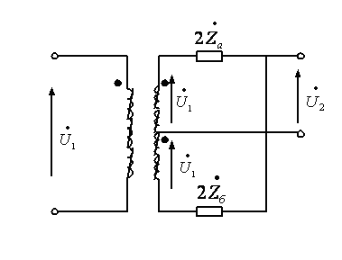
Прототипом подавляющего большинства кварцевых фильтров, используемых в аппаратуре связи, является мостовой симметричный четырёхполюсник, схема которого изображена на рисунке 4а.
Известно, что в мостовой схеме полоса пропускания находится в области частот, где Za и Zб имеют разные знаки. Включим вместо Za и Zб кварцы, у которых нули и полюсы их сопротивления на характеристических строках смещены относительно друг друга, как показано на рисунке 5.
Рис5.
Тогда полоса пропускания будет лежать в заштрихованной на рисунке 5 области. Как видно она примерно равна двум промежуткам, где кварц имеет индуктивный характер.
Включим теперь вмсето Za два параллельно соединённых кварца со смещёнными нулями и полюсами, а вместо Zб кварц с параллельно ему включённой ёмкостью. Эквивалентные схемы реактивных двухполюсников, соответствующие такому соединению показаны на рисунках 6а и 6б.
Рис 6.
Определим полосу пропускания при соответствующем подборе резонансных частот кварцев (рисунок 7).
Рис 7.
Видно, что при такой конструкции полоса пропускания расширяется и равна примерно трём промежуткам, где сопротивление кварца имеет индуктивный характер.
Указанные схемы обладают избыточным числом элементов и поэтому практически никогда не используются. Обычно от мостовой схемы переходят к эквивалентной с идеальным трансформатором, имеющим отвод от середины вторичной обмотки (рисунок 4б). Такой трансформатор носит название дифференциального.
Мостовая структура кварцевого фильтра сохраняет за собой лишь теоретическое значение. Условия эквивалентности схем доказываются в литературе и приведены на рисунках 4а и 4б.
Фактически схема замещения реального трансформатора включает в себя индуктивность холостого хода и индуктивности рассеяния. Последние при надлежащем исполнении могут быть достаточно малыми и их можно не учитывать. Однако индуктивность холостого хода, как правило, оказывает влияние на характеристики кварцевых фильтров и ею пренебречь нельзя. С целью компенсации этого влияния параллельно первичной обмотке дифференциального трансформатора включается дополнительная ёмкость. Она образует с указанной индуктивностью параллельный колебательный контур, который настраивается на среднюю частоту полосы пропускания фильтра, что и позволяет существенно повысить сопротивление холостого хода трансформатора в пределах этой полосы.
В качестве примера на рисунке 8 приведена дифференциально-мостовая схема фильтра, имеющего в одном плече два кварца, а в другом – кварц и конденсатор.
Рис 8.
Можно показать, что рабочее затухание таких схем при Rг=Rн=R0 определяется формулой
,
анализ этого выражения и характеристических строк (рисунки 5 и 6) свидетельствуют, что область частот, где может быть расположена ПП является весьма узкой и составляет примерно 0,8% от средней частоты ПП. Это утверждение справедливо для всех типов фильтров, поскольку мостовая структура является универсальной, то есть любая другая структура может быть эквивалентно преобразована к мостовой.
Для расширения ПП параллельно кварцевым резонаторам включают катушки индуктивности, образующие с ёмкостью кварцедержателя С0 параллельный колебательный контур.
Резонансная частота этого контура выбирается вблизи средней частоты полосы пропускания фильтра щ0 =
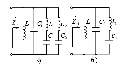
Схема дифференциально-мостового кварцевого фильтра с расширительными катушками индуктивности показана на рисунке 9.
Рис 9.
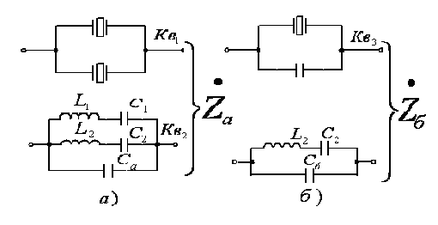
Двухполюсники Za и Zб при наличии расширительных катушек индуктивности могут быть представлены схемами рисунка 10а, б, а ниже изображены их характеристические строки.
Нетрудно заметить, что область частот, где Za/j и Zб/j имеют разные знаки, при наличии расширительных катушек индуктивности существенно расширилась, следовательно, увеличилась ПП.
Использование катушек индуктивности позволяет расширить ПП до (8-10)% от средней частоты, что на порядок выше значений, достигаемых без дополнительных индуктивностей. Этот тип кварцевых фильтров часто называют широкополосными.
Рис 10.
б) Лестничные кварцевые фильтры.
При построении кварцевых фильтров с относительной шириной ПП порядка (0,01-0,08)%. Заметное распространение нашли кварцевые фильтры лестничной структуры. Существуют три их типа:
-
с кварцевыми резонаторами в поперечных ветвях;
-
с кварцевыми резонаторами в продольных ветвях;
-
с кварцевыми резонаторами в поперечных и продольных ветвях. Схема кварцевого фильтра первого типа изображена на рисунке 11.
Характеристики
Тип файла документ
Документы такого типа открываются такими программами, как Microsoft Office Word на компьютерах Windows, Apple Pages на компьютерах Mac, Open Office - бесплатная альтернатива на различных платформах, в том числе Linux. Наиболее простым и современным решением будут Google документы, так как открываются онлайн без скачивания прямо в браузере на любой платформе. Существуют российские качественные аналоги, например от Яндекса.
Будьте внимательны на мобильных устройствах, так как там используются упрощённый функционал даже в официальном приложении от Microsoft, поэтому для просмотра скачивайте PDF-версию. А если нужно редактировать файл, то используйте оригинальный файл.
Файлы такого типа обычно разбиты на страницы, а текст может быть форматированным (жирный, курсив, выбор шрифта, таблицы и т.п.), а также в него можно добавлять изображения. Формат идеально подходит для рефератов, докладов и РПЗ курсовых проектов, которые необходимо распечатать. Кстати перед печатью также сохраняйте файл в PDF, так как принтер может начудить со шрифтами.















