62499 (695052), страница 2
Текст из файла (страница 2)
Рис 11.
Воспользуемся условиями фильтрации для характеристического затухания. Для этого вычертим графики частотной зависимости реактивных сопротивлений Z1/j, Z2/j и определим область, где они имеют разные знаки, кроме того, |Z2|>|Z1|. На рисунке 12 эта область заштрихована.
Из рисунка 12 видно также, что ноль сопротивления лежит левее полосы пропускания, следовательно, можно утверждать, что здесь будет всплеск затухания. Примерный график а (щ) показан на рис. 13.
Если кварцы и ёмкости поменять местами, то нетрудно представить, что всплески затухания будут находиться правее ПП, а в случае включения кварцевых резонаторов в продольное и поперечное плечи всплески затухания будут как левее, так и правее полосы пропускания.
Рис 12.
Рис 13.
2. Критерий реализуемости полосовых фильтров на элементах LC
Наличие тепловых потерь в катушках индуктивности и конденсаторах ухудшает характеристики фильтров по сравнению с характеристиками для фильтров с идеальными элементами.
Особенно заметным оказывается влияние потерь для полосовых фильтров с узкой полосой пропускания, когда
(
полоса пропускания фильтра,
центральная частота полосы пропускания).
В частности ПФ, характеристики которого рассчитаны по формулам для идеальных реактивных элементов и выполнены из элементов с потерями, сохранит работоспособность, если добротность
Для
и
получим
.
Изготовить катушки индуктивности с такой высокой добротностью и с их высокой температурной стабильностью не предоставляется возможным. В связи с этим возникает необходимость применения других более качественных фильтров. К этим фильтрам относятся электромеханические фильтры.
3. Электромеханические фильтры
Электромеханический фильтр – это фильтр, в котором происходит двойное преобразование сигнала: сначала электрический сигнал преобразуется в механические колебания, а затем, после отфильтровки, оставшаяся часть сигнала преобразуется в исходную форму электрических колебаний.
а) Структурная схема электромеханических фильтров, и их классификация.
Структурную схему ЭМФ можно представить в следующем виде: (рис.14)
рис.14
Вх.пр.- входной преобразователь.
Мех. Рез., элем. св. - механические резонаторы.
Вых.пр. – выходной преобразователь.
Входной преобразователь преобразует электрический сигнал в механические колебания, а выходной преобразователь наоборот.
Механические резонаторы и элементы связи между резонаторами осуществляют фильтрацию сигнала.
Механические резонаторы и элементы связи могут изготавливаться из различных материалов (кварц, пьезокерамик, магнитострикционные ферриты, железо-никелевые сплавы и т.д.).
В соответствии с типом преобразователей, резонаторов и связок существуют фильтры:
- пьезоэлектрические (пьезокристаллические, пьезокерамические);
- магнитострикционные;
- на поверхностных акустических волнах (ПАВ).
б) Магнитострикционные фильтры.
Строятся на основе резонаторов из ферромагнитного материала.
Схему магнитострикционного дискового фильтра с проволочными связками можно представить в следующем виде:
рис.15
Электрический ток (
) от генератора
проходит через резонирующую емкость
и обмотку преобразователя. Проходя через обмотку, он создает магнитное поле, которое пронизывает ферритовый стержень, вызывая колебания последнего с частотой сигнала генератора. Эти колебания передаются первому дисковому резонатору посредством тонкой проволочной связки. Механическая энергия передается от диска к диску посредством проволочных связок, приваренных по окружности каждого диска. Колебания от последнего диска через проволочную связку возбуждают выходной преобразователь. Механические напряжения, возникающие в выходном преобразователе, вызывают появление переменного магнитного поля, которое в свою очередь индуцирует электрическое напряжение
на зажимах выходного преобразователя и нагрузочного сопротивления.
Полосовые фильтры из магнитострикционных преобразователей играют важную роль в реализации высокочастотных фильтров для однополосных радио и телефонных систем. В преобразователях фильтров используется металлические сплавы и ферриты (преимущественно). Магнитострикционные фильтры находят широкое применение в технике связи.
в) Фильтры на поверхностных акустических волнах.
Фильтры на поверхностных акустических волнах (ПАВ) – это упругие возмущения, распространяющиеся в тонком поверхностном слое твердого тела. С точки зрения обработки сигналов ПАВ обладают двумя существенными преимуществами:
а) очень малая скорость распространения (1
5 км/с, т.е. примерно на 5 порядков ниже скорости ЭМ волн);
б) возможность взаимодействия с планарными структурами на поверхности звукопровода, обеспечивающая управляемое изменение характеристик ПАВ устройств, т.е. изменение скорости, затухания и т.д.
В качестве среды распространения ПАВ (звукопровода) используют обычно пьезоэлектрические материалы: кварц, ниобат лития, германад висмута, пьезокерамику. Возбуждение и прием ПАВ достигается планарными встречно-штыревыми структурами за счет пьезоэффекта.
Первое преимущество позволило создать интегральные линии задержки на ПАВ.
Второе преимущество дало возможность создать целую серию самых разнообразных устройств на ПАВ, например ПФ.
Недостатками ПАВ являются значительные размеры, необходимость тщательной настройки параметров в процессе изготовления и подстройки в ходе эксплуатации.
В любом ПАВ устройстве частотно-селективными свойствами обладают собственно пьезопреобразователи, возбуждающие и принимающие ПАВ и формирующие АЧХ устройства.
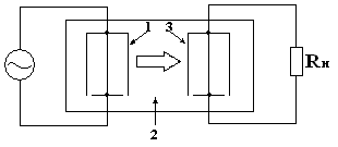
Структурная схеме фильтра на ПАВ представлена на рис.16:
рис.16
Входной преобразователь 1 подключается к источнику электрического сигнала (генератору) и создает на поверхности пьезоэлектрического звукопровода 2 знакопеременное электрическое поле. За счет пьезоэффекта под действием электрического поля в звукопроводе возникают упругие деформации, распространяющиеся в обе стороны от преобразователя. Благодаря прямому пьезоэффекту упругие деформации на поверхности звукопровода сопровождаются возникновением электрического поля, воспринимаемого выходным преобразователем 3.
Анализ развития ПАВ показывает устойчивую тенденцию перехода от уникальных устройств для обработки сложных сигналов к универсальным и массовым элементам аппаратуры: фильтрам различных типов, резонаторам, линиям задержки.
В нашей стране фильтры на ПАВ используются в телевизионных приемниках усилителей промежуточной частоты в диапазоне частот 1 МГц
3 ГГц.
Литература
-
Белецкий А.Ф. «Теория линейных электрических цепей» стр. 502-508
-
Снегирёв В.Т. «Линейные радиотехнические устройства» стр. 101-103
-
Речицкий В.И. «Акустоэлектронные радиокомпоненты»















