62333 (694985), страница 2
Текст из файла (страница 2)
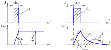
Рис. 6 - Разгонная характеристика ОР с транспортным запаздыванием
Так, например, после повышения числа оборотов питателей пыли пройдет известное время, пока увеличенное количество топлива пройдет по пылепроводам до топочной камеры и это скажется на режиме работы котла. В течении этого времени параметр не изменяется вообще. Отрезок времени между началом перемещения регулировочного органа и моментом, когда его действие начнет сказываться на регулируемом объекте, называется передаточным (транспортным или чистым) запаздыванием. Чистое запаздывание
и переходное запаздывание
составляет в сумме полное запаздывание объекта:
Наибольшим переходным (емкостным) запаздыванием, при прочих равных условиях, обладают тепловые объекты регулирования, наименьшим – объекты, в которых регулируется расход жидкости или газа.
Методы графического определения времени разгона Та для многоемкостных ОР приведены на рис. 5 и 6.
Импульсные характеристики объектов регулирования
Длительное и значительное по величине воздействие, которое приходится наносить для получения разгонных характеристик объекта регулирования, вызывает длительные изменение режима его работы и потому не всегда допустимо на действующих установках. Сокращение величины воздействий при снятии разгонных характеристик целесообразно лишь до определенных пределов, ибо в противном случае наносимое воздействие окажется соизмеримым со случайными возмущениями, имеющими место во время проведения опыта. Если по производственным условиям длительное нарушение режима невозможно, то сокращают обычно не величину воздействия, а его длительность. В этом случае динамические свойства объекта могут быть определены не по разгонной, а по импульсной характеристике.
Импульсная характеристика представляет собой кривую изменения регулируемого параметра в результате временного импульсного воздействия, то есть такого импульса, когда нанесенное ступенчатое воздействие спустя некоторый промежуток времени
так же ступенчато полностью снимается.
Импульсное воздействие можно рассматривать как действие двух равных и противоположных по направлению ступенчатых воздействий, из которых второе нанесено позднее первого на
.
Импульсные характеристики для одноемкостных объектов регулирования. Для одноемкостного ОР без самовыравнивания, импульсная кривая имеет следующий вид (Рис. 7,а)
Рис. 7 - Импульсные характеристики одноемкостного ОР: а) без самовыравнивания, б) с самовыравниванием
В этом случае необходимо определить лишь один параметр объекта - скорость разгона
. Она может быть определена, как и ранее, по тангенсу угла наклона прямой разгона на участке t к оси времени, т.к.
(
при k=1).
Но
, отсюда
,
Или
, где
, -площадь занятая импульсом воздействия
Для одноемкостного ОР с самовыравниванием импульсная характеристика будет иметь вид, приведенный на (Рис. 7,б). В этом случае необходимо определить не только скорость разгона
(время разгона
), но и степень самовыравнивания ОР-
(коэффициент передачи
).
Скорость разгона
можно определить как для одноемкостного ОР без самовыравнивания, но ее значение будет приближенным, так как для ОР с самовыравниванием кривая (1) в интервале
экспонента, а не прямая.
Тогда
;
.
После снятия импульсного воздействия регулируемая величина возвращается к первоначальному значению (кривая 2). Уравнение этой кривой является уравнением экспоненты
, в котором искомые
и
.
Проинтегрируем это уравнение
,
знак (-) говорит о том, что кривая нисходящая,
- площадь под экспонентой возврата (3)
В конечных значениях
, тогда
, но
, значит
,
;
.
Импульсная характеристика многоемкостного ОР. На рис. 8 приведена импульсная характеристика многоемкостного ОР с самовыравниванием.
Реальный импульс воздействия обычно имеет не прямоугольную, а трапецеидальную форму, так как нанесение воздействия и его снятие совершаются с конечной, хотя и большой скоростью.
Рис. 8 - Импульсная характеристика многоемкостного ОР
Время емкостного запаздывания
можно определить как отрезок времени от (середины импульса) до точки перегиба восходящей ветви импульсной характеристики. Точка перегиба легко определяется, так как она отсекает площади
и
, равные между собой. Определение величины
,
,
указанным выше способом тем точнее, чем короче импульс воздействия и чем больше при этом отклонение регулируемой величины
. Динамические свойства объекта могут быть определены по его импульсной характеристике методом достраивания импульсной характеристики до разгонной кривой или методом планиметрирования импульсной характеристики (Рис. 9).
Метод достраивания импульсной характеристики. Разгонную характеристику можно построить по импульсной, пользуясь тем, что в случае линейности статических характеристик объекта регулирования отклонение регулируемого параметра, полученное в результате нескольких воздействий, равно в каждый данный момент времени алгебраической сумме отклонений регулируемой величины вследствие каждого из воздействий в отдельности. Это является следствием аддитивности (или наложения) переходных функций. На этом основании импульсную характеристику можно представить как алгебраическую сумму двух одинаковых, но противоположных по направлению кривых отклонений параметра
и
, из которых вторая запаздывает по сравнению с первой на
, то есть на величину длительности действия импульсного воздействия.
Построение разгонной характеристики по импульсной производят в следующем порядке.
Рис. 9 - Обработка импульсной характеристики
На оси времени t отмечают отрезки времени
и т.д.
На отрезке
импульсная характеристика совпадает с кривой разгона -
. С момента времени
начинается кривая
, участок которой на отрезке времени от
до
в точности соответствует участку кривой
на предыдущем отрезке времени от
до
. Кривая
на отрезке времени от
до
может быть достроена как сумма кривых
и
. По найденному дополнительному отрезку
продолжается кривая
на отрезке времени
и т.д. В результате получают кривую разгона
.
Метод планиметрирования импульсной характеристики. В некоторых производственных условиях, когда значительные нарушения режима особо нежелательны, приходится ограничивать даже импульсное воздействие. При этом допустимая длительность воздействия
становится настолько малой, что достраивание разгонной характеристики оказывается громоздким и практически недостаточно точным. В этих случаях целесообразно прибегнуть к другому способу обработки импульсной характеристики, а именно, к определению параметров ОР непосредственно по величине площади, ограниченной импульсной характеристикой. Имея ввиду представленные выше зависимости находят
;
- время переходного запаздывания, при
.
Постоянная времени объекта
;
Скорость разгона
.
Частотные характеристики объектов регулирования
Частотные характеристики определяют путем приложения к ОР воздействия периодической гармонической формы. Схема получения частотных характеристик приведена на рис. 10.
Рис. 10 - Схема получения частотных характеристик: 1- объект регулирования, 2- регулятор, 3- исполнительный механизм, 4- регулировочный орган, 5- генератор колебаний, 6- регистратор.
Для получения частотной характеристики нет необходимости размыкать главную обратную связь в АСР. Частотный сигнал подается на задатчик регулятора от генератора синусоидальных колебаний. При этом перемещения регулировочного органа также принимают гармоническую синусоидальную форму с определенной амплитудой и заданной частотой (Рис. 11).
,
- амплитуда колебаний входного сигнала
-угловая частота воздействия (рад/сек или рад/мин)
Т- период колебаний, с или мин, зависящий от частоты воздействия.
Для определения частотной характеристика ОР колебательные воздействия на входе объекта наносятся с различными частотами. Спустя некоторое время после начала воздействий, когда затухает переходный процесс – свободные колебания, на выходе ОР устанавливаются вынужденные колебания выходного (регулируемого) параметра
. При установившихся колебаниях
сигнал на выходе объекта, если он является линейным,
так же изменяется по гармоническому закону с той же частотой
, но его амплитуда
и сдвиг по фазе колебаний могут изменятся в зависимости от динамических свойств объекта исследования.
,
- амплитуда выходных колебаний
- сдвиг по фазе.
Рис. 11 - Синусоидальные изменения сигналов
и
Сигналы
и
подаются на регистратор. Зависимость отношения амплитуды выходного сигнала к амплитуде входного воздействия измеренных для одной частоты
, от частоты колебаний входного сигнала называется амплитудно-частотной характеристикой (АЧХ).















