148473 (692363), страница 2
Текст из файла (страница 2)
Проектные решения по освещению улиц должны подвергаться экспертизе на соответствие требованиям безопасности движения.
Наилучшие результаты в организации движения на перекрёстке достигаются при согласовании планировочных решений с выбором схемы движения через перекрёсток и инженерным его обустройством.
2. Задание на проектирование и исходные данные
Разработать курсовой проект на тему "Проект планировки и инженерного обустройства городского транспортного узла № 1".
Схема пофазной организации движения на перекрестке
2.1 Типы технических средств, предлагаемых для управления светофорами
– Тип дорожного контроллера – ДКМ-6, ВПУ.
2.2 Категории улиц, выходящих на перекресток
Улицы местного значения промышленно-коммунального района
С,З,В,Ю.
3. Разработка транспортного узла
3.1 Разработка базовой схемы движения через транспортный узел
Составляем общую схему направлений движения транспорта и пешеходов на перекрестке с учетом числа полос движения:
-
автомобильное движение;
-
движение пешеходов на просачивание (на зеленый мигающий);
I, II – полосы движения;1, 18п – номера транспортных и пешеходных потоков; - номера фаз, в которых происходит движение соответствующих потоков; С, З, Ю, В – обозначение подходов к перекрестку (по сторонам света).
Таблица 1 Разрешенные и запрещенные направления движения на перекрестке.
| Подходы | З | С | В | Ю | ||||||
| № полосы(фаза) | I(1) | II(2) | I(1) | II(2) | I(1) | II(2) | I(1) | II(2) | ||
| Номер потоков и его направление | З-Ю(1) З-В(2) | З-С(3) | С-З(5) С-Ю(6) | С-В(7) | В-С(8), В-З(9) | В-Ю(10) | Ю-В(11) Ю-С(12) | Ю-З | ||
| Запрещенные направления | З-С | З-В З-Ю | С-В | С-З С-Ю | В-Ю | В-С, В-З | Ю-З | Ю-В, Ю-С | ||
3.2 Определение потенциальной опасности движения через перекресток (по пятибалльной шкале)
Из-за высокой интенсивности движения и соответственно большого числа полос проезжей части на подходах к перекрестку, плохой настройки работы светофорной сигнализации, недисциплинированности водителей и пешеходов возможно одновременное прибытие автомобилей в точки конфликта – точки пересечения траекторий конфликтующих потоков. Чем больше таких точек, тем более опасным (более сложным) считается перекресток.
Для предварительной оценки степени потенциальной опасности движения через заданный транспортный узел воспользуемся пятибалльной шкалой.
Составим схему, указав точки конфликтов:
пересечение независимо от угла - 5 баллов;
слияние - 3 балла;
отклонение - 1 балл.
О потенциальной опасности перекрестка судят по сумме баллов М:
M = NО + 3NС + 5NП,
где: NО – число точек отклонений;
NС – число точек слияния;
NП – число точек пересечения.
Перекресток считается простым, если M 150 – очень сложным, обладающим большой потенциальной опасностью его пересечения.
Для этого построим план транспортного узла и нанесем на него все конфликтные точки. Оценим их сначала в общем по базовой схеме организации движения через перекресток, затем отдельно, нанеся траектории, в каждой фазе.
Схема возможных траекторий движения.
В общем для всего транспортного узла: M = 4 + 4 3 + 5 29 = 161.По критерию сложности данный перекресток можно оценить как очень сложный, т.к. M = 161
Схема возможных траекторий движения в каждой фазе.
M = 2 + 3 2 + 5 3= 23 M = 2 + 3 2 + 5 5= 32 M = 31+52=13
3.3 Характеристика транспортного узла
Таблица 2
| Подход | Категория улицы | Ширина п.ч / число полос | Нормативы искусственного освещения дорог | |
| Яркость | Освещенность | |||
| З | Улица местного значения промышленно-коммунального района | 7+3,5+1,4*3,5= (15,4)/ 3 полосы | 0.2 | 4 |
| С | Улица местного значения промышленно-коммунального района | 7+3,5+1,4*3,5= (15,4)/ 3 полосы | 0.2 | 4 |
| В | Улица местного значения промышленно-коммунального района | 7+3,5+1,4*3,5= (15,4)/ 3 полосы | 0.2 | 4 |
| Ю | Улица местного значения промышленно-коммунального района | 7+3,5+1,4*3,5= (15,4)/ 3 полосы | 0.2 | 4 |
4. Инженерное обустройство перекрестка
4.1 Выбор, расстановка и размерная привязка всех необходимых технических средств организации, регулирования дорожного движения на перекрестке
При проектировании транспортного узла возникает объективная необходимость в расстановке средств организации, регулирования дорожного движения.
Дорожные светофоры.
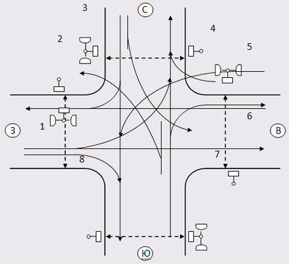
Вычерчиваем схему проезжей части перекрестка с изображением элементов, определяющих условия движения: разделительных полос, пешеходных переходов, особенностей конфигурации перекрестка с учетом корректировки в пункте 3.
1, 2, 3 – нумерация светофоров
Таблица 3. Экспликация дорожных светофоров.
| № светофорной установки | Обозначение по ГОСТ | Кол-во, шт. | Тип крепления на колонке |
| 1 | Т1 П4 | 2 1 | 1 |
| 2,4,6 | П4,П8,12П | 3 | 3 |
| 3 | Т1 | 2 | 1 |
| 5 | Т1 П8 | 2 1 | 1 |
| 7 | Т1 П8 | 2 1 | 1 |
| итого | 7 | ||
Таблица 4. Экспликация дорожных знаков.
| № знака | Типоразмер знака | Плоский или объемный | Высота подвески, м | Кол-во, шт. | Тип крепления, шт. | ||
| на свет. колонке | на столбе | на опоре | |||||
| 2.1 | III | плоский | 3,0 | 2 | - | - | 2 |
| 2.4 | III | плоский | 3,0 | 2 | - | - | 2 |
| 5.19.1(2) | III | плоский | 3,0 | 8 | - | - | 8 |
| ИТОГО : | 13 | - | - | 13 | |||
Таблица 5. Экспликация дорожной разметки.
| № разметки | Ширина линий, м | Соотношение штриха | Протяженность, м | Площадь, м2 | Примечание |
| 1.1 | 0,1 | сплошная | 400 | - | - |
| 1.6 | 0,1 | 3 : 1 | 250 | - | - |
| 1.12 | 0,4 | сплошная | 30 | - | - |
4.2 Проектирование искусственного освещения
Таблица 6.
| Норма средней яркости, кд/м2 | Тип магистрали транспортного узла | Ширина проезжей части, м | Схема расположения светильника | Тип светильника | Тип источника света | Число светильников на опоре, шт. | Высота светового центра светильника, м | Шаг светильников, м | Удельная мощность установки | |
| кВт км | Вт м2 | |||||||||
| 0.6 | Улица местного значения промышленно-коммунального района | 15 | прям. | РКУ01-400-010 | ДРЛ250 | 1 | 8,5 | 59 | 6,8 | 0,90 |
Схема освещения городской улицы.
Рис. 3. Схема освещения городской улицы.
По условиям обеспечения нормируемой равномерности распределения яркости (или освещенности проезжей части, выбираю прямоугольное размещение светильников. Расстояние между светильниками принимается в соответствии с таблицей 6.
5. График работы светофорного объекта
5.1 Расчет переходных интервалов в режиме светофорного регулирования
При разработке светофорной программы учитываем необходимость существования переходных интервалов между фазами - запас времени для того, чтобы опоздавшие автомобили успели выехать из конфликтной зоны на промежуточный сигнал. Поэтому для ликвидации конфликтов вводим переходный интервал между 1 и 2, 3 и 1 фазами в программе регулирования движения транспортных поток.















