148461 (692357), страница 3
Текст из файла (страница 3)
Следовательно:
Xгр=
=6750 мм
Xпп=0.8*G=0.8*8000=6400 мм
X1= Xгр-L=6750-1675=5075 мм
Рис. 21. Схема загрузки полуприцепа
Для расчета нагрузок Rсу и R3 примем прямоугольную систему координат XY, начало которой расположено в точке сцепного устройства (рис. 22).
Рис. 22. Схема сил действующих на полуприцеп
Необходимо записать условия равновесия для полуприцепа:
Из уравнения моментов сил определим нагрузку па тележку полуприцепа Rз:
R3=
=
=22397 кг
Из уравнения проекций сил на ось Y найдем Rсу:
Rсу=Fгр+Fпп-R3=26100+7300-22397=11003 кг
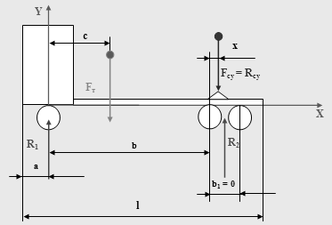
6.2 Расчет нагрузок на оси тягача
Для расчетов необходимо знать, какие силы действуют на тягач (рис. 23):
Масса в снаряженном состоянии Fт 6515 кг
В том числе на заднюю ось R2 2035 кг
Допустимая нагрузка на ССУ Rсу 13682 кг
Полная масса автопоезда ∑R 40000 кг
b 3800 мм
b1 0 мм
x 640 мм
Рис. 23. Схема сил, действующих на тягач
Для определения нагрузок на оси тягача, примем прямоугольную систему координат (рис. 23), начало которой совместим с передней осью тягача.
Координаты сил в принятой системе координат равны:
xсу=b+x
x2=b+
Составляем условия равновесия для тягача:
Рассчитаем координату центра тяжести тягача, используя уравнение моментов нагрузок на оси (от собственной массы тягача) относительно центра тяжести тягача:
Fтяг*c-R2*(b+
) =0
c=
=
=1186.95 мм ≈1.187 м
Из уравнения моментов сил определим нагрузку на заднюю ось тягача R2:
Нагрузка на переднюю ось тягача:
R1=Fтяг+ Fсу- R2=6515+11003-14891=2627 кг
Проверим полученные результаты:
R1+ R2+ R3= Fтяг+ Fгр+Fпп
2627+14891+22397=6515+26100+7300
39915=39915
Равенство полученных результатов означает, что расчеты выполнены правильно, теперь необходимо сравнить расчетные нагрузки с допустимыми ограничениями (табл. 4)
Таблица 4 Сравнение результатов расчета с допустимыми ограничениями
| Тягач | Допустимая нагрузка, кг | Расчетная нагрузка, кг |
| На переднюю ось R1 | 4480 | 2627 |
| На заднюю ось R2 | 13000 | 14891 |
| На седельно-сцепное устройство Rсу | 13682 | 11003 |
| Полуприцеп | ||
| На седельно-сцепное устройство Rсу | 14000 | 11003 |
| На заднюю ось R3 | 24000 | 22397 |
| Состав ТС (тягач + полуприцеп) | ||
| Фактическая масса ∑R | 40000 | 39915 |
Вывод: при коробочной загрузке транспортного средства превышается одно из допустимых параметров нагрузки – на заднюю ось тягача. Но при этом есть небольшой запас по нагрузке на заднюю ось полуприцепа. Следовательно, необходимо произвести коррекцию размещения груза в полуприцепе.
7. Коррекция размещения груза в полуприцепе
В первоначальном варианте загрузки груз размещался вплотную к передней стенке грузового отделения. В задней части полуприцепа есть свободное место, на которое мы можем сдвинуть груз, таким образом, уменьшив нагрузку на заднюю ось тягача.
Используя схему сил, действующих на полуприцеп (см. рис. 22), рассчитаем новое расположение центра тяжести груза, учитывая максимальную допустимую нагрузку на заднюю ось полуприцепа R3:
X1.1=
=
≈5.57 м
Груз в кузове можно сдвинуть на:
∆X= X1.1- X1=5570-5075=495 мм
Реальные габариты груза и внутренний размер грузового отделения позволяют переместить весь груз на:
∆Xmax=13620-45*300=120 мм
Сдвинем груз на 120 мм и пересчитаем нагрузки на оси и сцепное устройство состава транспортных средств. Новая координата центра тяжести груза в принятой системе координат (см. рис. 22) для полуприцепа равна:
=5075+120=5195 мм
Условия равновесия для полуприцепа (см. рис. 22):
Из уравнения моментов сил определим новую нагрузку на заднюю ось полуприцепа:
=
=
≈22789 кг
Из уравнений проекций сил на ось Y определим нагрузку на сцепное устройство:
=Fгр+Fпп-
=26100+7300-22789=10611 кг
Условия равновесия для тягача:
Из уравнения моментов сил определим новую нагрузку на заднюю ось тягача:
=
=
=14433 кг
Вывод: перегрузка на заднюю ось тягача по-прежнему остается высокой.
По высоте полуприцепа есть большой запас 2635-5.8*300=895 мм. Воспользуемся этим пространством, уменьшив количество коробок в одном ряду по длине полуприцепа с 45 до 40 штук. Всего в слое будет 160 коробок (40*4). Мы перевозим 1044 коробки, следовательно, количество слоев =
≈6.525. Допустим, что загружаем ровно 6.5 слоев (хотя 4 коробки, которые мы не берем, не потребуют дополнительных креплений, но 4*25=100 кг при коррекции нагрузок дадут превышение на заднюю ось тягача).
Таким образом, появится больше места по длине кузова (13620-40*300=1620 мм) и мы сможем уменьшить нагрузку на заднюю ось тягача, переместив груз к задней стенке полуприцепа.
Реально загруженное количество упаковок = 6.5*160=1040 шт.
Масса и объем груза: M=N*mкоробки=1040*25=26000 кг
V=N*
=1040*0.054=56.16 м3
Оставшееся свободное место по высоте составит: 2635-6.5*300=685 мм
Оставшееся свободное место по длине составит: 13620-40*300=1620 мм
Оставшееся свободное место по ширине составит: 2480-4*600=80 мм, по 40 мм с каждой стороны, так как груз размещается посередине относительно стенок полуприцепа.
Последний верхний слой неполный – 80 коробок, что составляет 20 коробок в одном ряду по длине кузова.
Измененный вариант загрузки приведен на рисунках 24 и 25.
Рис. 24. Загрузка полуприцепа коробками - вид сверху
Рис. 25. Загрузка полуприцепа коробками - вид сбоку
Поскольку изменилось количество перевозимых коробок, изменится и маркировка (рис. 26)
Рис. 26. Маркировка коробок
Теперь вновь необходимо рассчитать коэффициенты использования транспортного средства (коэффициенты загрузки):
исходя из объема груза
=63.1%
исходя из максимальной грузоподъемности
=
=
≈0.993
=99.3%
7.1 Расчет нагрузок на оси и сцепное устройство полуприцепа
Силы, действующие на полуприцеп, остались те же, за исключением массы груза:
Снаряженная масса Fпп 7300 кг
Длина полуприцепа A 13800 мм
Колесная высота G 8000 мм
Передний свес L 1675 мм
Масса груза Fгр 26000 кг
Xгр=
=6000 мм
Xпп=0.8*G=0.8*8000=6400 мм
X1= Xгр-L=6000-1675=4325 мм
Для расчета нагрузок Rсу и R3 примем прямоугольную систему координат XY, начало которой расположено в точке сцепного устройства (см. рис. 22).
Условия равновесия для полуприцепа:
Из уравнения моментов сил определим нагрузку па тележку полуприцепа Rз:
R3=
=
=19896 кг
Из уравнения проекций сил на ось Y найдем Rсу:
Rсу=Fгр+Fпп-R3=26000+7300-19896=13404 кг
7.2 Расчет нагрузок на оси тягача
Для расчетов необходимо знать, какие силы действуют на тягач (см. рис. 23):
Масса в снаряженном состоянии Fт 6515 кг
В том числе на заднюю ось R2 2035 кг
Допустимая нагрузка на ССУ Rсу 13682 кг
Полная масса автопоезда ∑R 40000 кг
b 3800 мм
b1 0 мм
x 640 мм
Для определения нагрузок на оси тягача, примем прямоугольную систему координат (см. рис. 23), начало которой совместим с передней осью тягача.
Координаты сил в принятой системе координат равны:
xсу=b+x
x2=b+
Условия равновесия для тягача:
Рассчитаем координату центра тяжести тягача, используя уравнение моментов нагрузок на оси (от собственной массы тягача) относительно центра тяжести тягача:
Fтяг*c-R2*(b+
) =0
c=
=
=1186.95 мм ≈1.187 м
Из уравнения моментов сил определим нагрузку на заднюю ось тягача R2:
R2=
=
=17697 кг
Нагрузка на переднюю ось тягача:
R1=Fтяг+ Fсу- R2=6515+13404-17697=2222 кг
Проверим полученные результаты:
R1+ R2+ R3= Fтяг+ Fгр+Fпп
2222+17697+19896=6515+26000+7300
39815=39815
Равенство полученных результатов означает, что расчеты выполнены правильно, теперь необходимо сравнить расчетные нагрузки с допустимыми ограничениями (табл. 5)
Таблица 5 Сравнение результатов расчета с допустимыми ограничениями
| Тягач | Допустимая нагрузка, кг | Расчетная нагрузка, кг |
| На переднюю ось R1 | 4480 | 2222 |
| На заднюю ось R2 | 13000 | 17697 |
| На седельно-сцепное устройство Rсу | 13682 | 13404 |
| Полуприцеп | ||
| На седельно-сцепное устройство Rсу | 14000 | 13404 |
| На заднюю ось R3 | 24000 | 19896 |
| Состав ТС (тягач + полуприцеп) | ||
| Фактическая масса ∑R | 40000 | 39815 |
Вывод: в данном случае тоже есть превышение допустимого параметра нагрузки на заднюю ось тягача. Но теперь у нас есть большой запас по нагрузке на заднюю ось полуприцепа. Произведем коррекцию размещения груза в полуприцепе, то есть сдвинем груз в заднюю часть кузова.
Используя схему сил, действующих на полуприцеп (см. рис. 22), рассчитаем новое расположение центра тяжести груза, учитывая максимальную допустимую нагрузку на заднюю ось полуприцепа R3:















