148334 (692299), страница 2
Текст из файла (страница 2)
Если под давлением масла, включительно вращающимся на пусковом воздухе двигателем, один из резервных серводвигателей топливных насосов не был переведен в концевое положение, то из линии 601 и, тем самым, из линии 603 воздух не удаляется. Серводвигатель 6.03 остается в положении «СТОП», а регулятор 1.03 не может управлять тягами топливных насосов из-за выпуска воздуха из воздушного цилиндра 3.10, т.е. ГД будет вращаться на воздухе, но не запустится.
Канал управления частотой вращения.
Элементы данного канала приведены в таблице №3.
Таблица №3.
| № | Название | Назначение | |||||
| 3.01 | Топливная форсунка | Впрыск топлива в цилиндр двигателя | |||||
| 3.02 | ТНВД | Создание необходимого давления топлива перед форсункой | |||||
| 3.03 | Топливный кулачок | Привод в действие ТНВД | |||||
| 3.04 | Указатель нагрузки | Задание топливоподачи | |||||
| 3.05 | Устройство VIT | Изменение угла опережения подачи топлива | |||||
| 3.07 | Эксцентриковый вал всасывающего клапана | Регулирует момент открытия всасывающего клапана | |||||
| 3.08 | Промежуточный регулировочный клапан | Регулирует момент открытия всасывающего клапана | |||||
| 3.09 | Промежуточный регулировочный вал | Участвует в передаче сигнала от регулятора на VIT, сигнал от сервомотора «ОСТАНОВКИ» передает сигнал на корректировку подачи лубрикаторного масла | |||||
| 3.10 | Воздушный цилиндр для соединения регулятора с тягой | Связывает регулятор частоты вращения и регулировочный вал 3.09 | |||||
| 1.03 | Регулятор «Вудвард» типа PGA | Поддерживает частоту вращения ГД на заданных режимах | |||||
| 3.12 | Рукоятка подачи топлива | Задает величину топливоподачи | |||||
| 3.13 | Предохранительный клапан | Защищает ТНВД от поломки | |||||
| 113HG | Клапан типа «ИЛИ» | Подает надувочный воздух либо воздух питания на регулятор «Вудвард» | |||||
| 31HC | Двухпозиционный 3-хходовой клапан с (пневмоприводом) механическим управлением | Подает пневмосигнал на включение топливоподачи | |||||
| 53HC | Двухпозиционный 3-хходовой пневмоуправляемый клапан | Подает воздух питания в воздушный цилиндр | |||||
| 53HA | Двухпозиционный 3-х ходовой пневмоуправляемый клапан | Подает воздух управления на сервомотор остановки двигателя | |||||
| 6,03 | Сервомотор остановки двигателя | Подает сигнал через регулировочный вал и VIT на ТНВД о нулевой подаче | |||||
| 9U | Клапан типа «ИЛИ» | Подает сигнал на открытие клапана 53НС от МПУ или ДАУ | |||||
| 9H | Клапан типа «ИЛИ» | Подаст воздух на клапан остановки ГД из ЦПУ или МПУ | |||||
| 24C | Двухпозиционный 3-х ходовой пневмоуправляемый клапан | Подает команду «стоп» от вспомогательного МПУ | |||||
| 3A | Двухпозиционный 3-х ходовой клапан с ручным управлением | Подаст воздух к клапану 24С от МПУ на остановку ГД | |||||
Этот канал начинается с топливной рукоятки 3.12, повернув которую, мы, во-первых, устанавливаем указатель нагрузки в нужное положение, а во-вторых регулируем требуемое начало впрыска (3.07;3.08) топлива через систему рычагов. Одновременно с этим поворачивается промежуточный регулировочный вал 3.09, который в свою очередь, перемещает поршенек цилиндра соединения регулятора с тягой. С другой стороны, в этот цилиндр подводится воздух через клапан 53НС из магистрали питания воздухом управления.
Перемещением топливной рукоятки мы также воздействуем на клапан 31НС, который подает воздух управления к клапану 24С (линия 604) включения вспомогательного управления. Далее, по линии 603 воздух подается на клапан53НА, тем самым вводя в действие серводвигатель останова и упор максимальной подачи топлива для защиты двигателя от перегрузки.
После запуска ГД регулятор берет на себя управление топливной тягой всех ТНВД и регулирует количество подаваемого в цилиндры топлива путем перемещения поршенька цилиндра 3.10
5. Описание порядка работы каналов управления
- Реверсирование и запуск в направлении «Вперед»
Для этого выключатель в пульте управления должен быть включен на положение «Винт фиксированного шага», причем следует проверить, установлен ли действительно гребной винт регулируемого шага на «Полный вперед» (при необходимости установить). Как только кнопочный выключатель 10.02 (266НА) включится и самоудерживающийся клапан 88НА срабатывает, через соединительный патрубок 10/2 двухпозиционный цилиндр 5.05 нагружается давлением краном переключения 10.01 при том условии, если рукоятка реверсирования 5.04 перестановлена в положение «Вперед». Двухпозиционный цилиндр перестанавливает реверсивный золотник 5.02 и вместе с ним и рукоятку реверсирования 5.03 в положение «Вперед.
Масло давлением до 1,6 МПа течет к реверсивному серводвигателю для управления запуском 5.06 и к реверсивным серводвигателям топливных насосов 5.01 и поворачивает их в желаемое положение.
Одновременно через клапан 31НВ удаляется воздух из линии 605 и, тем самым отменяется блокировка останова со вспомогательного маневрового поста. Сверх того, через клапан 53НН сигнализируется ящику органов управления положения «Вперед» реверсивного золоника 5.02 и клапан 23В, деблокирующий блокировку запуска для направления «Вперед», включается.
Как только реверсивный серводвигатель для управления запуском 5.06 занял концевое положение, включается клапан 53НЕ. После этого управляющий воздух поступает через линию 401 в клапан 30А, освобождающий путь для управляющего воздуха (ответственного из линии 301) к клапану 29V (деблокировка в результате предвключенной воздушной емкости с дросселем задерживается на 3 – 4 сек.).
По истечении этого процесса управления включается клапан 29V и процесс запуска можно начать включением пускового клапана 2.22 (266НВ).
Сейчас управляющий воздух через линию 402 нагружает давлением клапан 49НА и управляет пусковым бустером для регулятора частоты оборотов 2.14, и через распределительный клапан 2.05 запорного клапана 2.03 открывается удалением воздуха из нижней полости клапана. Одновременно включается и клапан 53НР на пусковом распределительном золотнике 2.01. По истечении этого процесса распределительные толкатели пускового распределительного золотника 2.01 нажимаются на кулачок 2.02. С этого момента управляющий воздух может поступать через обратный клапан 2.04 и клапан 194НА, а также через открытые каналы пусковых распределительных толкателей к пусковым клапанам 2.07, которыми управляется подача пускового воздуха к цилиндрам.
Как только двигатель начинает вращаться, система управления направлением вращения 6.01 переустановится в концевое положение для направления вращения «Вперед». Давление масла сейчас может управлять клапаном 53НВ, удаляющим пусковой воздух из линии 602 и этим деблокирует блокировку для неправильного направления вращения.
При включении самоудерживающегося клапана 88НА, совершенного проворачиванием двухпозиционного цилиндра 5.05 реверсивного золотника, и после перестановки рукоятки реверсирования 5.04 в положение «Вперед» давление масла было в состоянии повернуть не только реверсивный серводвигатель для управления запуском 5.06, а также реверсивные серводвигатели топливных насосов 5.01. После проворачивания всех реверсивных серводвигателей, возможно, удалить воздух из линии 601 через клапаны 53HI, 53НК и т.д.
Этим блокировка для неправильного положения реверсивных серводвигателей была бы деблокирована. Данная деблокировка, конечно, может произойти и позже, когда, например, один из реверсивных серводвигателей застревает из-за возможной тугой подвижности, и если это произойдет, то следует перевести его в соответствующее положение при помощи вращающегося двигателя.
По истечении этого процесса управления, из-за удаления воздуха из линий 602 и 601 воздух выпускается из линии 603 через линии 602 и/или 601. Затем серводвигатель останова 6.05 через клапан 6.03 переводится в рабочее положение. Одновременно воздушный цилиндр 3.10 продувается через клапан 53НС.
Регулятор числа оборотов 1.03, который уже был возбужден клапаном тонкой настройки 1.01, с этого момента принимает на себя управление регулирующими тягами топливных насосов и настраивает подачу соответствующего количества топлива, так как он уже является работоспособным благодаря возбуждению пусковым бустером 2.14.
- Реверсирование и запуск в направлении «Назад»
Для этого выключатель в пульте управления должен находиться в положении «Винт фиксированного шага».
Реверсирование и запуск в направлении « Назад» возможны только в том случае, если гребной винт не установлен на шаг заднего хода.
Процесс управления проходит аналогично процессу «Реверсирование и запуск в направлении «Вперед» , причем возбуждаются соответствующие линии и приборы обратного ответвления. После вызова сигнала рукояткой реверсирования 5.04 через соединение 9/1 в кране переключения 10.01 он передается на двухпозиционный цилиндр 5.05 через линию 201 и этим вызывается проворачивание реверсивного золотника 5.02.
Через клапан 53HG осуществляется исполнительная сигнализация через линию 202 и нагружается давлением клапан 23А. Тем самым, в том случае, если система управления запуском (линия 401) занимает концевое положение и клапан 30А в результате этого возбуждается, а реверсивные серводвигатели тоже занимают концевое положение при правильном направлении вращения, деблокируется впрыск топлива.
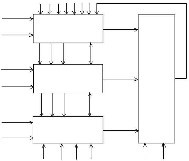
6.Разработка структур системы ДАУ и ПРС
Структурная схема ПРС подразделяется на три основных клапана: пуск, реверс, и частоты вращения.
Составим структурную схему данного двигателя.
Рис.1 Структурная схема системы управления.
Таблица 1. Условные обозначения входящих сигналов
| Обозначение сигнала | Наименование сигнала | Логическа величина |
| Рт | Сигнал от рукоятки топливоподачи на МПУ | 1 |
| Zт | Сигнал о задании режима от СДУ | 0 |
| Pp | Сигнал от рукоятки реверса на МПУ | 1 |
| Zp | Сигнал реверса от системы ДАУ | 0 |
| Рп | Рукоятка управления пуском на МПУ | 1 |
| Zп | Сигнал пуска от ДАУ | 0 |
| Рм | Давление масла системы | 1 |
| Рб | Давление пускового воздуха | 1 |
| @ | Сигнал поворота распределительного вала | 1 |
| Pб | Давление управляющего воздуха | 1 |
| Qт | Сигнал о теплоте сгорания топлива | аналог |
| Pb | Сигнал для защиты по давлению охлаждающей воды | 0 |
Таблица 2. Условные обозначения промежуточных каналов.
| Рм | Давление масла системы | 1 |
| уТВ | Межканальные связи | - |
| Xcм | Сигнал о срабатывании золотника управления реверсом | 1 |
| Xрп | Выходной сигнал сервомотора реверса распред.вала об окончании реверсирования | 1 |
| Xрв | Сигнал от датчика фактического вращения | 1 |
| Yi | Межканальные связи | - |
| nвр | Сигнал о частоте вращения | аналог |
Таблица 3. Условные обозначения выходных каналов.
| hт | Положение топливной рейки | |
| Pм | Давление масла системы | 1 |
| Pб | Давление пускового воздуха | 1 |
К системе ДАУ относятся:
-
РУ мостика — ручка управления двигателем с мостика, задающая команды направления вращения винта Xрев: вперед — стоп — назад и частота вращения Xn.зад.
-
Yп.зад.мин — входной сигнал в канал управления пуском «1» логического уровня, соответствующий минимальной заданной частоте вращения.
-
Yрев.вып. - входной сигнал канала управления пуском «1» логического уровня, соответствующий выполнению реверса сервомотором системы ДАУ.
-
Zn — выходной сигнал канала управления частотой вращения, несущий информацию об уровне заданной частоты вращения.
-
Zp — выходной сигнал канала управления реверсом.
-
Zп — выходной сигнал канала управления пуском ГД.
-
П — сигнал питания системы вспомогательной энергией.
-
РПП — сигнал от ручки переключения постов.
На центральном посту (ЦПУ) располагаются ручки управления двигателем:
-
РТ — задание частоты вращения (топлива) двигателю.
-
РП — задание пуска.
-
РР – задание реверса.
-
Yi — сигналы межканальной связи.
К пуско – реверсивной системе относятся:
-
РТ; РР; РП — ручки управления с местного поста управления (МПУ) положением рейки ТНВД, реверсом и пуском, соответственно.
-
Рм; Рв — вспомогательная энергия давления масла и пускового воздуха, соответственно.
-
Алгоритмическая схема пуско-реверсивной системы.
Алгоритмическая схема пуско-реверсивной системы двигателя «Sulzer» взята из методических указаний.
Далее из схемы выделим наиболее сложные элементы, в которых производится обработка сигналов.
















